Pevné uzemňovací body s pružnou připojovací svorkou

Pro betonové konstrukce jako pružné antikorozní připojení na uzemňovací soustavu pro ochranné vyrovnávání potenciálu a/nebo funkční vyrovnání potenciálů svodů, např. výztuž budov.
Pružné připojovací vodiče do délky 1000 mm umožňují maximální flexibilitu mezi vnějším místem připojení a vnitřním připojením.
Univerzální propojovací svorka umožňuje připojení železné výztuže a kulatého drátu 8-28 mm a plochého drátu 30x3,5 nebo větší tloušťky.
Dodržujte následující minimální délky šroubů s dvojitým závitem M10 a M12:
35 mm u M10 (délka závitu 40 mm)
15 mm u M12 (délka závitu 20 mm)

2 Produkty

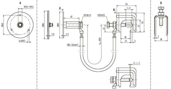
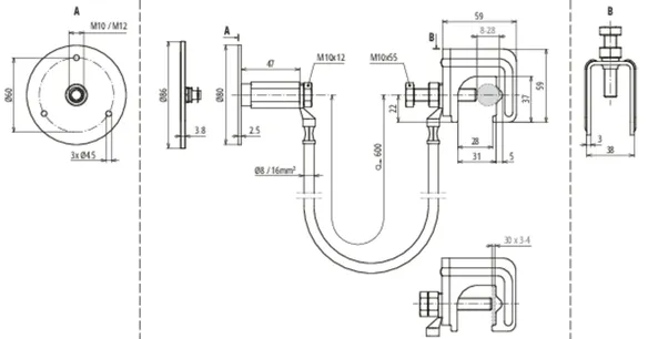
Obj. č. 416940 UES 16 L600 VK RD8 28 FL30 EFP

GTIN 4013364360280, Číslo celního sazebníku (EU): 85359000, Váha brutto: 530.00 g, Balící jednotka: 25.00 ks


Vyobrazení

Další informace

Připojovací souprava složená
z propojovacího kabelu opatřeného
připojovací svorkou a uzemňovacím bodem
pro bezpečné elektrické připojení
armování/výztužné oceli.
Prostřednictvím připojovací soupravy
je zajištěno bezpečné elektrické připojení
definované výztuže (podélných prutů),
která může být použita
jako svody jímací soustavy,
pro připojení fasádních prvků, jeřábových kolejnic,
kabelových nosných systémů, uzemnění,
funkčního vyrovnání potenciálů atd.
Materiál svorky: ocel
Rozsah propojovací svorky pro kulatý vodič: 8-28 mm
Rozsah propojovací svorky pro páskový vodič: 30 x 3-4 mm
Materiál uzemňovacího bodu: nerez (V4A)
Připojovací závit uzemňovacího bodu: M10/M12
Materiál přemosťovacího lana: flexibilní měděný vodič, mrazuvzdorný
Délka vodiče přemosťovacího lana: 600 mm
Průřez vodiče přemosťovacího lana: 16 mm2
Norma: ČSN EN 62561-1

Výrobek: DEHN
Typ: UES 16 L600 VK RD8 28 FL30 EFP
Obj. č.: 416940
nebo rovnocenný.

Certifikáty

 

Technické informace

Materiál svorky ocel
Rozsah propojovací svorky pro kulatý vodič 8-28 mm
Rozsah propojovací svorky pro páskový vodič 30 x 3-4 mm
Materiál uzemňovacího bodu nerez (V4A)
Připojovací závit uzemňovacího bodu M10/M12
Materiál přemosťovacího lana flexibilní měděný vodič, mrazuvzdorný
Délka vodiče přemosťovacího lana 600 mm
Průřez vodiče přemosťovacího lana 16 mm2
Norma ČSN EN 62561-1

Produkt 416940 byl přidán na seznam.

K seznamu

Produkt 416940 byl přidán do nákupního košíku.

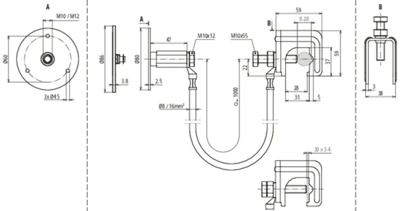
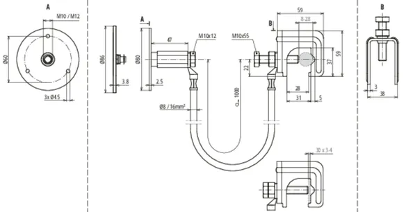
Obj. č. 416950 UES 16 L1000 VK RD8 28 FL30 EFP

GTIN 4013364508620, Číslo celního sazebníku (EU): 85359000, Váha brutto: 650.00 g, Balící jednotka: 25.00 ks


Vyobrazení

Další informace

Připojovací souprava složená
z propojovacího kabelu opatřeného
připojovací svorkou a uzemňovacím bodem
pro bezpečné elektrické připojení
armování/výztužné oceli.
Prostřednictvím připojovací soupravy
je zajištěno bezpečné elektrické připojení
definované výztuže (podélných prutů),
která může být použita
jako svody jímací soustavy,
pro připojení fasádních prvků, jeřábových kolejnic,
kabelových nosných systémů, uzemnění,
funkčního vyrovnání potenciálů atd.
Materiál svorky: ocel
Rozsah propojovací svorky pro kulatý vodič: 8-28 mm
Rozsah propojovací svorky pro páskový vodič: 30 x 3-4 mm
Materiál uzemňovacího bodu: nerez (V4A)
Připojovací závit uzemňovacího bodu: M10/M12
Materiál přemosťovacího lana: flexibilní měděný vodič, mrazuvzdorný
Délka vodiče přemosťovacího lana: 1000 mm
Průřez vodiče přemosťovacího lana: 16 mm2
Norma: ČSN EN 62561-1

Výrobek: DEHN
Typ: UES 16 L1000 VK RD8 28 FL30 EFP
Obj. č.: 416950
nebo rovnocenný.

Certifikáty

 

Technické informace

Materiál svorky ocel
Rozsah propojovací svorky pro kulatý vodič 8-28 mm
Rozsah propojovací svorky pro páskový vodič 30 x 3-4 mm
Materiál uzemňovacího bodu nerez (V4A)
Připojovací závit uzemňovacího bodu M10/M12
Materiál přemosťovacího lana flexibilní měděný vodič, mrazuvzdorný
Délka vodiče přemosťovacího lana 1000 mm
Průřez vodiče přemosťovacího lana 16 mm2
Norma ČSN EN 62561-1

Produkt 416950 byl přidán na seznam.

K seznamu

Produkt 416950 byl přidán do nákupního košíku.


back to top