Příslušenství pro DEHNcon-H

Zubehör

1 Produkt

Obj. č. 105342 WB D40.50 SE WA46 V2A

GTIN 4013364111141, Číslo celního sazebníku (EU): 85389099, Váha brutto: 514.00 g, Balící jednotka: 1.00 ks


Vyobrazení

Další informace

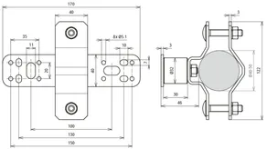
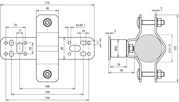
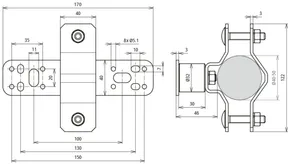
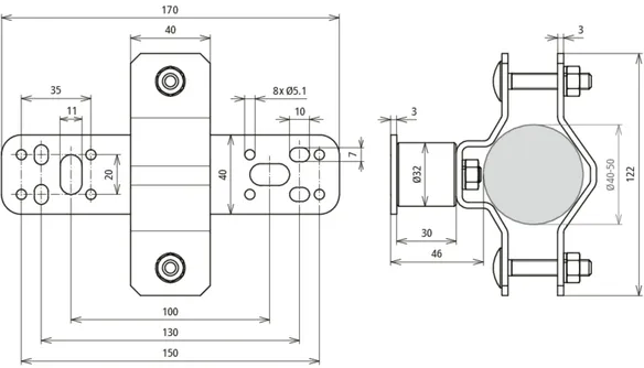
Držák pro jímací tyče D40 a DEHNcon-H, nerez, svislá montáž
držák pro jímací tyče D40 a DEHNcon-H
pro upevnění jímacích tyčí D40
nebo podpůrných trubek
ke chráněné nástavbě nebo na stěnu

Výrobek: DEHN
Typ: WB D40.50 SE WA46 V2A
Obj. č.: 105342
nebo rovnocenný.

Certifikáty

 

Technické informace

Materiál nerez
Upevnění [8x] Ø 5,1 / [4x] 7 x 10 / [2x] 11 x 20 mm
Odstup od zdi 46 mm

Produkt 105342 byl přidán na seznam.

K seznamu

Produkt 105342 byl přidán do nákupního košíku.


back to top