Jiskrově bezpečné přípojnice pro vyrovnání potenciálů v prostředí Ex, zóny 1/21, 2/22

Jiskrově bezpečná přípojnice pro vyrovnání potenciálů pro napojení kovových vodičů a kabelů na vyrovnání potenciálu v ochraně před bleskem podle ČSN EN 62305-3 (IEC 62305-3, VDE 0185-305-3) jakož i ochranného a funkčního vyrovnání potenciálů podle DIN VDE 0100 díl 410/540.
  • Použití v prostředí s nebezpečím výbuchu Ex zóny 1/21 a 2/22
  • Lze použít do skupiny výbušnosti IIC a teplotní třídy T4
  • Zkoušeno na nezápalnost podle ČSN CLC/TS 50703-2 až do 100 kA
  • Třída zatížitelnosti bleskovým proudem H
  • Zajištění šroubů proti samovolnému uvolnění podle VDE 0185-305-3 příloha 2
  • Flexibilní konfigurace pro implementaci různých typů připojení

Další informace

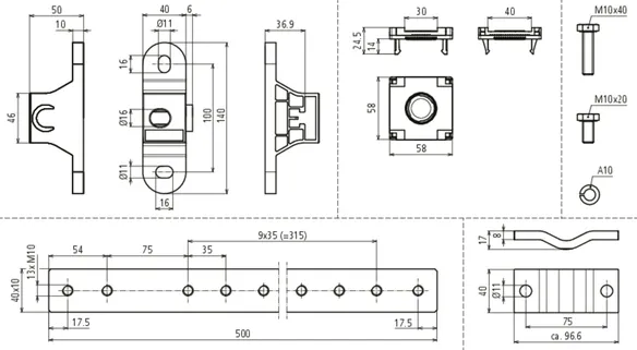
PAS EX 7(11)AP SET

  • Použití v prostředí s nebezpečím výbuchu Ex zóny 1 a 2 (plyny, páry, mlha) až do skupiny výbušnosti IIC a Ex zóny 21 a 22 (prach)
  • Zajištění šroubů proti samovolnému uvolnění
  • Při použití Push-in adaptéru je použití povoleno pouze ve vnitřních prostorách

2 Produkty

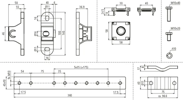
Obj. č. 472415 PAS EX 7AP SET

GTIN 4013364470590, Číslo celního sazebníku (EU): 85359000, Váha brutto: 3.23 kg, Balící jednotka: 1.00 ks


Vyobrazení

Další informace

Jiskrově bezpečná přípojnice pro vyrovnání potenciálů
v prostředí Ex PAS EX 7AP SET
Integrace kovových vodičů a kabelů
do systému vyrovnání potenciálů v ochraně před bleskem
podle ČSN EN 62305-3 (VDE 0185-305-3, IEC 62305-3)
jakož i ochranného a funkčního vyrovnání potenciálů
podle DIN VDE 0100 část 410/540.
Použití v Ex zónách 1 a 2 (plyny, páry, mlha)
a Ex zónách 21 a 22 (prach)
Skupina výbušnosti IIC (bezpečnostní faktor 1)
podle ČSN CLC/TS 50703-2;
Teplotní třída T4 dle ČSN EN 62561-1
(VDE 0185-561-1)
Třída zatížitelnosti bleskovým proudem H (100kA).
Zajištění šroubů proti samovolnému uvolnění
podle VDE 0185-305-3 příloha 2.
Použití je povoleno ve vnitřním i venkovním prostředí.
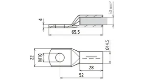
Impulzní bleskový proud (10/350 µs) nerez (V4A) 30x3,5mm/40x5mm:
2HExIIC 75 kA (bezjiskrový) T4
Impulzní bleskový proud (10/350 µs) nerez (V4A) 30x3,5mm/40x5mm:
H 100 kA;
Impulzní bleskový proud (10/350 µs) FeZn 30x3,5mm/40x5mm:
1HExIIC 100 kA (bezjiskrový) T4
Max. zkratový proud (AC 50Hz / DC / 5s) nerez (V4A) 30x3,5mm/40x5mm:
750 A / T4
Max. zkratový proud (AC 50Hz / DC / 5s) FeZn 30x3,5mm/40x5mm:
1500 A / T4
Impulzní bleskový proud (10/350 µs) nerez (V4A) Ø10 mm:
NExIIC 50 kA (bezjiskrový) T4
Impulzní bleskový proud (10/350 µs) nerez (V4A) Ø10 mm:
75 kA
Impulzní bleskový proud (10/350 µs) FeZn Ø10 mm:
2HExIIC 75 kA (bezjiskrový) T4
Impulzní bleskový proud (10/350 µs) FeZn Ø10 mm:
H 100 kA
Max. zkratový proud (AC 50Hz / DC / 5s) nerez (V4A) Ø10 mm:
650 A / T4
Max. zkratový proud (AC 50Hz / DC / 5s) FeZn Ø10 mm:
1000 A / T4
Impulzní bleskový proud (10/350 µs) Cu 16 - 95 mm²:
1HExIIC 100 kA (bezjiskrový) T4
Max. zkratový proud (AC 50Hz / DC / 5s) Cu 16mm²:
750 A / T4
Max. zkratový proud (AC 50Hz / DC / 5s) Cu 95mm²:
3,1 kA / T4
Jmenovitý impulzní proud (8/20 µs) na žílu (In) 4-10 mm² Cu:
10 kA (bezjiskrový)
Jmenovitý impulzní proud (8/20 µs) na žílu (In) 16 mm² Cu:
15 kA (bezjiskrový)
Impulzní bleskový proud (10/350 µs) Cu 4-16 mm² (na žílu):
3 kA (bezjiskrový)
Impulzní bleskový proud (10/350 µs) Cu 16 mm² (na žílu):
25 kA (na žílu)
Maximální povrchová teplota T4: 135 °C
Aby se zabránilo tvorbě „vousů“ v Ex prostředí,
Doporučuje se použití pocínovaných lisovaných kabelových ok
s niklovou bariérovou vrstvou.
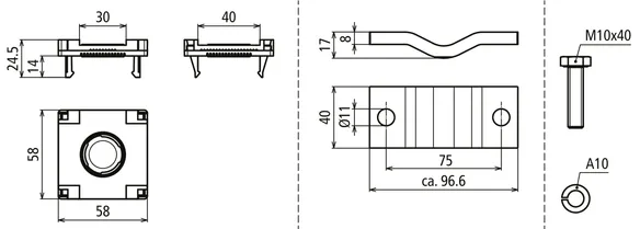
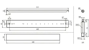
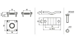
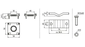
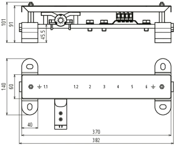
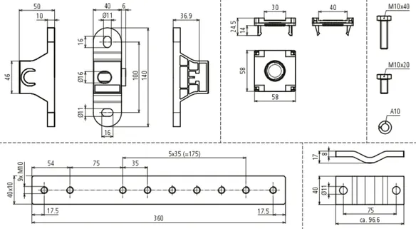
Lišta: 360 x 40 x 10mm
Rozměr: 382 x 140 x 101 mm
Připojení: 1x pásek 30/40mm popř.
adaptér pro drát prům. 10mm,
1x ohebný/pevný vodič 16-95mm²
pomocí kabelového oka
1x Push-in adaptér 4x 4-16mm²
Materiál: nerez, materiál č.: 1,4301/1,4303
Pouzdro izolátoru/adaptéru pro pásek: polyamid, bezhalogenový
modrý, odolnost proti UV záření
Push-in adaptér: polyamid
Normy: ČSN EN 62561-1 / ČSN CLC/TS 50703-2

Výrobek: DEHN
Typ: PAS EX 7AP SET
Obj. č.: 472415
nebo rovnocenný.

Certifikáty

 

Technické informace

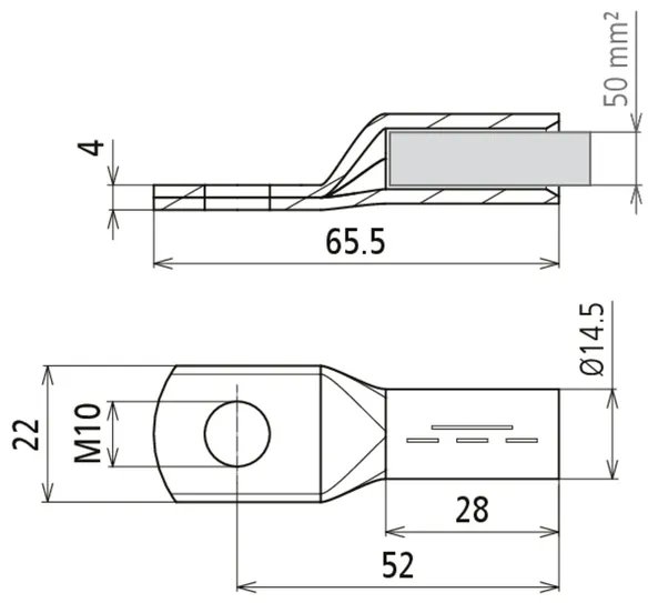
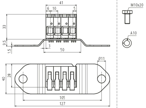
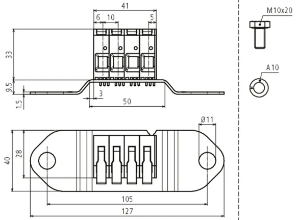
Připojení drátu/pásku 1x pásek 30/40 mm nebo 1x drát prům. 10 mm
Připojení svorky 4x 4-16 mm²
Připojení kabelového oka 1x ohebný/pevný vodič 16-95 mm²
Rozměr 382 x 140 x 101 mm
Impulzní bleskový proud (10/350 µs) nerez (V4A) 30x3,5 mm/40x5 mm 2HExIIC 75 kA (bezjiskrový) T4
Impulzní bleskový proud (10/350 µs) FeZn 30x3,5 mm/40x5 mm 1HExIIC 100 kA (bezjiskrový) T4
Impulzní bleskový proud (10/350 µs) nerez (V4A) Ø10 mm NExIIC 50 kA (bezjiskrový) T4
Impulzní bleskový proud (10/350 µs) FeZn Ø10 mm 2HExIIC 75 kA (bezjiskrový) T4
Impulzní bleskový proud (10/350 µs) Cu 16-95 mm2 1HExIIC 100 kA (bezjiskrový) T4
Impulzní bleskový proud (10/350 µs) Cu 4-16 mm² (žíla) 3 kA (bezjiskrový)
Jmen. svodový impulz. proud (8/20 µs) na žílu (In) Cu 4-10 mm² 10 kA (bezjiskrový)
Jmen. svodový impulz. proud (8/20 µs) na žílu (In) Cu 16 mm² 15 kA (bezjiskrový)
Max. zkratový proud (AC 50 Hz / DC / 5 s) nerez (V4A) 30x3,5 mm / 40x5 mm 750 A/T4
Max. zkratový proud (AC 50 Hz / DC / 5 s) FeZn 30x3,5 mm / 40x5 mm 1500 A/T4
Max. zkratový proud (AC 50 Hz / DC / 5s) nerez (V4A) Ø10 mm 650 A/T4
Max. zkratový proud (AC 50 Hz / DC / 5s) FeZn Ø10 mm 1000 A/T4
Norma ČSN EN 62561-1 / ČSN CLC/TS 50703-2

Produkt 472415 byl přidán na seznam.

K seznamu

Produkt 472415 byl přidán do nákupního košíku.

Obj. č. 472425 PAS EX 11AP SET

GTIN 4013364470606, Číslo celního sazebníku (EU): 85359000, Váha brutto: 3.82 kg, Balící jednotka: 1.00 ks


Vyobrazení

Další informace

Jiskrově bezpečná přípojnice pro vyrovnání potenciálů
v prostředí Ex PAS EX 11AP SET
Integrace kovových vodičů a kabelů
do systému vyrovnání potenciálů v ochraně před bleskem
podle ČSN EN 62305-3 (VDE 0185-305-3, IEC 62305-3)
jakož i ochranného a funkčního vyrovnání potenciálů
podle DIN VDE 0100 část 410/540.
Použití v Ex zónách 1 a 2 (plyny, páry, mlha)
a Ex zónách 21 a 22 (prach)
Skupina výbušnosti IIC (bezpečnostní faktor 1)
podle ČSN CLC 50703-2;
Teplotní třída T4 dle ČSN EN 62561-1
(VDE 0185-561-1)
Třída zatížitelnosti bleskovým proudem H (100kA).
Zajištění šroubů proti samovolnému uvolnění
podle VDE 0185-305-3 příloha 2.
Použití je povoleno ve vnitřním i venkovním prostředí.
Impulzní bleskový proud (10/350 µs) nerez (V4A) 30x3,5mm/40x5mm:
2HExIIC 75 kA (bezjiskrový) T4
Impulzní bleskový proud (10/350 µs) nerez (V4A) 30x3,5mm/40x5mm:
H 100 kA;
Impulzní bleskový proud (10/350 µs) FeZn 30x3,5mm/40x5mm:
1HExIIC 100 kA (bezjiskrový) T4
Max. zkratový proud (AC 50Hz / DC / 5s) nerez (V4A) 30x3,5mm/40x5mm:
750 A / T4
Max. zkratový proud (AC 50Hz / DC / 5s) FeZn 30x3,5mm/40x5mm:
1500 A / T4
Impulzní bleskový proud (10/350 µs) nerez (V4A) Ø10 mm:
NExIIC 50 kA (bezjiskrový) T4
Impulzní bleskový proud (10/350 µs) nerez (V4A) Ø10 mm:
75 kA
Impulzní bleskový proud (10/350 µs) FeZn Ø10 mm:
2HExIIC 75 kA (bezjiskrový) T4
Impulzní bleskový proud (10/350 µs) FeZn Ø10 mm:
H 100 kA
Max. zkratový proud (AC 50Hz / DC / 5s) nerez (V4A) Ø10 mm:
650 A / T4
Max. zkratový proud (AC 50Hz / DC / 5s) FeZn Ø10 mm:
1000 A / T4
Impulzní bleskový proud (10/350 µs) Cu 16 - 95 mm²:
1HExIIC 100 kA (bezjiskrový) T4
Max. zkratový proud (AC 50Hz / DC / 5s) Cu 16mm²:
750 A / T4
Max. zkratový proud (AC 50Hz / DC / 5s) Cu 95mm²:
3,1 kA / T4
Jmenovitý impulzní proud (8/20 µs) na žílu (In) 4-10 mm² Cu:
10 kA (bezjiskrový)
Jmenovitý svodový proud (8/20 µs) na žílu (In) 16 mm² Cu:
15 kA (bezjiskrový)
Impulzní bleskový proud (10/350 µs) Cu 4-16 mm² (na žílu):
3 kA (bezjiskrový)
Impulzní bleskový proud (10/350 µs) Cu 16 mm² (na žílu):
25 kA (na žílu)
Maximální povrchová teplota T4: 135 °C
Aby se zabránilo tvorbě „vousů“ v Ex prostředí,
Doporučuje se použití pocínovaných lisovaných kabelových ok
s niklovou bariérovou vrstvou.
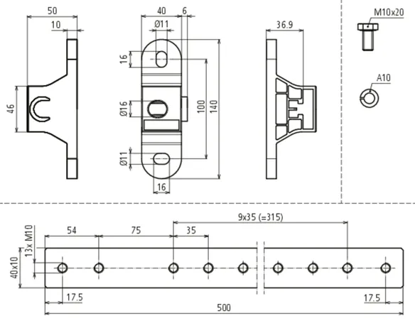
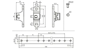
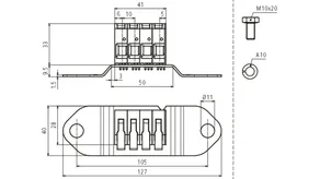
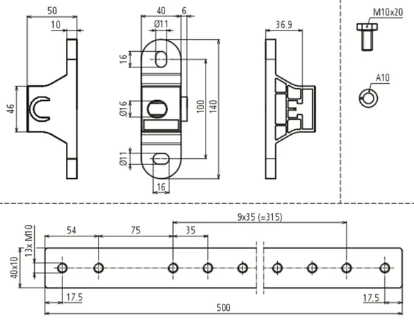
Lišta: 500 x 40 x 10mm
Rozměr: 522 x 140 x 101 mm
Připojení: 1x pásek 30/40mm popř.
adaptér pro drát prům. 10mm,
5x ohebný/pevný vodič 16-95mm²
pomocí kabelového oka
1x Push-in adaptér 4x 4-16mm²
Materiál: nerez, materiál č.: 1,4301/1,4303
Pouzdro izolátoru/adaptéru pro pásek: polyamid, bezhalogenový
modrý, odolnost proti UV záření
Push-in adaptér: polyamid
Normy: ČSN EN 62561-1 / ČSN CLC/TS 50703-2

Výrobek: DEHN
Typ: PAS EX 11AP SET
Obj. č.: 472425
nebo rovnocenný.

Certifikáty

 

Technické informace

Připojení drátu/pásku 1x pásek 30/40 mm nebo 1x drát prům. 10 mm
Připojení svorky 4x 4-16 mm²
Připojení kabelového oka 5x ohebný/pevný vodič 16-95 mm²
Rozměr 522 x 140 x 101 mm
Impulzní bleskový proud (10/350 µs) nerez (V4A) 30x3,5 mm/40x5 mm 2HExIIC 75 kA (bezjiskrový) T4
Impulzní bleskový proud (10/350 µs) FeZn 30x3,5 mm/40x5 mm 1HExIIC 100 kA (bezjiskrový) T4
Impulzní bleskový proud (10/350 µs) nerez (V4A) Ø10 mm NExIIC 50 kA (bezjiskrový) T4
Impulzní bleskový proud (10/350 µs) FeZn Ø10 mm 2HExIIC 75 kA (bezjiskrový) T4
Impulzní bleskový proud (10/350 µs) Cu 16-95 mm2 1HExIIC 100 kA (bezjiskrový) T4
Impulzní bleskový proud (10/350 µs) Cu 4-16 mm² (žíla) 3 kA (bezjiskrový)
Jmen. svodový impulz. proud (8/20 µs) na žílu (In) Cu 4-10 mm² 10 kA (bezjiskrový)
Jmen. svodový impulz. proud (8/20 µs) na žílu (In) Cu 16 mm² 15 kA (bezjiskrový)
Max. zkratový proud (AC 50 Hz / DC / 5 s) nerez (V4A) 30x3,5 mm / 40x5 mm 750 A/T4
Max. zkratový proud (AC 50 Hz / DC / 5 s) FeZn 30x3,5 mm / 40x5 mm 1500 A/T4
Max. zkratový proud (AC 50 Hz / DC / 5s) nerez (V4A) Ø10 mm 650 A/T4
Max. zkratový proud (AC 50 Hz / DC / 5s) FeZn Ø10 mm 1000 A/T4
Norma ČSN EN 62561-1 / ČSN CLC/TS 50703-2

Produkt 472425 byl přidán na seznam.

K seznamu

Produkt 472425 byl přidán do nákupního košíku.


PAS EX 1+5(9)AP M10 V2A

  • Použití v prostředí s nebezpečím výbuchu Ex zóny 1 a 2 (plyny, páry, mlha) až do skupiny výbušnosti IIC a Ex zóny 21 a 22 (prach)
  • Zajištění šroubů proti samovolnému uvolnění
  • Použití je povoleno ve vnitřních i venkovních prostorách

2 Produkty

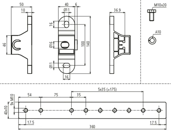
Obj. č. 472410 PAS EX 1+5AP M10 V2A

GTIN 4013364470521, Číslo celního sazebníku (EU): 85359000, Váha brutto: 1.96 kg, Balící jednotka: 1.00 ks


Vyobrazení

Další informace

Jiskrově bezpečná přípojnice pro vyrovnání potenciálů
v prostředí Ex PAS EX 1+5AP M10 V2A
Integrace kovových vodičů a kabelů
do systému vyrovnání potenciálů v ochraně před bleskem
podle ČSN EN 62305-3 (VDE 0185-305-3, IEC 62305-3)
jakož i ochranného a funkčního vyrovnání potenciálů
podle DIN VDE 0100 část 410/540.
Použití v Ex zónách 1 a 2 (plyny, páry, mlha)
a Ex zónách 21 a 22 (prach)
Skupina výbušnosti IIC (bezpečnostní faktor 1)
podle ČSN CLC/TS 50703-2;
Teplotní třída T4 dle ČSN EN 62561-1
(VDE 0185-561-1)
Třída zatížitelnosti bleskovým proudem H (100kA).
Zajištění šroubů proti samovolnému uvolnění
podle VDE 0185-305-3 příloha 2.
Použití je povoleno ve vnitřním i venkovním prostředí.
Impulzní bleskový proud (10/350 µs) nerez (V4A) 30x3,5mm/40x5mm:
2HExIIC 75 kA (bezjiskrový) T4
Impulzní bleskový proud (10/350 µs) nerez (V4A) 30x3,5mm/40x5mm:
H 100 kA;
Impulzní bleskový proud (10/350 µs) FeZn 30x3,5mm/40x5mm:
1HExIIC 100 kA (bezjiskrový) T4
Max. zkratový proud (AC 50Hz / DC / 5s) nerez (V4A) 30x3,5mm/40x5mm:
750 A / T4
Max. zkratový proud (AC 50Hz / DC / 5s) FeZn 30x3,5mm/40x5mm:
1500 A / T4
Impulzní bleskový proud (10/350 µs) Cu 16 - 95 mm²:
1HExIIC 100 kA (bezjiskrový) T4
Max. zkratový proud (AC 50Hz / DC / 5s) Cu 16mm²:
750 A / T4
Max. zkratový proud (AC 50Hz / DC / 5s) Cu 95mm²:
3,1 kA / T4
Maximální povrchová teplota T4: 135 °C
Aby se zabránilo tvorbě „vousů“ v Ex prostředí,
doporučuje se použití pocínovaných lisovaných kabelových ok
s niklovou bariérovou vrstvou.
Lišta: 360 x 40 x 10mm
Rozměr: 382 x 140 x 101 mm
Připojení: 1x pásek (M10 x 40 mm s pérovou podložkou)
+ 5x kabelové oko (M10 x 20 mm s pérovou podložkou)
Přípojnice / příložka / šrouby / podložky:
nerez, materiál č.: 1,4301/1,4303
izolátor/pouzdro adaptéru pro pásek:
polyamid, bezhalogenový modrý, odolnost proti UV záření
Normy: ČSN EN 62561-1 / ČSN CLC/TS 50703-2

Výrobek: DEHN
Typ: PAS EX 1+5AP M10 V2A
Obj. č.: 472410
nebo rovnocenný.

Certifikáty

 

Technické informace

Připojení pásku 1x pásek 30/40 mm
Připojení kabelového oka 5x ohebný/pevný vodič 16-95 mm²
Rozměr 382 x 140 x 65 mm
Impulzní bleskový proud (10/350 µs) nerez (V4A) 30x3,5 mm/40x5 mm 2HExIIC 75 kA (bezjiskrový) T4
Impulzní bleskový proud (10/350 µs) FeZn 30x3,5 mm/40x5 mm 1HExIIC 100 kA (bezjiskrový) T4
Impulzní bleskový proud (10/350 µs) Cu 16-95 mm2 1HExIIC 100 kA (bezjiskrový) T4
Max. zkratový proud (AC 50 Hz / DC / 5 s) nerez (V4A) 30x3,5 mm / 40x5 mm 750 A/T4
Max. zkratový proud (AC 50 Hz / DC / 5 s) FeZn 30x3,5 mm / 40x5 mm 1500 A/T4
Norma ČSN EN 62561-1 / ČSN CLC/TS 50703-2
Z hlediska odolnosti proti korozi je nutné zkontrolovat materiály použité pro výbušné atmosféry PAS EX (např. Cu/galSn, nerezová ocel, polyamid, polyuretanester) s ohledem na jejich použitelnost ve stávajících podmínkách prostředí.

Produkt 472410 byl přidán na seznam.

K seznamu

Produkt 472410 byl přidán do nákupního košíku.

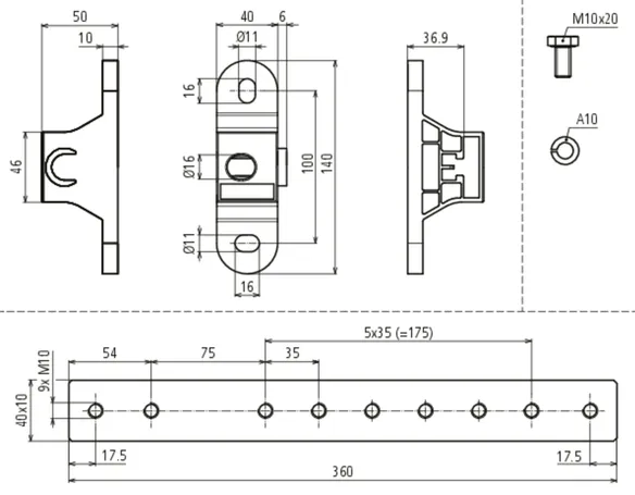
Obj. č. 472420 PAS EX 1+9AP M10 V2A

GTIN 4013364476059, Číslo celního sazebníku (EU): 85359000, Váha brutto: 2.50 kg, Balící jednotka: 1.00 ks


Vyobrazení

Další informace

Jiskrově bezpečná přípojnice pro vyrovnání potenciálů
v prostředí Ex PAS EX 1+9AP M10 V2A
Integrace kovových vodičů a kabelů
do systému vyrovnání potenciálů v ochraně před bleskem
podle ČSN EN 62305-3 (VDE 0185-305-3, IEC 62305-3)
jakož i ochranného a funkčního vyrovnání potenciálů
podle DIN VDE 0100 část 410/540.
Použití v Ex zónách 1 a 2 (plyny, páry, mlha)
a Ex zónách 21 a 22 (prach)
Skupina výbušnosti IIC (bezpečnostní faktor 1)
podle ČSN CLC/TS 50703-2;
Teplotní třída T4 dle ČSN EN 62561-1
(VDE 0185-561-1)
Třída zatížitelnosti bleskovým proudem H (100kA).
Zajištění šroubů proti samovolnému uvolnění
podle VDE 0185-305-3 příloha 2.
Použití je povoleno ve vnitřním i venkovním prostředí.
Impulzní bleskový proud (10/350 µs) nerez (V4A) 30x3,5mm/40x5mm:
2HExIIC 75 kA (bezjiskrový) T4
Impulzní bleskový proud (10/350 µs) nerez (V4A) 30x3,5mm/40x5mm:
H 100 kA;
Impulzní bleskový proud (10/350 µs) FeZn 30x3,5mm/40x5mm:
1HExIIC 100 kA (bezjiskrový) T4
Max. zkratový proud (AC 50Hz / DC / 5s) nerez (V4A) 30x3,5mm/40x5mm:
750 A / T4
Max. zkratový proud (AC 50Hz / DC / 5s) FeZn 30x3,5mm/40x5mm:
1500 A / T4
Impulzní bleskový proud (10/350 µs) Cu 16 - 95 mm²:
1HExIIC 100 kA (bezjiskrový) T4
Max. zkratový proud (AC 50Hz / DC / 5s) Cu 16mm²:
750 A / T4
Max. zkratový proud (AC 50Hz / DC / 5s) Cu 95mm²:
3,1 kA / T4
Maximální povrchová teplota T4: 135 °C
Aby se zabránilo tvorbě „vousů“ v Ex prostředí,
doporučuje se použití pocínovaných lisovaných kabelových ok
s niklovou bariérovou vrstvou.
Lišta: 500 x 40 x 10 mm
Rozměr: 522 x 140 x 101 mm
Připojení: 1x pásek (M10 x 40 mm s pérovou podložkou)
+ 9x kabelové oko (M10 x 20 mm s pérovou podložkou)
Přípojnice / příložka / šrouby / podložky:
nerez, materiál č.: 1,4301/1,4303
izolátor/pouzdro adaptéru pro pásek:
polyamid, bezhalogenový modrý, odolnost proti UV záření
Normy: ČSN EN 62561-1 / ČSN CLC/TS 50703-2

Výrobek: DEHN
Typ: PAS EX 1+9AP M10 V2A
Obj. č.: 472420
nebo rovnocenný.

Certifikáty

 

Technické informace

Připojení pásku 1x pásek 30/40 mm
Připojení kabelového oka 9x ohebný/pevný vodič 16-95 mm²
Rozměr 522 x 140 x 65 mm
Impulzní bleskový proud (10/350 µs) nerez (V4A) 30x3,5 mm/40x5 mm 2HExIIC 75 kA (bezjiskrový) T4
Impulzní bleskový proud (10/350 µs) FeZn 30x3,5 mm/40x5 mm 1HExIIC 100 kA (bezjiskrový) T4
Impulzní bleskový proud (10/350 µs) Cu 16-95 mm2 1HExIIC 100 kA (bezjiskrový) T4
Max. zkratový proud (AC 50 Hz / DC / 5 s) nerez (V4A) 30x3,5 mm / 40x5 mm 750 A/T4
Max. zkratový proud (AC 50 Hz / DC / 5 s) FeZn 30x3,5 mm / 40x5 mm 1500 A/T4
Norma ČSN EN 62561-1 / ČSN CLC/TS 50703-2
Z hlediska odolnosti proti korozi je nutné zkontrolovat materiály použité pro výbušné atmosféry PAS EX (např. Cu/galSn, nerezová ocel, polyamid, polyuretanester) s ohledem na jejich použitelnost ve stávajících podmínkách prostředí.

Produkt 472420 byl přidán na seznam.

K seznamu

Produkt 472420 byl přidán do nákupního košíku.


PAS EX 7(11)AP M10 V2A

  • Použití v prostředí s nebezpečím výbuchu Ex zóny 1 a 2 (plyny, páry, mlha) až do skupiny výbušnosti IIC a Ex zóny 21 a 22 (prach)
  • Zajištění šroubů proti samovolnému uvolnění
  • Použití je povoleno ve vnitřních i venkovních prostorách

2 Produkty

Obj. č. 472411 PAS EX 7AP M10 V2A

GTIN 4013364470460, Číslo celního sazebníku (EU): 85359000, Váha brutto: 1.65 kg, Balící jednotka: 1.00 ks


Vyobrazení

Další informace

Jiskrově bezpečná přípojnice pro vyrovnání potenciálů
v prostředí Ex PAS EX 7AP M10 V2A
pro vyrovnání potenciálů v ochraně před bleskem
podle ČSN EN 62305-3 (VDE 0185-305-3, IEC 62305-3)
jakož i ochranného a funkčního vyrovnání potenciálů
podle DIN VDE 0100 část 410/540.
Použití v Ex zónách 1 a 2 (plyny, páry, mlha)
a Ex zónách 21 a 22 (prach)
Skupina výbušnosti IIC (bezpečnostní faktor 1)
podle ČSN CLC/TS 50703-2;
Teplotní třída T4 dle ČSN EN 62561-1
(VDE 0185-561-1)
Třída zatížitelnosti bleskovým proudem H (100kA).
Zajištění šroubů proti samovolnému uvolnění
podle VDE 0185-305-3 příloha 2.
Použití je povoleno ve vnitřním i venkovním prostředí.
Impulzní bleskový proud (10/350 µs) Cu 16 - 95 mm²:
1HExIIC 100 kA (bezjiskrový) T4
Max. zkratový proud (AC 50Hz / DC / 5s) Cu 16mm²:
750 A / T4
Max. zkratový proud (AC 50Hz / DC / 5s) Cu 95mm²:
3,1 kA / T4
Maximální povrchová teplota T4: 135 °C
Aby se zabránilo tvorbě „vousů“ v Ex prostředí,
doporučuje se použití pocínovaných lisovaných kabelových ok
s niklovou bariérovou vrstvou.
Lišta: 300 x 40 x 10mm
Rozměr: 382 x 140 x 101 mm
Připojení: 7x kabelové oko (M10 x 20 mm s pérovou podložkou)
Přípojnice / šrouby / podložky:
nerez, materiál č.: 1,4301/1,4303
izolátor: polyamid, bezhalogenový modrý, odolnost proti UV záření
Normy: ČSN EN 62561-1 / ČSN CLC/TS 50703-2

Výrobek: DEHN
Typ: PAS EX 7AP M10 V2A
Obj. č.: 472411
nebo rovnocenný.

Certifikáty

 

Technické informace

Připojení kabelového oka 7x ohebný/pevný vodič 16-95 mm²
Rozměr 382 x 140 x 50 mm
Impulzní bleskový proud (10/350 µs) Cu 16-95 mm2 1HExIIC 100 kA (bezjiskrový) T4
Norma ČSN EN 62561-1 / ČSN CLC/TS 50703-2
Z hlediska odolnosti proti korozi je nutné zkontrolovat materiály použité pro výbušné atmosféry PAS EX (např. Cu/galSn, nerezová ocel, polyamid, polyuretanester) s ohledem na jejich použitelnost ve stávajících podmínkách prostředí.

Produkt 472411 byl přidán na seznam.

K seznamu

Produkt 472411 byl přidán do nákupního košíku.

Obj. č. 472421 PAS EX 11AP M10 V2A

GTIN 4013364470477, Číslo celního sazebníku (EU): 85359000, Váha brutto: 2.16 kg, Balící jednotka: 1.00 ks


Vyobrazení

Další informace

Jiskrově bezpečná přípojnice pro vyrovnání potenciálů
v prostředí Ex PAS EX 11AP M10 V2A
pro vyrovnání potenciálů v ochraně před bleskem
podle ČSN EN 62305-3 (VDE 0185-305-3, IEC 62305-3)
jakož i ochranného a funkčního vyrovnání potenciálů
podle DIN VDE 0100 část 410/540.
Použití v Ex zónách 1 a 2 (plyny, páry, mlha)
a Ex zónách 21 a 22 (prach)
Skupina výbušnosti IIC (bezpečnostní faktor 1)
podle ČSN CLC/TS 50703-2;
Teplotní třída T4 dle ČSN EN 62561-1
(VDE 0185-561-1)
Třída zatížitelnosti bleskovým proudem H (100kA).
Zajištění šroubů proti samovolnému uvolnění
podle VDE 0185-305-3 příloha 2.
Použití je povoleno ve vnitřním i venkovním prostředí.
Impulzní bleskový proud (10/350 µs) Cu 16 - 95 mm²:
1HExIIC 100 kA (bezjiskrový) T4
Max. zkratový proud (AC 50Hz / DC / 5s) Cu 16mm²:
750 A / T4
Max. zkratový proud (AC 50Hz / DC / 5s) Cu 95mm²:
3,1 kA / T4
Maximální povrchová teplota T4: 135 °C
Aby se zabránilo tvorbě „vousů“ v Ex prostředí,
doporučuje se použití pocínovaných lisovaných kabelových ok
s niklovou bariérovou vrstvou.
Lišta: 500 x 40 x 10mm
Rozměr: 522 x 140 x 101 mm
Připojení: 11x kabelové oko (M10 x 20 mm s pérovou podložkou)
Přípojnice / šrouby / podložky:
nerez, materiál č.: 1,4301/1,4303
izolátor: polyamid, bezhalogenový modrý, odolnost proti UV záření
Normy: ČSN EN 62561-1 / ČSN CLC/TS 50703-2

Výrobek: DEHN
Typ: PAS EX 11AP M10 V2A
Obj. č.: 472421
nebo rovnocenný.

Certifikáty

 

Technické informace

Připojení kabelového oka 11x ohebný/pevný vodič 16-95 mm²
Rozměr 522 x 140 x 50 mm
Impulzní bleskový proud (10/350 µs) Cu 16-95 mm2 1HExIIC 100 kA (bezjiskrový) T4
Norma ČSN EN 62561-1 / ČSN CLC/TS 50703-2
Z hlediska odolnosti proti korozi je nutné zkontrolovat materiály použité pro výbušné atmosféry PAS EX (např. Cu/galSn, nerezová ocel, polyamid, polyuretanester) s ohledem na jejich použitelnost ve stávajících podmínkách prostředí.

Produkt 472421 byl přidán na seznam.

K seznamu

Produkt 472421 byl přidán do nákupního košíku.


PAS EX AD 7(11) AP

Kryt s distančními šrouby pro jiskrově bezpečnou přípojnici pro vyrovnání potenciálů PAS EX. S číslováním připojení a označovacím štítkem.

2 Produkty

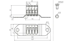
Obj. č. 472412 PAS EX AD 7 AP

GTIN 4013364470491, Číslo celního sazebníku (EU): 85389099, Váha brutto: 576.00 g, Balící jednotka: 1.00 ks


Vyobrazení

Další informace

Kryt s distančními šrouby
a označovacím štítkem pro
PAS EX 1+5AP M10 V2A a
PAS EX 7AP M10 V2A
materiál: nerez,
č. materiálu: 1.4301/1.4303

Výrobek: DEHN
Typ: PAS EX AD 7 AP
Obj. č.: 472412
nebo rovnocenný.

 

Technické informace

Materiál nerez

Produkt 472412 byl přidán na seznam.

K seznamu

Produkt 472412 byl přidán do nákupního košíku.

Obj. č. 472422 PAS EX AD 11 AP

GTIN 4013364470507, Číslo celního sazebníku (EU): 85389099, Váha brutto: 658.00 g, Balící jednotka: 1.00 ks


Vyobrazení

Další informace

Kryt s distančními šrouby
a označovacím štítkem pro
PAS EX 1+9AP M10 V2A a
PAS EX 11AP M10 V2A
materiál: nerez,
č. materiálu: 1.4301/1.4303

Výrobek: DEHN
Typ: PAS EX AD 11 AP
Obj. č.: 472422
nebo rovnocenný.

 

Technické informace

Materiál nerez

Produkt 472422 byl přidán na seznam.

K seznamu

Produkt 472422 byl přidán do nákupního košíku.


PAS EX CC

Push-in adaptér pro jiskrově bezpečné přípojnice pro vyrovnání potenciálů PAS EX. Pro snadné připojení flexibilních kabelů. Použití v prostředí s nebezpečím výbuchu Ex zóny 1 a 2 (plyny, páry, mlha) až do skupiny výbušnosti IIC a Ex zóny 21 a 22 (prach). Pouze pro vnitřní prostředí.

1 Produkt

Obj. č. 472497 PAS EX CC

GTIN 4013364470484, Číslo celního sazebníku (EU): 85359000, Váha brutto: 196.00 g, Balící jednotka: 1.00 ks


Vyobrazení

Další informace

Push-in adaptér pro napojení
flexibilních kabelů 4x 4-16mm² na PAS EX...
Použití v prostředí s nebezpečím výbuchu
Ex zóny 1 a 2 (plyny, páry, mlha)
a Ex zóny 21 a 22 (prach)
Lze použít až do skupiny výbušnosti IIC
(bezpečnostní faktor 1)
Lze použít až do teplotní třídy T4
Zajištění šroubů proti samovolnému uvolnění
podle VDE 0185-305-3 příloha 2
Povoleno pro vnitřní prostředí
Jmenovitý impulzní proud (8/20 µs) na vodič (In) Cu 4-10mm²:
10 kA (bezjiskrový)
Jmenovitý impulzní proud (8/20 µs) na vodič (In) Cu 16 mm²:
15 kA (bezjiskrový)
Impulzní bleskový proud (10/350 µs) Cu 4-16 mm² (na žílu):
3 kA (bezjiskrový)
Bleskový impulsní proud (10/350 µs) Cu 16 mm² (na žílu):
25 kA
Materiál: polyamid

Výrobek: DEHN
Typ: PAS EX CC
Obj. č.: 472497
nebo rovnocenný.

Certifikáty

 

Technické informace

Impulzní bleskový proud (10/350 µs) Cu 4-16 mm² (žíla) 3 kA (bezjiskrový)
Jmen. svodový impulz. proud (8/20 µs) na žílu (In) Cu 4-10 mm² 10 kA (bezjiskrový)
Jmen. svodový impulz. proud (8/20 µs) na žílu (In) Cu 16 mm² 15 kA (bezjiskrový)
Upozornění: ochrana před jiskřením zaručena pouze ve spojení s PAS EX ...!

Produkt 472497 byl přidán na seznam.

K seznamu

Produkt 472497 byl přidán do nákupního košíku.


PAS EX R

Adaptér pro jiskrově bezpečné přípojnice pro vyrovnání potenciálů PAS EX. Pro připojení drátu. Použití v prostředí s nebezpečím výbuchu Ex zóny 1 a 2 (plyny, páry, mlha) až do skupiny výbušnosti IIC a Ex zóny 21 a 22 (prach). Použití povoleno ve vnitřních a venkovních prostorách.

1 Produkt

Obj. č. 472498 PAS EX R

GTIN 4013364476042, Číslo celního sazebníku (EU): 85359000, Váha brutto: 790.00 g, Balící jednotka: 1.00 ks


Vyobrazení

Další informace

Připojovací sada pro drát prům. 10mm pro
PAS EX 11AP M10 V2A
PAS EX 7AP M10 V2A
Napojení kovových vodičů a kabelů
do vyrovnání potenciálů v ochraně před bleskem
podle ČSN EN 62305-3 (IEC 62305-3, VDE 0185-305-3)
jakož i ochranné a funkční vyrovnání potenciálů
podle DIN VDE 0100 část 410/540.
Použití v Ex zónách 1 a 2 (plyny, páry, mlha)
a Ex zóny 21 a 22 (prach)
skupina výbušnosti IIC (bezpečnostní faktor 1)
podle ČSN CLC/TS 50703-2;
teplotní třída T4 a podle ČSN EN 62561-1
(VDE 0185-561-1)
třída zatížitelnosti bleskovým proudem H (100kA).
Zajištění šroubů proti samovolnému uvolnění
podle VDE 0185-305-3 příloha 2.
Povoleno pro vnitřní i venkovní prostory
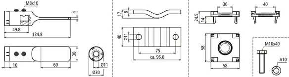
Impulzní bleskový proud (10/350 µs) nerez (V4A) Ø10 mm:
NExIIC 50 kA (bezjiskrový) T4
Impulzní bleskový proud (10/350 µs) nerez (V4A) Ø10 mm:
75 kA
Impulzní bleskový proud (10/350 µs) FeZn Ø10 mm:
2HExIIC 75 kA (nejiskřící) T4
Impulzní bleskový proud (10/350 µs) FeZn Ø10 mm:
H 100 kA
Max. zkratový proud (AC 50Hz / DC / 5s) nerez (V4A) Ø10 mm:
650 A / T4
Max. zkratový proud (AC 50Hz / DC / 5s) FeZn Ø10 mm:
1000 A / T4
Maximální povrchová teplota T4: 135 °C
adaptér pro drát/příložka: nerez,
číslo materiálu. : 1,4301 / 1,4303
pouzdro adaptéru pro pásek: polyamid,
bezhalogenový modrý, odolnost proti UV záření

Výrobek: DEHN
Typ: PAS EX R
Obj. č.: 472498
nebo rovnocenný.

Certifikáty

 

Technické informace

Impulzní bleskový proud (10/350 µs) nerez (V4A) Ø10 mm NExIIC 50 kA (bezjiskrový) T4
Impulzní bleskový proud (10/350 µs) FeZn Ø10 mm 2HExIIC 75 kA (bezjiskrový) T4
Max. zkratový proud (AC 50 Hz / DC / 5s) nerez (V4A) Ø10 mm 650 A/T4
Max. zkratový proud (AC 50 Hz / DC / 5s) FeZn Ø10 mm 1000 A/T4
Upozornění: ochrana před jiskřením zaručena pouze ve spojení s PAS EX ...!

Produkt 472498 byl přidán na seznam.

K seznamu

Produkt 472498 byl přidán do nákupního košíku.


PAS EX FL

Adaptér pro jiskrově bezpečné přípojnice pro vyrovnání potenciálů PAS EX. Pro připojení pásku. Použití v prostředí s nebezpečím výbuchu Ex zóny 1 a 2 (plyny, páry, mlha) až do skupiny výbušnosti IIC a Ex zóny 21 a 22 (prach). Použití povoleno ve vnitřních a venkovních prostorách.

1 Produkt

Obj. č. 472499 PAS EX FL

GTIN 4013364470514, Číslo celního sazebníku (EU): 85359000, Váha brutto: 408.00 g, Balící jednotka: 1.00 ks


Vyobrazení

Další informace

Připojovací sada pro pásek 30/40mm pro
PAS EX 11AP M10 V2A
PAS EX 7AP M10 V2A
Napojení kovových vodičů a kabelů
do vyrovnání potenciálů v ochraně před bleskem
podle ČSN EN 62305-3 (IEC 62305-3, VDE 0185-305-3)
jakož i ochranné a funkční vyrovnání potenciálů
podle DIN VDE 0100 část 410/540.
Použití v Ex zónách 1 a 2 (plyny, páry, mlha)
a Ex zóny 21 a 22 (prach)
skupina výbušnosti IIC (bezpečnostní faktor 1)
podle ČSN CLC/TS 50703-2;
teplotní třída T4 a podle ČSN EN 62561-1
(VDE 0185-561-1)
třída zatížitelnosti bleskovým proudem H (100kA).
Zajištění šroubů proti samovolnému uvolnění
podle VDE 0185-305-3 příloha 2.
Povoleno pro vnitřní i venkovní prostory
Impulzní bleskový proud (10/350 µs) nerez (V4A) 30x3,5mm/40x5mm:
2HExIIC 75kA (bezjiskrový) T4
Impulzní bleskový proud (10/350 µs) nerez (V4A) 30x3,5mm/40x5mm:
H 100 kA
Impulzní bleskový proud (10/350 µs) FeZn 30x3,5mm/40x5mm:
1HExIIC 100 kA (bezjiskrový) T4
Max. zkratový proud (AC 50Hz / DC / 5s) nerez (V4A) 30x3,5mm/40x5mm:
750 A / T4
Max. zkratový proud (AC 50Hz / DC / 5s) FeZn 30x3,5mm/40x5mm:
1500 A / T4
Maximální povrchová teplota T4: 135 °C
Materiál příložky: nerez,
číslo materiálu.: 1,4301 / 1,4303
pouzdro adaptéru pro pásek: polyamid,
bezhalogenový modrý, odolnost proti UV záření

Výrobek: DEHN
Typ: PAS EX FL
Obj. č.: 472499
nebo rovnocenný.

Certifikáty

 

Technické informace

Impulzní bleskový proud (10/350 µs) nerez (V4A) 30x3,5 mm/40x5 mm 2HExIIC 75kA (bezjiskrový) T4
Impulzní bleskový proud (10/350 µs) FeZn 30x3,5 mm/40x5 mm 1HExIIC 100 kA (bezjiskrový) T4
Max. zkratový proud (AC 50 Hz / DC / 5 s) nerez (V4A) 30x3,5 mm / 40x5 mm 750 A/T4
Max. zkratový proud (AC 50 Hz / DC / 5 s) FeZn 30x3,5 mm / 40x5 mm 1500 A/T4
Upozornění: ochrana před jiskřením zaručena pouze ve spojení s PAS EX ...!

Produkt 472499 byl přidán na seznam.

K seznamu

Produkt 472499 byl přidán do nákupního košíku.


PAS ... CUGALSSN

Lisovací kabelové oko podle DIN 46235 s niklovou bariérovou vrstvou, pro zamezení tvorby "vousů".

6 Produkty

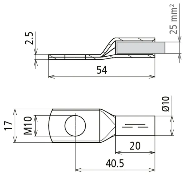
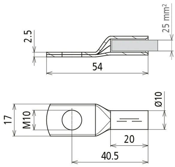
Obj. č. 472432 PKS 16 10 CUGALNISN

GTIN 4013364470538, Číslo celního sazebníku (EU): 85369010, Váha brutto: 16.33 g, Balící jednotka: 3.00 ks


Vyobrazení

Další informace

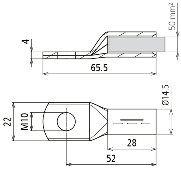
Lisovací kabelové oko DIN 46235 16mm² M10
Cu/gal Sn s niklovou bariérovou vrstvou
Aby se zabránilo tvorbě „vousů“ v Ex prostředí,
doporučujeme použití pocínovaných
lisovacích kabelových ok
s niklovou bariérovou vrstvou
Materiál: Cu/gal (Ni)Sn
Impulzní bleskový proud (10/350 μs) Cugal (Ni)Sn 16 mm² (Re/Rm/Rf) /
nerez 40x10 mm: 1HEXIC 100 kA (bezjiskrový) T4
Max. zkratový proud (AC 50 Hz / DC / 5 s) Cugal (Ni)Sn 16
mm² (Re) / nerez 40x10 mm: 1100 A / T4
Max. zkratový proud (AC 50 Hz / DC / 5 s) Cugal (Ni)Sn 16
mm² (Rm/Rf) / nerez 40x10 mm: 750 A / T4
Maximální povrchová teplota T4: 135 °C
otvor pro kabelové oko: M10
průřez vodiče: 16 mm²

Výrobek: DEHN
Typ: PKS 16 10 CUGALNISN
Obj. č.: 472432
nebo rovnocenný.

Certifikáty

 

Technické informace

Materiál Cu /gal (Ni)Sn
Otvor kabelového oka M10
Průřez vodiče 16 mm2
Upozornění: ochrana před jiskřením zaručena pouze ve spojení s PAS EX ...!

Produkt 472432 byl přidán na seznam.

K seznamu

Produkt 472432 byl přidán do nákupního košíku.

Obj. č. 472433 PKS 25 10 CUGALNISN

GTIN 4013364470545, Číslo celního sazebníku (EU): 85369010, Váha brutto: 19.67 g, Balící jednotka: 3.00 ks


Vyobrazení

Další informace

Lisovací kabelové oko DIN 46235 25mm² M10
Cu/gal Sn s niklovou bariérovou vrstvou
Aby se zabránilo tvorbě „vousů“ v Ex prostředí,
doporučujeme použití pocínovaných
lisovacích kabelových ok
s niklovou bariérovou vrstvou
Materiál: Cu/gal (Ni)Sn
Impulzní bleskový proud (10/350 μs) Cugal (Ni)Sn 25 mm² (Rm/Rf) /
nerez 40x10 mm: 1HEXIIC 100 kA (bezjiskrový) T4
Max. zkratový proud (AC 50 Hz / DC / 5 s) Cugal (Ni)Sn
25 mm² (Rm/Rf) / nerez 40x10 mm: 1100 A / T4
Maximální povrchová teplota T4: 135 °C
otvor pro kabelové oko: M10
průřez vodiče: 25 mm²

Výrobek: DEHN
Typ: PKS 25 10 CUGALNISN
Obj. č.: 472433
nebo rovnocenný.

Certifikáty

 

Technické informace

Materiál Cu /gal (Ni)Sn
Otvor kabelového oka M10
Průřez vodiče 25 mm2
Upozornění: ochrana před jiskřením zaručena pouze ve spojení s PAS EX ...!

Produkt 472433 byl přidán na seznam.

K seznamu

Produkt 472433 byl přidán do nákupního košíku.

Obj. č. 472434 PKS 35 10 CUGALNISN

GTIN 4013364470552, Číslo celního sazebníku (EU): 85369010, Váha brutto: 34.33 g, Balící jednotka: 3.00 ks


Vyobrazení

Další informace

Lisovací kabelové oko DIN 46235 35mm² M10
Cu/gal Sn s niklovou bariérovou vrstvou
Aby se zabránilo tvorbě „vousů“ v Ex prostředí,
doporučujeme použití pocínovaných
lisovacích kabelových ok
s niklovou bariérovou vrstvou
Materiál: Cu/gal (Ni)Sn
Impulzní bleskový proud (10/350 μs) Cugal (Ni)Sn 35 mm² (Rm/Rf) /
nerez 40x10 mm: 1HEXIIC 100 kA (bezjiskrový) T4
Max. zkratový proud (AC 50 Hz / DC / 5 s) Cugal (Ni)Sn
35 mm² (Rm/Rf) / nerez 40x10 mm: 1100 A / T4
Maximální povrchová teplota T4: 135 °C
otvor pro kabelové oko: M10
průřez vodiče: 35 mm²

Výrobek: DEHN
Typ: PKS 35 10 CUGALNISN
Obj. č.: 472434
nebo rovnocenný.

Certifikáty

 

Technické informace

Materiál Cu /gal (Ni)Sn
Otvor kabelového oka M10
Průřez vodiče 35 mm2
Upozornění: ochrana před jiskřením zaručena pouze ve spojení s PAS EX ...!

Produkt 472434 byl přidán na seznam.

K seznamu

Produkt 472434 byl přidán do nákupního košíku.

Obj. č. 472435 PKS 50 10 CUGALNISN

GTIN 4013364470569, Číslo celního sazebníku (EU): 85369010, Váha brutto: 51.67 g, Balící jednotka: 3.00 ks


Vyobrazení

Další informace

Lisovací kabelové oko DIN 46235 50mm² M10
Cu/gal Sn s niklovou bariérovou vrstvou
Aby se zabránilo tvorbě „vousů“ v Ex prostředí,
doporučujeme použití pocínovaných
lisovacích kabelových ok
s niklovou bariérovou vrstvou
Materiál: Cu/gal (Ni)Sn
Impulzní bleskový proud (10/350 μs) Cugal (Ni)Sn 50 mm² (Rm/Rf) /
nerez 40x10 mm: 1HEXIIC 100 kA (bezjiskrový) T4
Max. zkratový proud (AC 50 Hz / DC / 5 s) Cugal (Ni)Sn
50 mm² (Rm/Rf) / nerez 40x10 mm: 1100 A / T4
Maximální povrchová teplota T4: 135 °C
otvor pro kabelové oko: M10
průřez vodiče: 50 mm²

Výrobek: DEHN
Typ: PKS 50 10 CUGALNISN
Obj. č.: 472435
nebo rovnocenný.

Certifikáty

 

Technické informace

Materiál Cu /gal (Ni)Sn
Otvor kabelového oka M10
Průřez vodiče 50 mm2
Upozornění: ochrana před jiskřením zaručena pouze ve spojení s PAS EX ...!

Produkt 472435 byl přidán na seznam.

K seznamu

Produkt 472435 byl přidán do nákupního košíku.

Obj. č. 472436 PKS 70 10 CUGALNISN

GTIN 4013364470576, Číslo celního sazebníku (EU): 85369010, Váha brutto: 68.00 g, Balící jednotka: 3.00 ks


Vyobrazení

Další informace

Lisovací kabelové oko DIN 46235 70mm² M10
Cu/gal Sn s niklovou bariérovou vrstvou
Aby se zabránilo tvorbě „vousů“ v Ex prostředí,
doporučujeme použití pocínovaných
lisovacích kabelových ok
s niklovou bariérovou vrstvou
Materiál: Cu/gal (Ni)Sn
Impulzní bleskový proud (10/350 μs) Cugal (Ni)Sn 70 mm² (Rm/Rf) /
nerez 40x10 mm: 1HEXIIC 100 kA (bezjiskrový) T4
Max. zkratový proud (AC 50 Hz / DC / 5 s) Cugal (Ni)Sn
70 mm² (Rm/Rf) / nerez 40x10 mm: 1100 A / T4
Maximální povrchová teplota T4: 135 °C
otvor pro kabelové oko: M10
průřez vodiče: 70 mm²

Výrobek: DEHN
Typ: PKS 70 10 CUGALNISN
Obj. č.: 472436
nebo rovnocenný.

Certifikáty

 

Technické informace

Materiál Cu /gal (Ni)Sn
Otvor kabelového oka M10
Průřez vodiče 70 mm2
Upozornění: ochrana před jiskřením zaručena pouze ve spojení s PAS EX ...!

Produkt 472436 byl přidán na seznam.

K seznamu

Produkt 472436 byl přidán do nákupního košíku.

Obj. č. 472437 PKS 95 10 CUGALNISN

GTIN 4013364470583, Číslo celního sazebníku (EU): 85369010, Váha brutto: 98.00 g, Balící jednotka: 3.00 ks


Vyobrazení

Další informace

Lisovací kabelové oko DIN 46235 95mm² M10
Cu/gal Sn s niklovou bariérovou vrstvou
Aby se zabránilo tvorbě „vousů“ v Ex prostředí,
doporučujeme použití pocínovaných
lisovacích kabelových ok
s niklovou bariérovou vrstvou
Materiál: Cu/gal (Ni)Sn
Impulzní bleskový proud (10/350 μs) Cugal (Ni)Sn 95 mm² (Rm/Rf) /
nerez 40x10 mm: 1HEXIIC 100 kA (bezjiskrový) T4
Max. zkratový proud (AC 50 Hz / DC / 5 s) Cugal (Ni)Sn
95 mm² (Rm/Rf) / nerez 40x10 mm: 1100 A / T4
Maximální povrchová teplota T4: 135 °C
otvor pro kabelové oko: M10
průřez vodiče: 95 mm²

Výrobek: DEHN
Typ: PKS 95 10 CUGALNISN
Obj. č.: 472437
nebo rovnocenný.

Certifikáty

 

Technické informace

Materiál Cu /gal (Ni)Sn
Otvor kabelového oka M10
Průřez vodiče 95 mm2
Upozornění: ochrana před jiskřením zaručena pouze ve spojení s PAS EX ...!

Produkt 472437 byl přidán na seznam.

K seznamu

Produkt 472437 byl přidán do nákupního košíku.


back to top