Nástavce na vibrační kladiva pro hloubkové zemniče

Pro zaražení hloubkových zemničů pomocí vibračních kladiv.
Pro hloubkové zemniče typu Z + AZ.
Ø 20 mm (čep Ø 12 mm, obj. č. 620 ...) nebo
Ø 25 mm (čep Ø 15 mm, obj. č. 625 ...)

U typů Atlas Copco je třeba zvolit odpovídající typ úchytu nástavce. Při objednávce je třeba toto vzít na vědomí.

Details

Nástavce pro kladiva a hloubkové zemniče
lorem ipsum

Provedení pro kladiva Wacker Neuson

2 Produkty

Obj. č. 620005 HE TE 20 R27 VH WN STBLANK

GTIN 4013364027039, Číslo celního sazebníku (EU): 82079099, Váha brutto: 1.07 kg, Balící jednotka: 1.00 ks


Vyobrazení

Další informace

Nástavec pro kladivo
Nástavec pro kladivo
pro zaražení hloubkových zemničů
pomocí vibračních kladiv
Typ: BHF 30
Úchyt: kruhový Ø 27 x 80 mm
Materiál: ocel
Otvor: 13 x 50 mm

Výrobek: DEHN
Typ: HE TE 20 R27 VH WN STBLANK
Obj. č.: 620005
nebo rovnocenný.

 

Technické informace

Typ BHF 30
Úchyt kruhový Ø 27 x 80 mm
Materiál ocel
Otvor (d1 x l1) 13 x 50 mm
Délka 200 mm
Průměr zemnicí tyče 20 mm
Typ hloubkového zemniče Z, AZ

Produkt 620005 byl přidán na seznam.

K seznamu

Produkt 620005 byl přidán do nákupního košíku.

Obj. č. 625005 HE TE 25 R27 VH WN STBLANK

GTIN 4013364027046, Číslo celního sazebníku (EU): 82079099, Váha brutto: 1.05 kg, Balící jednotka: 1.00 ks


Vyobrazení

Další informace

Nástavec pro kladivo
Nástavec pro kladivo
pro zaražení hloubkových zemničů
pomocí vibračních kladiv
Typ: BHF 30
Úchyt: kruhový Ø 27 x 80 mm
Materiál: ocel
Otvor: 16 x 55 mm

Výrobek: DEHN
Typ: HE TE 25 R27 VH WN STBLANK
Obj. č.: 625005
nebo rovnocenný.

 

Technické informace

Typ BHF 30
Úchyt kruhový Ø 27 x 80 mm
Materiál ocel
Otvor (d1 x l1) 16 x 55 mm
Délka 200 mm
Průměr zemnicí tyče 25 mm
Typ hloubkového zemniče S, Z

Produkt 625005 byl přidán na seznam.

K seznamu

Produkt 625005 byl přidán do nákupního košíku.


Těžké provedení pro kladiva Wacker Neuson

2 Produkty

Obj. č. 620009 HE TE 20 R27 LVH WN STBLANK

GTIN 4013364118119, Číslo celního sazebníku (EU): 82079099, Váha brutto: 2.80 kg, Balící jednotka: 1.00 ks


Vyobrazení

Další informace

Nástavec pro kladivo
Nástavec pro kladivo
pro zaražení hloubkových zemničů
pomocí vibračních kladiv
Typ: BH 55, BH 65, BH 55rw, EH 50, EH 75 a EH 22/400
Úchyt: kruhový Ø 27 x 80 mm
Materiál: ocel
Otvor: 13 x 50 mm

Výrobek: DEHN
Typ: HE TE 20 R27 LVH WN STBLANK
Obj. č.: 620009
nebo rovnocenný.

 

Technické informace

Typ BH 55, BH 65, BH 55rw, EH 50, EH 75 a EH 22/400
Úchyt kruhový Ø 27 x 80 mm
Materiál ocel
Otvor (d1 x l1) 13 x 50 mm
Délka 260 mm
Průměr zemnicí tyče 20 mm
Typ hloubkového zemniče Z, AZ

Produkt 620009 byl přidán na seznam.

K seznamu

Produkt 620009 byl přidán do nákupního košíku.

Obj. č. 625009 HE TE 25 R27 LVH WN STBLANK

GTIN 4013364118126, Číslo celního sazebníku (EU): 82079099, Váha brutto: 2.80 kg, Balící jednotka: 1.00 ks


Vyobrazení

Další informace

Nástavec pro kladivo
Nástavec pro kladivo
pro zaražení hloubkových zemničů
pomocí vibračních kladiv
Typ: BH 55, BH 65, BH 55rw, EH 50, EH 75 a EH 22/400
Úchyt: kruhový Ø 27 x 80 mm
Materiál: ocel
Otvor: 16 x 55 mm

Výrobek: DEHN
Typ: HE TE 25 R27 LVH WN STBLANK
Obj. č.: 625009
nebo rovnocenný.

 

Technické informace

Typ BH 55, BH 65, BH 55rw, EH 50, EH 75 a EH 22/400
Úchyt kruhový Ø 27 x 80 mm
Materiál ocel
Otvor (d1 x l1) 16 x 55 mm
Délka 260 mm
Průměr zemnicí tyče 25 mm
Typ hloubkového zemniče Z

Produkt 625009 byl přidán na seznam.

K seznamu

Produkt 625009 byl přidán do nákupního košíku.


Provedení pro kladiva Atlas Copco SW 22

2 Produkty

Obj. č. 620007 HE TE 20 SW22 VH AC STBLANK

GTIN 4013364027084, Číslo celního sazebníku (EU): 82079099, Váha brutto: 1.08 kg, Balící jednotka: 1.00 ks


Vyobrazení

Další informace

Nástavec pro kladivo
Nástavec pro kladivo
pro zaražení hloubkových zemničů
pomocí vibračních kladiv
Typ: Cobra Combi, Pionjär 120+130, CP Red Hawk (Cobra Standard)
Úchyt: šestihran SW22 x 108 mm
Materiál: ocel
Otvor: 13 x 50 mm

Výrobek: DEHN
Typ: HE TE 20 SW22 VH AC STBLANK
Obj. č.: 620007
nebo rovnocenný.

 

Technické informace

Typ Cobra Combi, Pionjär 120+130, CP Red Hawk (Cobra Standard)
Úchyt šestihran SW22 x 108 mm
Materiál ocel
Otvor (d1 x l1) 13 x 50 mm
Délka 240 mm
Průměr zemnicí tyče 20 mm
Typ hloubkového zemniče Z, AZ

Produkt 620007 byl přidán na seznam.

K seznamu

Produkt 620007 byl přidán do nákupního košíku.

Obj. č. 625007 HE TE 25 SW22 VH AC STBLANK

GTIN 4013364027091, Číslo celního sazebníku (EU): 82079099, Váha brutto: 1.03 kg, Balící jednotka: 1.00 ks


Vyobrazení

Další informace

Nástavec pro kladivo
Nástavec pro kladivo
pro zaražení hloubkových zemničů
pomocí vibračních kladiv
Typ: Cobra Combi, Pionjär 120+130, CP Red Hawk (Cobra Standard)
Úchyt: šestihran SW22 x 108 mm
Materiál: ocel
Otvor: 16 x 55 mm

Výrobek: DEHN
Typ: HE TE 25 SW22 VH AC STBLANK
Obj. č.: 625007
nebo rovnocenný.

 

Technické informace

Typ Cobra Combi, Pionjär 120+130, CP Red Hawk (Cobra Standard)
Úchyt šestihran SW22 x 108 mm
Materiál ocel
Otvor (d1 x l1) 16 x 55 mm
Délka 240 mm
Průměr zemnicí tyče 25 mm
Typ hloubkového zemniče Z

Produkt 625007 byl přidán na seznam.

K seznamu

Produkt 625007 byl přidán do nákupního košíku.


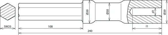
Provedení pro kladiva Atlas Copco SW 25

2 Produkty

Obj. č. 620008 HE TE 20 SW25 VH AC STBLANK

GTIN 4013364066151, Číslo celního sazebníku (EU): 82079099, Váha brutto: 1.44 kg, Balící jednotka: 1.00 ks


Vyobrazení

Další informace

Nástavec pro kladivo
Nástavec pro kladivo
pro zaražení hloubkových zemničů
pomocí vibračních kladiv
Typ: TEX 15 PE, 19 PE, 23 PE
Úchyt: šestihran SW25 x 108 mm
Materiál: ocel
Otvor: 13 x 50 mm

Výrobek: DEHN
Typ: HE TE 20 SW25 VH AC STBLANK
Obj. č.: 620008
nebo rovnocenný.

 

Technické informace

Typ TEX 15 PE, 19 PE, 23 PE
Úchyt šestihran SW25 x 108 mm
Materiál ocel
Otvor (d1 x l1) 13 x 50 mm
Délka 240 mm
Průměr zemnicí tyče 20 mm
Typ hloubkového zemniče Z, AZ

Produkt 620008 byl přidán na seznam.

K seznamu

Produkt 620008 byl přidán do nákupního košíku.

Obj. č. 625008 HE TE 25 SW25 VH AC STBLANK

GTIN 4013364066144, Číslo celního sazebníku (EU): 82079099, Váha brutto: 1.41 kg, Balící jednotka: 1.00 ks


Vyobrazení

Další informace

Nástavec pro kladivo
Nástavec pro kladivo
pro zaražení hloubkových zemničů
pomocí vibračních kladiv
Typ: TEX 15 PE, 19 PE, 23 PE
Úchyt: šestihran SW25 x 108 mm
Materiál: ocel
Otvor: 16 x 55 mm

Výrobek: DEHN
Typ: HE TE 25 SW25 VH AC STBLANK
Obj. č.: 625008
nebo rovnocenný.

 

Technické informace

Typ TEX 15 PE, 19 PE, 23 PE
Úchyt šestihran SW25 x 108 mm
Materiál ocel
Otvor (d1 x l1) 16 x 55 mm
Délka 240 mm
Průměr zemnicí tyče 25 mm
Typ hloubkového zemniče Z

Produkt 625008 byl přidán na seznam.

K seznamu

Produkt 625008 byl přidán do nákupního košíku.


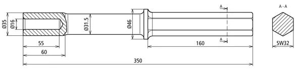
Provedení pro kladiva Atlas Copco SW 28

2 Produkty

Obj. č. 620019 HE TE 20 SW28 VH AC STBLANK

GTIN 4013364027008, Číslo celního sazebníku (EU): 82079099, Váha brutto: 1.98 kg, Balící jednotka: 1.00 ks


Vyobrazení

Další informace

Nástavec pro kladivo
Nástavec pro kladivo
pro zaražení hloubkových zemničů
pomocí vibračních kladiv
Typ: TEX 28 HE, 27 H, 15 PE, 19 PE, 23 PE, 22 PS
Úchyt: šestihran SW28 x 160 mm
Materiál: ocel
Otvor: 13 x 50 mm

Výrobek: DEHN
Typ: HE TE 20 SW28 VH AC STBLANK
Obj. č.: 620019
nebo rovnocenný.

 

Technické informace

Typ TEX 28 HE, 27 H, 15 PE, 19 PE, 23 PE, 22 PS
Úchyt šestihran SW28 x 160 mm
Materiál ocel
Otvor (d1 x l1) 13 x 50 mm
Délka 350 mm
Průměr zemnicí tyče 20 mm
Typ hloubkového zemniče Z, AZ

Produkt 620019 byl přidán na seznam.

K seznamu

Produkt 620019 byl přidán do nákupního košíku.

Obj. č. 625019 HE TE 25 SW28 VH AC STBLANK

GTIN 4013364027015, Číslo celního sazebníku (EU): 82079099, Váha brutto: 2.08 kg, Balící jednotka: 1.00 ks


Vyobrazení

Další informace

Nástavec pro kladivo
Nástavec pro kladivo
pro zaražení hloubkových zemničů
pomocí vibračních kladiv
Typ: TEX 28 HE, 27 H, 15 PE, 19 PE, 23 PE, 22 PS
Úchyt: šestihran SW28 x 160 mm
Materiál: ocel
Otvor: 16 x 55 mm

Výrobek: DEHN
Typ: HE TE 25 SW28 VH AC STBLANK
Obj. č.: 625019
nebo rovnocenný.

 

Technické informace

Typ TEX 28 HE, 27 H, 15 PE, 19 PE, 23 PE, 22 PS
Úchyt šestihran SW28 x 160 mm
Materiál ocel
Otvor (d1 x l1) 16 x 55 mm
Délka 350 mm
Průměr zemnicí tyče 25 mm
Typ hloubkového zemniče Z

Produkt 625019 byl přidán na seznam.

K seznamu

Produkt 625019 byl přidán do nákupního košíku.


Provedení pro kladiva Atlas Copco SW 32

2 Produkty

Obj. č. 620010 HE TE 20 SW32 VH AC STBLANK

GTIN 4013364244764, Číslo celního sazebníku (EU): 82079099, Váha brutto: 2.31 kg, Balící jednotka: 1.00 ks


Vyobrazení

Další informace

Nástavec pro kladivo
Nástavec pro kladivo
pro zaražení hloubkových zemničů
pomocí vibračních kladiv
Typ: TT, PRO, MK1
Úchyt: šestihran SW32 x 160 mm
Materiál: ocel
Otvor: 13 x 50 mm

Výrobek: DEHN
Typ: HE TE 20 SW32 VH AC STBLANK
Obj. č.: 620010
nebo rovnocenný.

 

Technické informace

Typ TT, PRO, MK1
Úchyt šestihran SW32 x 160 mm
Materiál ocel
Otvor (d1 x l1) 13 x 50 mm
Délka 350 mm
Průměr zemnicí tyče 20 mm
Typ hloubkového zemniče Z, AZ

Produkt 620010 byl přidán na seznam.

K seznamu

Produkt 620010 byl přidán do nákupního košíku.

Obj. č. 625010 HE TE 25 SW32 VH AC STBLANK

GTIN 4013364157613, Číslo celního sazebníku (EU): 82079099, Váha brutto: 2.25 kg, Balící jednotka: 1.00 ks


Vyobrazení

Další informace

Nástavec pro kladivo
Nástavec pro kladivo
pro zaražení hloubkových zemničů
pomocí vibračních kladiv
Typ: TT, PRO, MK1
Úchyt: šestihran SW32 x 160 mm
Materiál: ocel
Otvor: 16 x 55 mm

Výrobek: DEHN
Typ: HE TE 25 SW32 VH AC STBLANK
Obj. č.: 625010
nebo rovnocenný.

 

Technické informace

Typ TT, PRO, MK1
Úchyt šestihran SW32 x 160 mm
Materiál ocel
Otvor (d1 x l1) 16 x 55 mm
Délka 350 mm
Průměr zemnicí tyče 25 mm
Typ hloubkového zemniče Z, AZ

Produkt 625010 byl přidán na seznam.

K seznamu

Produkt 625010 byl přidán do nákupního košíku.


Provedení pro kladiva Bosch / Hilti / Milwaukee

2 Produkty

Obj. č. 620029 HE TE 20 SW28 VH BO STBLANK

GTIN 4013364066113, Číslo celního sazebníku (EU): 82079099, Váha brutto: 1.43 kg, Balící jednotka: 1.00 ks


Vyobrazení

Další informace

Nástavec pro kladivo
Nástavec pro kladivo
pro zaražení hloubkových zemničů
pomocí vibračních kladiv
Typ: GSH 27 / TE 3000 AVR (do modelu 2021) / K 2628 H
Úchyt: šestihran SW28 (1 1/8'')
Materiál: ocel
Otvor: 13 x 50 mm

Výrobek: DEHN
Typ: HE TE 20 SW28 VH BO STBLANK
Obj. č.: 620029
nebo rovnocenný.

 

Technické informace

Typ GSH 27 / TE 3000 AVR (do modelu 2021) / K 2628 H
Úchyt šestihran SW28 (1 1/8'')
Materiál ocel
Otvor (d1 x l1) 13 x 50 mm
Délka 250 mm
Průměr zemnicí tyče 20 mm
Typ hloubkového zemniče Z, AZ

Produkt 620029 byl přidán na seznam.

K seznamu

Produkt 620029 byl přidán do nákupního košíku.

Obj. č. 625029 HE TE 25 SW28 VH BO STBLANK

GTIN 4013364066120, Číslo celního sazebníku (EU): 82079099, Váha brutto: 1.41 kg, Balící jednotka: 1.00 ks


Vyobrazení

Další informace

Nástavec pro kladivo
Nástavec pro kladivo
pro zaražení hloubkových zemničů
pomocí vibračních kladiv
Typ: GSH 27 / TE 3000 AVR (do modelu 2021) / K 2628 H
Úchyt: šestihran SW28 (1 1/8'')
Materiál: ocel
Otvor: 16 x 55 mm

Výrobek: DEHN
Typ: HE TE 25 SW28 VH BO STBLANK
Obj. č.: 625029
nebo rovnocenný.

 

Technické informace

Typ GSH 27 / TE 3000 AVR (do modelu 2021) / K 2628 H
Úchyt šestihran SW28 (1 1/8'')
Materiál ocel
Otvor (d1 x l1) 16 x 55 mm
Délka 250 mm
Průměr zemnicí tyče 25 mm
Typ hloubkového zemniče Z

Produkt 625029 byl přidán na seznam.

K seznamu

Produkt 625029 byl přidán do nákupního košíku.


Provedení pro kladiva Hilti TE-S

2 Produkty

Obj. č. 620031 HE TE 20 TES VH HI STBLANK

GTIN 4013364244849, Číslo celního sazebníku (EU): 82079099, Váha brutto: 1.13 kg, Balící jednotka: 1.00 ks


Vyobrazení

Další informace

Nástavec pro kladivo
Nástavec pro kladivo
pro zaražení hloubkových zemničů
pomocí vibračních kladiv
Typ: vibrační kladivo s úchytem TE-S
Úchyt: šestihran SW22
Materiál: ocel
Otvor: 13 x 50 mm

Výrobek: DEHN
Typ: HE TE 20 TES VH HI STBLANK
Obj. č.: 620031
nebo rovnocenný.

 

Technické informace

Typ vibrační kladivo s úchytem TE-S
Úchyt šestihran SW22
Materiál ocel
Otvor (d1 x l1) 13 x 50 mm
Délka 280 mm
Průměr zemnicí tyče 20 mm
Typ hloubkového zemniče Z, AZ

Produkt 620031 byl přidán na seznam.

K seznamu

Produkt 620031 byl přidán do nákupního košíku.

Obj. č. 625031 HE TE 25 TES VH HI STBLANK

GTIN 4013364244856, Číslo celního sazebníku (EU): 82079099, Váha brutto: 1.44 kg, Balící jednotka: 1.00 ks


Vyobrazení

Další informace

Nástavec pro kladivo
Nástavec pro kladivo
pro zaražení hloubkových zemničů
pomocí vibračních kladiv
Typ: vibrační kladivo s úchytem TE-S
Úchyt: šestihran SW22
Materiál: ocel
Otvor: 16 x 55 mm

Výrobek: DEHN
Typ: HE TE 25 TES VH HI STBLANK
Obj. č.: 625031
nebo rovnocenný.

 

Technické informace

Typ vibrační kladivo s úchytem TE-S
Úchyt šestihran SW22
Materiál ocel
Otvor (d1 x l1) 16 x 55 mm
Délka 280 mm
Průměr zemnicí tyče 25 mm
Typ hloubkového zemniče Z

Produkt 625031 byl přidán na seznam.

K seznamu

Produkt 625031 byl přidán do nákupního košíku.


Provedení SDS-max

2 Produkty

Obj. č. 620030 HE TE 20 SDS MAX VH STBLANK

GTIN 4013364244818, Číslo celního sazebníku (EU): 82079099, Váha brutto: 800.00 g, Balící jednotka: 1.00 ks


Vyobrazení

Další informace

Nástavec pro kladivo
Nástavec pro kladivo
pro zaražení hloubkových zemničů
pomocí vibračních kladiv
Typ: vibrační kladivo s úchytem SDS-max
Úchyt: kruhový Ø 18 x 175 mm
Materiál: ocel
Otvor: 13 x 50 mm

Výrobek: DEHN
Typ: HE TE 20 SDS MAX VH STBLANK
Obj. č.: 620030
nebo rovnocenný.

 

Technické informace

Typ vibrační kladivo s úchytem SDS-max
Úchyt kruhový Ø 18 x 175 mm
Materiál ocel
Otvor (d1 x l1) 13 x 50 mm
Délka 260 mm
Průměr zemnicí tyče 20 mm
Typ hloubkového zemniče Z, AZ
Upozornění: doporučuje se použít kladivo s minimální rázovou silou 26 joulů. Maximální hloubka zatlučení závisí na půdních podmínkách.

Produkt 620030 byl přidán na seznam.

K seznamu

Produkt 620030 byl přidán do nákupního košíku.

Obj. č. 625030 HE TE 25 SDS MAX VH STBLANK

GTIN 4013364244825, Číslo celního sazebníku (EU): 82079099, Váha brutto: 760.00 g, Balící jednotka: 1.00 ks


Vyobrazení

Další informace

Nástavec pro kladivo
Nástavec pro kladivo
pro zaražení hloubkových zemničů
pomocí vibračních kladiv
Typ: vibrační kladivo s úchytem SDS-max
Úchyt: kruhový Ø 18 x 175 mm
Materiál: ocel
Otvor: 16 x 55 mm

Výrobek: DEHN
Typ: HE TE 25 SDS MAX VH STBLANK
Obj. č.: 625030
nebo rovnocenný.

 

Technické informace

Typ vibrační kladivo s úchytem SDS-max
Úchyt kruhový Ø 18 x 175 mm
Materiál ocel
Otvor (d1 x l1) 16 x 55 mm
Délka 260 mm
Průměr zemnicí tyče 25 mm
Typ hloubkového zemniče Z
Upozornění: doporučuje se použít kladivo s minimální rázovou silou 26 joulů. Maximální hloubka zatlučení závisí na půdních podmínkách.

Produkt 625030 byl přidán na seznam.

K seznamu

Produkt 625030 byl přidán do nákupního košíku.


back to top