Vodotěsné průchodky do bílé vany

Současné stavby jsou často prováděny s podzemními prostory ve formě bílé vany. U bílé vany není zapotřebí vytvářet žádné dodatečné těsnicí vrstvy, neboť podlahová deska a vnější stěny jsou vyrobeny z betonu odolného vůči pronikání vody podle ČSN EN 206-1 a DIN 1045-2.

Bude-li uzemnění zakryto vrstvou min. 5 cm betonu (rozměr pro ochranu proti korozi), není třeba počítat v místě uložení s vlhkostí, protože beton funguje jako izolace. Proto je u staveb s bílou vanou zemnič ukládán vně objektu. Tento zemnič je u novostaveb zpravidla ukládán do srovnávací vrstvy podkladního betonu pod základovou deskou.
Dopady změn složení vodotěsného betonu jsou popsány v aktuální normě DIN 18014 „Základové zemniče – všeobecné základy projektování“: 2007-09.
Podle normy DIN 18014 musí být zemnič pod základovou deskou uložen ve formě sítě, v rámci vyrovnání potenciálů musí být vyveden k hlavní uzemňovací přípojnici (HUP, Haupterdungsschiene (HES)) umístěné uvnitř objektu.

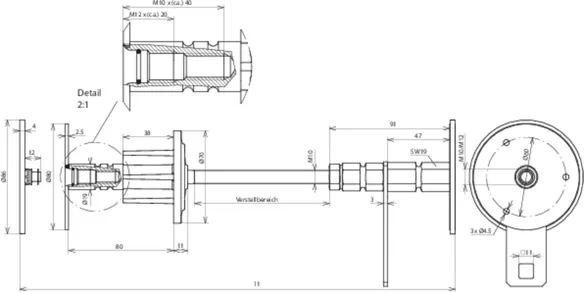
Elektrické propojení na okružní zemnič je třeba provést rovněž jako odolné vůči průsaku vody. Firma DEHN přenesla požadavky na vodotěsné průchody stěnou, kladené na bíle vany, i na svoje produkty. Na základě těchto požadavků byl při vývoji brán zřetel na to, aby byly vytvořeny pokud možno reálné stavební konstrukce. Zkušební sestava byla zabetonována (obr. 1) a na ní byl napojen systém pro provedení tlakové zkoušky. Na skutečných stavbách vzniknou často situace, kdy hloubka základů dosáhne až 10 m (např. podzemní garáže). Tento stav byl vytvořen u zkušební sestavy, zatěžované tlakem vody 1 bar (obr. 2). Po vytvrzení použitého betonu byla zkušební sestava testována tlakovou vodou, vodotěsnost byla kontrolována dlouhodobou zkouškou, trvající 65 hodin.
Velké těžkosti pro prostupy stěnou představuje kapilární jev. To znamená, že kapaliny (např. voda) se šíří úzkými štěrbinami a jsou doslova vtlačeny nebo nasáty do vnitřních prostor budovy. Šíření kapaliny úzkými štěrbinami může být zapříčiněno zmenšením objemu betonu během jeho vytvrzování.
Rovněž při přípravě prostupů v bednění je velmi důležité dodržet odborný a bezchybný postup, popsaný v příslušném montážním návodu.

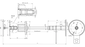
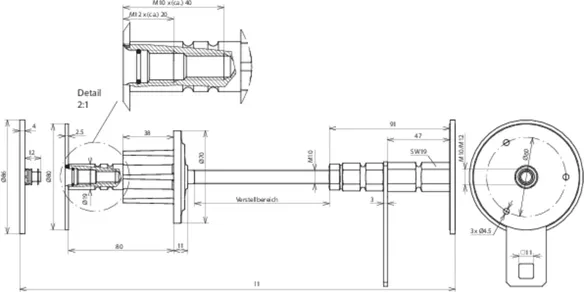
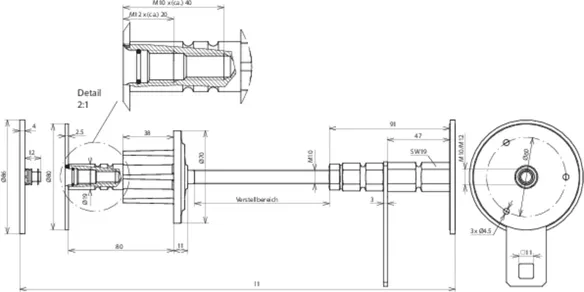
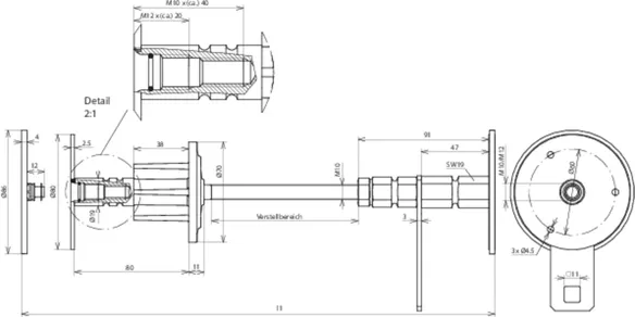
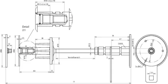
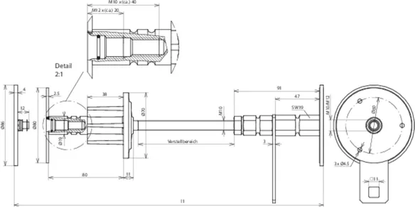
- provedení pro vestavbu do bednění, s vodotěsnou přepážkou a dvojitým závitem M10/M12 pro připojení např. na ekvipotenciální přípojnici
- nastavitelný rozsah v závislosti na tloušťce stěny, se závitem M10 a kontramatkou
- závit průchodky je možno podle potřeby zkrátit
- součástí je připojovací prvek (FeZn s rozměrem 30 x 4 mm) se čtyřhranným otvorem pro připojení drátů příložkou nebo pásků křížovou svorkou

3 Produkty

Obj. č. 478530 WD M10 12 V4A DWD L200 300 STTZN

GTIN 4013364120341, Číslo celního sazebníku (EU): 85359000, Váha brutto: 697.00 g, Balící jednotka: 10.00 ks


Vyobrazení

Další informace

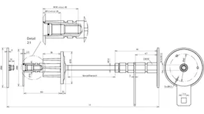
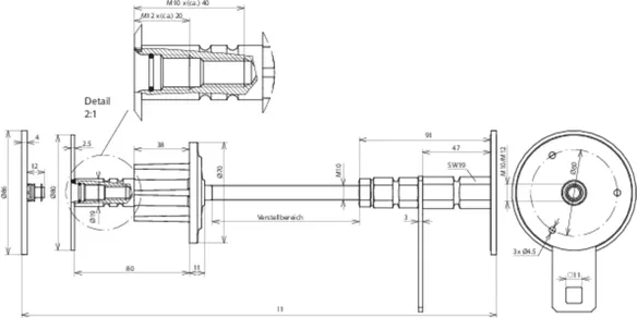
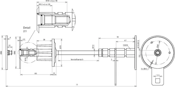
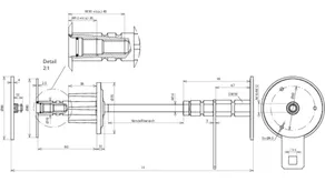
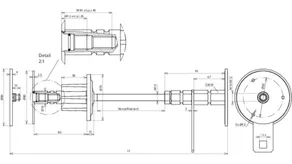
Vodotěsná průchodka pro bílé vany nerez (V4A)
Vodotěsný průchod stěnami, určena pro bílé vany
pro vodotěsný prostup stěnou
např. pro propojení obvodového zemniče
s ekvipotenciální přípojnicí nebo vodičem
potenciálového vyrovnání v základech.
Materiál destičky: nerez (V4A)
Číslo materiálu: 1.4571 / 1.4404 / 1.4401
Materiál osy: FeZn
Tloušťka stěny: 200-300 mm
Připojovací závit: M10/12
Norma: ČSN EN 62561-(1+5)

Výrobek: DEHN
Typ: WD M10 12 V4A DWD L200 300 STTZN
Obj. č.: 478530
nebo rovnocenný.

Certifikáty

 

Technické informace

Materiál destičky nerez (V4A)
Číslo materiálu 1.4571 / 1.4404 / 1.4401
Materiál osy FeZn
Tloušťka stěny (l1) 200-300 mm
Připojovací závit M10/12
Průměr připojovací destičky 80 mm
Norma ČSN EN 62561-(1+5)

Produkt 478530 byl přidán na seznam.

K seznamu

Produkt 478530 byl přidán do nákupního košíku.

Obj. č. 478540 WD M10 12 V4A DWD L300 400 STTZN

GTIN 4013364120358, Číslo celního sazebníku (EU): 85359000, Váha brutto: 750.00 g, Balící jednotka: 4.00 ks


Vyobrazení

Další informace

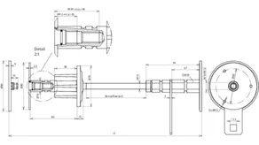
Vodotěsná průchodka pro bílé vany nerez (V4A)
Vodotěsný průchod stěnami, určena pro bílé vany
pro vodotěsný prostup stěnou
např. pro propojení obvodového zemniče
s ekvipotenciální přípojnicí nebo vodičem
potenciálového vyrovnání v základech.
Materiál destičky: nerez (V4A)
Číslo materiálu: 1.4571 / 1.4404 / 1.4401
Materiál osy: FeZn
Tloušťka stěny: 300 - 400 mm
Připojovací závit: M10/12
Norma: ČSN EN 62561-(1+5)

Výrobek: DEHN
Typ: WD M10 12 V4A DWD L300 400 STTZN
Obj. č.: 478540
nebo rovnocenný.

Certifikáty

 

Technické informace

Materiál destičky nerez (V4A)
Číslo materiálu 1.4571 / 1.4404 / 1.4401
Materiál osy FeZn
Tloušťka stěny (l1) 300 - 400 mm
Připojovací závit M10/12
Průměr připojovací destičky 80 mm
Norma ČSN EN 62561-(1+5)

Produkt 478540 byl přidán na seznam.

K seznamu

Produkt 478540 byl přidán do nákupního košíku.

Obj. č. 478550 WD M10 12 V4A DWD L400 500 STTZN

GTIN 4013364120365, Číslo celního sazebníku (EU): 85359000, Váha brutto: 838.50 g, Balící jednotka: 4.00 ks


Vyobrazení

Další informace

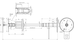
Vodotěsná průchodka pro bílé vany nerez (V4A)
Vodotěsný průchod stěnami, určena pro bílé vany
pro vodotěsný prostup stěnou
např. pro propojení obvodového zemniče
s ekvipotenciální přípojnicí nebo vodičem
potenciálového vyrovnání v základech.
Materiál destičky: nerez (V4A)
Číslo materiálu: 1.4571 / 1.4404 / 1.4401
Materiál osy: FeZn
Tloušťka stěny: 400 - 500 mm
Připojovací závit: M10/12
Norma: ČSN EN 62561-(1+5)

Výrobek: DEHN
Typ: WD M10 12 V4A DWD L400 500 STTZN
Obj. č.: 478550
nebo rovnocenný.

Certifikáty

 

Technické informace

Materiál destičky nerez (V4A)
Číslo materiálu 1.4571 / 1.4404 / 1.4401
Materiál osy FeZn
Tloušťka stěny (l1) 400 - 500 mm
Připojovací závit M10/12
Průměr připojovací destičky 80 mm
Norma ČSN EN 62561-(1+5)

Produkt 478550 byl přidán na seznam.

K seznamu

Produkt 478550 byl přidán do nákupního košíku.


back to top