VC 280 2

  • Two-pole surge arrester with monitoring device and disconnector
  • Complete surge protection for devices supplied by a.c. voltage
  • Enhanced safety due to fault-proof Y protective circuit
  • Floating remote signalling contact (break contact) with test option for the fault indicator
  • For installation on printed circuit boards

VC 280 2

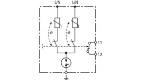
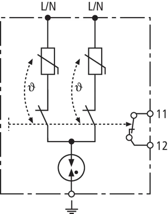
Mains module with integrated surge protection and floating break contact for installation into the terminal equipment to be protected.

1 Produkt

Obj. č. 900471 VC 280 2

GTIN 4013364067547, Číslo celního sazebníku (EU): 85363010, Váha brutto: 27.50 g, Balící jednotka: 1.00 pc(s)


Vyobrazení

Další informace

VC 280 2 mains module with integrated surge protection
Two-pole mains module with integrated surge protection
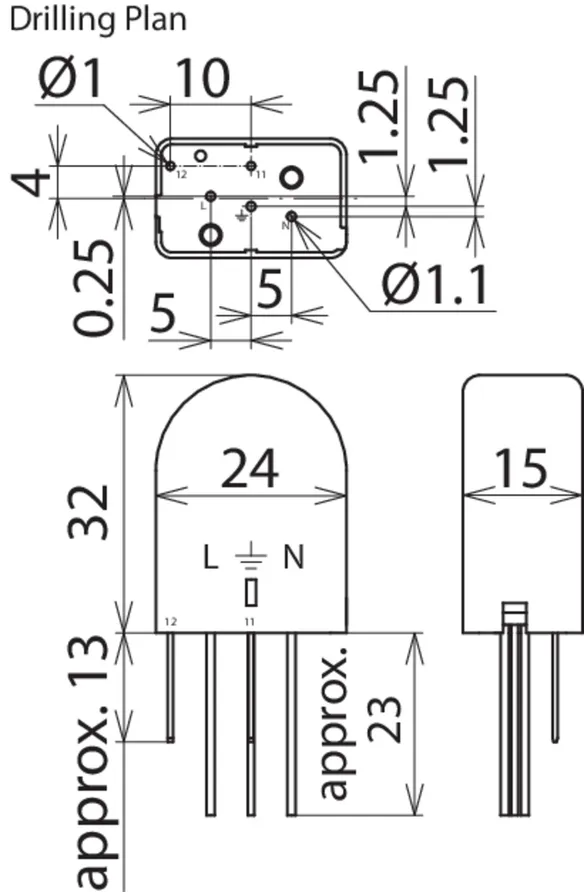
for installation into the terminal device to be protected
Type 3 SPD according to EN 61643-11
For soldering on printed circuit boards
Floating remote signalling contact
Max. continuous operating voltage: 280 V a.c.
Voltage protection level: <= 1.5 kV
Total discharge current: 5 kA
Max. mains-side overcurrent protection: 16 A gG or B 16 A
Energy-coordinated according to IEC 62305-4 with arresters
of the Red/Line series

Brand: DEHN
Type: VC 280 2
Part No.: 900471
or equivalent.

Certifikáty

 

Technické informace

SPD according to EN 61643-11 / IEC 61643-11 type 3 / class III
Max. continuous operating voltage (a.c.) (UC ) 280 V (50 / 60 Hz)
Nominal discharge current (8/20 µs) (In ) 3 kA
Total discharge current (8/20 µs) [L+N-PE] (Itotal ) 5 kA
Voltage protection level [L-N] / [L/N-PE] (UP ) ≤ 1250 / ≤ 1500 V
Max. mains-side overcurrent protection B 16 A
Fault indication remote signalling contact (break contact)

Produkt 900471 byl přidán na seznam.

K seznamu

Produkt 900471 byl přidán do nákupního košíku.


back to top