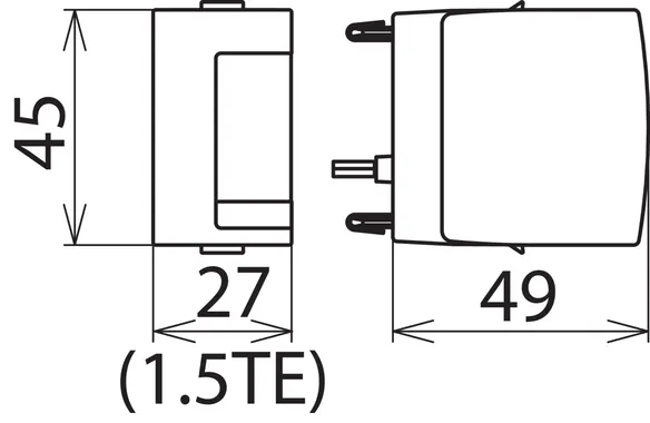
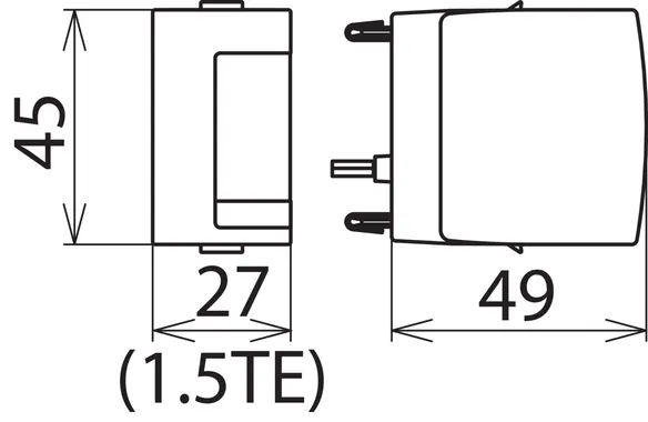
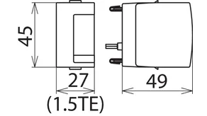
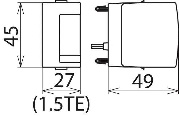
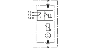
Protection module for DEHNguard M, ... S and DEHNgap C S

  • High discharge capacity due to heavy-duty zinc oxide varistors / spark gaps
  • High device reliability due to "Thermo Dynamic Control" monitoring
  • Energy coordination with other arresters of the Red/Line product family
  • Operating state/fault indication with green-red marking in the inspection window
  • Easy replacement of protection modules without tools due to module locking system with module release button
  • Vibration and shock-tested according to EN 60068-2

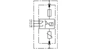
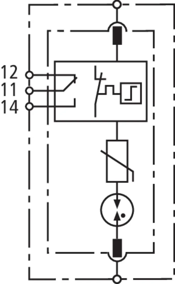
Switch-Spark Gap Protection Module for DEHNguard M ACI

2 Produkty

Obj. č. 952024 DG MOD ACI 275

GTIN 4013364377356, Číslo celního sazebníku (EU): 85363030, Váha brutto: 55.00 g, Balící jednotka: 1.00 pc(s)


Vyobrazení

Další informace

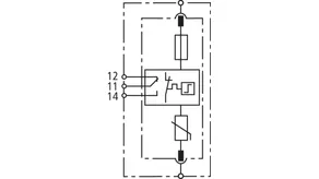
Combined switch / spark gap protection module DG MOD A 275
Pluggable protection module for DEHNguard M ACI ...
Type 2 SPD of the Red/Line series according to
EN 61643-11
Max. continuous operating voltage: 275 V a.c./350 V d.c.
Nominal discharge current: 20 kA
Fault indication

Brand: DEHN
Type: DG MOD ACI 275
Part No.: 952024
or equivalent.

Certifikáty

 

Technologie ACI

Jedná se o evoluci CI technologie, která stojí na kombinaci jiskřiště a odpínače zapojené v sérii s výkonným varistorem. To umožňuje jednoduché řešení a bezpečný provoz svodiče přepětí. Dalšími výhodami jsou jistota při dimenzování, odolnost TOV, připojovací průměr vodičů Cu pouhých 6 mm2 a absence unikajícího proudu. Svodiče přepětí s technologií ACI tak zaručují maximální bezpečí a provozuschopnost zařízení.

Integrované předjištění

Předjištění je plně integrováno. To přináší minimální potřebu místa, nižší náklady na montáž a rychlejší instalaci a kratší připojovací vodiče. Tyto vlastnosti mají skupiny produktů DEHNvenCI, DEHNbloc Maxi S, DEHNguard ... CI a V(A) NH.

Direct Current-Disconnection

Při použití svodičů přepětí ve stejnosměrných instalacích je nutné zajistit, aby odpojovací mechanismus spolehlivě odpojil i při chybějícím průchodu nulou. Námi vyvinutá technologie rozpojení DC-Disconnection (DCD) působí podobně jako klín uzavíracího ventilu, aby přerušila stejnosměrný proud. Svodiče skupiny DEHNguard SE DC jsou tak schopny bezpečně přerušit stejnosměrný proud, čímž eliminují riziko vzniku požáru způsobeného stejnosměrným elektrickým obloukem.

Technologie SCI

Patentovaná technologie SCI od firmy DEHN zajišťuje aktivní, rychlé a bezpečné uhašení elektrického oblouku v případě přetížení. Pojistka integrovaná ve zkratovacím impulzu vybaví ihned po přerušení vzniklého oblouku a zajistí bezpečné elektrické odpojení. Díky tomu poskytují všechny vodiče pro fotovoltaiku od firmy DEHN ochranu před účinky přepětí, požárem a zdraví v jednom přístroji.

Technické informace

Nominal discharge current (8/20 µs) (In ) 20 kA
Max. continuous operating voltage (a.c.) (UC ) 275 V

Produkt 952024 byl přidán na seznam.

K seznamu

Produkt 952024 byl přidán do nákupního košíku.

Obj. č. 952028 DG MOD ACI 385

GTIN 4013364387843, Číslo celního sazebníku (EU): 85363030, Váha brutto: 66.00 g, Balící jednotka: 1.00 pc(s)


Vyobrazení

Další informace

Combined switch / spark gap protection module DG MOD A 275
Pluggable protection module for DEHNguard M ACI ...
Type 2 SPD of the Red/Line series according to
EN 61643-11
Max. continuous operating voltage: 275 V a.c./350 V d.c.
Nominal discharge current: 20 kA
Fault indication

Brand: DEHN
Type: DG MOD ACI 385
Part No.: 952028
or equivalent.

 

Technologie ACI

Jedná se o evoluci CI technologie, která stojí na kombinaci jiskřiště a odpínače zapojené v sérii s výkonným varistorem. To umožňuje jednoduché řešení a bezpečný provoz svodiče přepětí. Dalšími výhodami jsou jistota při dimenzování, odolnost TOV, připojovací průměr vodičů Cu pouhých 6 mm2 a absence unikajícího proudu. Svodiče přepětí s technologií ACI tak zaručují maximální bezpečí a provozuschopnost zařízení.

Integrované předjištění

Předjištění je plně integrováno. To přináší minimální potřebu místa, nižší náklady na montáž a rychlejší instalaci a kratší připojovací vodiče. Tyto vlastnosti mají skupiny produktů DEHNvenCI, DEHNbloc Maxi S, DEHNguard ... CI a V(A) NH.

Direct Current-Disconnection

Při použití svodičů přepětí ve stejnosměrných instalacích je nutné zajistit, aby odpojovací mechanismus spolehlivě odpojil i při chybějícím průchodu nulou. Námi vyvinutá technologie rozpojení DC-Disconnection (DCD) působí podobně jako klín uzavíracího ventilu, aby přerušila stejnosměrný proud. Svodiče skupiny DEHNguard SE DC jsou tak schopny bezpečně přerušit stejnosměrný proud, čímž eliminují riziko vzniku požáru způsobeného stejnosměrným elektrickým obloukem.

Technologie SCI

Patentovaná technologie SCI od firmy DEHN zajišťuje aktivní, rychlé a bezpečné uhašení elektrického oblouku v případě přetížení. Pojistka integrovaná ve zkratovacím impulzu vybaví ihned po přerušení vzniklého oblouku a zajistí bezpečné elektrické odpojení. Díky tomu poskytují všechny vodiče pro fotovoltaiku od firmy DEHN ochranu před účinky přepětí, požárem a zdraví v jednom přístroji.

Technické informace

Nominal discharge current (8/20 µs) (In ) 20 kA
Max. continuous operating voltage (a.c.) (UC ) 385 V

Produkt 952028 byl přidán na seznam.

K seznamu

Produkt 952028 byl přidán do nákupního košíku.


Spark-Gap-Based Protection Module for DEHNguard M ACI

1 Produkt

Obj. č. 952022 DG MOD A NPE

GTIN 4013364376533, Číslo celního sazebníku (EU): 85363030, Váha brutto: 46.00 g, Balící jednotka: 1.00 pc(s)


Vyobrazení

Další informace

Spark-gap-based protection module DG MOD A NPE
Pluggable protection module for DEHNguard M ACI ...
Type 2 SPD of the Red/Line series according to
EN 61643-11
Max. continuous operating voltage: 275 V a.c./350 V d.c.
Nominal discharge current: 20 kA
Fault indication

Brand: DEHN
Type: DG MOD A NPE
Part No.: 952022
or equivalent.

Certifikáty

 

Technologie ACI

Jedná se o evoluci CI technologie, která stojí na kombinaci jiskřiště a odpínače zapojené v sérii s výkonným varistorem. To umožňuje jednoduché řešení a bezpečný provoz svodiče přepětí. Dalšími výhodami jsou jistota při dimenzování, odolnost TOV, připojovací průměr vodičů Cu pouhých 6 mm2 a absence unikajícího proudu. Svodiče přepětí s technologií ACI tak zaručují maximální bezpečí a provozuschopnost zařízení.

Integrované předjištění

Předjištění je plně integrováno. To přináší minimální potřebu místa, nižší náklady na montáž a rychlejší instalaci a kratší připojovací vodiče. Tyto vlastnosti mají skupiny produktů DEHNvenCI, DEHNbloc Maxi S, DEHNguard ... CI a V(A) NH.

Direct Current-Disconnection

Při použití svodičů přepětí ve stejnosměrných instalacích je nutné zajistit, aby odpojovací mechanismus spolehlivě odpojil i při chybějícím průchodu nulou. Námi vyvinutá technologie rozpojení DC-Disconnection (DCD) působí podobně jako klín uzavíracího ventilu, aby přerušila stejnosměrný proud. Svodiče skupiny DEHNguard SE DC jsou tak schopny bezpečně přerušit stejnosměrný proud, čímž eliminují riziko vzniku požáru způsobeného stejnosměrným elektrickým obloukem.

Technologie SCI

Patentovaná technologie SCI od firmy DEHN zajišťuje aktivní, rychlé a bezpečné uhašení elektrického oblouku v případě přetížení. Pojistka integrovaná ve zkratovacím impulzu vybaví ihned po přerušení vzniklého oblouku a zajistí bezpečné elektrické odpojení. Díky tomu poskytují všechny vodiče pro fotovoltaiku od firmy DEHN ochranu před účinky přepětí, požárem a zdraví v jednom přístroji.

Technické informace

Nominal discharge current (8/20 µs) (In ) 20 kA
Max. discharge current (8/20 µs) (Imax ) 40 kA
Max. continuous operating voltage (a.c.) (UC ) 255 V

Produkt 952022 byl přidán na seznam.

K seznamu

Produkt 952022 byl přidán do nákupního košíku.


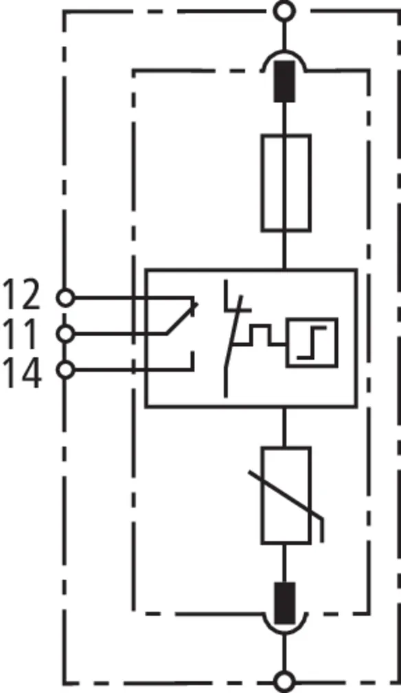
Varistor-Based Protection Module for DEHNguard M CI

1 Produkt

Obj. č. 952020 DG MOD CI 275

GTIN 4013364127784, Číslo celního sazebníku (EU): 85363030, Váha brutto: 59.30 g, Balící jednotka: 1.00 pc(s)


Vyobrazení

Další informace

DG MOD CI 275 varistor-based protection module
Pluggable protection module for DEHNguard M CI
Type 2 SPD of the Red/Line series according to EN 61643-11
Max. continuous operating voltage: 275 V a.c.
Nominal discharge current: 12.5 kA
Fault indication

Brand: DEHN
Type: DG MOD CI 275
Part No.: 952020
or equivalent.

Certifikáty

 

Integrované předjištění

Předjištění je plně integrováno. To přináší minimální potřebu místa, nižší náklady na montáž a rychlejší instalaci a kratší připojovací vodiče. Tyto vlastnosti mají skupiny produktů DEHNvenCI, DEHNbloc Maxi S, DEHNguard ... CI a V(A) NH.

Direct Current-Disconnection

Při použití svodičů přepětí ve stejnosměrných instalacích je nutné zajistit, aby odpojovací mechanismus spolehlivě odpojil i při chybějícím průchodu nulou. Námi vyvinutá technologie rozpojení DC-Disconnection (DCD) působí podobně jako klín uzavíracího ventilu, aby přerušila stejnosměrný proud. Svodiče skupiny DEHNguard SE DC jsou tak schopny bezpečně přerušit stejnosměrný proud, čímž eliminují riziko vzniku požáru způsobeného stejnosměrným elektrickým obloukem.

Technologie SCI

Patentovaná technologie SCI od firmy DEHN zajišťuje aktivní, rychlé a bezpečné uhašení elektrického oblouku v případě přetížení. Pojistka integrovaná ve zkratovacím impulzu vybaví ihned po přerušení vzniklého oblouku a zajistí bezpečné elektrické odpojení. Díky tomu poskytují všechny vodiče pro fotovoltaiku od firmy DEHN ochranu před účinky přepětí, požárem a zdraví v jednom přístroji.

Technické informace

Nominal discharge current (8/20 µs) (In ) 12.5 kA
Max. discharge current (8/20 µs) (Imax ) 25 kA
Max. continuous operating voltage (a.c.) (UC ) 275 V

Produkt 952020 byl přidán na seznam.

K seznamu

Produkt 952020 byl přidán do nákupního košíku.


Varistor-based Protection Module for DEHNguard SE CI ...

2 Produkty

Obj. č. 952926 DG MOD E CI 440

GTIN 4013364322646, Číslo celního sazebníku (EU): 85363030, Váha brutto: 83.00 g, Balící jednotka: 1.00 pc(s)


Vyobrazení

Další informace

Varistor-based protection module DG MOD E CI 440
Pluggable protection module for DEHNguard SE CI
Type 2 arrester of the Red/Line product series
according to EN 61643-11
Max. continuous operating voltage: 440 V d.c.
Nominal discharge current: 12.5 kA
Fault indication

Brand: DEHN
Type: DG MOD E CI 440
Part No.: 952926
or equivalent.

Certifikáty

 

Integrované předjištění

Předjištění je plně integrováno. To přináší minimální potřebu místa, nižší náklady na montáž a rychlejší instalaci a kratší připojovací vodiče. Tyto vlastnosti mají skupiny produktů DEHNvenCI, DEHNbloc Maxi S, DEHNguard ... CI a V(A) NH.

Direct Current-Disconnection

Při použití svodičů přepětí ve stejnosměrných instalacích je nutné zajistit, aby odpojovací mechanismus spolehlivě odpojil i při chybějícím průchodu nulou. Námi vyvinutá technologie rozpojení DC-Disconnection (DCD) působí podobně jako klín uzavíracího ventilu, aby přerušila stejnosměrný proud. Svodiče skupiny DEHNguard SE DC jsou tak schopny bezpečně přerušit stejnosměrný proud, čímž eliminují riziko vzniku požáru způsobeného stejnosměrným elektrickým obloukem.

Technologie SCI

Patentovaná technologie SCI od firmy DEHN zajišťuje aktivní, rychlé a bezpečné uhašení elektrického oblouku v případě přetížení. Pojistka integrovaná ve zkratovacím impulzu vybaví ihned po přerušení vzniklého oblouku a zajistí bezpečné elektrické odpojení. Díky tomu poskytují všechny vodiče pro fotovoltaiku od firmy DEHN ochranu před účinky přepětí, požárem a zdraví v jednom přístroji.

Technické informace

Nominal discharge current (8/20 µs) (In ) 12.5 kA
Max. continuous operating voltage (a.c.) (UC ) 440 V
Rated varistor voltage (Umov ) 440 V

Produkt 952926 byl přidán na seznam.

K seznamu

Produkt 952926 byl přidán do nákupního košíku.

Obj. č. 952927 DG MOD E CI WE 440

GTIN 4013364322653, Číslo celního sazebníku (EU): 85363030, Váha brutto: 82.00 g, Balící jednotka: 1.00 pc(s)


Vyobrazení

Další informace

Varistor-based protection module DG MOD E CI WE 440
Pluggable protection module for DEHNguard SE CI
Type 2 arrester of the Red/Line product series
according to EN 61643-11
Max. continuous operating voltage: 440 V d.c.
Rated varistor voltage: 750 V a.c.
Nominal discharge current: 12.5 kA
Fault indication

Brand: DEHN
Type: DG MOD E CI WE 440
Part No.: 952927
or equivalent.

Certifikáty

 

Integrované předjištění

Předjištění je plně integrováno. To přináší minimální potřebu místa, nižší náklady na montáž a rychlejší instalaci a kratší připojovací vodiče. Tyto vlastnosti mají skupiny produktů DEHNvenCI, DEHNbloc Maxi S, DEHNguard ... CI a V(A) NH.

Direct Current-Disconnection

Při použití svodičů přepětí ve stejnosměrných instalacích je nutné zajistit, aby odpojovací mechanismus spolehlivě odpojil i při chybějícím průchodu nulou. Námi vyvinutá technologie rozpojení DC-Disconnection (DCD) působí podobně jako klín uzavíracího ventilu, aby přerušila stejnosměrný proud. Svodiče skupiny DEHNguard SE DC jsou tak schopny bezpečně přerušit stejnosměrný proud, čímž eliminují riziko vzniku požáru způsobeného stejnosměrným elektrickým obloukem.

Technologie SCI

Patentovaná technologie SCI od firmy DEHN zajišťuje aktivní, rychlé a bezpečné uhašení elektrického oblouku v případě přetížení. Pojistka integrovaná ve zkratovacím impulzu vybaví ihned po přerušení vzniklého oblouku a zajistí bezpečné elektrické odpojení. Díky tomu poskytují všechny vodiče pro fotovoltaiku od firmy DEHN ochranu před účinky přepětí, požárem a zdraví v jednom přístroji.

Technické informace

Nominal discharge current (8/20 µs) (In ) 12.5 kA
Max. continuous operating voltage (a.c.) (UC ) 440 V
Rated varistor voltage (Umov ) 750 V

Produkt 952927 byl přidán na seznam.

K seznamu

Produkt 952927 byl přidán do nákupního košíku.


Varistor-based Protection Module for DEHNguard M and DEHNguard S

8 Produkty

Obj. č. 952018 DG MOD 48

GTIN 4013364119482, Číslo celního sazebníku (EU): 85363030, Váha brutto: 43.50 g, Balící jednotka: 1.00 pc(s)


Vyobrazení

Další informace

DG MOD 48 varistor-based protection module
Pluggable protection module for DEHNguard S ...
Type 2 SPD of the Red/Line series according to
EN 61643-11
Heavy-duty varistor technology
Max. continuous operating voltage: 48 V a.c./60 V d.c.
Nominal discharge current: 7.5 kA
Fault indication

Brand: DEHN
Type: DG MOD 48
Part No.: 952018
or equivalent.

Certifikáty

 

Integrované předjištění

Předjištění je plně integrováno. To přináší minimální potřebu místa, nižší náklady na montáž a rychlejší instalaci a kratší připojovací vodiče. Tyto vlastnosti mají skupiny produktů DEHNvenCI, DEHNbloc Maxi S, DEHNguard ... CI a V(A) NH.

Direct Current-Disconnection

Při použití svodičů přepětí ve stejnosměrných instalacích je nutné zajistit, aby odpojovací mechanismus spolehlivě odpojil i při chybějícím průchodu nulou. Námi vyvinutá technologie rozpojení DC-Disconnection (DCD) působí podobně jako klín uzavíracího ventilu, aby přerušila stejnosměrný proud. Svodiče skupiny DEHNguard SE DC jsou tak schopny bezpečně přerušit stejnosměrný proud, čímž eliminují riziko vzniku požáru způsobeného stejnosměrným elektrickým obloukem.

Technologie SCI

Patentovaná technologie SCI od firmy DEHN zajišťuje aktivní, rychlé a bezpečné uhašení elektrického oblouku v případě přetížení. Pojistka integrovaná ve zkratovacím impulzu vybaví ihned po přerušení vzniklého oblouku a zajistí bezpečné elektrické odpojení. Díky tomu poskytují všechny vodiče pro fotovoltaiku od firmy DEHN ochranu před účinky přepětí, požárem a zdraví v jednom přístroji.

Technické informace

Nominal discharge current (8/20 µs) (In ) 7.5 kA
Max. discharge current (8/20 µs) (Imax ) 25 kA
Max. continuous operating voltage (a.c.) (UC ) 48 V

Produkt 952018 byl přidán na seznam.

K seznamu

Produkt 952018 byl přidán do nákupního košíku.

Obj. č. 952011 DG MOD 75

GTIN 4013364109773, Číslo celního sazebníku (EU): 85363030, Váha brutto: 39.30 g, Balící jednotka: 1.00 pc(s)


Vyobrazení

Další informace

DG MOD 75 varistor-based protection module
Pluggable protection module for DEHNguard S ...
Type 2 SPD of the Red/Line series according to
EN 61643-11
Heavy-duty varistor technology
Max. continuous operating voltage: 75 V a.c./100 V d.c.
Nominal discharge current: 10 kA
Fault indication

Brand: DEHN
Type: DG MOD 75
Part No.: 952011
or equivalent.

Certifikáty

 

Integrované předjištění

Předjištění je plně integrováno. To přináší minimální potřebu místa, nižší náklady na montáž a rychlejší instalaci a kratší připojovací vodiče. Tyto vlastnosti mají skupiny produktů DEHNvenCI, DEHNbloc Maxi S, DEHNguard ... CI a V(A) NH.

Direct Current-Disconnection

Při použití svodičů přepětí ve stejnosměrných instalacích je nutné zajistit, aby odpojovací mechanismus spolehlivě odpojil i při chybějícím průchodu nulou. Námi vyvinutá technologie rozpojení DC-Disconnection (DCD) působí podobně jako klín uzavíracího ventilu, aby přerušila stejnosměrný proud. Svodiče skupiny DEHNguard SE DC jsou tak schopny bezpečně přerušit stejnosměrný proud, čímž eliminují riziko vzniku požáru způsobeného stejnosměrným elektrickým obloukem.

Technologie SCI

Patentovaná technologie SCI od firmy DEHN zajišťuje aktivní, rychlé a bezpečné uhašení elektrického oblouku v případě přetížení. Pojistka integrovaná ve zkratovacím impulzu vybaví ihned po přerušení vzniklého oblouku a zajistí bezpečné elektrické odpojení. Díky tomu poskytují všechny vodiče pro fotovoltaiku od firmy DEHN ochranu před účinky přepětí, požárem a zdraví v jednom přístroji.

Technické informace

Nominal discharge current (8/20 µs) (In ) 10 kA
Max. discharge current (8/20 µs) (Imax ) 40 kA
Max. continuous operating voltage (a.c.) (UC ) 75 V

Produkt 952011 byl přidán na seznam.

K seznamu

Produkt 952011 byl přidán do nákupního košíku.

Obj. č. 952012 DG MOD 150

GTIN 4013364109780, Číslo celního sazebníku (EU): 85363030, Váha brutto: 42.23 g, Balící jednotka: 1.00 pc(s)


Vyobrazení

Další informace

DG MOD 150 varistor-based protection module
Pluggable protection module for DEHNguard S ...
Type 2 SPD of the Red/Line series according to
EN 61643-11
Heavy-duty varistor technology
Max. continuous operating voltage: 150 V a.c./200 V d.c.
Nominal discharge current: 15 kA
Fault indication

Brand: DEHN
Type: DG MOD 150
Part No.: 952012
or equivalent.

Certifikáty

 

Integrované předjištění

Předjištění je plně integrováno. To přináší minimální potřebu místa, nižší náklady na montáž a rychlejší instalaci a kratší připojovací vodiče. Tyto vlastnosti mají skupiny produktů DEHNvenCI, DEHNbloc Maxi S, DEHNguard ... CI a V(A) NH.

Direct Current-Disconnection

Při použití svodičů přepětí ve stejnosměrných instalacích je nutné zajistit, aby odpojovací mechanismus spolehlivě odpojil i při chybějícím průchodu nulou. Námi vyvinutá technologie rozpojení DC-Disconnection (DCD) působí podobně jako klín uzavíracího ventilu, aby přerušila stejnosměrný proud. Svodiče skupiny DEHNguard SE DC jsou tak schopny bezpečně přerušit stejnosměrný proud, čímž eliminují riziko vzniku požáru způsobeného stejnosměrným elektrickým obloukem.

Technologie SCI

Patentovaná technologie SCI od firmy DEHN zajišťuje aktivní, rychlé a bezpečné uhašení elektrického oblouku v případě přetížení. Pojistka integrovaná ve zkratovacím impulzu vybaví ihned po přerušení vzniklého oblouku a zajistí bezpečné elektrické odpojení. Díky tomu poskytují všechny vodiče pro fotovoltaiku od firmy DEHN ochranu před účinky přepětí, požárem a zdraví v jednom přístroji.

Technické informace

Nominal discharge current (8/20 µs) (In ) 15 kA
Max. discharge current (8/20 µs) (Imax ) 40 kA
Max. continuous operating voltage (a.c.) (UC ) 150 V

Produkt 952012 byl přidán na seznam.

K seznamu

Produkt 952012 byl přidán do nákupního košíku.

Obj. č. 952010 DG MOD 275

GTIN 4013364108356, Číslo celního sazebníku (EU): 85363030, Váha brutto: 49.80 g, Balící jednotka: 1.00 pc(s)


Vyobrazení

Další informace

DG MOD 275 varistor-based protection module
Pluggable protection module for DEHNguard M ...
and DEHNguard S ...
Type 2 SPD of the Red/Line series according to
EN 61643-11
Max. continuous operating voltage: 275 V a.c./350 V d.c.
Nominal discharge current: 20 kA
Fault indication

Brand: DEHN
Type: DG MOD 275
Part No.: 952010
or equivalent.

Certifikáty

 

Integrované předjištění

Předjištění je plně integrováno. To přináší minimální potřebu místa, nižší náklady na montáž a rychlejší instalaci a kratší připojovací vodiče. Tyto vlastnosti mají skupiny produktů DEHNvenCI, DEHNbloc Maxi S, DEHNguard ... CI a V(A) NH.

Direct Current-Disconnection

Při použití svodičů přepětí ve stejnosměrných instalacích je nutné zajistit, aby odpojovací mechanismus spolehlivě odpojil i při chybějícím průchodu nulou. Námi vyvinutá technologie rozpojení DC-Disconnection (DCD) působí podobně jako klín uzavíracího ventilu, aby přerušila stejnosměrný proud. Svodiče skupiny DEHNguard SE DC jsou tak schopny bezpečně přerušit stejnosměrný proud, čímž eliminují riziko vzniku požáru způsobeného stejnosměrným elektrickým obloukem.

Technologie SCI

Patentovaná technologie SCI od firmy DEHN zajišťuje aktivní, rychlé a bezpečné uhašení elektrického oblouku v případě přetížení. Pojistka integrovaná ve zkratovacím impulzu vybaví ihned po přerušení vzniklého oblouku a zajistí bezpečné elektrické odpojení. Díky tomu poskytují všechny vodiče pro fotovoltaiku od firmy DEHN ochranu před účinky přepětí, požárem a zdraví v jednom přístroji.

Technické informace

Nominal discharge current (8/20 µs) (In ) 20 kA
Max. discharge current (8/20 µs) (Imax ) 40 kA
Max. continuous operating voltage (a.c.) (UC ) 275 V

Produkt 952010 byl přidán na seznam.

K seznamu

Produkt 952010 byl přidán do nákupního košíku.

Obj. č. 952013 DG MOD 320

GTIN 4013364109797, Číslo celního sazebníku (EU): 85363030, Váha brutto: 52.50 g, Balící jednotka: 1.00 pc(s)


Vyobrazení

Další informace

DG MOD 320 varistor-based protection module
Pluggable protection module for DEHNguard M ... and
DEHNguard S ...
Type 2 SPD of the Red/Line series according to
EN 61643-11
Heavy-duty varistor technology
Max. continuous operating voltage: 320 V a.c./420 V d.c.
Nominal discharge current: 20 kA
Fault indication

Brand: DEHN
Type: DG MOD 320
Part No.: 952013
or equivalent.

Certifikáty

 

Integrované předjištění

Předjištění je plně integrováno. To přináší minimální potřebu místa, nižší náklady na montáž a rychlejší instalaci a kratší připojovací vodiče. Tyto vlastnosti mají skupiny produktů DEHNvenCI, DEHNbloc Maxi S, DEHNguard ... CI a V(A) NH.

Direct Current-Disconnection

Při použití svodičů přepětí ve stejnosměrných instalacích je nutné zajistit, aby odpojovací mechanismus spolehlivě odpojil i při chybějícím průchodu nulou. Námi vyvinutá technologie rozpojení DC-Disconnection (DCD) působí podobně jako klín uzavíracího ventilu, aby přerušila stejnosměrný proud. Svodiče skupiny DEHNguard SE DC jsou tak schopny bezpečně přerušit stejnosměrný proud, čímž eliminují riziko vzniku požáru způsobeného stejnosměrným elektrickým obloukem.

Technologie SCI

Patentovaná technologie SCI od firmy DEHN zajišťuje aktivní, rychlé a bezpečné uhašení elektrického oblouku v případě přetížení. Pojistka integrovaná ve zkratovacím impulzu vybaví ihned po přerušení vzniklého oblouku a zajistí bezpečné elektrické odpojení. Díky tomu poskytují všechny vodiče pro fotovoltaiku od firmy DEHN ochranu před účinky přepětí, požárem a zdraví v jednom přístroji.

Technické informace

Nominal discharge current (8/20 µs) (In ) 20 kA
Max. discharge current (8/20 µs) (Imax ) 40 kA
Max. continuous operating voltage (a.c.) (UC ) 320 V

Produkt 952013 byl přidán na seznam.

K seznamu

Produkt 952013 byl přidán do nákupního košíku.

Obj. č. 952014 DG MOD 385

GTIN 4013364108363, Číslo celního sazebníku (EU): 85363030, Váha brutto: 56.80 g, Balící jednotka: 1.00 pc(s)


Vyobrazení

Další informace

DG MOD 385 varistor-based protection module
Pluggable protection module for DEHNguard M ... and
DEHNguard S ...
Type 2 SPD of the Red/Line series according to
EN 61643-11
Heavy-duty varistor technology
Max. continuous operating voltage: 385 V a.c./500 V d.c.
Nominal discharge current: 20 kA
Fault indication

Brand: DEHN
Type: DG MOD 385
Part No.: 952014
or equivalent.

Certifikáty

 

Integrované předjištění

Předjištění je plně integrováno. To přináší minimální potřebu místa, nižší náklady na montáž a rychlejší instalaci a kratší připojovací vodiče. Tyto vlastnosti mají skupiny produktů DEHNvenCI, DEHNbloc Maxi S, DEHNguard ... CI a V(A) NH.

Direct Current-Disconnection

Při použití svodičů přepětí ve stejnosměrných instalacích je nutné zajistit, aby odpojovací mechanismus spolehlivě odpojil i při chybějícím průchodu nulou. Námi vyvinutá technologie rozpojení DC-Disconnection (DCD) působí podobně jako klín uzavíracího ventilu, aby přerušila stejnosměrný proud. Svodiče skupiny DEHNguard SE DC jsou tak schopny bezpečně přerušit stejnosměrný proud, čímž eliminují riziko vzniku požáru způsobeného stejnosměrným elektrickým obloukem.

Technologie SCI

Patentovaná technologie SCI od firmy DEHN zajišťuje aktivní, rychlé a bezpečné uhašení elektrického oblouku v případě přetížení. Pojistka integrovaná ve zkratovacím impulzu vybaví ihned po přerušení vzniklého oblouku a zajistí bezpečné elektrické odpojení. Díky tomu poskytují všechny vodiče pro fotovoltaiku od firmy DEHN ochranu před účinky přepětí, požárem a zdraví v jednom přístroji.

Technické informace

Nominal discharge current (8/20 µs) (In ) 20 kA
Max. discharge current (8/20 µs) (Imax ) 40 kA
Max. continuous operating voltage (a.c.) (UC ) 385 V

Produkt 952014 byl přidán na seznam.

K seznamu

Produkt 952014 byl přidán do nákupního košíku.

Obj. č. 952015 DG MOD 440

GTIN 4013364109803, Číslo celního sazebníku (EU): 85363030, Váha brutto: 60.00 g, Balící jednotka: 1.00 pc(s)


Vyobrazení

Další informace

DG MOD 440 varistor-based protection module
Pluggable protection module for DEHNguard M ... and
DEHNguard S ...
Type 2 SPD of the Red/Line series according to
EN 61643-11
Heavy-duty varistor technology
Max. continuous operating voltage: 440 V a.c./585 V d.c.
Nominal discharge current: 20 kA
Fault indication

Brand: DEHN
Type: DG MOD 440
Part No.: 952015
or equivalent.

Certifikáty

 

Integrované předjištění

Předjištění je plně integrováno. To přináší minimální potřebu místa, nižší náklady na montáž a rychlejší instalaci a kratší připojovací vodiče. Tyto vlastnosti mají skupiny produktů DEHNvenCI, DEHNbloc Maxi S, DEHNguard ... CI a V(A) NH.

Direct Current-Disconnection

Při použití svodičů přepětí ve stejnosměrných instalacích je nutné zajistit, aby odpojovací mechanismus spolehlivě odpojil i při chybějícím průchodu nulou. Námi vyvinutá technologie rozpojení DC-Disconnection (DCD) působí podobně jako klín uzavíracího ventilu, aby přerušila stejnosměrný proud. Svodiče skupiny DEHNguard SE DC jsou tak schopny bezpečně přerušit stejnosměrný proud, čímž eliminují riziko vzniku požáru způsobeného stejnosměrným elektrickým obloukem.

Technologie SCI

Patentovaná technologie SCI od firmy DEHN zajišťuje aktivní, rychlé a bezpečné uhašení elektrického oblouku v případě přetížení. Pojistka integrovaná ve zkratovacím impulzu vybaví ihned po přerušení vzniklého oblouku a zajistí bezpečné elektrické odpojení. Díky tomu poskytují všechny vodiče pro fotovoltaiku od firmy DEHN ochranu před účinky přepětí, požárem a zdraví v jednom přístroji.

Technické informace

Nominal discharge current (8/20 µs) (In ) 20 kA
Max. discharge current (8/20 µs) (Imax ) 40 kA
Max. continuous operating voltage (a.c.) (UC ) 440 V

Produkt 952015 byl přidán na seznam.

K seznamu

Produkt 952015 byl přidán do nákupního košíku.

Obj. č. 952016 DG MOD 600

GTIN 4013364109810, Číslo celního sazebníku (EU): 85363030, Váha brutto: 70.60 g, Balící jednotka: 1.00 pc(s)


Vyobrazení

Další informace

DG MOD 600 varistor-based protection module
Pluggable protection module for DEHNguard S ...
Type 2 SPD of the Red/Line series according to
EN 61643-11
Heavy-duty varistor technology
Max. continuous operating voltage: 600 V a.c./600 V d.c.
Nominal discharge current: 15 kA
Fault indication

Brand: DEHN
Type: DG MOD 600
Part No.: 952016
or equivalent.

Certifikáty

 

Integrované předjištění

Předjištění je plně integrováno. To přináší minimální potřebu místa, nižší náklady na montáž a rychlejší instalaci a kratší připojovací vodiče. Tyto vlastnosti mají skupiny produktů DEHNvenCI, DEHNbloc Maxi S, DEHNguard ... CI a V(A) NH.

Direct Current-Disconnection

Při použití svodičů přepětí ve stejnosměrných instalacích je nutné zajistit, aby odpojovací mechanismus spolehlivě odpojil i při chybějícím průchodu nulou. Námi vyvinutá technologie rozpojení DC-Disconnection (DCD) působí podobně jako klín uzavíracího ventilu, aby přerušila stejnosměrný proud. Svodiče skupiny DEHNguard SE DC jsou tak schopny bezpečně přerušit stejnosměrný proud, čímž eliminují riziko vzniku požáru způsobeného stejnosměrným elektrickým obloukem.

Technologie SCI

Patentovaná technologie SCI od firmy DEHN zajišťuje aktivní, rychlé a bezpečné uhašení elektrického oblouku v případě přetížení. Pojistka integrovaná ve zkratovacím impulzu vybaví ihned po přerušení vzniklého oblouku a zajistí bezpečné elektrické odpojení. Díky tomu poskytují všechny vodiče pro fotovoltaiku od firmy DEHN ochranu před účinky přepětí, požárem a zdraví v jednom přístroji.

Technické informace

Nominal discharge current (8/20 µs) (In ) 15 kA
Max. discharge current (8/20 µs) (Imax ) 30 kA
Max. continuous operating voltage (a.c.) (UC ) 600 V

Produkt 952016 byl přidán na seznam.

K seznamu

Produkt 952016 byl přidán do nákupního košíku.


Varistor-Based Protection Module for DEHNguard M (S) WE

1 Produkt

Obj. č. 952017 DG MOD 750

GTIN 4013364113329, Číslo celního sazebníku (EU): 85363030, Váha brutto: 69.70 g, Balící jednotka: 1.00 pc(s)


Vyobrazení

Další informace

DG MOD 750 varistor-based protection module
Pluggable protection module for DEHNguard S WE 600 (FM)
and DG M WE 600 (FM)
Type 2 SPD of the Red/Line series
according to EN 61643-11
Heavy-duty varistor technology
Max. continuous operating voltage: 600 V a.c./600 V d.c.
Rated varistor voltage: 750 V a.c.
Nominal discharge current: 15 kA
Fault indication

Brand: DEHN
Type: DG MOD 750
Part No.: 952017
or equivalent.

Certifikáty

 

Integrované předjištění

Předjištění je plně integrováno. To přináší minimální potřebu místa, nižší náklady na montáž a rychlejší instalaci a kratší připojovací vodiče. Tyto vlastnosti mají skupiny produktů DEHNvenCI, DEHNbloc Maxi S, DEHNguard ... CI a V(A) NH.

Direct Current-Disconnection

Při použití svodičů přepětí ve stejnosměrných instalacích je nutné zajistit, aby odpojovací mechanismus spolehlivě odpojil i při chybějícím průchodu nulou. Námi vyvinutá technologie rozpojení DC-Disconnection (DCD) působí podobně jako klín uzavíracího ventilu, aby přerušila stejnosměrný proud. Svodiče skupiny DEHNguard SE DC jsou tak schopny bezpečně přerušit stejnosměrný proud, čímž eliminují riziko vzniku požáru způsobeného stejnosměrným elektrickým obloukem.

Technologie SCI

Patentovaná technologie SCI od firmy DEHN zajišťuje aktivní, rychlé a bezpečné uhašení elektrického oblouku v případě přetížení. Pojistka integrovaná ve zkratovacím impulzu vybaví ihned po přerušení vzniklého oblouku a zajistí bezpečné elektrické odpojení. Díky tomu poskytují všechny vodiče pro fotovoltaiku od firmy DEHN ochranu před účinky přepětí, požárem a zdraví v jednom přístroji.

Technické informace

Nominal discharge current (8/20 µs) (In ) 15 kA
Max. discharge current (8/20 µs) (Imax ) 25 kA
Max. continuous operating voltage (a.c.) (UC ) 600 V
Rated varistor voltage (Umov ) 750 V

Produkt 952017 byl přidán na seznam.

K seznamu

Produkt 952017 byl přidán do nákupního košíku.


N-PE Spark-Gap-Based Protection Module for DEHNguard M ACI

N-PE spark-gap-based protection module for two-pole and four-pole DEHNguard DG M TT (2P) ACI ... .

1 Produkt

Obj. č. 952083 DG MOD H A NPE

GTIN 4013364376540, Číslo celního sazebníku (EU): 85363030, Váha brutto: 55.00 g, Balící jednotka: 1.00 pc(s)


Vyobrazení

Další informace

N-PE spark-gap-based protection module DG MOD H A NPE
Pluggable N-PE spark-gap-based protection module
for DEHNguard DG M TT (2P) ACI ...
For Type 2 N-PE surge arresters
of the Red/Line family according to EN 61643-11
Max. continuous voltage: 255 V a.c.
Nominal discharge current: 80 kA
Max. discharge current: 120 kA
Operating state and fault indication

Brand: DEHN
Type: DG MOD H A NPE
Part No.: 952083
or equivalent.

Certifikáty

 

Integrované předjištění

Předjištění je plně integrováno. To přináší minimální potřebu místa, nižší náklady na montáž a rychlejší instalaci a kratší připojovací vodiče. Tyto vlastnosti mají skupiny produktů DEHNvenCI, DEHNbloc Maxi S, DEHNguard ... CI a V(A) NH.

Direct Current-Disconnection

Při použití svodičů přepětí ve stejnosměrných instalacích je nutné zajistit, aby odpojovací mechanismus spolehlivě odpojil i při chybějícím průchodu nulou. Námi vyvinutá technologie rozpojení DC-Disconnection (DCD) působí podobně jako klín uzavíracího ventilu, aby přerušila stejnosměrný proud. Svodiče skupiny DEHNguard SE DC jsou tak schopny bezpečně přerušit stejnosměrný proud, čímž eliminují riziko vzniku požáru způsobeného stejnosměrným elektrickým obloukem.

Technologie SCI

Patentovaná technologie SCI od firmy DEHN zajišťuje aktivní, rychlé a bezpečné uhašení elektrického oblouku v případě přetížení. Pojistka integrovaná ve zkratovacím impulzu vybaví ihned po přerušení vzniklého oblouku a zajistí bezpečné elektrické odpojení. Díky tomu poskytují všechny vodiče pro fotovoltaiku od firmy DEHN ochranu před účinky přepětí, požárem a zdraví v jednom přístroji.

Technické informace

Nominal discharge current (8/20 µs) (In ) 80 kA
Max. discharge current (8/20 µs) (Imax ) 120 kA
Max. continuous operating voltage (a.c.) (UC ) 275 V

Produkt 952083 byl přidán na seznam.

K seznamu

Produkt 952083 byl přidán do nákupního košíku.


N-PE Spark-Gap-Based Protection Module for DEHNguard M H TT ...

1 Produkt

Obj. č. 952081 DG MOD H NPE

GTIN 4013364318182, Číslo celního sazebníku (EU): 85363030, Váha brutto: 44.50 g, Balící jednotka: 1.00 pc(s)


Vyobrazení

Další informace

DG MOD H NPE N-PE spark-gap-based protection module
Pluggable N-PE spark-gap-based protection module
for DEHNguard DG M TT ...
For Type 2 N-PE surge arresters
of the Red/Line family according to EN 61643-11
Max. continuous voltage: 255 V a.c.
Nominal discharge current: 80 kA
Max. discharge current: 120 kA
Operating state and fault indication

Brand: DEHN
Type: DG MOD H NPE
Part No.: 952081
or equivalent.

Certifikáty

 

Integrované předjištění

Předjištění je plně integrováno. To přináší minimální potřebu místa, nižší náklady na montáž a rychlejší instalaci a kratší připojovací vodiče. Tyto vlastnosti mají skupiny produktů DEHNvenCI, DEHNbloc Maxi S, DEHNguard ... CI a V(A) NH.

Direct Current-Disconnection

Při použití svodičů přepětí ve stejnosměrných instalacích je nutné zajistit, aby odpojovací mechanismus spolehlivě odpojil i při chybějícím průchodu nulou. Námi vyvinutá technologie rozpojení DC-Disconnection (DCD) působí podobně jako klín uzavíracího ventilu, aby přerušila stejnosměrný proud. Svodiče skupiny DEHNguard SE DC jsou tak schopny bezpečně přerušit stejnosměrný proud, čímž eliminují riziko vzniku požáru způsobeného stejnosměrným elektrickým obloukem.

Technologie SCI

Patentovaná technologie SCI od firmy DEHN zajišťuje aktivní, rychlé a bezpečné uhašení elektrického oblouku v případě přetížení. Pojistka integrovaná ve zkratovacím impulzu vybaví ihned po přerušení vzniklého oblouku a zajistí bezpečné elektrické odpojení. Díky tomu poskytují všechny vodiče pro fotovoltaiku od firmy DEHN ochranu před účinky přepětí, požárem a zdraví v jednom přístroji.

Technické informace

Nominal discharge current (8/20 µs) (In ) 80 kA
Max. discharge current (8/20 µs) (Imax ) 120 kA
Max. continuous operating voltage (a.c.) (UC ) 255 V

Produkt 952081 byl přidán na seznam.

K seznamu

Produkt 952081 byl přidán do nákupního košíku.


N-PE Spark-Gap-Based Protection Module for DEHNguard M TT ...

1 Produkt

Obj. č. 952050 DG MOD NPE

GTIN 4013364108370, Číslo celního sazebníku (EU): 85363030, Váha brutto: 44.50 g, Balící jednotka: 1.00 pc(s)


Vyobrazení

Další informace

DG MOD NPE N-PE spark-gap-based protection module
Pluggable N-PE spark-gap-based protection module
for DEHNguard DG M TT ...
For type 2 N-PE surge arresters
of the Red/Line series according to EN 61643-11
Max. continuous operating voltage: 255 V a.c.
Nominal discharge current: 20 kA
Max. discharge current: 40 kA
Fault indication

Brand: DEHN
Type: DG MOD NPE
Part No.: 952050
or equivalent.

Certifikáty

 

Integrované předjištění

Předjištění je plně integrováno. To přináší minimální potřebu místa, nižší náklady na montáž a rychlejší instalaci a kratší připojovací vodiče. Tyto vlastnosti mají skupiny produktů DEHNvenCI, DEHNbloc Maxi S, DEHNguard ... CI a V(A) NH.

Direct Current-Disconnection

Při použití svodičů přepětí ve stejnosměrných instalacích je nutné zajistit, aby odpojovací mechanismus spolehlivě odpojil i při chybějícím průchodu nulou. Námi vyvinutá technologie rozpojení DC-Disconnection (DCD) působí podobně jako klín uzavíracího ventilu, aby přerušila stejnosměrný proud. Svodiče skupiny DEHNguard SE DC jsou tak schopny bezpečně přerušit stejnosměrný proud, čímž eliminují riziko vzniku požáru způsobeného stejnosměrným elektrickým obloukem.

Technologie SCI

Patentovaná technologie SCI od firmy DEHN zajišťuje aktivní, rychlé a bezpečné uhašení elektrického oblouku v případě přetížení. Pojistka integrovaná ve zkratovacím impulzu vybaví ihned po přerušení vzniklého oblouku a zajistí bezpečné elektrické odpojení. Díky tomu poskytují všechny vodiče pro fotovoltaiku od firmy DEHN ochranu před účinky přepětí, požárem a zdraví v jednom přístroji.

Technické informace

Nominal discharge current (8/20 µs) (In ) 20 kA
Max. discharge current (8/20 µs) (Imax ) 40 kA
Max. continuous operating voltage (a.c.) (UC ) 255 V

Produkt 952050 byl přidán na seznam.

K seznamu

Produkt 952050 byl přidán do nákupního košíku.


N-PE Spark-Gap-Based Protection Module for DEHNgap C S

1 Produkt

Obj. č. 952060 DGP C MOD

GTIN 4013364108387, Číslo celního sazebníku (EU): 85363030, Váha brutto: 44.00 g, Balící jednotka: 1.00 pc(s)


Vyobrazení

Další informace

DGP C MOD N-PE spark-gap-based protection module
Pluggable N-PE spark-gap-based protection module
for single-pole DEHNgap C S ... N-PE surge arresters
For type 2 N-PE surge arresters
of the Red/Line series according to EN 61643-11
Max. continuous operating voltage: 255 V a.c.
Nominal discharge current: 20 kA
Max. discharge current: 40 kA
Fault indication

Brand: DEHN
Type: DGP C MOD
Part No.: 952060
or equivalent.

Certifikáty

 

Integrované předjištění

Předjištění je plně integrováno. To přináší minimální potřebu místa, nižší náklady na montáž a rychlejší instalaci a kratší připojovací vodiče. Tyto vlastnosti mají skupiny produktů DEHNvenCI, DEHNbloc Maxi S, DEHNguard ... CI a V(A) NH.

Direct Current-Disconnection

Při použití svodičů přepětí ve stejnosměrných instalacích je nutné zajistit, aby odpojovací mechanismus spolehlivě odpojil i při chybějícím průchodu nulou. Námi vyvinutá technologie rozpojení DC-Disconnection (DCD) působí podobně jako klín uzavíracího ventilu, aby přerušila stejnosměrný proud. Svodiče skupiny DEHNguard SE DC jsou tak schopny bezpečně přerušit stejnosměrný proud, čímž eliminují riziko vzniku požáru způsobeného stejnosměrným elektrickým obloukem.

Technologie SCI

Patentovaná technologie SCI od firmy DEHN zajišťuje aktivní, rychlé a bezpečné uhašení elektrického oblouku v případě přetížení. Pojistka integrovaná ve zkratovacím impulzu vybaví ihned po přerušení vzniklého oblouku a zajistí bezpečné elektrické odpojení. Díky tomu poskytují všechny vodiče pro fotovoltaiku od firmy DEHN ochranu před účinky přepětí, požárem a zdraví v jednom přístroji.

Technické informace

Nominal discharge current (8/20 µs) (In ) 20 kA
Max. discharge current (8/20 µs) (Imax ) 40 kA
Max. continuous operating voltage (a.c.) (UC ) 255 V

Produkt 952060 byl přidán na seznam.

K seznamu

Produkt 952060 byl přidán do nákupního košíku.


Varistor and Spark-Gap-Based Protection Module for DEHNguard S ... VA

3 Produkty

Obj. č. 952025 DG MOD 75 VA

GTIN 4013364127357, Číslo celního sazebníku (EU): 85363030, Váha brutto: 41.00 g, Balící jednotka: 1.00 pc(s)


Vyobrazení

Další informace

DG MOD 75 VA varistor-based protection module
Pluggable protection module for DEHNguard S ... VA
Type 2 SPD of the Red/Line series according to EN 61643-11
Max. continuous operating voltage: 75 V a.c./100 V d.c.
Nominal discharge current: 10 kA
Fault indication

Brand: DEHN
Type: DG MOD 75 VA
Part No.: 952025
or equivalent.

Certifikáty

 

Integrované předjištění

Předjištění je plně integrováno. To přináší minimální potřebu místa, nižší náklady na montáž a rychlejší instalaci a kratší připojovací vodiče. Tyto vlastnosti mají skupiny produktů DEHNvenCI, DEHNbloc Maxi S, DEHNguard ... CI a V(A) NH.

Direct Current-Disconnection

Při použití svodičů přepětí ve stejnosměrných instalacích je nutné zajistit, aby odpojovací mechanismus spolehlivě odpojil i při chybějícím průchodu nulou. Námi vyvinutá technologie rozpojení DC-Disconnection (DCD) působí podobně jako klín uzavíracího ventilu, aby přerušila stejnosměrný proud. Svodiče skupiny DEHNguard SE DC jsou tak schopny bezpečně přerušit stejnosměrný proud, čímž eliminují riziko vzniku požáru způsobeného stejnosměrným elektrickým obloukem.

Technologie SCI

Patentovaná technologie SCI od firmy DEHN zajišťuje aktivní, rychlé a bezpečné uhašení elektrického oblouku v případě přetížení. Pojistka integrovaná ve zkratovacím impulzu vybaví ihned po přerušení vzniklého oblouku a zajistí bezpečné elektrické odpojení. Díky tomu poskytují všechny vodiče pro fotovoltaiku od firmy DEHN ochranu před účinky přepětí, požárem a zdraví v jednom přístroji.

Technické informace

Nominal discharge current (8/20 µs) (In ) 10 kA
Max. discharge current (8/20 µs) (Imax ) 20 kA
Max. continuous operating voltage (a.c.) (UC ) 75 V
Max. continuous operating voltage (d.c.) (UC ) 100 V

Produkt 952025 byl přidán na seznam.

K seznamu

Produkt 952025 byl přidán do nákupního košíku.

Obj. č. 952027 DG MOD 275 VA

GTIN 4013364127364, Číslo celního sazebníku (EU): 85363030, Váha brutto: 47.00 g, Balící jednotka: 1.00 pc(s)


Vyobrazení

Další informace

DG MOD 275 VA varistor-based protection module
Pluggable protection module for DEHNguard S ... VA
Type 2 SPD of the Red/Line series according to EN 61643-11
Max. continuous operating voltage: 275 V a.c./350 V d.c.
Nominal discharge current: 10 kA
Fault indication

Brand: DEHN
Type: DG MOD 275 VA
Part No.: 952027
or equivalent.

Certifikáty

 

Integrované předjištění

Předjištění je plně integrováno. To přináší minimální potřebu místa, nižší náklady na montáž a rychlejší instalaci a kratší připojovací vodiče. Tyto vlastnosti mají skupiny produktů DEHNvenCI, DEHNbloc Maxi S, DEHNguard ... CI a V(A) NH.

Direct Current-Disconnection

Při použití svodičů přepětí ve stejnosměrných instalacích je nutné zajistit, aby odpojovací mechanismus spolehlivě odpojil i při chybějícím průchodu nulou. Námi vyvinutá technologie rozpojení DC-Disconnection (DCD) působí podobně jako klín uzavíracího ventilu, aby přerušila stejnosměrný proud. Svodiče skupiny DEHNguard SE DC jsou tak schopny bezpečně přerušit stejnosměrný proud, čímž eliminují riziko vzniku požáru způsobeného stejnosměrným elektrickým obloukem.

Technologie SCI

Patentovaná technologie SCI od firmy DEHN zajišťuje aktivní, rychlé a bezpečné uhašení elektrického oblouku v případě přetížení. Pojistka integrovaná ve zkratovacím impulzu vybaví ihned po přerušení vzniklého oblouku a zajistí bezpečné elektrické odpojení. Díky tomu poskytují všechny vodiče pro fotovoltaiku od firmy DEHN ochranu před účinky přepětí, požárem a zdraví v jednom přístroji.

Technické informace

Nominal discharge current (8/20 µs) (In ) 10 kA
Max. discharge current (8/20 µs) (Imax ) 20 kA
Max. continuous operating voltage (a.c.) (UC ) 275 V
Max. continuous operating voltage (d.c.) (UC ) 350 V

Produkt 952027 byl přidán na seznam.

K seznamu

Produkt 952027 byl přidán do nákupního košíku.

Obj. č. 952029 DG MOD 385 VA

GTIN 4013364127371, Číslo celního sazebníku (EU): 85363030, Váha brutto: 51.00 g, Balící jednotka: 1.00 pc(s)


Vyobrazení

Další informace

DG MOD 385 VA varistor-based protection module
Pluggable protection module for DEHNguard S ... VA
Type 2 SPD of the Red/Line series according to EN 61643-11
Max. continuous operating voltage: 385 V a.c./500 V d.c.
Nominal discharge current: 10 kA
Fault indication

Brand: DEHN
Type: DG MOD 385 VA
Part No.: 952029
or equivalent.

Certifikáty

 

Integrované předjištění

Předjištění je plně integrováno. To přináší minimální potřebu místa, nižší náklady na montáž a rychlejší instalaci a kratší připojovací vodiče. Tyto vlastnosti mají skupiny produktů DEHNvenCI, DEHNbloc Maxi S, DEHNguard ... CI a V(A) NH.

Direct Current-Disconnection

Při použití svodičů přepětí ve stejnosměrných instalacích je nutné zajistit, aby odpojovací mechanismus spolehlivě odpojil i při chybějícím průchodu nulou. Námi vyvinutá technologie rozpojení DC-Disconnection (DCD) působí podobně jako klín uzavíracího ventilu, aby přerušila stejnosměrný proud. Svodiče skupiny DEHNguard SE DC jsou tak schopny bezpečně přerušit stejnosměrný proud, čímž eliminují riziko vzniku požáru způsobeného stejnosměrným elektrickým obloukem.

Technologie SCI

Patentovaná technologie SCI od firmy DEHN zajišťuje aktivní, rychlé a bezpečné uhašení elektrického oblouku v případě přetížení. Pojistka integrovaná ve zkratovacím impulzu vybaví ihned po přerušení vzniklého oblouku a zajistí bezpečné elektrické odpojení. Díky tomu poskytují všechny vodiče pro fotovoltaiku od firmy DEHN ochranu před účinky přepětí, požárem a zdraví v jednom přístroji.

Technické informace

Nominal discharge current (8/20 µs) (In ) 10 kA
Max. discharge current (8/20 µs) (Imax ) 20 kA
Max. continuous operating voltage (a.c.) (UC ) 385 V
Max. continuous operating voltage (d.c.) (UC ) 500 V

Produkt 952029 byl přidán na seznam.

K seznamu

Produkt 952029 byl přidán do nákupního košíku.


Varistor-based Protection Module for DEHNguard M YPV

2 Produkty

Obj. č. 952048 DG MOD H PV 600

GTIN 4013364327733, Číslo celního sazebníku (EU): 85363030, Váha brutto: 61.20 g, Balící jednotka: 1.00 pc(s)


Vyobrazení

Další informace

DG MOD H PV 600 varistor-based protection module
Pluggable protection module for DEHNguard M YPV
Type 2 arrester of the Red/Line product series
according to EN 61643-31
Heavy-duty varistor technology
Max. continuous operating voltage: 585 V d.c.
Nominal discharge current: 20 kA
Fault indication

Brand: DEHN
Type: DG MOD H PV 600
Part No.: 952048
or equivalent.

Certifikáty

 

Integrované předjištění

Předjištění je plně integrováno. To přináší minimální potřebu místa, nižší náklady na montáž a rychlejší instalaci a kratší připojovací vodiče. Tyto vlastnosti mají skupiny produktů DEHNvenCI, DEHNbloc Maxi S, DEHNguard ... CI a V(A) NH.

Direct Current-Disconnection

Při použití svodičů přepětí ve stejnosměrných instalacích je nutné zajistit, aby odpojovací mechanismus spolehlivě odpojil i při chybějícím průchodu nulou. Námi vyvinutá technologie rozpojení DC-Disconnection (DCD) působí podobně jako klín uzavíracího ventilu, aby přerušila stejnosměrný proud. Svodiče skupiny DEHNguard SE DC jsou tak schopny bezpečně přerušit stejnosměrný proud, čímž eliminují riziko vzniku požáru způsobeného stejnosměrným elektrickým obloukem.

Technologie SCI

Patentovaná technologie SCI od firmy DEHN zajišťuje aktivní, rychlé a bezpečné uhašení elektrického oblouku v případě přetížení. Pojistka integrovaná ve zkratovacím impulzu vybaví ihned po přerušení vzniklého oblouku a zajistí bezpečné elektrické odpojení. Díky tomu poskytují všechny vodiče pro fotovoltaiku od firmy DEHN ochranu před účinky přepětí, požárem a zdraví v jednom přístroji.

Technické informace

Nominal discharge current (8/20 µs) (In ) 20 kA
Max. discharge current (8/20 µs) (Imax ) 40 kA
Max. continuous operating voltage (d.c.) (UC ) 600 V

Produkt 952048 byl přidán na seznam.

K seznamu

Produkt 952048 byl přidán do nákupního košíku.

Obj. č. 952049 DG MOD H PV 750

GTIN 4013364327740, Číslo celního sazebníku (EU): 85363030, Váha brutto: 70.60 g, Balící jednotka: 1.00 pc(s)


Vyobrazení

Další informace

DG MOD H PV 750 varistor-based protection module
Pluggable protection module for DEHNguard M YPV
Type 2 arrester of the Red/Line product series
according to EN 61643-31
Heavy-duty varistor technology
Max. continuous operating voltage: 750 V d.c.
Nominal discharge current: 15kA
Fault indication

Brand: DEHN
Type: DG MOD H PV 750
Part No.: 952049
or equivalent.

Certifikáty

 

Integrované předjištění

Předjištění je plně integrováno. To přináší minimální potřebu místa, nižší náklady na montáž a rychlejší instalaci a kratší připojovací vodiče. Tyto vlastnosti mají skupiny produktů DEHNvenCI, DEHNbloc Maxi S, DEHNguard ... CI a V(A) NH.

Direct Current-Disconnection

Při použití svodičů přepětí ve stejnosměrných instalacích je nutné zajistit, aby odpojovací mechanismus spolehlivě odpojil i při chybějícím průchodu nulou. Námi vyvinutá technologie rozpojení DC-Disconnection (DCD) působí podobně jako klín uzavíracího ventilu, aby přerušila stejnosměrný proud. Svodiče skupiny DEHNguard SE DC jsou tak schopny bezpečně přerušit stejnosměrný proud, čímž eliminují riziko vzniku požáru způsobeného stejnosměrným elektrickým obloukem.

Technologie SCI

Patentovaná technologie SCI od firmy DEHN zajišťuje aktivní, rychlé a bezpečné uhašení elektrického oblouku v případě přetížení. Pojistka integrovaná ve zkratovacím impulzu vybaví ihned po přerušení vzniklého oblouku a zajistí bezpečné elektrické odpojení. Díky tomu poskytují všechny vodiče pro fotovoltaiku od firmy DEHN ochranu před účinky přepětí, požárem a zdraví v jednom přístroji.

Technické informace

Nominal discharge current (8/20 µs) (In ) 15 kA
Max. discharge current (8/20 µs) (Imax ) 40 kA
Max. continuous operating voltage (d.c.) (UC ) 750 V

Produkt 952049 byl přidán na seznam.

K seznamu

Produkt 952049 byl přidán do nákupního košíku.


Varistor-Based Protection Module for DEHNguard M YPV SCI and DEHNguard S PV SCI

3 Produkty

Obj. č. 952055 DG MOD PV SCI 75

GTIN 4013364136700, Číslo celního sazebníku (EU): 85363030, Váha brutto: 43.40 g, Balící jednotka: 1.00 pc(s)


Vyobrazení

Další informace

DG MOD PV SCI 75 varistor-based protection module
Pluggable protection module for DEHNguard M (Y)PV SCI
Type 2 SPD classification of the Red/Line series according to EN 50539-11
Heavy-duty varistor technology
Combined disconnection and short-circuiting device
Max. continuous operating voltage: 75 V d.c.
For PV systems up to Ucpv <= 150 V
Total discharge current: 40 kA
Fault indication

Brand: DEHN
Type: DG MOD PV SCI 75
Part No.: 952055
or equivalent.

Certifikáty

 

Integrované předjištění

Předjištění je plně integrováno. To přináší minimální potřebu místa, nižší náklady na montáž a rychlejší instalaci a kratší připojovací vodiče. Tyto vlastnosti mají skupiny produktů DEHNvenCI, DEHNbloc Maxi S, DEHNguard ... CI a V(A) NH.

Direct Current-Disconnection

Při použití svodičů přepětí ve stejnosměrných instalacích je nutné zajistit, aby odpojovací mechanismus spolehlivě odpojil i při chybějícím průchodu nulou. Námi vyvinutá technologie rozpojení DC-Disconnection (DCD) působí podobně jako klín uzavíracího ventilu, aby přerušila stejnosměrný proud. Svodiče skupiny DEHNguard SE DC jsou tak schopny bezpečně přerušit stejnosměrný proud, čímž eliminují riziko vzniku požáru způsobeného stejnosměrným elektrickým obloukem.

Technologie SCI

Patentovaná technologie SCI od firmy DEHN zajišťuje aktivní, rychlé a bezpečné uhašení elektrického oblouku v případě přetížení. Pojistka integrovaná ve zkratovacím impulzu vybaví ihned po přerušení vzniklého oblouku a zajistí bezpečné elektrické odpojení. Díky tomu poskytují všechny vodiče pro fotovoltaiku od firmy DEHN ochranu před účinky přepětí, požárem a zdraví v jednom přístroji.

Technické informace

Nominal discharge current (8/20 µs) (In ) 10 kA
Max. discharge current (8/20 µs) (Imax ) 20 kA
Max. continuous operating voltage (d.c.) (UC ) 75 V

Produkt 952055 byl přidán na seznam.

K seznamu

Produkt 952055 byl přidán do nákupního košíku.

Obj. č. 952051 DG MOD PV SCI 500

GTIN 4013364126442, Číslo celního sazebníku (EU): 85363030, Váha brutto: 56.15 g, Balící jednotka: 1.00 pc(s)


Vyobrazení

Další informace

DG MOD PV SCI 500 varistor-based protection module
Pluggable protection module for DEHNguard M (Y)PV SCI
Type 2 SPD classification of the Red/Line series according to EN 61643-31
Heavy-duty varistor technology
Combined disconnection and short-circuiting device
Max. continuous operating voltage: 500 V d.c.
For PV systems up to Ucpv <= 1000 V
Total discharge current: 40 kA
Fault indication

Brand: DEHN
Type: DG MOD PV SCI 500
Part No.: 952051
or equivalent.

Certifikáty

 

Integrované předjištění

Předjištění je plně integrováno. To přináší minimální potřebu místa, nižší náklady na montáž a rychlejší instalaci a kratší připojovací vodiče. Tyto vlastnosti mají skupiny produktů DEHNvenCI, DEHNbloc Maxi S, DEHNguard ... CI a V(A) NH.

Direct Current-Disconnection

Při použití svodičů přepětí ve stejnosměrných instalacích je nutné zajistit, aby odpojovací mechanismus spolehlivě odpojil i při chybějícím průchodu nulou. Námi vyvinutá technologie rozpojení DC-Disconnection (DCD) působí podobně jako klín uzavíracího ventilu, aby přerušila stejnosměrný proud. Svodiče skupiny DEHNguard SE DC jsou tak schopny bezpečně přerušit stejnosměrný proud, čímž eliminují riziko vzniku požáru způsobeného stejnosměrným elektrickým obloukem.

Technologie SCI

Patentovaná technologie SCI od firmy DEHN zajišťuje aktivní, rychlé a bezpečné uhašení elektrického oblouku v případě přetížení. Pojistka integrovaná ve zkratovacím impulzu vybaví ihned po přerušení vzniklého oblouku a zajistí bezpečné elektrické odpojení. Díky tomu poskytují všechny vodiče pro fotovoltaiku od firmy DEHN ochranu před účinky přepětí, požárem a zdraví v jednom přístroji.

Technické informace

Nominal discharge current (8/20 µs) (In ) 12.5 kA
Max. discharge current (8/20 µs) (Imax ) 25 kA
Max. continuous operating voltage (d.c.) (UC ) 500 V

Produkt 952051 byl přidán na seznam.

K seznamu

Produkt 952051 byl přidán do nákupního košíku.

Obj. č. 952054 DG MOD PV SCI 600

GTIN 4013364127975, Číslo celního sazebníku (EU): 85363030, Váha brutto: 58.80 g, Balící jednotka: 1.00 pc(s)


Vyobrazení

Další informace

DG MOD PV SCI 600 varistor-based protection module
Pluggable protection module for DEHNguard M (Y)PV SCI
Type 2 SPD classification of the Red/Line series according to EN 61643-31
Heavy-duty varistor technology
Combined disconnection and short-circuiting device
Max. continuous operating voltage: 600 V d.c.
Max. PV voltage: <= 1200 V
Total discharge current: 30 kA
Fault indication

Brand: DEHN
Type: DG MOD PV SCI 600
Part No.: 952054
or equivalent.

Certifikáty

 

Integrované předjištění

Předjištění je plně integrováno. To přináší minimální potřebu místa, nižší náklady na montáž a rychlejší instalaci a kratší připojovací vodiče. Tyto vlastnosti mají skupiny produktů DEHNvenCI, DEHNbloc Maxi S, DEHNguard ... CI a V(A) NH.

Direct Current-Disconnection

Při použití svodičů přepětí ve stejnosměrných instalacích je nutné zajistit, aby odpojovací mechanismus spolehlivě odpojil i při chybějícím průchodu nulou. Námi vyvinutá technologie rozpojení DC-Disconnection (DCD) působí podobně jako klín uzavíracího ventilu, aby přerušila stejnosměrný proud. Svodiče skupiny DEHNguard SE DC jsou tak schopny bezpečně přerušit stejnosměrný proud, čímž eliminují riziko vzniku požáru způsobeného stejnosměrným elektrickým obloukem.

Technologie SCI

Patentovaná technologie SCI od firmy DEHN zajišťuje aktivní, rychlé a bezpečné uhašení elektrického oblouku v případě přetížení. Pojistka integrovaná ve zkratovacím impulzu vybaví ihned po přerušení vzniklého oblouku a zajistí bezpečné elektrické odpojení. Díky tomu poskytují všechny vodiče pro fotovoltaiku od firmy DEHN ochranu před účinky přepětí, požárem a zdraví v jednom přístroji.

Technické informace

Nominal discharge current (8/20 µs) (In ) 12.5 kA
Max. discharge current (8/20 µs) (Imax ) 25 kA
Max. continuous operating voltage (d.c.) (UC ) 600 V

Produkt 952054 byl přidán na seznam.

K seznamu

Produkt 952054 byl přidán do nákupního košíku.


Varistor-based protection module for DEHNguard M YPV and DEHNguard S PV

3 Produkty

Obj. č. 952045 DG MOD PV 75

GTIN 4013364141827, Číslo celního sazebníku (EU): 85363030, Váha brutto: 40.20 g, Balící jednotka: 1.00 pc(s)


Vyobrazení

Další informace

DG MOD PV 75 varistor-based protection module
Pluggable protection module for DEHNguard
M YPV SCI and S PV SCI
Type 2 SPD classification of the Red/Line series according to EN 50539-11
Heavy-duty varistor technology
Max. continuous operating voltage: 75 V d.c.
Nominal discharge current: 10 kA
Fault indication

Brand: DEHN
Type: DG MOD PV 75
Part No.: 952045
or equivalent.

Certifikáty

 

Integrované předjištění

Předjištění je plně integrováno. To přináší minimální potřebu místa, nižší náklady na montáž a rychlejší instalaci a kratší připojovací vodiče. Tyto vlastnosti mají skupiny produktů DEHNvenCI, DEHNbloc Maxi S, DEHNguard ... CI a V(A) NH.

Direct Current-Disconnection

Při použití svodičů přepětí ve stejnosměrných instalacích je nutné zajistit, aby odpojovací mechanismus spolehlivě odpojil i při chybějícím průchodu nulou. Námi vyvinutá technologie rozpojení DC-Disconnection (DCD) působí podobně jako klín uzavíracího ventilu, aby přerušila stejnosměrný proud. Svodiče skupiny DEHNguard SE DC jsou tak schopny bezpečně přerušit stejnosměrný proud, čímž eliminují riziko vzniku požáru způsobeného stejnosměrným elektrickým obloukem.

Technologie SCI

Patentovaná technologie SCI od firmy DEHN zajišťuje aktivní, rychlé a bezpečné uhašení elektrického oblouku v případě přetížení. Pojistka integrovaná ve zkratovacím impulzu vybaví ihned po přerušení vzniklého oblouku a zajistí bezpečné elektrické odpojení. Díky tomu poskytují všechny vodiče pro fotovoltaiku od firmy DEHN ochranu před účinky přepětí, požárem a zdraví v jednom přístroji.

Technické informace

Nominal discharge current (8/20 µs) (In ) 10 kA
Max. discharge current (8/20 µs) (Imax ) 40 kA
Max. continuous operating voltage (d.c.) (UC ) 75 V

Produkt 952045 byl přidán na seznam.

K seznamu

Produkt 952045 byl přidán do nákupního košíku.

Obj. č. 952041 DG MOD PV 500

GTIN 4013364141841, Číslo celního sazebníku (EU): 85363030, Váha brutto: 60.19 g, Balící jednotka: 1.00 pc(s)


Vyobrazení

Další informace

DG MOD PV 500 varistor-based protection module
Pluggable protection module for DEHNguard
M YPV SCI and S PV SCI
Type 2 SPD classification of the Red/Line series according to EN 61643-31
Heavy-duty varistor technology
Max. continuous operating voltage: 500 V d.c.
Nominal discharge current: 20 kA
Fault indication

Brand: DEHN
Type: DG MOD PV 500
Part No.: 952041
or equivalent.

Certifikáty

 

Integrované předjištění

Předjištění je plně integrováno. To přináší minimální potřebu místa, nižší náklady na montáž a rychlejší instalaci a kratší připojovací vodiče. Tyto vlastnosti mají skupiny produktů DEHNvenCI, DEHNbloc Maxi S, DEHNguard ... CI a V(A) NH.

Direct Current-Disconnection

Při použití svodičů přepětí ve stejnosměrných instalacích je nutné zajistit, aby odpojovací mechanismus spolehlivě odpojil i při chybějícím průchodu nulou. Námi vyvinutá technologie rozpojení DC-Disconnection (DCD) působí podobně jako klín uzavíracího ventilu, aby přerušila stejnosměrný proud. Svodiče skupiny DEHNguard SE DC jsou tak schopny bezpečně přerušit stejnosměrný proud, čímž eliminují riziko vzniku požáru způsobeného stejnosměrným elektrickým obloukem.

Technologie SCI

Patentovaná technologie SCI od firmy DEHN zajišťuje aktivní, rychlé a bezpečné uhašení elektrického oblouku v případě přetížení. Pojistka integrovaná ve zkratovacím impulzu vybaví ihned po přerušení vzniklého oblouku a zajistí bezpečné elektrické odpojení. Díky tomu poskytují všechny vodiče pro fotovoltaiku od firmy DEHN ochranu před účinky přepětí, požárem a zdraví v jednom přístroji.

Technické informace

Nominal discharge current (8/20 µs) (In ) 20 kA
Max. discharge current (8/20 µs) (Imax ) 40 kA
Max. continuous operating voltage (d.c.) (UC ) 500 V

Produkt 952041 byl přidán na seznam.

K seznamu

Produkt 952041 byl přidán do nákupního košíku.

Obj. č. 952044 DG MOD PV 600

GTIN 4013364141858, Číslo celního sazebníku (EU): 85363030, Váha brutto: 69.49 g, Balící jednotka: 1.00 pc(s)


Vyobrazení

Další informace

DG MOD PV 600 varistor-based protection module
Pluggable protection module for DEHNguard
M YPV SCI and S PV SCI
Type 2 SPD classification of the Red/Line series according to EN 61643-31
Heavy-duty varistor technology
Max. continuous operating voltage: 600 V d.c.
Nominal discharge current: 15 kA
Fault indication

Brand: DEHN
Type: DG MOD PV 600
Part No.: 952044
or equivalent.

Certifikáty

 

Integrované předjištění

Předjištění je plně integrováno. To přináší minimální potřebu místa, nižší náklady na montáž a rychlejší instalaci a kratší připojovací vodiče. Tyto vlastnosti mají skupiny produktů DEHNvenCI, DEHNbloc Maxi S, DEHNguard ... CI a V(A) NH.

Direct Current-Disconnection

Při použití svodičů přepětí ve stejnosměrných instalacích je nutné zajistit, aby odpojovací mechanismus spolehlivě odpojil i při chybějícím průchodu nulou. Námi vyvinutá technologie rozpojení DC-Disconnection (DCD) působí podobně jako klín uzavíracího ventilu, aby přerušila stejnosměrný proud. Svodiče skupiny DEHNguard SE DC jsou tak schopny bezpečně přerušit stejnosměrný proud, čímž eliminují riziko vzniku požáru způsobeného stejnosměrným elektrickým obloukem.

Technologie SCI

Patentovaná technologie SCI od firmy DEHN zajišťuje aktivní, rychlé a bezpečné uhašení elektrického oblouku v případě přetížení. Pojistka integrovaná ve zkratovacím impulzu vybaví ihned po přerušení vzniklého oblouku a zajistí bezpečné elektrické odpojení. Díky tomu poskytují všechny vodiče pro fotovoltaiku od firmy DEHN ochranu před účinky přepětí, požárem a zdraví v jednom přístroji.

Technické informace

Nominal discharge current (8/20 µs) (In ) 15 kA
Max. discharge current (8/20 µs) (Imax ) 30 kA
Max. continuous operating voltage (d.c.) (UC ) 600 V

Produkt 952044 byl přidán na seznam.

K seznamu

Produkt 952044 byl přidán do nákupního košíku.


Varistor-Based Protection Module for DEHNguard ME YPV SCI and DEHNguard SE PV SCI

1 Produkt

Obj. č. 952056 DG MOD E PV SCI 750

GTIN 4013364149106, Číslo celního sazebníku (EU): 85363030, Váha brutto: 82.70 g, Balící jednotka: 1.00 pc(s)


Vyobrazení

Další informace

DG MOD E PV SCI 750 varistor-based protection module
Pluggable protection module for DEHNguard
ME YPV SCI und SE PV SCI
Type 2 SPD classification according to EN 50539-11
of the Red/Line product series
Heavy-duty varistor technology
Max. continuous operating voltage: 750 V d.c.
Nominal discharge current: 12.5 kA
Fault indication

Brand: DEHN
Type: DG MOD E PV SCI 750
Part No.: 952056
or equivalent.

Certifikáty

 

Integrované předjištění

Předjištění je plně integrováno. To přináší minimální potřebu místa, nižší náklady na montáž a rychlejší instalaci a kratší připojovací vodiče. Tyto vlastnosti mají skupiny produktů DEHNvenCI, DEHNbloc Maxi S, DEHNguard ... CI a V(A) NH.

Direct Current-Disconnection

Při použití svodičů přepětí ve stejnosměrných instalacích je nutné zajistit, aby odpojovací mechanismus spolehlivě odpojil i při chybějícím průchodu nulou. Námi vyvinutá technologie rozpojení DC-Disconnection (DCD) působí podobně jako klín uzavíracího ventilu, aby přerušila stejnosměrný proud. Svodiče skupiny DEHNguard SE DC jsou tak schopny bezpečně přerušit stejnosměrný proud, čímž eliminují riziko vzniku požáru způsobeného stejnosměrným elektrickým obloukem.

Technologie SCI

Patentovaná technologie SCI od firmy DEHN zajišťuje aktivní, rychlé a bezpečné uhašení elektrického oblouku v případě přetížení. Pojistka integrovaná ve zkratovacím impulzu vybaví ihned po přerušení vzniklého oblouku a zajistí bezpečné elektrické odpojení. Díky tomu poskytují všechny vodiče pro fotovoltaiku od firmy DEHN ochranu před účinky přepětí, požárem a zdraví v jednom přístroji.

Technické informace

Nominal discharge current (8/20 µs) (In ) 12.5 kA
Max. discharge current (8/20 µs) (Imax ) 25 kA
Max. continuous operating voltage (d.c.) (UC ) 750 V

Produkt 952056 byl přidán na seznam.

K seznamu

Produkt 952056 byl přidán do nákupního košíku.


Varistor-Based Protection Module for DEHNguard SE H ...

4 Produkty

Obj. č. 952900 DG MOD E H LI 275

GTIN 4013364158801, Číslo celního sazebníku (EU): 85363030, Váha brutto: 90.00 g, Balící jednotka: 1.00 pc(s)


Vyobrazení

Další informace

DG MOD E H LI 275 varistor-based protection module
Pluggable protection module for DEHNguard
SE H LI 275 FM
with three-step early warning system
Type 2 SPD according to EN 61643-11
Heavy-duty varistor technology
Max. continuous operating voltage: 275 V d.c.
Nominal discharge current: 30 kA
Lifetime Indication

Brand: DEHN
Type: DG MOD E H LI 275
Part No.: 952900
or equivalent.

 

Integrované předjištění

Předjištění je plně integrováno. To přináší minimální potřebu místa, nižší náklady na montáž a rychlejší instalaci a kratší připojovací vodiče. Tyto vlastnosti mají skupiny produktů DEHNvenCI, DEHNbloc Maxi S, DEHNguard ... CI a V(A) NH.

Direct Current-Disconnection

Při použití svodičů přepětí ve stejnosměrných instalacích je nutné zajistit, aby odpojovací mechanismus spolehlivě odpojil i při chybějícím průchodu nulou. Námi vyvinutá technologie rozpojení DC-Disconnection (DCD) působí podobně jako klín uzavíracího ventilu, aby přerušila stejnosměrný proud. Svodiče skupiny DEHNguard SE DC jsou tak schopny bezpečně přerušit stejnosměrný proud, čímž eliminují riziko vzniku požáru způsobeného stejnosměrným elektrickým obloukem.

Technologie SCI

Patentovaná technologie SCI od firmy DEHN zajišťuje aktivní, rychlé a bezpečné uhašení elektrického oblouku v případě přetížení. Pojistka integrovaná ve zkratovacím impulzu vybaví ihned po přerušení vzniklého oblouku a zajistí bezpečné elektrické odpojení. Díky tomu poskytují všechny vodiče pro fotovoltaiku od firmy DEHN ochranu před účinky přepětí, požárem a zdraví v jednom přístroji.

Technické informace

Nominal discharge current (8/20 µs) (In ) 30 kA
Max. discharge current (8/20 µs) (Imax ) 65 kA
Max. continuous operating voltage (a.c.) (UC ) 275 V

Produkt 952900 byl přidán na seznam.

K seznamu

Produkt 952900 byl přidán do nákupního košíku.

Obj. č. 952907 DG MOD E H LI 1000

GTIN 4013364158856, Číslo celního sazebníku (EU): 85363030, Váha brutto: 130.00 g, Balící jednotka: 1.00 pc(s)


Vyobrazení

Další informace

DG MOD E H LI 1000 varistor-based protection module
Pluggable protection module for DEHNguard
SE H LI 1000 FM
with three-step early warning system
Type 2 SPD according to EN 61643-11
Heavy-duty varistor technology
Max. continuous operating voltage: 1000 V d.c.
Nominal discharge current: 20 kA
Coded protection module

Brand: DEHN
Type: DG MOD E H LI 1000
Part No.: 952907
or equivalent.

 

Integrované předjištění

Předjištění je plně integrováno. To přináší minimální potřebu místa, nižší náklady na montáž a rychlejší instalaci a kratší připojovací vodiče. Tyto vlastnosti mají skupiny produktů DEHNvenCI, DEHNbloc Maxi S, DEHNguard ... CI a V(A) NH.

Direct Current-Disconnection

Při použití svodičů přepětí ve stejnosměrných instalacích je nutné zajistit, aby odpojovací mechanismus spolehlivě odpojil i při chybějícím průchodu nulou. Námi vyvinutá technologie rozpojení DC-Disconnection (DCD) působí podobně jako klín uzavíracího ventilu, aby přerušila stejnosměrný proud. Svodiče skupiny DEHNguard SE DC jsou tak schopny bezpečně přerušit stejnosměrný proud, čímž eliminují riziko vzniku požáru způsobeného stejnosměrným elektrickým obloukem.

Technologie SCI

Patentovaná technologie SCI od firmy DEHN zajišťuje aktivní, rychlé a bezpečné uhašení elektrického oblouku v případě přetížení. Pojistka integrovaná ve zkratovacím impulzu vybaví ihned po přerušení vzniklého oblouku a zajistí bezpečné elektrické odpojení. Díky tomu poskytují všechny vodiče pro fotovoltaiku od firmy DEHN ochranu před účinky přepětí, požárem a zdraví v jednom přístroji.

Technické informace

Nominal discharge current (8/20 µs) (In ) 20 kA
Max. discharge current (8/20 µs) (Imax ) 40 kA
Max. continuous operating voltage (a.c.) (UC ) 1000 V

Produkt 952907 byl přidán na seznam.

K seznamu

Produkt 952907 byl přidán do nákupního košíku.

Obj. č. 952908 DG MOD E H 1000

GTIN 4013364264526, Číslo celního sazebníku (EU): 85363030, Váha brutto: 123.00 g, Balící jednotka: 1.00 pc(s)


Vyobrazení

Další informace

DG MOD E H 1000 varistor-based protection module
Pluggable protection module for DEHNguard
SE H LI 1000 FM
Type 2 SPD according to EN 61643-11
Heavy-duty varistor technology
Max. continuous operating voltage: 1000 V d.c.
Nominal discharge current: 20 kA
Fault indication

Brand: DEHN
Type: DG MOD E H 1000
Part No.: 952908
or equivalent.

Certifikáty

 

Integrované předjištění

Předjištění je plně integrováno. To přináší minimální potřebu místa, nižší náklady na montáž a rychlejší instalaci a kratší připojovací vodiče. Tyto vlastnosti mají skupiny produktů DEHNvenCI, DEHNbloc Maxi S, DEHNguard ... CI a V(A) NH.

Direct Current-Disconnection

Při použití svodičů přepětí ve stejnosměrných instalacích je nutné zajistit, aby odpojovací mechanismus spolehlivě odpojil i při chybějícím průchodu nulou. Námi vyvinutá technologie rozpojení DC-Disconnection (DCD) působí podobně jako klín uzavíracího ventilu, aby přerušila stejnosměrný proud. Svodiče skupiny DEHNguard SE DC jsou tak schopny bezpečně přerušit stejnosměrný proud, čímž eliminují riziko vzniku požáru způsobeného stejnosměrným elektrickým obloukem.

Technologie SCI

Patentovaná technologie SCI od firmy DEHN zajišťuje aktivní, rychlé a bezpečné uhašení elektrického oblouku v případě přetížení. Pojistka integrovaná ve zkratovacím impulzu vybaví ihned po přerušení vzniklého oblouku a zajistí bezpečné elektrické odpojení. Díky tomu poskytují všechny vodiče pro fotovoltaiku od firmy DEHN ochranu před účinky přepětí, požárem a zdraví v jednom přístroji.

Technické informace

Nominal discharge current (8/20 µs) (In ) 20 kA
Max. discharge current (8/20 µs) (Imax ) 40 kA
Max. continuous operating voltage (a.c.) (UC ) 1000 V

Produkt 952908 byl přidán na seznam.

K seznamu

Produkt 952908 byl přidán do nákupního košíku.

Obj. č. 952918 DG MOD E H 1000 VA

GTIN 4013364308336, Číslo celního sazebníku (EU): 85363030, Váha brutto: 130.00 g, Balící jednotka: 1.00 pc(s)


Vyobrazení

Další informace

DG MOD E 1000 VA varistor-based protection module
Pluggable protection module for DEHNguard
SE H 1000 VA FM
Type 2 SPD according to EN 61643-11
Heavy-duty varistor technology
Max. continuous operating voltage: 1000 V d.c.
Nominal discharge current: 15 kA
Fault indication

Brand: DEHN
Type: DG MOD E H 1000 VA
Part No.: 952918
or equivalent.

Certifikáty

 

Integrované předjištění

Předjištění je plně integrováno. To přináší minimální potřebu místa, nižší náklady na montáž a rychlejší instalaci a kratší připojovací vodiče. Tyto vlastnosti mají skupiny produktů DEHNvenCI, DEHNbloc Maxi S, DEHNguard ... CI a V(A) NH.

Direct Current-Disconnection

Při použití svodičů přepětí ve stejnosměrných instalacích je nutné zajistit, aby odpojovací mechanismus spolehlivě odpojil i při chybějícím průchodu nulou. Námi vyvinutá technologie rozpojení DC-Disconnection (DCD) působí podobně jako klín uzavíracího ventilu, aby přerušila stejnosměrný proud. Svodiče skupiny DEHNguard SE DC jsou tak schopny bezpečně přerušit stejnosměrný proud, čímž eliminují riziko vzniku požáru způsobeného stejnosměrným elektrickým obloukem.

Technologie SCI

Patentovaná technologie SCI od firmy DEHN zajišťuje aktivní, rychlé a bezpečné uhašení elektrického oblouku v případě přetížení. Pojistka integrovaná ve zkratovacím impulzu vybaví ihned po přerušení vzniklého oblouku a zajistí bezpečné elektrické odpojení. Díky tomu poskytují všechny vodiče pro fotovoltaiku od firmy DEHN ochranu před účinky přepětí, požárem a zdraví v jednom přístroji.

Technické informace

Nominal discharge current (8/20 µs) (In ) 15 kA
Max. discharge current (8/20 µs) (Imax ) 40 kA
Max. continuous operating voltage (a.c.) (UC ) 1000 V

Produkt 952918 byl přidán na seznam.

K seznamu

Produkt 952918 byl přidán do nákupního košíku.


Varistor-based Protection Module for DEHNguard SE DC

4 Produkty

Obj. č. 972010 DG MOD E DC 60

GTIN 4013364158672, Číslo celního sazebníku (EU): 85363030, Váha brutto: 65.00 g, Balící jednotka: 1.00 pc(s)


Vyobrazení

Další informace

DG MOD E DC 60 varistor-based protection module
Pluggable protection module for DEHNguard SE DC ... (FM)
Type 2 arrester of the Red/Line product series
according to EN 61643-11
Heavy-duty varistor technology
Particularly suited for use in d.c. circuits
Max. continuous operating voltage: 60 V d.c.
Nominal discharge current: 12.5 kA
Fault indication

Brand: DEHN
Type: DG MOD E DC 60
Part No.: 972010
or equivalent.

 

Integrované předjištění

Předjištění je plně integrováno. To přináší minimální potřebu místa, nižší náklady na montáž a rychlejší instalaci a kratší připojovací vodiče. Tyto vlastnosti mají skupiny produktů DEHNvenCI, DEHNbloc Maxi S, DEHNguard ... CI a V(A) NH.

Direct Current-Disconnection

Při použití svodičů přepětí ve stejnosměrných instalacích je nutné zajistit, aby odpojovací mechanismus spolehlivě odpojil i při chybějícím průchodu nulou. Námi vyvinutá technologie rozpojení DC-Disconnection (DCD) působí podobně jako klín uzavíracího ventilu, aby přerušila stejnosměrný proud. Svodiče skupiny DEHNguard SE DC jsou tak schopny bezpečně přerušit stejnosměrný proud, čímž eliminují riziko vzniku požáru způsobeného stejnosměrným elektrickým obloukem.

Technologie SCI

Patentovaná technologie SCI od firmy DEHN zajišťuje aktivní, rychlé a bezpečné uhašení elektrického oblouku v případě přetížení. Pojistka integrovaná ve zkratovacím impulzu vybaví ihned po přerušení vzniklého oblouku a zajistí bezpečné elektrické odpojení. Díky tomu poskytují všechny vodiče pro fotovoltaiku od firmy DEHN ochranu před účinky přepětí, požárem a zdraví v jednom přístroji.

Technické informace

Nominal discharge current (8/20 µs) (In ) 12.5 kA
Max. continuous operating voltage (d.c.) (UC ) 60 V

Produkt 972010 byl přidán na seznam.

K seznamu

Produkt 972010 byl přidán do nákupního košíku.

Obj. č. 972020 DG MOD E DC 242

GTIN 4013364158702, Číslo celního sazebníku (EU): 85363030, Váha brutto: 75.00 g, Balící jednotka: 1.00 pc(s)


Vyobrazení

Další informace

DG MOD E DC 242 varistor-based protection module
Pluggable protection module for DEHNguard SE DC ... (FM)
Type 2 arrester of the Red/Line product series
according to EN 61643-11
Heavy-duty varistor technology
Particularly suited for use in d.c. circuits
Max. continuous operating voltage: 242 V d.c.
Nominal discharge current: 12.5 kA
Fault indication

Brand: DEHN
Type: DG MOD E DC 242
Part No.: 972020
or equivalent.

Certifikáty

 

Integrované předjištění

Předjištění je plně integrováno. To přináší minimální potřebu místa, nižší náklady na montáž a rychlejší instalaci a kratší připojovací vodiče. Tyto vlastnosti mají skupiny produktů DEHNvenCI, DEHNbloc Maxi S, DEHNguard ... CI a V(A) NH.

Direct Current-Disconnection

Při použití svodičů přepětí ve stejnosměrných instalacích je nutné zajistit, aby odpojovací mechanismus spolehlivě odpojil i při chybějícím průchodu nulou. Námi vyvinutá technologie rozpojení DC-Disconnection (DCD) působí podobně jako klín uzavíracího ventilu, aby přerušila stejnosměrný proud. Svodiče skupiny DEHNguard SE DC jsou tak schopny bezpečně přerušit stejnosměrný proud, čímž eliminují riziko vzniku požáru způsobeného stejnosměrným elektrickým obloukem.

Technologie SCI

Patentovaná technologie SCI od firmy DEHN zajišťuje aktivní, rychlé a bezpečné uhašení elektrického oblouku v případě přetížení. Pojistka integrovaná ve zkratovacím impulzu vybaví ihned po přerušení vzniklého oblouku a zajistí bezpečné elektrické odpojení. Díky tomu poskytují všechny vodiče pro fotovoltaiku od firmy DEHN ochranu před účinky přepětí, požárem a zdraví v jednom přístroji.

Technické informace

Nominal discharge current (8/20 µs) (In ) 12.5 kA
Max. continuous operating voltage (d.c.) (UC ) 242 V

Produkt 972020 byl přidán na seznam.

K seznamu

Produkt 972020 byl přidán do nákupního košíku.

Obj. č. 972030 DG MOD E DC 550

GTIN 4013364158719, Číslo celního sazebníku (EU): 85363030, Váha brutto: 89.00 g, Balící jednotka: 1.00 pc(s)


Vyobrazení

Další informace

DG MOD E DC 550 varistor-based protection module
Pluggable protection module for DEHNguard SE DC ... (FM)
Type 2 arrester of the Red/Line product series
according to EN 61643-11
Heavy-duty varistor technology
Particularly suited for use in d.c. circuits
Max. continuous operating voltage: 550 V d.c.
Nominal discharge current: 12.5 kA
Fault indication

Brand: DEHN
Type: DG MOD E DC 550
Part No.: 972030
or equivalent.

Certifikáty

 

Integrované předjištění

Předjištění je plně integrováno. To přináší minimální potřebu místa, nižší náklady na montáž a rychlejší instalaci a kratší připojovací vodiče. Tyto vlastnosti mají skupiny produktů DEHNvenCI, DEHNbloc Maxi S, DEHNguard ... CI a V(A) NH.

Direct Current-Disconnection

Při použití svodičů přepětí ve stejnosměrných instalacích je nutné zajistit, aby odpojovací mechanismus spolehlivě odpojil i při chybějícím průchodu nulou. Námi vyvinutá technologie rozpojení DC-Disconnection (DCD) působí podobně jako klín uzavíracího ventilu, aby přerušila stejnosměrný proud. Svodiče skupiny DEHNguard SE DC jsou tak schopny bezpečně přerušit stejnosměrný proud, čímž eliminují riziko vzniku požáru způsobeného stejnosměrným elektrickým obloukem.

Technologie SCI

Patentovaná technologie SCI od firmy DEHN zajišťuje aktivní, rychlé a bezpečné uhašení elektrického oblouku v případě přetížení. Pojistka integrovaná ve zkratovacím impulzu vybaví ihned po přerušení vzniklého oblouku a zajistí bezpečné elektrické odpojení. Díky tomu poskytují všechny vodiče pro fotovoltaiku od firmy DEHN ochranu před účinky přepětí, požárem a zdraví v jednom přístroji.

Technické informace

Nominal discharge current (8/20 µs) (In ) 12.5 kA
Max. continuous operating voltage (d.c.) (UC ) 550 V

Produkt 972030 byl přidán na seznam.

K seznamu

Produkt 972030 byl přidán do nákupního košíku.

Obj. č. 972040 DG MOD E DC 900

GTIN 4013364158764, Číslo celního sazebníku (EU): 85363030, Váha brutto: 95.00 g, Balící jednotka: 1.00 pc(s)


Vyobrazení

Další informace

DG MOD E DC 900 varistor-based protection module
Pluggable protection module for DEHNguard SE DC ... (FM)
Type 2 arrester of the Red/Line product series
according to EN 61643-11
Heavy-duty varistor technology
Particularly suited for use in d.c. circuits
Max. continuous operating voltage: 900 V d.c.
Nominal discharge current: 12.5 kA
Fault indication

Brand: DEHN
Type: DG MOD E DC 900
Part No.: 972040
or equivalent.

Certifikáty

 

Integrované předjištění

Předjištění je plně integrováno. To přináší minimální potřebu místa, nižší náklady na montáž a rychlejší instalaci a kratší připojovací vodiče. Tyto vlastnosti mají skupiny produktů DEHNvenCI, DEHNbloc Maxi S, DEHNguard ... CI a V(A) NH.

Direct Current-Disconnection

Při použití svodičů přepětí ve stejnosměrných instalacích je nutné zajistit, aby odpojovací mechanismus spolehlivě odpojil i při chybějícím průchodu nulou. Námi vyvinutá technologie rozpojení DC-Disconnection (DCD) působí podobně jako klín uzavíracího ventilu, aby přerušila stejnosměrný proud. Svodiče skupiny DEHNguard SE DC jsou tak schopny bezpečně přerušit stejnosměrný proud, čímž eliminují riziko vzniku požáru způsobeného stejnosměrným elektrickým obloukem.

Technologie SCI

Patentovaná technologie SCI od firmy DEHN zajišťuje aktivní, rychlé a bezpečné uhašení elektrického oblouku v případě přetížení. Pojistka integrovaná ve zkratovacím impulzu vybaví ihned po přerušení vzniklého oblouku a zajistí bezpečné elektrické odpojení. Díky tomu poskytují všechny vodiče pro fotovoltaiku od firmy DEHN ochranu před účinky přepětí, požárem a zdraví v jednom přístroji.

Technické informace

Nominal discharge current (8/20 µs) (In ) 12.5 kA
Max. continuous operating voltage (d.c.) (UC ) 900 V

Produkt 972040 byl přidán na seznam.

K seznamu

Produkt 972040 byl přidán do nákupního košíku.


back to top