DEHNbloc Maxi 440 / 760
:quality(98)/www.dehn.cz/store/f/62752256/HDVORSCHAU/961145a1_16-9.jpg)
:quality(98)/www.dehn.cz/store/f/62752256/HDVORSCHAU/961145a1_16-9.jpg)
- Spark-gap-based lightning current arrester
- Extremely high lightning current discharge capacity
- High follow current extinguishing capability and limitation due RADAX Flow technology
- Directly coordinated with DEHNguard surge protective devices without additional cable length
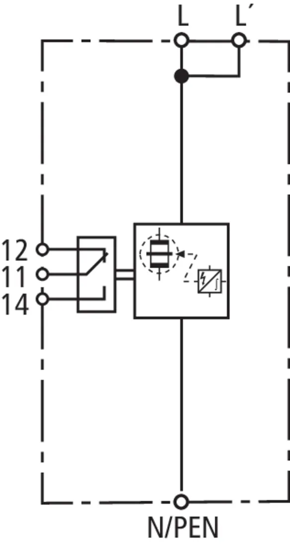
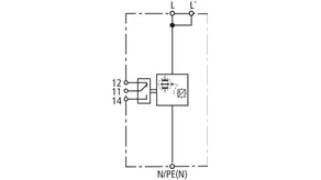
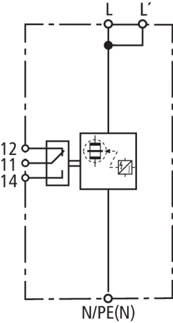
- Operating state / fault indication by green / red indicator flag in the inspection window
Details
:quality(98)/www.dehn.cz/store/f/62752257/HDVORSCHAU/961175a1_Kat.jpg)
:quality(98)/www.dehn.cz/store/f/62752257/HDVORSCHAU/961175a1_Kat.jpg)
Obj. č. 961140 DBM 1 440
GTIN 4013364116269, Číslo celního sazebníku (EU): 85363090, Váha brutto: 592.00 g, Balící jednotka: 1.00 pc(s)
Staré provedeníTechnické informace
SPD according to EN 61643-11 / IEC 61643-11 | type 1 / class I |
Max. continuous operating voltage (a.c.) (UC ) | 440 V |
Lightning impulse current (10/350 µs) (Iimp ) | 35 kA |
Voltage protection level (UP ) | ≤ 2.5 kV |
Max. backup fuse (L) up to IK = 50 kArms (ta ≤ 0.2 s) | 500 A gG |
Max. backup fuse (L) up to IK = 50 kArms (ta ≤ 5 s) | 250 A gG |
Approvals | UL, CSA |
Obj. č. 961145 DBM 1 440 FM
GTIN 4013364116276, Číslo celního sazebníku (EU): 85363090, Váha brutto: 601.60 g, Balící jednotka: 1.00 pc(s)
Staré provedeníTechnické informace
SPD according to EN 61643-11 / IEC 61643-11 | type 1 / class I |
Max. continuous operating voltage (a.c.) (UC ) | 440 V |
Lightning impulse current (10/350 µs) (Iimp ) | 35 kA |
Voltage protection level (UP ) | ≤ 2.5 kV |
Max. backup fuse (L) up to IK = 50 kArms (ta ≤ 0.2 s) | 500 A gG |
Max. backup fuse (L) up to IK = 50 kArms (ta ≤ 5 s) | 250 A gG |
Approvals | UL, CSA |
Type of remote signalling contact | changeover contact |
Obj. č. 961175 DBM 1 760 FM
GTIN 4013364116283, Číslo celního sazebníku (EU): 85363090, Váha brutto: 589.80 g, Balící jednotka: 1.00 pc(s)
Technické informace
SPD according to EN 61643-11 / IEC 61643-11 | type 1 / class I |
Max. continuous operating voltage (a.c.) (UC ) | 760 V |
Lightning impulse current (10/350 µs) (Iimp ) | 25 kA |
Voltage protection level (UP ) | ≤ 4 kV |
Max. backup fuse (L) up to IK = 25 kArms (ta ≤ 5 s) | 250 A gG |
Approvals | UL, CSA |
Type of remote signalling contact | changeover contact |
Obj. č. 961148 DBM 1 440 SN1885 FM
GTIN 4013364475953, Číslo celního sazebníku (EU): 85363090, Váha brutto: 601.00 g, Balící jednotka: 1.00 pc(s)
Technické informace
SPD according to EN 61643-11 / IEC 61643-11 | type 1 / class I |
Max. continuous operating voltage (a.c.) (UC ) | 440 V |
Lightning impulse current (10/350 µs) (Iimp ) | 35 kA |
Voltage protection level (UP ) | ≤ 2.5 kV |
Max. backup fuse (L) up to IK = 50 kArms (ta ≤ 0.2 s) | 500 A gG |
Max. backup fuse (L) up to IK = 50 kArms (ta ≤ 5 s) | 250 A gG |
Type of remote signalling contact | changeover contact |