DEHNbloc Maxi 1 CI 440/760 FM
:quality(98)/www.dehn.cz/store/f/56680054/HDVORSCHAU/961146a1_16-9.jpg) 
                        
                        :quality(98)/www.dehn.cz/store/f/56680054/HDVORSCHAU/961146a1_16-9.jpg) 
                            
                        - Svodič bleskových proudů v kompaktním provedení na bázi jiskřiště s integrovaným předjištěním odolným proti bleskovému proudu
- Schopnost svádět velmi vysoké bleskové proudy až 35 kA (10/350 µs)
- Nízká ochranná úroveň (včetně předjištění)
- Vysoká provozní spolehlivost chráněných zařízení je zajištěna omezením následného proudu technologií RADAX-Flow
- Energeticky koordinovaný v rámci skupiny produktů Red/Line
- Funkční stav nebo porucha je signalizována zeleným/červeným terčíkem v signalizačním poli
Details
:quality(98)/www.dehn.cz/store/f/56680055/HDVORSCHAU/961146a3.jpg) 
                                :quality(98)/www.dehn.cz/store/f/56680055/HDVORSCHAU/961146a3.jpg) 
                                    
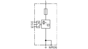
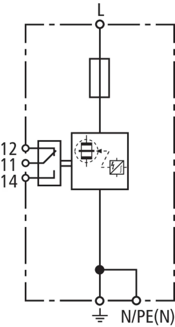
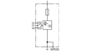
                                Obj. č. 961146 DBM 1 CI 440 FM
GTIN 4013364250062, Číslo celního sazebníku (EU): 85363090, Váha brutto: 1175.20 g, Balící jednotka: 1.00 ks
Technické informace
| SPD podle ČSN EN 61643-11 / ... IEC 61643-11 | typ 1/Třída I | 
| Nejvyšší provozní napětí AC (UC ) | 440 V (50/60 Hz) | 
| Bleskový proud (10/350 µs) (Iimp ) | 35 kA | 
| Ochranná úroveň (UP ) | ≤ 2,5 kV | 
| Max. nadproudová ochrana ze strany sítě | není potřebná | 
| Kontakt dálkové signalizace/typ kontaktu | přepínač | 
Obj. č. 961176 DBM 1 CI 760 FM
GTIN 4013364250123, Číslo celního sazebníku (EU): 85363090, Váha brutto: 1170.00 g, Balící jednotka: 1.00 ks
Technické informace
| SPD podle ČSN EN 61643-11 / ... IEC 61643-11 | typ 1/Třída I | 
| Nejvyšší provozní napětí AC (UC ) | 760 V (50/60 Hz) | 
| Bleskový proud (10/350 µs) (Iimp ) | 35 kA | 
| Ochranná úroveň (UP ) | ≤ 4 kV | 
| Max. nadproudová ochrana ze strany sítě | není potřebná | 
| Kontakt dálkové signalizace/typ kontaktu | přepínač | 
:quality(98)/www.dehn.cz/store/f/56680070/HDVORSCHAU/961146.jpg) 
                                
                                :quality(98)/www.dehn.cz/store/f/56680070/HDVORSCHAU/961146.jpg) 
                                    
                                        
                                    
                                    
                                :quality(98)/www.dehn.cz/store/f/56680071/HDVORSCHAU/961146p.jpg) 
                                
                                :quality(98)/www.dehn.cz/store/f/56680071/HDVORSCHAU/961146p.jpg) 
                                    
                                        :quality(98)/www.dehn.cz/store/f/56680072/HDVORSCHAU/961146m_D.jpg) 
                                
                                :quality(98)/www.dehn.cz/store/f/56680072/HDVORSCHAU/961146m_D.jpg) 
                                    
                                         
                 
                 
   				 
   				:quality(98)/www.dehn.cz/store/f/56680091/HDVORSCHAU/961176.jpg) 
                                
                                :quality(98)/www.dehn.cz/store/f/56680091/HDVORSCHAU/961176.jpg) 
                                    
                                        
                                    
                                    
                                :quality(98)/www.dehn.cz/store/f/56680092/HDVORSCHAU/961146p.jpg) 
                                
                                :quality(98)/www.dehn.cz/store/f/56680092/HDVORSCHAU/961146p.jpg) 
                                    
                                        :quality(98)/www.dehn.cz/store/f/56680093/HDVORSCHAU/961146m_D.jpg) 
                                
                                :quality(98)/www.dehn.cz/store/f/56680093/HDVORSCHAU/961146m_D.jpg)