Teleskopické jímací tyče

Pro upevnění např. na stěny nebo různé konstrukce.

Jímací tyče jsou dimenzovány podle Eurocode 1 (ČSN EN 1991-1-4 + DIN EN 1991-1-4/NA).

Upevnění např. na stěnu je možno provést pomocí obj. č. 105 342 a na trubky pomocí obj. č. 105 354.

Maximální volná délka jé délka mezi špičkou jímací tyče a horním držákem (bod upevnění).
Z důvodu stability by měl být střední držák (3 body upevnění) namontován co možná nejblíže pod horním držákem. Vzdálenost nesmí být větší než 15 cm. Spodní držák (bod upevnění) musí být instalován v rozsahu ≤ 15 cm od spodního konce jímací tyče.

Výška 1,5–5,2 m

1 Produkt

Obj. č. 105185 FS T D40 1500 5200 AL

GTIN 4013364481411, Číslo celního sazebníku (EU): 85389099, Váha brutto: 4.40 kg, Balící jednotka: 1.00 ks


Vyobrazení

Další informace

Teleskopická jímací tyč z hliníku
průměr od 10 mm do 40 mm
vysunutí od 1,5 m do 5,2 m
složená ze 4 segmentů
maximální volná délka jímací tyče 3,7 m až 4,2 m
při upevňování např. na stěny nebo
různé konstrukce. Jímací tyče jsou dimenzovány podle
Eurocode 1 (ČSN EN 1991-1-4 + DIN EN 1991-1-4/NA)
na max. rychlost nárazového větru
149 km/h až 190 km/h
v závislosti na vysunutí jímací tyče
Pro montáž např. na stěnu s
obj. č. 105 342 a na trubky s obj. č. 105 354
Celková délka: 5200 mm
Max. volná délka s jímací tyčí: 4200 mm
Rozteč upnutí: 500 mm a 1000 mm
Max. rychlost nárazového větru (jímací hrot Ø 10 mm délka 0 mm): 190 km/h
Max. rychlost nárazového větru (jímací hrot Ø 10 mm délka 500 mm): 173 km/h
Max. rychlost nárazového větru (jímací hrot Ø 10 mm délka 1000 mm): 149 km/h
Počet úchytů: 2
Materiál jímací tyče: Al

Výrobek: DEHN
Typ: FS T D40 1500 5200 AL
Obj. č.: 105185
nebo rovnocenný.

 

Technické informace

Celková délka 5200 mm
Jímací tyč (Ø - délka) 10-1000 mm
Stožár (Ø - délka) 40/30/20-4200 mm
Přepravní délka 1650 mm
Počet segmentů 4
Ø patky stožáru 40 mm
Max. volná délka s jímací tyčí 4200 mm
Rozteč upnutí 500 mm a 1000 mm
Max. rychlost nárazového větru (jímací hrot Ø 10 mm délka 0 mm) 190 km/h
Max. rychlost nárazového větru (jímací hrot Ø 10 mm délka 500 mm) 173 km/h
Max. rychlost nárazového větru (jímací hrot Ø 10 mm délka 1000 mm) 149 km/h
Počet úchytů 2
Materiál jímací tyče Al
Norma ČSN EN 62561-(1+2)

Produkt 105185 byl přidán na seznam.

K seznamu

Produkt 105185 byl přidán do nákupního košíku.


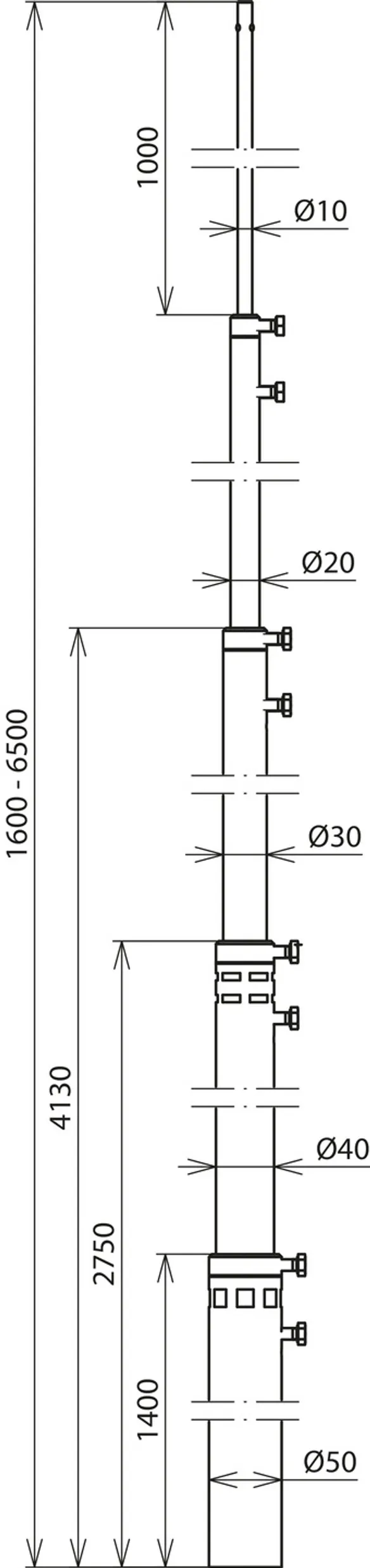
Výška 1,6–6,5 m

1 Produkt

Obj. č. 105186 FS T D50 1600 6500 AL

GTIN 4013364481435, Číslo celního sazebníku (EU): 85389099, Váha brutto: 6.39 kg, Balící jednotka: 1.00 ks


Vyobrazení

Další informace

Teleskopická jímací tyč z hliníku
průměr od 10 mm do 50 mm
vysunutí od 1,6 m do 6,5 m
složená z 5 segmentů
maximální volná délka jímací tyče 4,2 m až 5,2 m
při upevňování např. na stěny nebo
různé konstrukce. Jímací tyče jsou dimenzovány podle
Eurocode 1 (ČSN EN 1991-1-4 + DIN EN 1991-1-4/NA)
na max. rychlost nárazového větru
149 km/h až 189 km/h
v závislosti na vysunutí jímací tyče.
Pro montáž např. na stěnu
s obj. č. 105 342 a na trubky s obj. č. 105 354
Celková délka: 6500 mm
Max. volná délka s jímací tyčí: 5200 mm
Rozteč upnutí: 1000 mm a 1300 mm
Max. rychlost nárazového větru (jímací hrot Ø 10 mm délka 0 mm): 189 km/h
Max. rychlost nárazového větru (jímací hrot Ø 10 mm délka 500 mm): 172 km/h
Max. rychlost nárazového větru (jímací hrot Ø 10 mm délka 1000 mm): 149 km/h
Počet úchytů: 2 - 3
Materiál jímací tyče: Al

Výrobek: DEHN
Typ: FS T D50 1600 6500 AL
Obj. č.: 105186
nebo rovnocenný.

 

Technické informace

Celková délka 6500 mm
Jímací tyč (Ø - délka) 10-1000 mm
Stožár (Ø - délka) 50/40/30/20-5500 mm
Přepravní délka 1650 mm
Počet segmentů 5
Ø patky stožáru 50 mm
Max. volná délka s jímací tyčí 5200 mm
Rozteč upnutí 1000 mm a 1300 mm
Max. rychlost nárazového větru (jímací hrot Ø 10 mm délka 0 mm) 189 km/h
Max. rychlost nárazového větru (jímací hrot Ø 10 mm délka 500 mm) 172 km/h
Max. rychlost nárazového větru (jímací hrot Ø 10 mm délka 1000 mm) 149 km/h
Počet úchytů 2 - 3
Materiál jímací tyče Al
Norma ČSN EN 62561-(1+2)

Produkt 105186 byl přidán na seznam.

K seznamu

Produkt 105186 byl přidán do nákupního košíku.


Výška 1,8–8 m

1 Produkt

Obj. č. 105188 FS T D60 1800 8000 AL

GTIN 4013364481442, Číslo celního sazebníku (EU): 85389099, Váha brutto: 9.35 kg, Balící jednotka: 1.00 ks


Vyobrazení

Další informace

Teleskopická jímací tyč z hliníku
průměr od 10 mm do 60 mm
vysunutí od 1,8 m do 8,0 m
složená ze 6 segmentů
s redukcí na D 50 mm
maximální volná délka jímací tyče 5,3 m až 6,3 m
při upevňování např. na stěny nebo
různé konstrukce. Jímací tyče jsou dimenzovány podle
Eurocode 1 (ČSN EN 1991-1-4 + DIN EN 1991-1-4/NA)
na max. rychlost nárazového větru
153 km/h až 176 km/h
v závislosti na vysunutí jímací tyče.
Pro montáž např. na stěnu s
obj. č. 105 342 a na trubky s obj. č. 105 354
Celková délka: 8000 mm
Max. volná délka s jímací tyčí: 6300 mm
Rozteč upnutí: 1700 mm
Max. rychlost nárazového větru (jímací hrot Ø 10 mm délka 0 mm): 176 km/h
Max. rychlost nárazového větru (jímací hrot Ø 10 mm délka 500 mm): 166 km/h
Max. rychlost nárazového větru (jímací hrot Ø 10 mm délka 1000 mm): 153 km/h
Počet úchytů: 3
Materiál jímací tyče: Al

Výrobek: DEHN
Typ: FS T D60 1800 8000 AL
Obj. č.: 105188
nebo rovnocenný.

 

Technické informace

Celková délka 8000 mm
Jímací tyč (Ø - délka) 10-1000 mm
Stožár (Ø - délka) 50/60/50/40/30/20-7000 mm
Přepravní délka 1850 mm
Počet segmentů 6
Ø patky stožáru 60 mm
Max. volná délka s jímací tyčí 6300 mm
Rozteč upnutí 1700 mm
Max. rychlost nárazového větru (jímací hrot Ø 10 mm délka 0 mm) 176 km/h
Max. rychlost nárazového větru (jímací hrot Ø 10 mm délka 500 mm) 166 km/h
Max. rychlost nárazového větru (jímací hrot Ø 10 mm délka 1000 mm) 153 km/h
Počet úchytů 3
Materiál jímací tyče Al
Norma ČSN EN 62561-(1+2)

Produkt 105188 byl přidán na seznam.

K seznamu

Produkt 105188 byl přidán do nákupního košíku.


back to top