DEHNguard ME/SE DC ... (FM)

  • Kombinovaný svodič/svodič přepětí s univerzálním využitím, složený ze základního dílu a zásuvného ochranného modulu
  • Speciálně konstruovaný pro zapojení v obvodech stejnosměrných proudů
  • Výkonný stejnosměrný vypínací obvod DCD pro zabránění vzniku požáru vlivem vytažení oblouku v DC obvodech
  • Instalace bez nutnosti předjištění ve stanoveném rozsahu použití
  • Optická signalizace provoz/porucha prostřednictvím zelené/červené barvy terčíku v signalizačním poli
  • Snadná výměna ochranného modulu pomocí aretovacích tlačítek na ochranném modulu bez použití nářadí

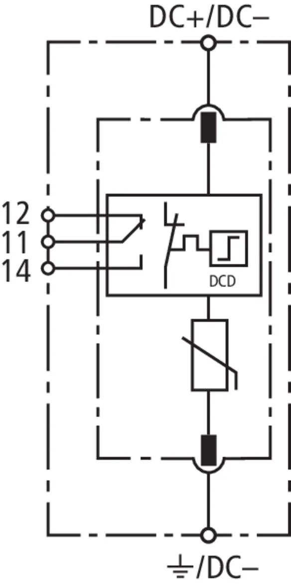
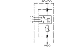
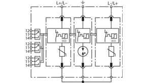
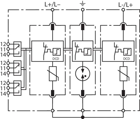
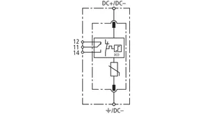
DEHNguard M DC ACI 1250 FM

Modulární svodič pro obvody stejnosměrných proudů; s bezpotenciálovým kontaktem dálkové signalizace.

1 Produkt

Obj. č. 972150 DG M DC ACI 1250 FM

GTIN 4013364530850, Číslo celního sazebníku (EU): 85354000, Váha brutto: 757.40 g, Balící jednotka: 1.00 ks


Vyobrazení

Další informace

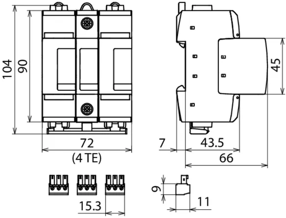
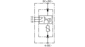
Svodič přepětí typ 2, DG M DC ACI 1250 FM
modulární zásuvný svodič přepětí
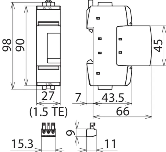
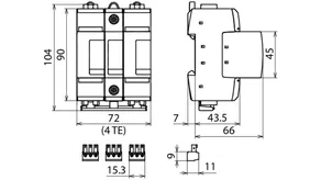
pro obvody stejnosměrného proudu, šířka 6 TE
mechanický ukazatel provoz/porucha
Svodič typu 2 analogicky k EN / IEC 61643-41
skládající se z kombinace vypínač/jiskřiště
Určený speciálně pro použití ve stejnosměrných nabíjecích zařízeních do 1250 V
Max. přípustné trvalé napětí (+ --> -): 1250 V DC
Jmenovitý svodový impulzní proud (8/20 µs): 10 kA
bezpotenciálový přepínací kontakt dálkové signalizace
Zkoušeno vibrací a otřesem podle EN 60068
Splňuje IEC 61851-23

Výrobek: DEHN
Typ: DG M DC ACI 1250 FM
Obj. č.: 972150
nebo rovnocenný.

Certifikáty

 

Technologie ACI

Jedná se o evoluci CI technologie, která stojí na kombinaci jiskřiště a odpínače zapojené v sérii s výkonným varistorem. To umožňuje jednoduché řešení a bezpečný provoz svodiče přepětí. Dalšími výhodami jsou jistota při dimenzování, odolnost TOV, připojovací průměr vodičů Cu pouhých 6 mm2 a absence unikajícího proudu. Svodiče přepětí s technologií ACI tak zaručují maximální bezpečí a provozuschopnost zařízení.

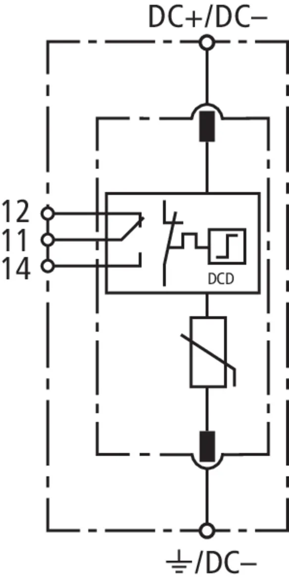
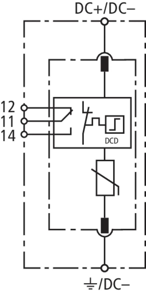
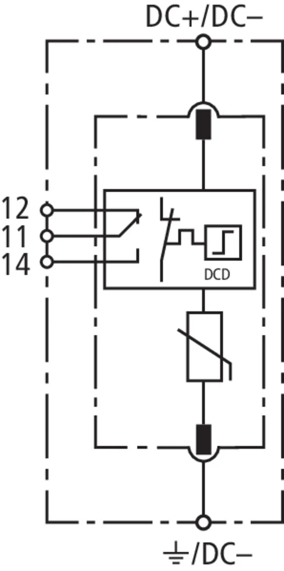
Direct Current-Disconnection

Při použití svodičů přepětí ve stejnosměrných instalacích je nutné zajistit, aby odpojovací mechanismus spolehlivě odpojil i při chybějícím průchodu nulou. Námi vyvinutá technologie rozpojení DC-Disconnection (DCD) působí podobně jako klín uzavíracího ventilu, aby přerušila stejnosměrný proud. Svodiče skupiny DEHNguard SE DC jsou tak schopny bezpečně přerušit stejnosměrný proud, čímž eliminují riziko vzniku požáru způsobeného stejnosměrným elektrickým obloukem.

Technické informace

Klasifikace SPD analogicky k EN 61643-41 / ... IEC 61643-41 typ 2 / třída II
Maximální přípustné trvalé napětí DC [DC+ --> DC-] (UC ) 1250 V
Maximální přípustné trvalé napětí DC [(DC+/DC-) --> PE] (UC ) 625 V
Jmenovitý impulzní proud (8/20 µs) (In ) 10 kA
Max. jmenovitý svodový impulzní proud (8/20 µs) (Imax ) 20 kA
Ochranná úroveň [DC+ --> DC-] (UP ) < 5 kV
Ochranná úroveň [(DC+/DC-) --> PE] (UP ) < 2,5 kV
Max. zkratová pevnost (ISCCR ) 5 kA
Kontakt dálkové signalizace/typ kontaktu přepínač

Produkt 972150 byl přidán na seznam.

K seznamu

Produkt 972150 byl přidán do nákupního košíku.


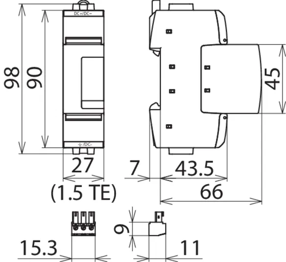
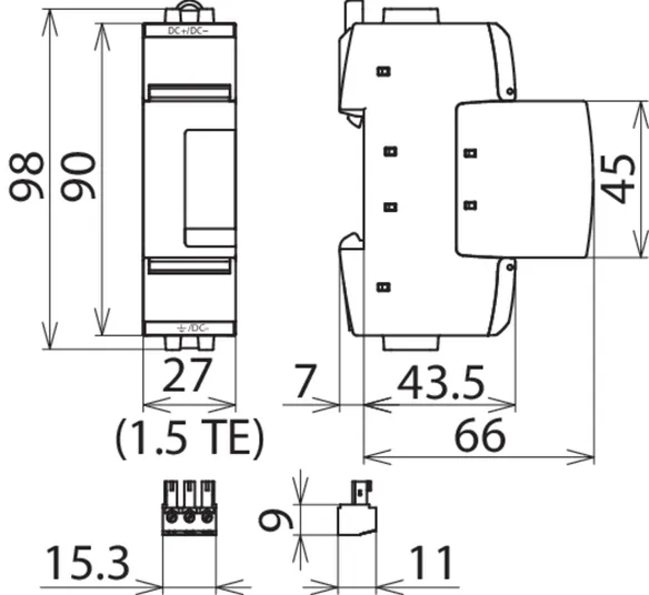
DEHNguard ME DC ... FM

Modulární kombinovaný svodič pro obvody stejnosměrných proudů; s bezpotenciálovým kontaktem dálkové signalizace.

1 Produkt

Obj. č. 972147 DG ME DC Y 1000 FM

GTIN 4013364519817, Číslo celního sazebníku (EU): 85363030, Váha brutto: 530.49 g, Balící jednotka: 1.00 ks


Vyobrazení

Další informace

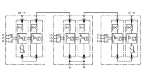
Kombinovaný svodič typ 1+2 DEHNguard ME DC Y 1000 FM
Třípólový, modulární, zásuvný kombinovaný svodič
pro stejnosměrné obvody, šířka 4 TE
mechanický ukazatel provoz/porucha
Svodič typ 1+2 analogicky k EN 61643-11, zapojení Y
sestavené z obvodu varistor – bleskojistka bez unikajících proudů
Stejnosměrné spínací zařízení DCD speciálně navržené pro použití ve stejnosměrných obvodech do 1000 V.

Max. přípustné trvalé napětí: 1000 V DC
Bleskový impulzní proud 5 kA (10/350µs)
Jmenovitý svodový impulzní proud: 12,5 kA (8/20µs)
bezpotenciálový přepínací kontakt dálkové signalizace
Zkoušeno vibrací a otřesem podle EN 60068

Výrobek: DEHN
Typ: DG ME DC Y 1000 FM
Obj. č.: 972147
nebo rovnocenný.

Certifikáty

 

Direct Current-Disconnection

Při použití svodičů přepětí ve stejnosměrných instalacích je nutné zajistit, aby odpojovací mechanismus spolehlivě odpojil i při chybějícím průchodu nulou. Námi vyvinutá technologie rozpojení DC-Disconnection (DCD) působí podobně jako klín uzavíracího ventilu, aby přerušila stejnosměrný proud. Svodiče skupiny DEHNguard SE DC jsou tak schopny bezpečně přerušit stejnosměrný proud, čímž eliminují riziko vzniku požáru způsobeného stejnosměrným elektrickým obloukem.

Technické informace

Bleskový proud (10/350 µs) (Iimp ) 5 kA
Jmenovitý impulzní proud (8/20 µs) (In ) 12,5 kA
Max. jmenovitý svodový impulzní proud (8/20 µs) (Imax ) 20 kA
Ochranná úroveň [DC+ --> DC-] (UP ) < 3,75 kV
Ochranná úroveň [(DC+/DC-) --> PE] (UP ) < 2,5 kV
Max. zkratová pevnost (ISCCR ) 5 kA
Kontakt dálkové signalizace/typ kontaktu přepínač

Produkt 972147 byl přidán na seznam.

K seznamu

Produkt 972147 byl přidán do nákupního košíku.


DEHNguard SE DC ...

Jednopólový, modulární svodič přepětí pro obvody stejnosměrného proudu.

4 Produkty

Obj. č. 972110 DG SE DC 60

GTIN 4013364158504, Číslo celního sazebníku (EU): 85363030, Váha brutto: 160.00 g, Balící jednotka: 1.00 ks


Vyobrazení

Další informace

Svodič přepětí N-PE DEHNguard SE DC 60
1-pólový, modulární, zásuvný svodič přepětí
pro obvody stejnosměrného proudu, šířka 1,5 TE
ukazatel poruchy
svodič typ 2 podle ČSN EN 61643-11
vysoce výkonná varistorová technologie
určen speciálně pro využití v DC obvodech
obsahuje stejnosměrný vypínací obvod DCD
nejvyšší provozní napětí: 60 V dc
ochranná úroveň: <= 0,5 kV
jmenovitý impulzní proud: 12,5 kA
zkratová pevnost při max. nadproudové
ochraně ze strany sítě DC: 2000 A
energetická koordinace podle ČSN EN 62305-4
svodič řady Red/Line

Výrobek: DEHN
Typ: DG SE DC 60
Obj. č.: 972110
nebo rovnocenný.

Certifikáty

 

Direct Current-Disconnection

Při použití svodičů přepětí ve stejnosměrných instalacích je nutné zajistit, aby odpojovací mechanismus spolehlivě odpojil i při chybějícím průchodu nulou. Námi vyvinutá technologie rozpojení DC-Disconnection (DCD) působí podobně jako klín uzavíracího ventilu, aby přerušila stejnosměrný proud. Svodiče skupiny DEHNguard SE DC jsou tak schopny bezpečně přerušit stejnosměrný proud, čímž eliminují riziko vzniku požáru způsobeného stejnosměrným elektrickým obloukem.

Technické informace

SPD podle ČSN EN 61643-11 / ... IEC 61643-11 typ 2/Třída II
Nejvyšší provozní napětí DC (UC ) 60 V
Jmenovitý impulzní proud (8/20 µs) (In ) 12,5 kA
Ochranná úroveň (UP ) ≤ 0,5 kV
Zkratová pevnost bez předjištění DC (ISCCR ) 300 A
Zkratová pevnost při max. nadproudové ochraně DC ze strany sítě (ISCCR ) 25 kA
Max. nadproudová ochrana ze strany sítě 35 A gG

Produkt 972110 byl přidán na seznam.

K seznamu

Produkt 972110 byl přidán do nákupního košíku.

Obj. č. 972120 DG SE DC 242

GTIN 4013364158528, Číslo celního sazebníku (EU): 85363030, Váha brutto: 170.00 g, Balící jednotka: 1.00 ks


Vyobrazení

Další informace

Svodič přepětí N-PE DEHNguard SE DC 242
1-pólový, modulární, zásuvný svodič přepětí
pro obvody stejnosměrného proudu, šířka 1,5 TE
ukazatel poruchy
svodič typ 2 podle ČSN EN 61643-11
vysoce výkonná varistorová technologie
určen speciálně pro využití v DC obvodech
obsahuje stejnosměrný vypínací obvod DCD
nejvyšší provozní napětí: 242 V dc
ochranná úroveň: <= 1,25 kV
jmenovitý impulzní proud: 12,5 kA
zkratová pevnost při max. nadproudové
ochraně ze strany sítě DC: 2000 A
energetická koordinace podle ČSN EN 62305-4
svodič řady Red/Line

Výrobek: DEHN
Typ: DG SE DC 242
Obj. č.: 972120
nebo rovnocenný.

Certifikáty

 

Direct Current-Disconnection

Při použití svodičů přepětí ve stejnosměrných instalacích je nutné zajistit, aby odpojovací mechanismus spolehlivě odpojil i při chybějícím průchodu nulou. Námi vyvinutá technologie rozpojení DC-Disconnection (DCD) působí podobně jako klín uzavíracího ventilu, aby přerušila stejnosměrný proud. Svodiče skupiny DEHNguard SE DC jsou tak schopny bezpečně přerušit stejnosměrný proud, čímž eliminují riziko vzniku požáru způsobeného stejnosměrným elektrickým obloukem.

Technické informace

SPD podle ČSN EN 61643-11 / ... IEC 61643-11 typ 2/Třída II
Nejvyšší provozní napětí DC (UC ) 242 V
Jmenovitý impulzní proud (8/20 µs) (In ) 12,5 kA
Ochranná úroveň (UP ) ≤ 1,25 kV
Zkratová pevnost bez předjištění DC (ISCCR ) 300 A
Zkratová pevnost při max. nadproudové ochraně DC ze strany sítě (ISCCR ) 25 kA
Max. nadproudová ochrana ze strany sítě 35 A gG

Produkt 972120 byl přidán na seznam.

K seznamu

Produkt 972120 byl přidán do nákupního košíku.

Obj. č. 972130 DG SE DC 550

GTIN 4013364158627, Číslo celního sazebníku (EU): 85363030, Váha brutto: 184.00 g, Balící jednotka: 1.00 ks


Vyobrazení

Další informace

Svodič přepětí N-PE DEHNguard SE DC 550
1-pólový, modulární, zásuvný svodič přepětí
pro obvody stejnosměrného proudu, šířka 1,5 TE
ukazatel poruchy
svodič typ 2 podle ČSN EN 61643-11
vysoce výkonná varistorová technologie
určen speciálně pro využití v DC obvodech
obsahuje stejnosměrný vypínací obvod DCD
nejvyšší provozní napětí: 550 V dc
ochranná úroveň: <= 2,0 kV
jmenovitý impulzní proud: 12,5 kA
zkratová pevnost při max. nadproudové
ochraně ze strany sítě DC: 2000 A
energetická koordinace podle ČSN EN 62305-4
svodič řady Red/Line

Výrobek: DEHN
Typ: DG SE DC 550
Obj. č.: 972130
nebo rovnocenný.

Certifikáty

 

Direct Current-Disconnection

Při použití svodičů přepětí ve stejnosměrných instalacích je nutné zajistit, aby odpojovací mechanismus spolehlivě odpojil i při chybějícím průchodu nulou. Námi vyvinutá technologie rozpojení DC-Disconnection (DCD) působí podobně jako klín uzavíracího ventilu, aby přerušila stejnosměrný proud. Svodiče skupiny DEHNguard SE DC jsou tak schopny bezpečně přerušit stejnosměrný proud, čímž eliminují riziko vzniku požáru způsobeného stejnosměrným elektrickým obloukem.

Technické informace

SPD podle ČSN EN 61643-11 / ... IEC 61643-11 typ 2/Třída II
Nejvyšší provozní napětí DC (UC ) 550 V
Jmenovitý impulzní proud (8/20 µs) (In ) 12,5 kA
Ochranná úroveň (UP ) ≤ 2,0 kV
Zkratová pevnost bez předjištění DC (ISCCR ) 200 A
Zkratová pevnost při max. nadproudové ochraně DC ze strany sítě (ISCCR ) 25 kA
Max. nadproudová ochrana ze strany sítě 35 A gG

Produkt 972130 byl přidán na seznam.

K seznamu

Produkt 972130 byl přidán do nákupního košíku.

Obj. č. 972140 DG SE DC 900

GTIN 4013364158641, Číslo celního sazebníku (EU): 85363030, Váha brutto: 190.00 g, Balící jednotka: 1.00 ks


Vyobrazení

Další informace

Svodič přepětí N-PE DEHNguard SE DC 900
1-pólový, modulární, zásuvný svodič přepětí
pro obvody stejnosměrného proudu, šířka 1,5 TE
ukazatel poruchy
svodič typ 2 podle ČSN EN 61643-11
vysoce výkonná varistorová technologie
určen speciálně pro využití v DC obvodech
obsahuje stejnosměrný vypínací obvod DCD
nejvyšší provozní napětí: 900 V dc
ochranná úroveň: <= 3,0 kV
jmenovitý impulzní proud: 12,5 kA
zkratová pevnost při max. nadproudové
ochraně ze strany sítě DC: 2000 A
energetická koordinace podle ČSN EN 62305-4
svodič řady Red/Line

Výrobek: DEHN
Typ: DG SE DC 900
Obj. č.: 972140
nebo rovnocenný.

Certifikáty

 

Direct Current-Disconnection

Při použití svodičů přepětí ve stejnosměrných instalacích je nutné zajistit, aby odpojovací mechanismus spolehlivě odpojil i při chybějícím průchodu nulou. Námi vyvinutá technologie rozpojení DC-Disconnection (DCD) působí podobně jako klín uzavíracího ventilu, aby přerušila stejnosměrný proud. Svodiče skupiny DEHNguard SE DC jsou tak schopny bezpečně přerušit stejnosměrný proud, čímž eliminují riziko vzniku požáru způsobeného stejnosměrným elektrickým obloukem.

Technické informace

SPD podle ČSN EN 61643-11 / ... IEC 61643-11 typ 2/Třída II
Nejvyšší provozní napětí DC (UC ) 900 V
Jmenovitý impulzní proud (8/20 µs) (In ) 12,5 kA
Ochranná úroveň (UP ) ≤ 3,0 kV
Zkratová pevnost bez předjištění DC (ISCCR ) 100 A
Zkratová pevnost při max. nadproudové ochraně DC ze strany sítě (ISCCR ) 25 kA
Max. nadproudová ochrana ze strany sítě 80 A gPV

Produkt 972140 byl přidán na seznam.

K seznamu

Produkt 972140 byl přidán do nákupního košíku.


DEHNguard SE DC ... FM

Jednopólový, modulární svodič přepětí pro obvody stejnosměrného proudu; s bezpotenciálovým kontaktem dálkové signalizace.

4 Produkty

Obj. č. 972115 DG SE DC 60 FM

GTIN 4013364158511, Číslo celního sazebníku (EU): 85363030, Váha brutto: 164.00 g, Balící jednotka: 1.00 ks


Vyobrazení

Další informace

Svodič přepětí N-PE DEHNguard SE DC 60 FM
1-pólový, modulární, zásuvný svodič přepětí
pro obvody stejnosměrného proudu, šířka 1,5 TE
ukazatel poruchy
svodič typ 2 podle ČSN EN 61643-11
s kontaktem dálkové signalizace
vysoce výkonná varistorová technologie
určen speciálně pro využití v DC obvodech
obsahuje stejnosměrný vypínací obvod DCD
nejvyšší provozní napětí: 60 V dc
ochranná úroveň: <= 0,5 kV
jmenovitý impulzní proud: 12,5 kA
zkratová pevnost při max. nadproudové
ochraně ze strany sítě DC: 2000 A
energetická koordinace podle ČSN EN 62305-4
svodič řady Red/Line

Výrobek: DEHN
Typ: DG SE DC 60 FM
Obj. č.: 972115
nebo rovnocenný.

Certifikáty

 

Direct Current-Disconnection

Při použití svodičů přepětí ve stejnosměrných instalacích je nutné zajistit, aby odpojovací mechanismus spolehlivě odpojil i při chybějícím průchodu nulou. Námi vyvinutá technologie rozpojení DC-Disconnection (DCD) působí podobně jako klín uzavíracího ventilu, aby přerušila stejnosměrný proud. Svodiče skupiny DEHNguard SE DC jsou tak schopny bezpečně přerušit stejnosměrný proud, čímž eliminují riziko vzniku požáru způsobeného stejnosměrným elektrickým obloukem.

Technické informace

SPD podle ČSN EN 61643-11 / ... IEC 61643-11 typ 2/Třída II
Nejvyšší provozní napětí DC (UC ) 60 V
Jmenovitý impulzní proud (8/20 µs) (In ) 12,5 kA
Ochranná úroveň (UP ) ≤ 0,5 kV
Zkratová pevnost bez předjištění DC (ISCCR ) 300 A
Zkratová pevnost při max. nadproudové ochraně DC ze strany sítě (ISCCR ) 25 kA
Max. nadproudová ochrana ze strany sítě 35 A gG
Kontakt dálkové signalizace/typ kontaktu přepínač

Produkt 972115 byl přidán na seznam.

K seznamu

Produkt 972115 byl přidán do nákupního košíku.

Obj. č. 972125 DG SE DC 242 FM

GTIN 4013364158610, Číslo celního sazebníku (EU): 85363030, Váha brutto: 174.00 g, Balící jednotka: 1.00 ks


Vyobrazení

Další informace

Svodič přepětí N-PE DEHNguard SE DC 242 FM
1-pólový, modulární, zásuvný svodič přepětí
pro obvody stejnosměrného proudu, šířka 1,5 TE
ukazatel poruchy
svodič typ 2 podle ČSN EN 61643-11
s kontaktem dálkové signalizace
vysoce výkonná varistorová technologie
určen speciálně pro využití v DC obvodech
obsahuje stejnosměrný vypínací obvod DCD
nejvyšší provozní napětí: 242 V dc
ochranná úroveň: <= 1,25 kV
jmenovitý impulzní proud: 12,5 kA
zkratová pevnost při max. nadproudové
ochraně ze strany sítě DC: 2000 A
energetická koordinace podle ČSN EN 62305-4
svodič řady Red/Line

Výrobek: DEHN
Typ: DG SE DC 242 FM
Obj. č.: 972125
nebo rovnocenný.

Certifikáty

 

Direct Current-Disconnection

Při použití svodičů přepětí ve stejnosměrných instalacích je nutné zajistit, aby odpojovací mechanismus spolehlivě odpojil i při chybějícím průchodu nulou. Námi vyvinutá technologie rozpojení DC-Disconnection (DCD) působí podobně jako klín uzavíracího ventilu, aby přerušila stejnosměrný proud. Svodiče skupiny DEHNguard SE DC jsou tak schopny bezpečně přerušit stejnosměrný proud, čímž eliminují riziko vzniku požáru způsobeného stejnosměrným elektrickým obloukem.

Technické informace

SPD podle ČSN EN 61643-11 / ... IEC 61643-11 typ 2/Třída II
Nejvyšší provozní napětí DC (UC ) 242 V
Jmenovitý impulzní proud (8/20 µs) (In ) 12,5 kA
Ochranná úroveň (UP ) ≤ 1,25 kV
Zkratová pevnost bez předjištění DC (ISCCR ) 300 A
Zkratová pevnost při max. nadproudové ochraně DC ze strany sítě (ISCCR ) 25 kA
Max. nadproudová ochrana ze strany sítě 35 A gG
Kontakt dálkové signalizace/typ kontaktu přepínač

Produkt 972125 byl přidán na seznam.

K seznamu

Produkt 972125 byl přidán do nákupního košíku.

Obj. č. 972135 DG SE DC 550 FM

GTIN 4013364158634, Číslo celního sazebníku (EU): 85363030, Váha brutto: 189.00 g, Balící jednotka: 1.00 ks


Vyobrazení

Další informace

Svodič přepětí N-PE DEHNguard SE DC 550 FM
1-pólový, modulární, zásuvný svodič přepětí
pro obvody stejnosměrného proudu, šířka 1,5 TE
ukazatel poruchy
svodič typ 2 podle ČSN EN 61643-11
s kontaktem dálkové signalizace
vysoce výkonná varistorová technologie
určen speciálně pro využití v DC obvodech
obsahuje stejnosměrný vypínací obvod DCD
nejvyšší provozní napětí: 550 V dc
ochranná úroveň: <= 2,0 kV
jmenovitý impulzní proud: 12,5 kA
zkratová pevnost při max. nadproudové
ochraně ze strany sítě DC: 2000 A
energetická koordinace podle ČSN EN 62305-4
svodič řady Red/Line

Výrobek: DEHN
Typ: DG SE DC 550 FM
Obj. č.: 972135
nebo rovnocenný.

Certifikáty

 

Direct Current-Disconnection

Při použití svodičů přepětí ve stejnosměrných instalacích je nutné zajistit, aby odpojovací mechanismus spolehlivě odpojil i při chybějícím průchodu nulou. Námi vyvinutá technologie rozpojení DC-Disconnection (DCD) působí podobně jako klín uzavíracího ventilu, aby přerušila stejnosměrný proud. Svodiče skupiny DEHNguard SE DC jsou tak schopny bezpečně přerušit stejnosměrný proud, čímž eliminují riziko vzniku požáru způsobeného stejnosměrným elektrickým obloukem.

Technické informace

SPD podle ČSN EN 61643-11 / ... IEC 61643-11 typ 2/Třída II
Nejvyšší provozní napětí DC (UC ) 550 V
Jmenovitý impulzní proud (8/20 µs) (In ) 12,5 kA
Ochranná úroveň (UP ) ≤ 2,0 kV
Zkratová pevnost bez předjištění DC (ISCCR ) 200 A
Zkratová pevnost při max. nadproudové ochraně DC ze strany sítě (ISCCR ) 25 kA
Max. nadproudová ochrana ze strany sítě 35 A gG
Kontakt dálkové signalizace/typ kontaktu přepínač

Produkt 972135 byl přidán na seznam.

K seznamu

Produkt 972135 byl přidán do nákupního košíku.

Obj. č. 972145 DG SE DC 900 FM

GTIN 4013364158658, Číslo celního sazebníku (EU): 85363030, Váha brutto: 194.00 g, Balící jednotka: 1.00 ks


Vyobrazení

Další informace

Svodič přepětí N-PE DEHNguard SE DC 900 FM
1-pólový, modulární, zásuvný svodič přepětí
pro obvody stejnosměrného proudu, šířka 1,5 TE
ukazatel poruchy
svodič typ 2 podle ČSN EN 61643-11
s kontaktem dálkové signalizace
vysoce výkonná varistorová technologie
určen speciálně pro využití v DC obvodech
obsahuje stejnosměrný vypínací obvod DCD
nejvyšší provozní napětí: 900 V dc
ochranná úroveň: <= 3,0 kV
jmenovitý impulzní proud: 12,5 kA
zkratová pevnost při max. nadproudové
ochraně ze strany sítě DC: 2000 A
energetická koordinace podle ČSN EN 62305-4
svodič řady Red/Line

Výrobek: DEHN
Typ: DG SE DC 900 FM
Obj. č.: 972145
nebo rovnocenný.

Certifikáty

 

Direct Current-Disconnection

Při použití svodičů přepětí ve stejnosměrných instalacích je nutné zajistit, aby odpojovací mechanismus spolehlivě odpojil i při chybějícím průchodu nulou. Námi vyvinutá technologie rozpojení DC-Disconnection (DCD) působí podobně jako klín uzavíracího ventilu, aby přerušila stejnosměrný proud. Svodiče skupiny DEHNguard SE DC jsou tak schopny bezpečně přerušit stejnosměrný proud, čímž eliminují riziko vzniku požáru způsobeného stejnosměrným elektrickým obloukem.

Technické informace

SPD podle ČSN EN 61643-11 / ... IEC 61643-11 typ 2/Třída II
Nejvyšší provozní napětí DC (UC ) 900 V
Jmenovitý impulzní proud (8/20 µs) (In ) 12,5 kA
Ochranná úroveň (UP ) ≤ 3,0 kV
Zkratová pevnost bez předjištění DC (ISCCR ) 100 A
Zkratová pevnost při max. nadproudové ochraně DC ze strany sítě (ISCCR ) 25 kA
Max. nadproudová ochrana ze strany sítě 80 A gPV
Kontakt dálkové signalizace/typ kontaktu přepínač

Produkt 972145 byl přidán na seznam.

K seznamu

Produkt 972145 byl přidán do nákupního košíku.


back to top