Nerezový uzemňovací můstek D BEB 16
Uzemňovací můstky jsou určeny pro uzemnění, vedení zpětného proudu a vyrovnání potenciálů v oblasti použití železničních tratí. Nerezový uzemňovací můstek to zajišťuje propojením definovaným svařovaným spojem k uzemňovacímu vodiči. Tento uzemňovací můstek má rovněž technické schválení od společnosti DB Netz AG a lze jej proto bezpečně používat v projektech.
1 Produkt
Obj. č. 419160 D BEB 16 - 105 / 3 EBS 15-03-19-38
GTIN 4013364510203, Číslo celního sazebníku (EU): 85369010, Váha brutto: 697.72 g, Balící jednotka: 8.00 ks
Technické informace
| Materiál připojovacího dílu | nerez |
| Číslo materiálu | 1.4301 |
| Materiál úhlu | Ocel |
| Zkratový proud | > 25 kA |
| Zkušební proud | 40 kA/100 ms |
| Zkratový proud (AC 50 Hz/DC) (1 s; ≤ 300 °C) | 12,6 kA |
| Závit | M16 |
| Materiál připojovací destičky | 40 mm |
| Rozměry úhlu (d × š × h) | 50 x 50 x 5 mm |
| Celková výška | 105 mm |
| Označení DB č. | 3 Ebs 15.03.19 - 38 |
| Norma | Ril 997.0205A01 |
Uzemňovací můstek z ocelového pásku D BEB 1-NR
Uzemňovací můstky jsou určeny pro uzemnění, vedení zpětného proudu a vyrovnání potenciálů v oblasti použití železničních tratí. Tato varianta je instalována v rovině s povrchem a je přivařena k uzemňovací výztuži pomocí ocelového pásku přes definovaný svar. Tento uzemňovací můstek má rovněž technické schválení od DB Netz AG a lze je proto bezpečně používat v projektech.
1 Produkt
Obj. č. 419012 D BEB 1-NR / EBS 15-03-19
GTIN 4013364439467, Číslo celního sazebníku (EU): 85369010, Váha brutto: 1.46 kg, Balící jednotka: 1.00 ks
Technické informace
| Materiál připojovacího dílu | nerez |
| Číslo materiálu | 1.4301 |
| Materiál ocelového pásku | S235 |
| Zkratový proud | > 25 kA |
| Zkušební proud | 40 kA/100 ms |
| Zkratový proud (AC 50 Hz/DC) (1 s; ≤ 300 °C) | 12,6 kA |
| Závit | M16 |
| Materiál připojovací destičky | 50 mm |
| Rozměry ocelového pásku | 400 x 50 x 5 mm |
| Celková výška | 63 mm |
| Označení DB č. | 3 Ebs 15.03.19 - 36 |
| Norma | Ril 997.0205A01 |
Uzemňovací můstek z betonářské oceli D BEB 2
Uzemňovací můstky jsou určeny pro uzemnění, vedení zpětného proudu a vyrovnání potenciálů v oblasti použití železničních tratí. Tato varianta je instalována v rovině s povrchem a je přivařena k uzemňovací výztuži pomocí ohnutého armovacího prutu a je určena především pro instalace s kritickým nedostatkem místa. Tento uzemňovací můstek má rovněž technické schválení od DB Netz AG a lze je proto bezpečně používat v projektech.
1 Produkt
Obj. č. 419020 D BEB 2 / EBS 15-03-19
GTIN 4013364439405, Číslo celního sazebníku (EU): 85369010, Váha brutto: 950.00 g, Balící jednotka: 1.00 ks
Technické informace
| Materiál destičky | nerez |
| Číslo materiálu | 1.4301 |
| Materiál objímky | ocel/ Cu |
| Materiál osy | betonářská ocel B500B |
| Zkratový proud | > 25 kA |
| Zkušební proud | 40 kA/100 ms |
| Zkratový proud (AC 50 Hz/DC) (1 s; ≤ 300 °C) | 12,6 kA |
| Závit | M16 |
| Materiál připojovací destičky | 50 mm |
| Průměr betonářské oceli | 16 mm |
| Montážní výška | 160 mm |
| Délka | 400 mm |
| Označení DB č. | 3 Ebs 15.03.19 - 31 |
| Norma | Ril 997.0205A01 |
Uzemňovací můstek z betonářské oceli D BEB 3
Uzemňovací můstky jsou určeny pro uzemnění, vedení zpětného proudu a vyrovnání potenciálů v oblasti použití železničních tratí. Tato varianta je instalována v rovině s povrchem a je přivařena k uzemňovací výztuži pomocí armovacího prutu. Tento uzemňovací můstek má rovněž technické schválení od DB Netz AG a lze je proto bezpečně používat v projektech.
1 Produkt
Obj. č. 419030 D BEB 3 / EBS 15-03-19
GTIN 4013364439474, Číslo celního sazebníku (EU): 85369010, Váha brutto: 0.00 g, Balící jednotka: 1.00 ks
Technické informace
| Materiál destičky | nerez |
| Číslo materiálu | 1.4301 |
| Materiál objímky | ocel/ Cu |
| Materiál osy | betonářská ocel B500B |
| Zkratový proud | > 25 kA |
| Zkušební proud | 40 kA/100 ms |
| Zkratový proud (AC 50 Hz/DC) (1 s; ≤ 300 °C) | 12,6 kA |
| Závit | M16 |
| Materiál připojovací destičky | 50 mm |
| Průměr betonářské oceli | 16 mm |
| Délka | 400 mm |
| Označení DB č. | 3 Ebs 15.03.19 - 31 |
| Norma | Ril 997.0205A01 |
Uzemňovací můstek z měděného lana D BEB 4 / 5
Uzemňovací můstky jsou určeny pro uzemnění, vedení zpětného proudu a vyrovnání potenciálů v oblasti použití železničních tratí. Tato varianta je instalována v rovině s povrchem a k uzemňovací výztuži je přivařena poměděným ocelovým páskem nalisovaným na měděném kabelu. Flexibilita kabelu usnadňuje uživateli jeho instalaci do výztuže. Speciální varianty FLEX jsou zvláště vhodné pro montážní situace s kritickým nedostatkem místa – jsou zde použity extra flexibilní, jemně slaněné měděné kabely. Tyto uzemňovací můstky mají rovněž technické schválení od společnosti DB Netz AG a lze je proto bezpečně používat v projektech.
Na dotaz je možno dodat speciální délky: do celkové délky 500 mm v krocích po 50 mm a od celkové délky 500 mm v krocích po 100 mm.
7 Produkty
Obj. č. 419040 D BEB 4 / EBS 15-03-19
GTIN 4013364439481, Číslo celního sazebníku (EU): 85369010, Váha brutto: 640.00 g, Balící jednotka: 1.00 ks
Technické informace
| Materiál destičky | nerez |
| Číslo materiálu | 1.4301 |
| Materiál objímky | ocel/ Cu |
| Materiál spojky | ocel/ Cu |
| Materiál kabelu | Cu |
| Zkratový proud | ≤ 25 kA |
| Zkušební proud | 25 kA/100 ms |
| Zkratový proud (AC 50 Hz/DC) (1 s; ≤ 300 °C) | 7,9 kA |
| Závit | M16 |
| Materiál připojovací destičky | 50 mm |
| Kabel | NYY-O |
| Průřez kabelu | 70 mm² |
| Průměr kabelu | 17 mm |
| Rozměry spojky | 80 x 30 mm |
| Délka | 500 mm |
| Označení DB č. | 3 Ebs 15.03.19 - 32 |
| Norma | Ril 997.0205A01 |
Obj. č. 419050 D BEB 5 / EBS 15-03-19
GTIN 4013364439504, Číslo celního sazebníku (EU): 85369010, Váha brutto: 710.00 g, Balící jednotka: 1.00 ks
Technické informace
| Materiál destičky | nerez |
| Číslo materiálu | 1.4301 |
| Materiál objímky | ocel/ Cu |
| Materiál spojky | ocel/ Cu |
| Materiál kabelu | Cu |
| Zkratový proud | > 25 kA |
| Zkušební proud | 40 kA/100 ms |
| Zkratový proud (AC 50 Hz/DC) (1 s; ≤ 300 °C) | 12,6 kA |
| Závit | M16 |
| Materiál připojovací destičky | 50 mm |
| Kabel | NYY-O |
| Průřez kabelu | 95 mm² |
| Průměr kabelu | 19 mm |
| Rozměry spojky | 80 x 30 mm |
| Délka | 500 mm |
| Označení DB č. | 3 Ebs 15.03.19 - 32 |
| Norma | Ril 997.0205A01 |
Obj. č. 419051 D BEB 5-FLEX / EBS 15-03-19
GTIN 4013364439511, Číslo celního sazebníku (EU): 85369010, Váha brutto: 640.00 g, Balící jednotka: 1.00 ks
Technické informace
| Materiál destičky | nerez |
| Číslo materiálu | 1.4301 |
| Materiál objímky | ocel/ Cu |
| Materiál spojky | ocel/ Cu |
| Materiál kabelu | Cu |
| Zkratový proud | > 25 kA |
| Zkušební proud | 40 kA/100 ms |
| Zkratový proud (AC 50 Hz/DC) (1 s; ≤ 300 °C) | 12,6 kA |
| Závit | M16 |
| Materiál připojovací destičky | 50 mm |
| Kabel | H07V-K |
| Průřez kabelu | 95 mm² |
| Průměr kabelu | 19 mm |
| Rozměry spojky | 80 x 30 mm |
| Délka | 500 mm |
| Označení DB č. | 3 Ebs 15.03.19 - 32 |
| Norma | Ril 997.0205A01 |
Obj. č. 419501 D BEB 5 - L700 / EBS 15-03-19
GTIN 4013364458390, Číslo celního sazebníku (EU): 85369010, Váha brutto: 980.00 g, Balící jednotka: 1.00 ks
Technické informace
| Materiál destičky | nerez |
| Číslo materiálu | 1.4301 |
| Materiál objímky | ocel/ Cu |
| Materiál spojky | ocel/ Cu |
| Materiál kabelu | Cu |
| Zkratový proud | > 25 kA |
| Zkušební proud | 40 kA/100 ms |
| Zkratový proud (AC 50 Hz/DC) (1 s; ≤ 300 °C) | 12,6 kA |
| Závit | M16 |
| Materiál připojovací destičky | 50 mm |
| Kabel | NYY-O |
| Průřez kabelu | 95 mm² |
| Průměr kabelu | 19 mm |
| Rozměry spojky | 80 x 30 mm |
| Délka | 700 mm |
| Označení DB č. | 3 Ebs 15.03.19 - 32 |
| Norma | Ril 997.0205A01 |
Obj. č. 419502 D BEB 5 - L1000 / EBS 15-03-19
GTIN 4013364458406, Číslo celního sazebníku (EU): 85369010, Váha brutto: 1.40 kg, Balící jednotka: 1.00 ks
Technické informace
| Materiál destičky | nerez |
| Číslo materiálu | 1.4301 |
| Materiál objímky | ocel/ Cu |
| Materiál spojky | ocel/ Cu |
| Materiál kabelu | Cu |
| Zkratový proud | > 25 kA |
| Zkušební proud | 40 kA/100 ms |
| Zkratový proud (AC 50 Hz/DC) (1 s; ≤ 300 °C) | 12,6 kA |
| Závit | M16 |
| Materiál připojovací destičky | 50 mm |
| Kabel | NYY-O |
| Průřez kabelu | 95 mm² |
| Průměr kabelu | 19 mm |
| Rozměry spojky | 80 x 30 mm |
| Délka | 1000 mm |
| Označení DB č. | 3 Ebs 15.03.19 - 32 |
| Norma | Ril 997.0205A01 |
Obj. č. 419503 D BEB 5 - L1500 / EBS 15-03-19
GTIN 4013364458413, Číslo celního sazebníku (EU): 85369010, Váha brutto: 2.10 kg, Balící jednotka: 1.00 ks
Technické informace
| Materiál destičky | nerez |
| Číslo materiálu | 1.4301 |
| Materiál objímky | ocel/ Cu |
| Materiál spojky | ocel/ Cu |
| Materiál kabelu | Cu |
| Zkratový proud | > 25 kA |
| Zkušební proud | 40 kA/100 ms |
| Zkratový proud (AC 50 Hz/DC) (1 s; ≤ 300 °C) | 12,6 kA |
| Závit | M16 |
| Materiál připojovací destičky | 50 mm |
| Kabel | NYY-O |
| Průřez kabelu | 95 mm² |
| Průměr kabelu | 19 mm |
| Rozměry spojky | 80 x 30 mm |
| Délka | 1500 mm |
| Označení DB č. | 3 Ebs 15.03.19 - 32 |
| Norma | Ril 997.0205A01 |
Obj. č. 419504 D BEB 5 - L2000 / EBS 15-03-19
GTIN 4013364458420, Číslo celního sazebníku (EU): 85369010, Váha brutto: 2.80 kg, Balící jednotka: 1.00 ks
Technické informace
| Materiál destičky | nerez |
| Číslo materiálu | 1.4301 |
| Materiál objímky | ocel/ Cu |
| Materiál spojky | ocel/ Cu |
| Materiál kabelu | Cu |
| Zkratový proud | > 25 kA |
| Zkušební proud | 40 kA/100 ms |
| Zkratový proud (AC 50 Hz/DC) (1 s; ≤ 300 °C) | 12,6 kA |
| Závit | M16 |
| Materiál připojovací destičky | 50 mm |
| Kabel | NYY-O |
| Průřez kabelu | 95 mm² |
| Průměr kabelu | 19 mm |
| Rozměry spojky | 80 x 30 mm |
| Délka | 2000 mm |
| Označení DB č. | 3 Ebs 15.03.19 - 32 |
| Norma | Ril 997.0205A01 |
Uzemňovací můstek z měděného lana D BEB 6 / 7
Uzemňovací můstky jsou určeny pro uzemnění, vedení zpětného proudu a vyrovnání potenciálů v oblasti použití železničních tratí. Tato varianta se používá jako uzemňovací průchodka pro stavební díly tak, že je oboustranně instalována v rovině s povrchem. Flexibilita kabelu usnadňuje uživateli jeho instalaci do výztuže. Speciální varianty FLEX jsou zvláště vhodné pro montážní situace s kritickým nedostatkem místa – jsou zde použity extra flexibilní, jemně slaněné měděné kabely. Tyto uzemňovací můstky mají rovněž technické schválení od společnosti DB Netz AG a lze je proto bezpečně používat v projektech.
Na dotaz je možno dodat speciální délky: do celkové délky 500 mm v krocích po 50 mm a od celkové délky 500 mm v krocích po 100 mm.
4 Produkty
Obj. č. 419060 D BEB 6 / EBS 15-03-19
GTIN 4013364439528, Číslo celního sazebníku (EU): 85369010, Váha brutto: 600.00 g, Balící jednotka: 1.00 ks
Technické informace
| Materiál destičky | nerez |
| Číslo materiálu | 1.4301 |
| Materiál objímky | ocel/ Cu |
| Materiál kabelu | Cu |
| Zkratový proud | ≤ 25 kA |
| Zkušební proud | 25 kA/100 ms |
| Zkratový proud (AC 50 Hz/DC) (1 s; ≤ 300 °C) | 7,9 kA |
| Závit | M16 |
| Materiál připojovací destičky | 50 mm |
| Kabel | NYY-O |
| Průřez kabelu | 70 mm² |
| Průměr kabelu | 17 mm |
| Délka | 500 mm |
| Označení DB č. | 3 Ebs 15.03.19 - 33 |
| Norma | Ril 997.0205A01 |
Obj. č. 419061 D BEB 6-FLEX / EBS 15-03-19
GTIN 4013364439535, Číslo celního sazebníku (EU): 85369010, Váha brutto: 530.00 g, Balící jednotka: 1.00 ks
Technické informace
| Materiál destičky | nerez |
| Číslo materiálu | 1.4301 |
| Materiál objímky | ocel/ Cu |
| Materiál kabelu | Cu |
| Zkratový proud | ≤ 25 kA |
| Zkušební proud | 25 kA/100 ms |
| Zkratový proud (AC 50 Hz/DC) (1 s; ≤ 300 °C) | 7,9 kA |
| Závit | M16 |
| Materiál připojovací destičky | 50 mm |
| Kabel | H07V-K |
| Průřez kabelu | 70 mm² |
| Průměr kabelu | 17 mm |
| Délka | 500 mm |
| Označení DB č. | 3 Ebs 15.03.19 - 33 |
| Norma | Ril 997.0205A01 |
Obj. č. 419070 D BEB 7 / EBS 15-03-19
GTIN 4013364439542, Číslo celního sazebníku (EU): 85369010, Váha brutto: 704.50 g, Balící jednotka: 1.00 ks
Technické informace
| Materiál destičky | nerez |
| Číslo materiálu | 1.4301 |
| Materiál objímky | ocel/ Cu |
| Materiál kabelu | Cu |
| Zkratový proud | > 25 kA |
| Zkušební proud | 40 kA/100 ms |
| Zkratový proud (AC 50 Hz/DC) (1 s; ≤ 300 °C) | 12,6 kA |
| Závit | M16 |
| Materiál připojovací destičky | 50 mm |
| Kabel | NYY-O |
| Průřez kabelu | 95 mm² |
| Průměr kabelu | 19 mm |
| Délka | 500 mm |
| Označení DB č. | 3 Ebs 15.03.19 - 33 |
| Norma | Ril 997.0205A01 |
Obj. č. 419071 D BEB 7-FLEX / EBS 15-03-19
GTIN 4013364439559, Číslo celního sazebníku (EU): 85369010, Váha brutto: 622.00 g, Balící jednotka: 1.00 ks
Technické informace
| Materiál destičky | nerez |
| Číslo materiálu | 1.4301 |
| Materiál objímky | ocel/ Cu |
| Materiál kabelu | Cu |
| Zkratový proud | > 25 kA |
| Zkušební proud | 40 kA/100 ms |
| Zkratový proud (AC 50 Hz/DC) (1 s; ≤ 300 °C) | 12,6 kA |
| Závit | M16 |
| Materiál připojovací destičky | 50 mm |
| Kabel | H07V-K |
| Průřez kabelu | 95 mm² |
| Průměr kabelu | 19 mm |
| Délka | 500 mm |
| Označení DB č. | 3 Ebs 15.03.19 - 33 |
| Norma | Ril 997.0205A01 |
Uzemňovací můstek z měděného lana D BEB 9 / 10
Uzemňovací můstky jsou určeny pro uzemnění, vedení zpětného proudu a vyrovnání potenciálů v oblasti použití železničních tratí. Tato varianta umožňuje neviditelné spojení v betonu přivařením poměděných ocelových pásků nalisovaných na měděný kabel k uzemňovací výztuži. Flexibilita kabelu usnadňuje uživateli jeho instalaci do výztuže. Speciální varianty FLEX jsou zvláště vhodné pro montážní situace s kritickým nedostatkem místa – jsou zde použity extra flexibilní, jemně slaněné měděné kabely. Tyto uzemňovací můstky mají rovněž technické schválení od společnosti DB Netz AG a lze je proto bezpečně používat v projektech.
Na dotaz je možno dodat speciální délky: do celkové délky 500 mm v krocích po 50 mm a od celkové délky 500 mm v krocích po 100 mm.
5 Produkty
Obj. č. 419090 D BEB 9 / EBS 15-03-19
GTIN 4013364439573, Číslo celního sazebníku (EU): 85369010, Váha brutto: 640.00 g, Balící jednotka: 1.00 ks
Technické informace
| Materiál spojky | ocel/ Cu |
| Materiál kabelu | Cu |
| Zkratový proud | ≤ 25 kA |
| Zkušební proud | 25 kA/100 ms |
| Zkratový proud (AC 50 Hz/DC) (1 s; ≤ 300 °C) | 7,9 kA |
| Kabel | NYY-O |
| Průřez kabelu | 70 mm² |
| Průměr kabelu | 17 mm |
| Rozměry spojky | 80 x 30 mm |
| Délka | 500 mm |
| Označení DB č. | 3 Ebs 15.03.19 - 33 |
| Norma | Ril 997.0205A01 |
Obj. č. 419091 D BEB 9-FLEX / EBS 15-03-19
GTIN 4013364439580, Číslo celního sazebníku (EU): 85369010, Váha brutto: 570.00 g, Balící jednotka: 1.00 ks
Technické informace
| Materiál spojky | ocel/ Cu |
| Materiál kabelu | Cu |
| Zkratový proud | ≤ 25 kA |
| Zkušební proud | 25 kA/100 ms |
| Zkratový proud (AC 50 Hz/DC) (1 s; ≤ 300 °C) | 7,9 kA |
| Kabel | H07V-K |
| Průřez kabelu | 70 mm² |
| Průměr kabelu | 17 mm |
| Rozměry spojky | 80 x 30 mm |
| Délka | 500 mm |
| Označení DB č. | 3 Ebs 15.03.19 - 33 |
| Norma | Ril 997.0205A01 |
Obj. č. 419100 D BEB 10 / EBS 15-03-19
GTIN 4013364439597, Číslo celního sazebníku (EU): 85369010, Váha brutto: 722.50 g, Balící jednotka: 1.00 ks
Technické informace
| Materiál spojky | ocel/ Cu |
| Materiál kabelu | Cu |
| Zkratový proud | > 25 kA |
| Zkušební proud | 40 kA/100 ms |
| Zkratový proud (AC 50 Hz/DC) (1 s; ≤ 300 °C) | 12,6 kA |
| Kabel | NYY-O |
| Průřez kabelu | 95 mm² |
| Průměr kabelu | 19 mm |
| Rozměry spojky | 80 x 30 mm |
| Délka | 500 mm |
| Označení DB č. | 3 Ebs 15.03.19 - 33 |
| Norma | Ril 997.0205A01 |
Obj. č. 419101 D BEB 10-FLEX / EBS 15-03-19
GTIN 4013364439603, Číslo celního sazebníku (EU): 85369010, Váha brutto: 667.00 g, Balící jednotka: 1.00 ks
Technické informace
| Materiál spojky | ocel/ Cu |
| Materiál kabelu | Cu |
| Zkratový proud | > 25 kA |
| Zkušební proud | 40 kA/100 ms |
| Zkratový proud (AC 50 Hz/DC) (1 s; ≤ 300 °C) | 12,6 kA |
| Kabel | H07V-K |
| Průřez kabelu | 95 mm² |
| Průměr kabelu | 19 mm |
| Rozměry spojky | 80 x 30 mm |
| Délka | 500 mm |
| Označení DB č. | 3 Ebs 15.03.19 - 33 |
| Norma | Ril 997.0205A01 |
Obj. č. 419505 D BEB 10 - L800 / EBS 15-03-19
GTIN 4013364458437, Číslo celního sazebníku (EU): 85369010, Váha brutto: 1.12 kg, Balící jednotka: 1.00 ks
Technické informace
| Materiál spojky | ocel/ Cu |
| Materiál kabelu | Cu |
| Zkratový proud | > 25 kA |
| Zkušební proud | 40 kA/100 ms |
| Zkratový proud (AC 50 Hz/DC) (1 s; ≤ 300 °C) | 12,6 kA |
| Kabel | NYY-O |
| Průřez kabelu | 95 mm² |
| Průměr kabelu | 19 mm |
| Rozměry spojky | 80 x 30 mm |
| Délka | 800 mm |
| Označení DB č. | 3 Ebs 15.03.19 - 33 |
| Norma | Ril 997.0205A01 |
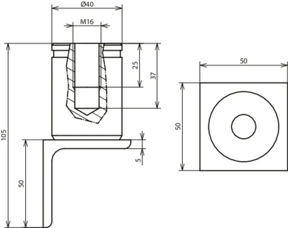
Uzemňovací propojka pro uzemnění velkých potrubí D BEB 11
Uzemňovací můstky jsou určeny pro uzemnění, vedení zpětného proudu a vyrovnání potenciálů v oblasti použití železničních tratí. Varianta pro uzemnění velkého potrubí je určena pro použití s pilotami a základy pro velká potrubí. Výrobek se skládá z měděného kabelu s nalisovanou objímkou a připojovací nerezové destičky s integrovanými otvory pro upevnění bednění na jednom konci a kabelového oka na opačném konci. Kabelové oko se používá k vytvoření spojení odolného proti zkratovému proudu k pilotě nebo základu velkého potrubí. Flexibilita kabelu usnadňuje uživateli jeho instalaci do výztuže. Tento uzemňovací můstek má rovněž technické schválení od společnosti DB Netz AG a lze jej proto bezpečně používat v projektech.
Na dotaz je možno dodat speciální délky: do celkové délky 500 mm v krocích po 50 mm a od celkové délky 500 mm v krocích po 100 mm.
2 Produkty
Obj. č. 419110 D BEB 11 / EBS 15-03-27
GTIN 4013364439665, Číslo celního sazebníku (EU): 85369010, Váha brutto: 640.00 g, Balící jednotka: 1.00 ks
Technické informace
| Materiál destičky | nerez |
| Číslo materiálu | 1.4301 |
| Materiál objímky | ocel/ Cu |
| Materiál kabelového oka | Cu /gal Sn (galvanicky pocínovaná) |
| Materiál kabelu | Cu |
| Zkratový proud | ≤ 25 kA |
| Zkušební proud | 25 kA/100 ms |
| Zkratový proud (AC 50 Hz/DC) (1 s; ≤ 300 °C) | 7,9 kA |
| Závit | M16 |
| Materiál připojovací destičky | 50 mm |
| Kabel | NYY-O |
| Průřez kabelu | 70 mm² |
| Průměr kabelu | 17 mm |
| Otvor kabelového oka | 13 mm |
| Délka | 500 mm |
| Označení DB č. | 4 Ebs 15.03.27 - 2 |
| Norma | Ril 997.0205A01 |
Obj. č. 419506 D BEB 11 - L1000 / EBS 15-03-27
GTIN 4013364458444, Číslo celního sazebníku (EU): 85369010, Váha brutto: 1.10 kg, Balící jednotka: 1.00 ks
Technické informace
| Materiál destičky | nerez |
| Číslo materiálu | 1.4301 |
| Materiál objímky | ocel/ Cu |
| Materiál kabelového oka | Cu /gal Sn (galvanicky pocínovaná) |
| Materiál kabelu | Cu |
| Zkratový proud | ≤ 25 kA |
| Zkušební proud | 25 kA/100 ms |
| Zkratový proud (AC 50 Hz/DC) (1 s; ≤ 300 °C) | 7,9 kA |
| Závit | M16 |
| Materiál připojovací destičky | 50 mm |
| Kabel | NYY-O |
| Průřez kabelu | 70 mm² |
| Průměr kabelu | 17 mm |
| Otvor kabelového oka | 13 mm |
| Délka | 1000 mm |
| Označení DB č. | 4 Ebs 15.03.27 - 2 |
| Norma | Ril 997.0205A01 |
Uzemňovací propojka z kabelu CuFeAl D BEB 29
Uzemňovací propojky jsou určeny pro uzemnění, vedení zpětného proudu a vyrovnání potenciálů v oblasti použití železničních tratí. Bezhalogenová varianta D BEB 29 resp. bezhalogenová a nehořlavá varianta D BEB 29-NF – je pro vnější připojení zemničů a dalších připojovacích prvků navržena v provedení s kabelovým okem pro připojení šrouby M16. Tyto uzemňovací propojky se skládají z měděno-ocelovo-hliníkového kabelu a představují tak preventivní opatření na ochranu proti krádeži. Tyto uzemňovací propojky mají rovněž technické schválení od společnosti DB Netz AG a lze je proto bezpečně používat v projektech. Bezhalogenové a nehořlavé provedení lze použít v tunelech v souladu s předpisy EU.
Na dotaz je možno dodat speciální délky: do celkové délky 500 mm v krocích po 50 mm a od celkové délky 500 mm v krocích po 100 mm.
6 Produkty
Obj. č. 419290 D BEB 29 / EBS 15-03-17
GTIN 4013364439627, Číslo celního sazebníku (EU): 85359000, Váha brutto: 390.00 g, Balící jednotka: 1.00 ks
Technické informace
| Materiál kabelového oka | Cu /gal Sn (galvanicky pocínovaná) |
| Materiál kabelu | Cu Fe Al |
| Zkratový proud | > 25 kA |
| Zkušební proud | 40 kA/100 ms |
| Zkratový proud (AC 50 Hz/DC) (1 s; ≤ 300 °C) | 12,6 kA |
| Kabel | (N)2X RF Cu Fe Al |
| Průřez kabelu | ≥ 70 mm² |
| Provedení | bezhalogenové |
| Průměr kabelu | 17 mm |
| Otvor kabelového oka | 17 mm |
| Délka | 500 mm |
| Označení DB č. | 4 Ebs 15.03.17 - 6 (Bayka) |
| Norma | Ril 997.0205A01; DIN EN 62561-1 |
Obj. č. 419291 D BEB 29-NF / EBS 15-03-17
GTIN 4013364439634, Číslo celního sazebníku (EU): 85359000, Váha brutto: 410.00 g, Balící jednotka: 1.00 ks
Technické informace
| Materiál kabelového oka | Cu /gal Sn (galvanicky pocínovaná) |
| Materiál kabelu | Cu Fe Al |
| Zkratový proud | > 25 kA |
| Zkušební proud | 40 kA/100 ms |
| Zkratový proud (AC 50 Hz/DC) (1 s; ≤ 300 °C) | 12,6 kA |
| Kabel | B2ca RF Cu Fe Al |
| Průřez kabelu | ≥ 70 mm² |
| Provedení | bezhalogenové a zpomalující hoření |
| Průměr kabelu | 17 mm |
| Otvor kabelového oka | 17 mm |
| Délka | 500 mm |
| Označení DB č. | 4 Ebs 15.03.17 - 6 (Bayka) |
| Norma | Ril 997.0205A01; DIN EN 62561-1 |
Obj. č. 419511 D BEB 29 M12 M16 / EBS 15-03-17
GTIN 4013364480513, Číslo celního sazebníku (EU): 85359000, Váha brutto: 410.00 g, Balící jednotka: 1.00 ks
Technické informace
| Materiál kabelového oka | Cu /gal Sn (galvanicky pocínovaná) |
| Materiál kabelu | Cu Fe Al |
| Zkratový proud | > 25 kA |
| Zkušební proud | 40 kA/100 ms |
| Zkratový proud (AC 50 Hz/DC) (1 s; ≤ 300 °C) | 12,6 kA |
| Kabel | (N)2X RF Cu Fe Al |
| Průřez kabelu | ≥ 70 mm² |
| Provedení | bezhalogenové |
| Průměr kabelu | 17 mm |
| Otvor kabelového oka | 13 mm pro M12 a 17 mm pro M16 |
| Délka | 500 mm |
| Označení DB č. | 4 Ebs 15.03.17 - 6 (Bayka) |
| Norma | Ril 997.0205A01 |
Obj. č. 419512 D BEB 29-NF M12 M16 / EBS 15-03-17
GTIN 4013364480520, Číslo celního sazebníku (EU): 85359000, Váha brutto: 410.00 g, Balící jednotka: 1.00 ks
Technické informace
| Materiál kabelového oka | Cu /gal Sn (galvanicky pocínovaná) |
| Materiál kabelu | Cu Fe Al |
| Zkratový proud | > 25 kA |
| Zkušební proud | 40 kA/100 ms |
| Zkratový proud (AC 50 Hz/DC) (1 s; ≤ 300 °C) | 12,6 kA |
| Kabel | B2ca RF Cu Fe Al |
| Průřez kabelu | ≥ 70 mm² |
| Provedení | bezhalogenové a zpomalující hoření |
| Průměr kabelu | 17 mm |
| Otvor kabelového oka | 13 mm pro M12 a 17 mm pro M16 |
| Délka | 500 mm |
| Označení DB č. | 4 Ebs 15.03.17 - 6 (Bayka) |
| Norma | Ril 997.0205A01 |
Obj. č. 419513 D BEB 29 R / EBS 15-03-17
GTIN 4013364480506, Číslo celního sazebníku (EU): 85359000, Váha brutto: 410.00 g, Balící jednotka: 1.00 ks
Technické informace
| Materiál kabelového oka | Cu /gal Sn (galvanicky pocínovaná) |
| Materiál kabelu | Cu Fe Al |
| Zkratový proud | > 25 kA |
| Zkušební proud | 40 kA/100 ms |
| Zkratový proud (AC 50 Hz/DC) (1 s; ≤ 300 °C) | 12,6 kA |
| Kabel | (N)2X RF Cu Fe Al |
| Průřez kabelu | ≥ 70 mm² |
| Provedení | bezhalogenové |
| Průměr kabelu | 17 mm |
| Otvor kabelového oka | 17 mm |
| Provedení kabelového oka | 90° pravotočivé provedení |
| Délka | 500 mm |
| Označení DB č. | 4 Ebs 15.03.17 - 6 (Bayka) |
| Norma | Ril 997.0205A01; DIN EN 62561-1 |
Obj. č. 419514 D BEB 29 L / EBS 15-03-17
GTIN 4013364480537, Číslo celního sazebníku (EU): 85359000, Váha brutto: 410.00 g, Balící jednotka: 1.00 ks
Technické informace
| Materiál kabelového oka | Cu /gal Sn (galvanicky pocínovaná) |
| Materiál kabelu | Cu Fe Al |
| Zkratový proud | > 25 kA |
| Zkušební proud | 40 kA/100 ms |
| Zkratový proud (AC 50 Hz/DC) (1 s; ≤ 300 °C) | 12,6 kA |
| Kabel | (N)2X RF Cu Fe Al |
| Průřez kabelu | ≥ 70 mm² |
| Provedení | bezhalogenové |
| Průměr kabelu | 17 mm |
| Otvor kabelového oka | 17 mm |
| Provedení kabelového oka | 90° levotočivé provedení |
| Délka | 500 mm |
| Označení DB č. | 4 Ebs 15.03.17 - 6 (Bayka) |
| Norma | Ril 997.0205A01; DIN EN 62561-1 |
Obj. č. 419900 D KLP D50 BEB
GTIN 4013364439641, Číslo celního sazebníku (EU): 39191080, Váha brutto: 2.00 g, Balící jednotka: 1.00 ks
Technické informace
| Průměr | 50 mm |
Samolepka uzemnění
Samolepka uzemnění je určena jako náhradní díl pro označení výrobků pro uzemnění železnice při instalaci. Lze ji jednoduše nalepit na nerezovou připojovací destičku. Označení lze provést pro uzemňovací můstky D BEB 1 až 8 a pro variantu D BEB 11 pro uzemnění velkých trubek, pokud štítek nalepený z výroby již není k dispozici nebo je poškozen.
1 Produkt
Obj. č. 419901 D EAK D50 BEB
GTIN 4013364439658, Číslo celního sazebníku (EU): 39191080, Váha brutto: 3.00 g, Balící jednotka: 1.00 ks
Technické informace
| Průměr | 50 mm |
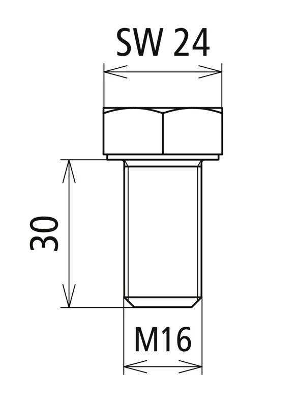
Obj. č. 419902 D SKS M16X30 V4A
GTIN 4013364439689, Číslo celního sazebníku (EU): 85389099, Váha brutto: 76.89 g, Balící jednotka: 1.00 ks
Technické informace
| Materiál | nerez (V4A) |
| Závit | M16 x 30 mm |
Obj. č. 419903 D SKM M16 V4A
GTIN 4013364439696, Číslo celního sazebníku (EU): 73181639, Váha brutto: 28.98 g, Balící jednotka: 1.00 ks
Technické informace
| Materiál | nerez (V4A) |
| Závit | M16 |
Obj. č. 419904 D SCH A17 V4A
GTIN 4013364574649, Číslo celního sazebníku (EU): 73182200, Váha brutto: 9.50 g, Balící jednotka: 1.00 ks
Technické informace
| Materiál | nerez (V4A) |
| Vnější průměr | 30 mm |
| Vnitřní průměr | 17 mm |