Systém pro uzemnění železnice

Náš DEHN-systém pro uzemnění železnic se osvědčil pro použití v dopravním stavitelství, protože byl speciálně vyvinut pro uzemnění výztuže betonových dílů v blízkosti vysokonapěťových elektrických systémů. Slouží jednak k vyrovnání potenciálů betonových konstrukcí a jednak k přenosu zkratového proudu v případech, kdy dojde k přetržení trolejí.
K tomuto účelu poskytuje DEHN uživateli různé zemnící můstky a zemnící konektory, které díky variabilním koncovým nástavcům a spojovacím prvkům nabízejí ucelený stavebnicový systém s velkým množstvím možných kombinací. Naše DEHN-systémy pro uzemnění železnic jsou schváleny společností DB Netz AG.

Nerezové uzemňovací můstky

Uzemňovací můstky jsou určeny pro uzemnění, vedení zpětného proudu a vyrovnání potenciálů v oblasti použití železničních tratí. Nerezový uzemňovací můstek zajišťuje propojení definovaným svarem k zemnicímu vodiči. Tento uzemňovací můstek má rovněž technické schválení od DB Netz AG a lze je proto bezpečně používat v projektech.

3 Produkty

Obj. č. 419000 D BEB 0 - 63 / EBS 15-03-19

GTIN 4013364439412, Číslo celního sazebníku (EU): 85369010, Váha brutto: 840.00 g, Balící jednotka: 1.00 ks


Vyobrazení

Další informace

Nerezový uzemňovací můstek D BEB 0 - 63 / EBS 15-03-19
pro uzemnění výztuže betonových dílů
s povolením DB Netz AG
Materiál připojovacího dílu: nerez
Číslo materiálu: 1.4301
Zkratový proud: > 25 kA
Zkušební proud: 40 kA/100 ms
Norma: Ril 997.0205A01
Zkratový proud (AC 50 Hz/DC): 12,6 kA
Závit: M16
Materiál připojovací destičky: 50 mm
Celková výška: 63 mm
Montážní výška: 55 mm
Označení DB č.: 3 Ebs 15.03.19 - 37

Výrobek: DEHN
Typ: D BEB 0 - 63 / EBS 15-03-19
Obj. č.: 419000
nebo rovnocenný.

 

Technické informace

Materiál připojovacího dílu nerez
Číslo materiálu 1.4301
Zkratový proud > 25 kA
Zkušební proud 40 kA/100 ms
Norma Ril 997.0205A01
Zkratový proud (AC 50 Hz/DC) (1 s; ≤ 300 °C) 12,6 kA
Závit M16
Materiál připojovací destičky 50 mm
Celková výška 63 mm
Montážní výška 55 mm
Označení DB č. 3 Ebs 15.03.19 - 37

Produkt 419000 byl přidán na seznam.

K seznamu

Produkt 419000 byl přidán do nákupního košíku.

Obj. č. 419001 D BEB 0 - 70 / EBS 15-03-19

GTIN 4013364439429, Číslo celního sazebníku (EU): 85369010, Váha brutto: 950.00 g, Balící jednotka: 1.00 ks


Vyobrazení

Další informace

Nerezový uzemňovací můstek D BEB 0 - 70 / EBS 15-03-19
pro uzemnění výztuže betonových dílů
s povolením DB Netz AG
Materiál připojovacího dílu: nerez
Číslo materiálu: 1.4301
Zkratový proud: > 25 kA
Zkušební proud: 40 kA/100 ms
Norma: Ril 997.0205A01
Zkratový proud (AC 50 Hz/DC): 12,6 kA
Závit: M16
Materiál připojovací destičky: 50 mm
Celková výška: 70 mm
Montážní výška: 62 mm
Označení DB č.: 3 Ebs 15.03.19 - 37

Výrobek: DEHN
Typ: D BEB 0 - 70 / EBS 15-03-19
Obj. č.: 419001
nebo rovnocenný.

 

Technické informace

Materiál připojovacího dílu nerez
Číslo materiálu 1.4301
Zkratový proud > 25 kA
Zkušební proud 40 kA/100 ms
Norma Ril 997.0205A01
Zkratový proud (AC 50 Hz/DC) (1 s; ≤ 300 °C) 12,6 kA
Závit M16
Materiál připojovací destičky 50 mm
Celková výška 70 mm
Montážní výška 62 mm
Označení DB č. 3 Ebs 15.03.19 - 37

Produkt 419001 byl přidán na seznam.

K seznamu

Produkt 419001 byl přidán do nákupního košíku.

Obj. č. 419002 D BEB 0 - 77 / EBS 15-03-19

GTIN 4013364439436, Číslo celního sazebníku (EU): 85369010, Váha brutto: 1.05 kg, Balící jednotka: 1.00 ks


Vyobrazení

Další informace

Nerezový uzemňovací můstek D BEB 0 - 77 / EBS 15-03-19
pro uzemnění výztuže betonových dílů
s povolením DB Netz AG
Materiál připojovacího dílu: nerez
Číslo materiálu: 1.4301
Zkratový proud: > 25 kA
Zkušební proud: 40 kA/100 ms
Norma: Ril 997.0205A01
Zkratový proud (AC 50 Hz/DC): 12,6 kA
Závit: M16
Materiál připojovací destičky: 50 mm
Celková výška: 77 mm
Montážní výška: 69 mm
Označení DB č.: 3 Ebs 15.03.19 - 37

Výrobek: DEHN
Typ: D BEB 0 - 77 / EBS 15-03-19
Obj. č.: 419002
nebo rovnocenný.

 

Technické informace

Materiál připojovacího dílu nerez
Číslo materiálu 1.4301
Zkratový proud > 25 kA
Zkušební proud 40 kA/100 ms
Norma Ril 997.0205A01
Zkratový proud (AC 50 Hz/DC) (1 s; ≤ 300 °C) 12,6 kA
Závit M16
Materiál připojovací destičky 50 mm
Celková výška 77 mm
Montážní výška 69 mm
Označení DB č. 3 Ebs 15.03.19 - 37

Produkt 419002 byl přidán na seznam.

K seznamu

Produkt 419002 byl přidán do nákupního košíku.


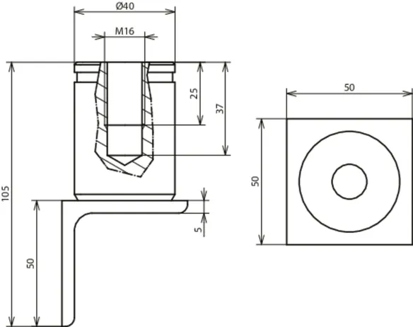
Nerezový uzemňovací můstek D BEB 16

Uzemňovací můstky jsou určeny pro uzemnění, vedení zpětného proudu a vyrovnání potenciálů v oblasti použití železničních tratí. Nerezový uzemňovací můstek to zajišťuje propojením definovaným svařovaným spojem k uzemňovacímu vodiči. Tento uzemňovací můstek má rovněž technické schválení od společnosti DB Netz AG a lze jej proto bezpečně používat v projektech.

1 Produkt

Obj. č. 419160 D BEB 16 - 105 / 3 EBS 15-03-19-38

GTIN 4013364510203, Číslo celního sazebníku (EU): 85369010, Váha brutto: 697.72 g, Balící jednotka: 8.00 ks


Vyobrazení

Další informace

Nerezový uzemňovací můstek D BEB 16 - 105 / 3 EBS 15-03-19-38
Nerezový uzemňovací můstek
D BEB 16 - 105 / 3 EBS 15-03-19-38
pro uzemnění
výztuže
betonových dílů se
schválením společnosti
DB Netz AG
Materiál připojovacího dílu: nerez
Číslo materiálu: 1.4301
Materiál úhlu: Ocel
Zkratový proud: > 25 kA
Zkušební proud: 40 kA/100 ms
Norma: Ril 997.0205A01
Zkratový proud (AC 50 Hz/DC): 12,6 kA
Závit: M16
Materiál připojovací destičky: 40 mm
Rozměry úhlu: 50 x 50 x 5 mm
Celková výška: 105 mm
Označení DB č.: 3 Ebs 15.03.19 - 38

Výrobek: DEHN
Typ: D BEB 16 - 105 / 3 EBS 15-03-19-38
Obj. č.: 419160
nebo rovnocenný.

 

Technické informace

Materiál připojovacího dílu nerez
Číslo materiálu 1.4301
Materiál úhlu Ocel
Zkratový proud > 25 kA
Zkušební proud 40 kA/100 ms
Norma Ril 997.0205A01
Zkratový proud (AC 50 Hz/DC) (1 s; ≤ 300 °C) 12,6 kA
Závit M16
Materiál připojovací destičky 40 mm
Rozměry úhlu (d × š × h) 50 x 50 x 5 mm
Celková výška 105 mm
Označení DB č. 3 Ebs 15.03.19 - 38

Produkt 419160 byl přidán na seznam.

K seznamu

Produkt 419160 byl přidán do nákupního košíku.


Uzemňovací můstek z ocelového pásku D BEB 1

Uzemňovací můstky jsou určeny pro uzemnění, vedení zpětného proudu a vyrovnání potenciálů v oblasti použití železničních tratí. Tato varianta je instalována v rovině s povrchem a je přivařena k uzemňovací výztuži pomocí ocelového pásku přes definovaný svar. Tento uzemňovací můstek má rovněž technické schválení od DB Netz AG a lze je proto bezpečně používat v projektech.

1 Produkt

Obj. č. 419500 D BEB 1 - L100 / EBS 15-03-19

GTIN 4013364458383, Číslo celního sazebníku (EU): 85369010, Váha brutto: 205.00 g, Balící jednotka: 1.00 ks


Vyobrazení

Další informace

Uzemňovací můstek z ocelového pásku D BEB 1 / EBS 15-03-19
pro uzemnění výztuže betonových dílů
s povolením DB Netz AG
Materiál destičky: nerez
Číslo materiálu: 1.4301
Materiál objímky: ocel/Cu
Materiál ocelového pásku: S235
Zkratový proud: > 25 kA
Zkušební proud: 40 kA/100 ms
Norma: Ril 997.0205A01
Zkratový proud (AC 50 Hz/DC): 12,6 kA
Závit: M16
Materiál připojovací destičky: 50 mm
Rozměry ocelového pásku: 100 x 40 x 5 mm
Celková výška: 58 mm
Označení DB č.: 3 Ebs 15.03.19 - 30

Výrobek: DEHN
Typ: D BEB 1 - L100 / EBS 15-03-19
Obj. č.: 419500
nebo rovnocenný.

 

Technické informace

Materiál destičky nerez
Číslo materiálu 1.4301
Materiál objímky ocel/ Cu
Materiál ocelového pásku S235
Zkratový proud > 25 kA
Zkušební proud 40 kA/100 ms
Norma Ril 997.0205A01
Zkratový proud (AC 50 Hz/DC) (1 s; ≤ 300 °C) 12,6 kA
Závit M16
Materiál připojovací destičky 50 mm
Rozměry ocelového pásku 100 x 40 x 5 mm
Celková výška 58 mm
Označení DB č. 3 Ebs 15.03.19 - 30

Produkt 419500 byl přidán na seznam.

K seznamu

Produkt 419500 byl přidán do nákupního košíku.


Uzemňovací můstek z ocelového pásku D BEB 1-L

Uzemňovací můstky jsou určeny pro uzemnění, vedení zpětného proudu a vyrovnání potenciálů v oblasti použití železničních tratí. Tato varianta je instalována v rovině s povrchem a je přivařena k uzemňovací výztuži pomocí ocelového pásku přes definovaný svar. Tento uzemňovací můstek má rovněž technické schválení od DB Netz AG a lze je proto bezpečně používat v projektech.

1 Produkt

Obj. č. 419011 D BEB 1-L / EBS 15-03-19

GTIN 4013364439450, Číslo celního sazebníku (EU): 85369010, Váha brutto: 740.00 g, Balící jednotka: 1.00 ks


Vyobrazení

Další informace

Uzemňovací můstek z ocelového pásku D BEB 1-L / EBS 15-03-19
pro uzemnění výztuže betonových dílů
s povolením DB Netz AG
Materiál destičky: nerez
Číslo materiálu: 1.4301
Materiál objímky: ocel/Cu
Materiál ocelového pásku: S235
Zkratový proud: > 25 kA
Zkušební proud: 40 kA/100 ms
Norma: Ril 997.0205A01
Zkratový proud (AC 50 Hz/DC): 12,6 kA
Závit: M16
Materiál připojovací destičky: 50 mm
Rozměry ocelového pásku: 402 x 40 x 5 mm
Celková výška: 58 mm
Montážní výška: 410 mm
Označení DB č.: 3 Ebs 15.03.19 - 30

Výrobek: DEHN
Typ: D BEB 1-L / EBS 15-03-19
Obj. č.: 419011
nebo rovnocenný.

 

Technické informace

Materiál destičky nerez
Číslo materiálu 1.4301
Materiál objímky ocel/ Cu
Materiál ocelového pásku S235
Zkratový proud > 25 kA
Zkušební proud 40 kA/100 ms
Norma Ril 997.0205A01
Zkratový proud (AC 50 Hz/DC) (1 s; ≤ 300 °C) 12,6 kA
Závit M16
Materiál připojovací destičky 50 mm
Rozměry ocelového pásku 402 x 40 x 5 mm
Celková výška 58 mm
Montážní výška 410 mm
Označení DB č. 3 Ebs 15.03.19 - 30

Produkt 419011 byl přidán na seznam.

K seznamu

Produkt 419011 byl přidán do nákupního košíku.


Uzemňovací můstek z ocelového pásku D BEB 1-NR

Uzemňovací můstky jsou určeny pro uzemnění, vedení zpětného proudu a vyrovnání potenciálů v oblasti použití železničních tratí. Tato varianta je instalována v rovině s povrchem a je přivařena k uzemňovací výztuži pomocí ocelového pásku přes definovaný svar. Tento uzemňovací můstek má rovněž technické schválení od DB Netz AG a lze je proto bezpečně používat v projektech.

1 Produkt

Obj. č. 419012 D BEB 1-NR / EBS 15-03-19

GTIN 4013364439467, Číslo celního sazebníku (EU): 85369010, Váha brutto: 1.46 kg, Balící jednotka: 1.00 ks


Vyobrazení

Další informace

Uzemňovací můstek z ocelového pásku D BEB 1-NR / EBS 15-03-19
pro uzemnění výztuže betonových dílů
s povolením DB Netz AG
Materiál připojovacího dílu: nerez
Číslo materiálu: 1.4301
Materiál ocelového pásku: S235
Zkratový proud: > 25 kA
Zkušební proud: 40 kA/100 ms
Norma: Ril 997.0205A01
Zkratový proud (AC 50 Hz/DC): 12,6 kA
Závit: M16
Materiál připojovací destičky: 50 mm
Rozměry ocelového pásku: 400 x 50 x 5 mm
Celková výška: 63 mm
Označení DB č.: 3 Ebs 15.03.19 - 36

Výrobek: DEHN
Typ: D BEB 1-NR / EBS 15-03-19
Obj. č.: 419012
nebo rovnocenný.

 

Technické informace

Materiál připojovacího dílu nerez
Číslo materiálu 1.4301
Materiál ocelového pásku S235
Zkratový proud > 25 kA
Zkušební proud 40 kA/100 ms
Norma Ril 997.0205A01
Zkratový proud (AC 50 Hz/DC) (1 s; ≤ 300 °C) 12,6 kA
Závit M16
Materiál připojovací destičky 50 mm
Rozměry ocelového pásku 400 x 50 x 5 mm
Celková výška 63 mm
Označení DB č. 3 Ebs 15.03.19 - 36

Produkt 419012 byl přidán na seznam.

K seznamu

Produkt 419012 byl přidán do nákupního košíku.


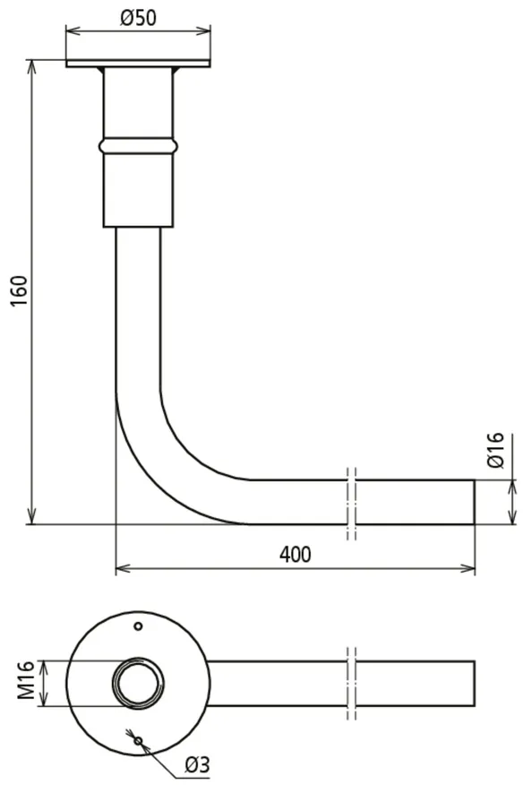
Uzemňovací můstek z betonářské oceli D BEB 2

Uzemňovací můstky jsou určeny pro uzemnění, vedení zpětného proudu a vyrovnání potenciálů v oblasti použití železničních tratí. Tato varianta je instalována v rovině s povrchem a je přivařena k uzemňovací výztuži pomocí ohnutého armovacího prutu a je určena především pro instalace s kritickým nedostatkem místa. Tento uzemňovací můstek má rovněž technické schválení od DB Netz AG a lze je proto bezpečně používat v projektech.

1 Produkt

Obj. č. 419020 D BEB 2 / EBS 15-03-19

GTIN 4013364439405, Číslo celního sazebníku (EU): 85369010, Váha brutto: 950.00 g, Balící jednotka: 1.00 ks


Vyobrazení

Další informace

Uzemňovací můstek z betonářské oceli D BEB 2 / EBS 15-03-19
pro uzemnění výztuže betonových dílů
s povolením DB Netz AG
Materiál destičky: nerez
Číslo materiálu: 1.4301
Materiál objímky: ocel/Cu
Materiál osy: betonářská ocel B500B
Zkratový proud: > 25 kA
Zkušební proud: 40 kA/100 ms
Norma: Ril 997.0205A01
Zkratový proud (AC 50 Hz/DC): 12,6 kA
Závit: M16
Materiál připojovací destičky: 50 mm
Průměr betonářské oceli: 16 mm
Montážní výška: 160 mm
Délka: 400 mm
Označení DB č.: 3 Ebs 15.03.19 - 31

Výrobek: DEHN
Typ: D BEB 2 / EBS 15-03-19
Obj. č.: 419020
nebo rovnocenný.

 

Technické informace

Materiál destičky nerez
Číslo materiálu 1.4301
Materiál objímky ocel/ Cu
Materiál osy betonářská ocel B500B
Zkratový proud > 25 kA
Zkušební proud 40 kA/100 ms
Norma Ril 997.0205A01
Zkratový proud (AC 50 Hz/DC) (1 s; ≤ 300 °C) 12,6 kA
Závit M16
Materiál připojovací destičky 50 mm
Průměr betonářské oceli 16 mm
Montážní výška 160 mm
Délka 400 mm
Označení DB č. 3 Ebs 15.03.19 - 31

Produkt 419020 byl přidán na seznam.

K seznamu

Produkt 419020 byl přidán do nákupního košíku.


Uzemňovací můstek z betonářské oceli D BEB 3

Uzemňovací můstky jsou určeny pro uzemnění, vedení zpětného proudu a vyrovnání potenciálů v oblasti použití železničních tratí. Tato varianta je instalována v rovině s povrchem a je přivařena k uzemňovací výztuži pomocí armovacího prutu. Tento uzemňovací můstek má rovněž technické schválení od DB Netz AG a lze je proto bezpečně používat v projektech.

1 Produkt

Obj. č. 419030 D BEB 3 / EBS 15-03-19

GTIN 4013364439474, Číslo celního sazebníku (EU): 85369010, Váha brutto: 750.00 g, Balící jednotka: 1.00 ks


Vyobrazení

Další informace

Uzemňovací můstek z betonářské oceli D BEB 3 / EBS 15-03-19
pro uzemnění výztuže betonových dílů
s povolením DB Netz AG
Materiál destičky: nerez
Číslo materiálu: 1.4301
Materiál objímky: ocel/Cu
Materiál osy: betonářská ocel B500B
Zkratový proud: > 25 kA
Zkušební proud: 40 kA/100 ms
Norma: Ril 997.0205A01
Zkratový proud (AC 50 Hz/DC): 12,6 kA
Závit: M16
Materiál připojovací destičky: 50 mm
Průměr betonářské oceli: 16 mm
Délka: 400 mm
Označení DB č.: 3 Ebs 15.03.19 - 31

Výrobek: DEHN
Typ: D BEB 3 / EBS 15-03-19
Obj. č.: 419030
nebo rovnocenný.

 

Technické informace

Materiál destičky nerez
Číslo materiálu 1.4301
Materiál objímky ocel/ Cu
Materiál osy betonářská ocel B500B
Zkratový proud > 25 kA
Zkušební proud 40 kA/100 ms
Norma Ril 997.0205A01
Zkratový proud (AC 50 Hz/DC) (1 s; ≤ 300 °C) 12,6 kA
Závit M16
Materiál připojovací destičky 50 mm
Průměr betonářské oceli 16 mm
Délka 400 mm
Označení DB č. 3 Ebs 15.03.19 - 31

Produkt 419030 byl přidán na seznam.

K seznamu

Produkt 419030 byl přidán do nákupního košíku.


Uzemňovací můstek z betonářské oceli D BEB 8

Uzemňovací můstky jsou určeny pro uzemnění, vedení zpětného proudu a vyrovnání potenciálů v oblasti použití železničních tratí. Tato varianta je instalována v rovině s povrchem a je přivařena k uzemňovací výztuži pomocí armovacího prutu. Díky připojovacím destičkám připevněným na obou stranách lze efektivně a ekonomicky realizovat průchozí propojení stavebních dílů. Tento uzemňovací můstek má rovněž technické schválení od DB Netz AG a lze je proto bezpečně používat v projektech.

1 Produkt

Obj. č. 419080 D BEB 8 / EBS 15-03-19

GTIN 4013364439566, Číslo celního sazebníku (EU): 85369010, Váha brutto: 1.00 kg, Balící jednotka: 1.00 ks


Vyobrazení

Další informace

Uzemňovací můstek z betonářské oceli D BEB 8 / EBS 15-03-19
pro uzemnění výztuže betonových dílů
s povolením DB Netz AG
Materiál destičky: nerez
Číslo materiálu: 1.4301
Materiál objímky: ocel/Cu
Materiál osy: betonářská ocel B500B
Zkratový proud: > 25 kA
Zkušební proud: 40 kA/100 ms
Norma: Ril 997.0205A01
Zkratový proud (AC 50 Hz/DC): 12,6 kA
Závit: M16
Materiál připojovací destičky: 50 mm
Průměr betonářské oceli: 16 mm
Délka: 500 mm
Označení DB č.: 3 Ebs 15.03.19 - 33

Výrobek: DEHN
Typ: D BEB 8 / EBS 15-03-19
Obj. č.: 419080
nebo rovnocenný.

 

Technické informace

Materiál destičky nerez
Číslo materiálu 1.4301
Materiál objímky ocel/ Cu
Materiál osy betonářská ocel B500B
Zkratový proud > 25 kA
Zkušební proud 40 kA/100 ms
Norma Ril 997.0205A01
Zkratový proud (AC 50 Hz/DC) (1 s; ≤ 300 °C) 12,6 kA
Závit M16
Materiál připojovací destičky 50 mm
Průměr betonářské oceli 16 mm
Délka 500 mm
Označení DB č. 3 Ebs 15.03.19 - 33

Produkt 419080 byl přidán na seznam.

K seznamu

Produkt 419080 byl přidán do nákupního košíku.


Uzemňovací můstek z měděného lana D BEB 4 / 5

Uzemňovací můstky jsou určeny pro uzemnění, vedení zpětného proudu a vyrovnání potenciálů v oblasti použití železničních tratí. Tato varianta je instalována v rovině s povrchem a k uzemňovací výztuži je přivařena poměděným ocelovým páskem nalisovaným na měděném kabelu. Flexibilita kabelu usnadňuje uživateli jeho instalaci do výztuže. Speciální varianty FLEX jsou zvláště vhodné pro montážní situace s kritickým nedostatkem místa – jsou zde použity extra flexibilní, jemně slaněné měděné kabely. Tyto uzemňovací můstky mají rovněž technické schválení od společnosti DB Netz AG a lze je proto bezpečně používat v projektech.
Na dotaz je možno dodat speciální délky: do celkové délky 500 mm v krocích po 50 mm a od celkové délky 500 mm v krocích po 100 mm.

7 Produkty

Obj. č. 419040 D BEB 4 / EBS 15-03-19

GTIN 4013364439481, Číslo celního sazebníku (EU): 85369010, Váha brutto: 640.00 g, Balící jednotka: 1.00 ks


Vyobrazení

Další informace

Uzemňovací můstek z měděného kabelu D BEB 4 / EBS 15-03-19
pro uzemnění výztuže betonových dílů
s povolením DB Netz AG
Materiál destičky: nerez
Číslo materiálu: 1.4301
Materiál objímky: ocel/Cu
Materiál spojky: ocel/Cu
Materiál kabelu: Cu
Zkratový proud: ≤ 25 kA
Zkušební proud: 25 kA/100 ms
Norma: Ril 997.0205A01
Zkratový proud (AC 50 Hz/DC): 7,9 kA
Závit: M16
Materiál připojovací destičky: 50 mm
Kabel: NYY-O
Průřez kabelu: 70 mm²
Průměr kabelu: 17 mm
Rozměry spojky: 80 x 30 mm
Délka: 500 mm
Označení DB č.: 3 Ebs 15.03.19 - 32

Výrobek: DEHN
Typ: D BEB 4 / EBS 15-03-19
Obj. č.: 419040
nebo rovnocenný.

 

Technické informace

Materiál destičky nerez
Číslo materiálu 1.4301
Materiál objímky ocel/ Cu
Materiál spojky ocel/ Cu
Materiál kabelu Cu
Zkratový proud ≤ 25 kA
Zkušební proud 25 kA/100 ms
Norma Ril 997.0205A01
Zkratový proud (AC 50 Hz/DC) (1 s; ≤ 300 °C) 7,9 kA
Závit M16
Materiál připojovací destičky 50 mm
Kabel NYY-O
Průřez kabelu 70 mm²
Průměr kabelu 17 mm
Rozměry spojky 80 x 30 mm
Délka 500 mm
Označení DB č. 3 Ebs 15.03.19 - 32

Produkt 419040 byl přidán na seznam.

K seznamu

Produkt 419040 byl přidán do nákupního košíku.

Obj. č. 419050 D BEB 5 / EBS 15-03-19

GTIN 4013364439504, Číslo celního sazebníku (EU): 85369010, Váha brutto: 710.00 g, Balící jednotka: 1.00 ks


Vyobrazení

Další informace

Uzemňovací můstek z měděného kabelu D BEB 5 / EBS 15-03-19
pro uzemnění výztuže betonových dílů
s povolením DB Netz AG
Materiál destičky: nerez
Číslo materiálu: 1.4301
Materiál objímky: ocel/Cu
Materiál spojky: ocel/Cu
Materiál kabelu: Cu
Zkratový proud: > 25 kA
Zkušební proud: 40 kA/100 ms
Norma: Ril 997.0205A01
Zkratový proud (AC 50 Hz/DC): 12,6 kA
Závit: M16
Materiál připojovací destičky: 50 mm
Kabel: NYY-O
Průřez kabelu: 95 mm²
Průměr kabelu: 19 mm
Rozměry spojky: 80 x 30 mm
Délka: 500 mm
Označení DB č.: 3 Ebs 15.03.19 - 32

Výrobek: DEHN
Typ: D BEB 5 / EBS 15-03-19
Obj. č.: 419050
nebo rovnocenný.

 

Technické informace

Materiál destičky nerez
Číslo materiálu 1.4301
Materiál objímky ocel/ Cu
Materiál spojky ocel/ Cu
Materiál kabelu Cu
Zkratový proud > 25 kA
Zkušební proud 40 kA/100 ms
Norma Ril 997.0205A01
Zkratový proud (AC 50 Hz/DC) (1 s; ≤ 300 °C) 12,6 kA
Závit M16
Materiál připojovací destičky 50 mm
Kabel NYY-O
Průřez kabelu 95 mm²
Průměr kabelu 19 mm
Rozměry spojky 80 x 30 mm
Délka 500 mm
Označení DB č. 3 Ebs 15.03.19 - 32

Produkt 419050 byl přidán na seznam.

K seznamu

Produkt 419050 byl přidán do nákupního košíku.

Obj. č. 419051 D BEB 5-FLEX / EBS 15-03-19

GTIN 4013364439511, Číslo celního sazebníku (EU): 85369010, Váha brutto: 640.00 g, Balící jednotka: 1.00 ks


Vyobrazení

Další informace

Uzemňovací můstek z měděného kabelu D BEB 5-FLEX / EBS 15-03-19
pro uzemnění výztuže betonových dílů
s povolením DB Netz AG
Materiál destičky: nerez
Číslo materiálu: 1.4301
Materiál objímky: ocel/Cu
Materiál spojky: ocel/Cu
Materiál kabelu: Cu
Zkratový proud: > 25 kA
Zkušební proud: 40 kA/100 ms
Norma: Ril 997.0205A01
Zkratový proud (AC 50 Hz/DC): 12,6 kA
Závit: M16
Materiál připojovací destičky: 50 mm
Kabel: H07V-K
Průřez kabelu: 95 mm²
Průměr kabelu: 19 mm
Rozměry spojky: 80 x 30 mm
Délka: 500 mm
Označení DB č.: 3 Ebs 15.03.19 - 32

Výrobek: DEHN
Typ: D BEB 5-FLEX / EBS 15-03-19
Obj. č.: 419051
nebo rovnocenný.

 

Technické informace

Materiál destičky nerez
Číslo materiálu 1.4301
Materiál objímky ocel/ Cu
Materiál spojky ocel/ Cu
Materiál kabelu Cu
Zkratový proud > 25 kA
Zkušební proud 40 kA/100 ms
Norma Ril 997.0205A01
Zkratový proud (AC 50 Hz/DC) (1 s; ≤ 300 °C) 12,6 kA
Závit M16
Materiál připojovací destičky 50 mm
Kabel H07V-K
Průřez kabelu 95 mm²
Průměr kabelu 19 mm
Rozměry spojky 80 x 30 mm
Délka 500 mm
Označení DB č. 3 Ebs 15.03.19 - 32

Produkt 419051 byl přidán na seznam.

K seznamu

Produkt 419051 byl přidán do nákupního košíku.

Obj. č. 419501 D BEB 5 - L700 / EBS 15-03-19

GTIN 4013364458390, Číslo celního sazebníku (EU): 85369010, Váha brutto: 980.00 g, Balící jednotka: 1.00 ks


Vyobrazení

Další informace

Uzemňovací můstek z měděného kabelu D BEB 5 / EBS 15-03-19
pro uzemnění výztuže betonových dílů
s povolením DB Netz AG
Materiál destičky: nerez
Číslo materiálu: 1.4301
Materiál objímky: ocel/Cu
Materiál spojky: ocel/Cu
Materiál kabelu: Cu
Zkratový proud: > 25 kA
Zkušební proud: 40 kA/100 ms
Norma: Ril 997.0205A01
Zkratový proud (AC 50 Hz/DC): 12,6 kA
Závit: M16
Materiál připojovací destičky: 50 mm
Kabel: NYY-O
Průřez kabelu: 95 mm²
Průměr kabelu: 19 mm
Rozměry spojky: 80 x 30 mm
Délka: 700 mm
Označení DB č.: 3 Ebs 15.03.19 - 32

Výrobek: DEHN
Typ: D BEB 5 - L700 / EBS 15-03-19
Obj. č.: 419501
nebo rovnocenný.

 

Technické informace

Materiál destičky nerez
Číslo materiálu 1.4301
Materiál objímky ocel/ Cu
Materiál spojky ocel/ Cu
Materiál kabelu Cu
Zkratový proud > 25 kA
Zkušební proud 40 kA/100 ms
Norma Ril 997.0205A01
Zkratový proud (AC 50 Hz/DC) (1 s; ≤ 300 °C) 12,6 kA
Závit M16
Materiál připojovací destičky 50 mm
Kabel NYY-O
Průřez kabelu 95 mm²
Průměr kabelu 19 mm
Rozměry spojky 80 x 30 mm
Délka 700 mm
Označení DB č. 3 Ebs 15.03.19 - 32

Produkt 419501 byl přidán na seznam.

K seznamu

Produkt 419501 byl přidán do nákupního košíku.

Obj. č. 419502 D BEB 5 - L1000 / EBS 15-03-19

GTIN 4013364458406, Číslo celního sazebníku (EU): 85369010, Váha brutto: 1.40 kg, Balící jednotka: 1.00 ks


Vyobrazení

Další informace

Uzemňovací můstek z měděného kabelu D BEB 5 / EBS 15-03-19
pro uzemnění výztuže betonových dílů
s povolením DB Netz AG
Materiál destičky: nerez
Číslo materiálu: 1.4301
Materiál objímky: ocel/Cu
Materiál spojky: ocel/Cu
Materiál kabelu: Cu
Zkratový proud: > 25 kA
Zkušební proud: 40 kA/100 ms
Norma: Ril 997.0205A01
Zkratový proud (AC 50 Hz/DC): 12,6 kA
Závit: M16
Materiál připojovací destičky: 50 mm
Kabel: NYY-O
Průřez kabelu: 95 mm²
Průměr kabelu: 19 mm
Rozměry spojky: 80 x 30 mm
Délka: 1000 mm
Označení DB č.: 3 Ebs 15.03.19 - 32

Výrobek: DEHN
Typ: D BEB 5 - L1000 / EBS 15-03-19
Obj. č.: 419502
nebo rovnocenný.

 

Technické informace

Materiál destičky nerez
Číslo materiálu 1.4301
Materiál objímky ocel/ Cu
Materiál spojky ocel/ Cu
Materiál kabelu Cu
Zkratový proud > 25 kA
Zkušební proud 40 kA/100 ms
Norma Ril 997.0205A01
Zkratový proud (AC 50 Hz/DC) (1 s; ≤ 300 °C) 12,6 kA
Závit M16
Materiál připojovací destičky 50 mm
Kabel NYY-O
Průřez kabelu 95 mm²
Průměr kabelu 19 mm
Rozměry spojky 80 x 30 mm
Délka 1000 mm
Označení DB č. 3 Ebs 15.03.19 - 32

Produkt 419502 byl přidán na seznam.

K seznamu

Produkt 419502 byl přidán do nákupního košíku.

Obj. č. 419503 D BEB 5 - L1500 / EBS 15-03-19

GTIN 4013364458413, Číslo celního sazebníku (EU): 85369010, Váha brutto: 2.10 kg, Balící jednotka: 1.00 ks


Vyobrazení

Další informace

Uzemňovací můstek z měděného kabelu D BEB 5 / EBS 15-03-19
pro uzemnění výztuže betonových dílů
s povolením DB Netz AG
Materiál destičky: nerez
Číslo materiálu: 1.4301
Materiál objímky: ocel/Cu
Materiál spojky: ocel/Cu
Materiál kabelu: Cu
Zkratový proud: > 25 kA
Zkušební proud: 40 kA/100 ms
Norma: Ril 997.0205A01
Zkratový proud (AC 50 Hz/DC): 12,6 kA
Závit: M16
Materiál připojovací destičky: 50 mm
Kabel: NYY-O
Průřez kabelu: 95 mm²
Průměr kabelu: 19 mm
Rozměry spojky: 80 x 30 mm
Délka: 1500 mm
Označení DB č.: 3 Ebs 15.03.19 - 32

Výrobek: DEHN
Typ: D BEB 5 - L1500 / EBS 15-03-19
Obj. č.: 419503
nebo rovnocenný.

 

Technické informace

Materiál destičky nerez
Číslo materiálu 1.4301
Materiál objímky ocel/ Cu
Materiál spojky ocel/ Cu
Materiál kabelu Cu
Zkratový proud > 25 kA
Zkušební proud 40 kA/100 ms
Norma Ril 997.0205A01
Zkratový proud (AC 50 Hz/DC) (1 s; ≤ 300 °C) 12,6 kA
Závit M16
Materiál připojovací destičky 50 mm
Kabel NYY-O
Průřez kabelu 95 mm²
Průměr kabelu 19 mm
Rozměry spojky 80 x 30 mm
Délka 1500 mm
Označení DB č. 3 Ebs 15.03.19 - 32

Produkt 419503 byl přidán na seznam.

K seznamu

Produkt 419503 byl přidán do nákupního košíku.

Obj. č. 419504 D BEB 5 - L2000 / EBS 15-03-19

GTIN 4013364458420, Číslo celního sazebníku (EU): 85369010, Váha brutto: 2.80 kg, Balící jednotka: 1.00 ks


Vyobrazení

Další informace

Uzemňovací můstek z měděného kabelu D BEB 5 / EBS 15-03-19
pro uzemnění výztuže betonových dílů
s povolením DB Netz AG
Materiál destičky: nerez
Číslo materiálu: 1.4301
Materiál objímky: ocel/Cu
Materiál spojky: ocel/Cu
Materiál kabelu: Cu
Zkratový proud: > 25 kA
Zkušební proud: 40 kA/100 ms
Norma: Ril 997.0205A01
Zkratový proud (AC 50 Hz/DC): 12,6 kA
Závit: M16
Materiál připojovací destičky: 50 mm
Kabel: NYY-O
Průřez kabelu: 95 mm²
Průměr kabelu: 19 mm
Rozměry spojky: 80 x 30 mm
Délka: 2000 mm
Označení DB č.: 3 Ebs 15.03.19 - 32

Výrobek: DEHN
Typ: D BEB 5 - L2000 / EBS 15-03-19
Obj. č.: 419504
nebo rovnocenný.

 

Technické informace

Materiál destičky nerez
Číslo materiálu 1.4301
Materiál objímky ocel/ Cu
Materiál spojky ocel/ Cu
Materiál kabelu Cu
Zkratový proud > 25 kA
Zkušební proud 40 kA/100 ms
Norma Ril 997.0205A01
Zkratový proud (AC 50 Hz/DC) (1 s; ≤ 300 °C) 12,6 kA
Závit M16
Materiál připojovací destičky 50 mm
Kabel NYY-O
Průřez kabelu 95 mm²
Průměr kabelu 19 mm
Rozměry spojky 80 x 30 mm
Délka 2000 mm
Označení DB č. 3 Ebs 15.03.19 - 32

Produkt 419504 byl přidán na seznam.

K seznamu

Produkt 419504 byl přidán do nákupního košíku.


Uzemňovací můstek z měděného lana D BEB 6 / 7

Uzemňovací můstky jsou určeny pro uzemnění, vedení zpětného proudu a vyrovnání potenciálů v oblasti použití železničních tratí. Tato varianta se používá jako uzemňovací průchodka pro stavební díly tak, že je oboustranně instalována v rovině s povrchem. Flexibilita kabelu usnadňuje uživateli jeho instalaci do výztuže. Speciální varianty FLEX jsou zvláště vhodné pro montážní situace s kritickým nedostatkem místa – jsou zde použity extra flexibilní, jemně slaněné měděné kabely. Tyto uzemňovací můstky mají rovněž technické schválení od společnosti DB Netz AG a lze je proto bezpečně používat v projektech.
Na dotaz je možno dodat speciální délky: do celkové délky 500 mm v krocích po 50 mm a od celkové délky 500 mm v krocích po 100 mm.

4 Produkty

Obj. č. 419060 D BEB 6 / EBS 15-03-19

GTIN 4013364439528, Číslo celního sazebníku (EU): 85369010, Váha brutto: 600.00 g, Balící jednotka: 1.00 ks


Vyobrazení

Další informace

Uzemňovací můstek z měděného kabelu D BEB 6 / EBS 15-03-19
pro uzemnění výztuže betonových dílů
s povolením DB Netz AG
Materiál destičky: nerez
Číslo materiálu: 1.4301
Materiál objímky: ocel/Cu
Materiál kabelu: Cu
Zkratový proud: ≤ 25 kA
Zkušební proud: 25 kA/100 ms
Norma: Ril 997.0205A01
Zkratový proud (AC 50 Hz/DC): 7,9 kA
Závit: M16
Materiál připojovací destičky: 50 mm
Kabel: NYY-O
Průřez kabelu: 70 mm²
Průměr kabelu: 17 mm
Délka: 500 mm
Označení DB č.: 3 Ebs 15.03.19 - 33

Výrobek: DEHN
Typ: D BEB 6 / EBS 15-03-19
Obj. č.: 419060
nebo rovnocenný.

 

Technické informace

Materiál destičky nerez
Číslo materiálu 1.4301
Materiál objímky ocel/ Cu
Materiál kabelu Cu
Zkratový proud ≤ 25 kA
Zkušební proud 25 kA/100 ms
Norma Ril 997.0205A01
Zkratový proud (AC 50 Hz/DC) (1 s; ≤ 300 °C) 7,9 kA
Závit M16
Materiál připojovací destičky 50 mm
Kabel NYY-O
Průřez kabelu 70 mm²
Průměr kabelu 17 mm
Délka 500 mm
Označení DB č. 3 Ebs 15.03.19 - 33

Produkt 419060 byl přidán na seznam.

K seznamu

Produkt 419060 byl přidán do nákupního košíku.

Obj. č. 419061 D BEB 6-FLEX / EBS 15-03-19

GTIN 4013364439535, Číslo celního sazebníku (EU): 85369010, Váha brutto: 530.00 g, Balící jednotka: 1.00 ks


Vyobrazení

Další informace

Uzemňovací můstek z měděného kabelu D BEB 6-FLEX / EBS 15-03-19
pro uzemnění výztuže betonových dílů
s povolením DB Netz AG
Materiál destičky: nerez
Číslo materiálu: 1.4301
Materiál objímky: ocel/Cu
Materiál kabelu: Cu
Zkratový proud: ≤ 25 kA
Zkušební proud: 25 kA/100 ms
Norma: Ril 997.0205A01
Zkratový proud (AC 50 Hz/DC): 7,9 kA
Závit: M16
Materiál připojovací destičky: 50 mm
Kabel: H07V-K
Průřez kabelu: 70 mm²
Průměr kabelu: 17 mm
Délka: 500 mm
Označení DB č.: 3 Ebs 15.03.19 - 33

Výrobek: DEHN
Typ: D BEB 6-FLEX / EBS 15-03-19
Obj. č.: 419061
nebo rovnocenný.

 

Technické informace

Materiál destičky nerez
Číslo materiálu 1.4301
Materiál objímky ocel/ Cu
Materiál kabelu Cu
Zkratový proud ≤ 25 kA
Zkušební proud 25 kA/100 ms
Norma Ril 997.0205A01
Zkratový proud (AC 50 Hz/DC) (1 s; ≤ 300 °C) 7,9 kA
Závit M16
Materiál připojovací destičky 50 mm
Kabel H07V-K
Průřez kabelu 70 mm²
Průměr kabelu 17 mm
Délka 500 mm
Označení DB č. 3 Ebs 15.03.19 - 33

Produkt 419061 byl přidán na seznam.

K seznamu

Produkt 419061 byl přidán do nákupního košíku.

Obj. č. 419070 D BEB 7 / EBS 15-03-19

GTIN 4013364439542, Číslo celního sazebníku (EU): 85369010, Váha brutto: 704.50 g, Balící jednotka: 1.00 ks


Vyobrazení

Další informace

Uzemňovací můstek z měděného kabelu D BEB 7 / EBS 15-03-19
pro uzemnění výztuže betonových dílů
s povolením DB Netz AG
Materiál destičky: nerez
Číslo materiálu: 1.4301
Materiál objímky: ocel/Cu
Materiál kabelu: Cu
Zkratový proud: > 25 kA
Zkušební proud: 40 kA/100 ms
Norma: Ril 997.0205A01
Zkratový proud (AC 50 Hz/DC): 12,6 kA
Závit: M16
Materiál připojovací destičky: 50 mm
Kabel: NYY-O
Průřez kabelu: 95 mm²
Průměr kabelu: 19 mm
Délka: 500 mm
Označení DB č.: 3 Ebs 15.03.19 - 33

Výrobek: DEHN
Typ: D BEB 7 / EBS 15-03-19
Obj. č.: 419070
nebo rovnocenný.

 

Technické informace

Materiál destičky nerez
Číslo materiálu 1.4301
Materiál objímky ocel/ Cu
Materiál kabelu Cu
Zkratový proud > 25 kA
Zkušební proud 40 kA/100 ms
Norma Ril 997.0205A01
Zkratový proud (AC 50 Hz/DC) (1 s; ≤ 300 °C) 12,6 kA
Závit M16
Materiál připojovací destičky 50 mm
Kabel NYY-O
Průřez kabelu 95 mm²
Průměr kabelu 19 mm
Délka 500 mm
Označení DB č. 3 Ebs 15.03.19 - 33

Produkt 419070 byl přidán na seznam.

K seznamu

Produkt 419070 byl přidán do nákupního košíku.

Obj. č. 419071 D BEB 7-FLEX / EBS 15-03-19

GTIN 4013364439559, Číslo celního sazebníku (EU): 85369010, Váha brutto: 622.00 g, Balící jednotka: 1.00 ks


Vyobrazení

Další informace

Uzemňovací můstek z měděného kabelu D BEB 7-FLEX / EBS 15-03-19
pro uzemnění výztuže betonových dílů
s povolením DB Netz AG
Materiál destičky: nerez
Číslo materiálu: 1.4301
Materiál objímky: ocel/Cu
Materiál kabelu: Cu
Zkratový proud: > 25 kA
Zkušební proud: 40 kA/100 ms
Norma: Ril 997.0205A01
Zkratový proud (AC 50 Hz/DC): 12,6 kA
Závit: M16
Materiál připojovací destičky: 50 mm
Kabel: H07V-K
Průřez kabelu: 95 mm²
Průměr kabelu: 19 mm
Délka: 500 mm
Označení DB č.: 3 Ebs 15.03.19 - 33

Výrobek: DEHN
Typ: D BEB 7-FLEX / EBS 15-03-19
Obj. č.: 419071
nebo rovnocenný.

 

Technické informace

Materiál destičky nerez
Číslo materiálu 1.4301
Materiál objímky ocel/ Cu
Materiál kabelu Cu
Zkratový proud > 25 kA
Zkušební proud 40 kA/100 ms
Norma Ril 997.0205A01
Zkratový proud (AC 50 Hz/DC) (1 s; ≤ 300 °C) 12,6 kA
Závit M16
Materiál připojovací destičky 50 mm
Kabel H07V-K
Průřez kabelu 95 mm²
Průměr kabelu 19 mm
Délka 500 mm
Označení DB č. 3 Ebs 15.03.19 - 33

Produkt 419071 byl přidán na seznam.

K seznamu

Produkt 419071 byl přidán do nákupního košíku.


Uzemňovací můstek z měděného lana D BEB 9 / 10

Uzemňovací můstky jsou určeny pro uzemnění, vedení zpětného proudu a vyrovnání potenciálů v oblasti použití železničních tratí. Tato varianta umožňuje neviditelné spojení v betonu přivařením poměděných ocelových pásků nalisovaných na měděný kabel k uzemňovací výztuži. Flexibilita kabelu usnadňuje uživateli jeho instalaci do výztuže. Speciální varianty FLEX jsou zvláště vhodné pro montážní situace s kritickým nedostatkem místa – jsou zde použity extra flexibilní, jemně slaněné měděné kabely. Tyto uzemňovací můstky mají rovněž technické schválení od společnosti DB Netz AG a lze je proto bezpečně používat v projektech.
Na dotaz je možno dodat speciální délky: do celkové délky 500 mm v krocích po 50 mm a od celkové délky 500 mm v krocích po 100 mm.

5 Produkty

Obj. č. 419090 D BEB 9 / EBS 15-03-19

GTIN 4013364439573, Číslo celního sazebníku (EU): 85369010, Váha brutto: 640.00 g, Balící jednotka: 1.00 ks


Vyobrazení

Další informace

Uzemňovací můstek z měděného kabelu D BEB 9 / EBS 15-03-19
pro uzemnění výztuže betonových dílů
s povolením DB Netz AG
Materiál spojky: ocel/Cu
Materiál kabelu: Cu
Zkratový proud: ≤ 25 kA
Zkušební proud: 25 kA/100 ms
Norma: Ril 997.0205A01
Zkratový proud (AC 50 Hz/DC): 7,9 kA
Kabel: NYY-O
Průřez kabelu: 70 mm²
Průměr kabelu: 17 mm
Rozměry spojky: 80 x 30 mm
Délka: 500 mm
Označení DB č.: 3 Ebs 15.03.19 - 33

Výrobek: DEHN
Typ: D BEB 9 / EBS 15-03-19
Obj. č.: 419090
nebo rovnocenný.

 

Technické informace

Materiál spojky ocel/ Cu
Materiál kabelu Cu
Zkratový proud ≤ 25 kA
Zkušební proud 25 kA/100 ms
Norma Ril 997.0205A01
Zkratový proud (AC 50 Hz/DC) (1 s; ≤ 300 °C) 7,9 kA
Kabel NYY-O
Průřez kabelu 70 mm²
Průměr kabelu 17 mm
Rozměry spojky 80 x 30 mm
Délka 500 mm
Označení DB č. 3 Ebs 15.03.19 - 33

Produkt 419090 byl přidán na seznam.

K seznamu

Produkt 419090 byl přidán do nákupního košíku.

Obj. č. 419091 D BEB 9-FLEX / EBS 15-03-19

GTIN 4013364439580, Číslo celního sazebníku (EU): 85369010, Váha brutto: 570.00 g, Balící jednotka: 1.00 ks


Vyobrazení

Další informace

Uzemňovací můstek z měděného kabelu D BEB 9-FLEX / EBS 15-03-19
pro uzemnění výztuže betonových dílů
s povolením DB Netz AG
Materiál spojky: ocel/Cu
Materiál kabelu: Cu
Zkratový proud: ≤ 25 kA
Zkušební proud: 25 kA/100 ms
Norma: Ril 997.0205A01
Zkratový proud (AC 50 Hz/DC): 7,9 kA
Kabel: H07V-K
Průřez kabelu: 70 mm²
Průměr kabelu: 17 mm
Rozměry spojky: 80 x 30 mm
Délka: 500 mm
Označení DB č.: 3 Ebs 15.03.19 - 33

Výrobek: DEHN
Typ: D BEB 9-FLEX / EBS 15-03-19
Obj. č.: 419091
nebo rovnocenný.

 

Technické informace

Materiál spojky ocel/ Cu
Materiál kabelu Cu
Zkratový proud ≤ 25 kA
Zkušební proud 25 kA/100 ms
Norma Ril 997.0205A01
Zkratový proud (AC 50 Hz/DC) (1 s; ≤ 300 °C) 7,9 kA
Kabel H07V-K
Průřez kabelu 70 mm²
Průměr kabelu 17 mm
Rozměry spojky 80 x 30 mm
Délka 500 mm
Označení DB č. 3 Ebs 15.03.19 - 33

Produkt 419091 byl přidán na seznam.

K seznamu

Produkt 419091 byl přidán do nákupního košíku.

Obj. č. 419100 D BEB 10 / EBS 15-03-19

GTIN 4013364439597, Číslo celního sazebníku (EU): 85369010, Váha brutto: 722.50 g, Balící jednotka: 1.00 ks


Vyobrazení

Další informace

Uzemňovací můstek z měděného kabelu D BEB 10 / EBS 15-03-19
pro uzemnění výztuže betonových dílů
s povolením DB Netz AG
Materiál spojky: ocel/Cu
Materiál kabelu: Cu
Zkratový proud: > 25 kA
Zkušební proud: 40 kA/100 ms
Norma: Ril 997.0205A01
Zkratový proud (AC 50 Hz/DC): 12,6 kA
Kabel: NYY-O
Průřez kabelu: 95 mm²
Průměr kabelu: 19 mm
Rozměry spojky: 80 x 30 mm
Délka: 500 mm
Označení DB č.: 3 Ebs 15.03.19 - 33

Výrobek: DEHN
Typ: D BEB 10 / EBS 15-03-19
Obj. č.: 419100
nebo rovnocenný.

 

Technické informace

Materiál spojky ocel/ Cu
Materiál kabelu Cu
Zkratový proud > 25 kA
Zkušební proud 40 kA/100 ms
Norma Ril 997.0205A01
Zkratový proud (AC 50 Hz/DC) (1 s; ≤ 300 °C) 12,6 kA
Kabel NYY-O
Průřez kabelu 95 mm²
Průměr kabelu 19 mm
Rozměry spojky 80 x 30 mm
Délka 500 mm
Označení DB č. 3 Ebs 15.03.19 - 33

Produkt 419100 byl přidán na seznam.

K seznamu

Produkt 419100 byl přidán do nákupního košíku.

Obj. č. 419101 D BEB 10-FLEX / EBS 15-03-19

GTIN 4013364439603, Číslo celního sazebníku (EU): 85369010, Váha brutto: 667.00 g, Balící jednotka: 1.00 ks


Vyobrazení

Další informace

Uzemňovací můstek z měděného kabelu D BEB 10-FLEX / EBS 15-03-1
pro uzemnění výztuže betonových dílů
s povolením DB Netz AG
Materiál spojky: ocel/Cu
Materiál kabelu: Cu
Zkratový proud: > 25 kA
Zkušební proud: 40 kA/100 ms
Norma: Ril 997.0205A01
Zkratový proud (AC 50 Hz/DC): 12,6 kA
Kabel: H07V-K
Průřez kabelu: 95 mm²
Průměr kabelu: 19 mm
Rozměry spojky: 80 x 30 mm
Délka: 500 mm
Označení DB č.: 3 Ebs 15.03.19 - 33

Výrobek: DEHN
Typ: D BEB 10-FLEX / EBS 15-03-19
Obj. č.: 419101
nebo rovnocenný.

 

Technické informace

Materiál spojky ocel/ Cu
Materiál kabelu Cu
Zkratový proud > 25 kA
Zkušební proud 40 kA/100 ms
Norma Ril 997.0205A01
Zkratový proud (AC 50 Hz/DC) (1 s; ≤ 300 °C) 12,6 kA
Kabel H07V-K
Průřez kabelu 95 mm²
Průměr kabelu 19 mm
Rozměry spojky 80 x 30 mm
Délka 500 mm
Označení DB č. 3 Ebs 15.03.19 - 33

Produkt 419101 byl přidán na seznam.

K seznamu

Produkt 419101 byl přidán do nákupního košíku.

Obj. č. 419505 D BEB 10 - L800 / EBS 15-03-19

GTIN 4013364458437, Číslo celního sazebníku (EU): 85369010, Váha brutto: 1.12 kg, Balící jednotka: 1.00 ks


Vyobrazení

Další informace

Uzemňovací můstek z měděného kabelu D BEB 10 / EBS 15-03-19
pro uzemnění výztuže betonových dílů
s povolením DB Netz AG
Materiál spojky: ocel/Cu
Materiál kabelu: Cu
Zkratový proud: > 25 kA
Zkušební proud: 40 kA/100 ms
Norma: Ril 997.0205A01
Zkratový proud (AC 50 Hz/DC): 12,6 kA
Kabel: NYY-O
Průřez kabelu: 95 mm²
Průměr kabelu: 19 mm
Rozměry spojky: 80 x 30 mm
Délka: 800 mm
Označení DB č.: 3 Ebs 15.03.19 - 33

Výrobek: DEHN
Typ: D BEB 10 - L800 / EBS 15-03-19
Obj. č.: 419505
nebo rovnocenný.

 

Technické informace

Materiál spojky ocel/ Cu
Materiál kabelu Cu
Zkratový proud > 25 kA
Zkušební proud 40 kA/100 ms
Norma Ril 997.0205A01
Zkratový proud (AC 50 Hz/DC) (1 s; ≤ 300 °C) 12,6 kA
Kabel NYY-O
Průřez kabelu 95 mm²
Průměr kabelu 19 mm
Rozměry spojky 80 x 30 mm
Délka 800 mm
Označení DB č. 3 Ebs 15.03.19 - 33

Produkt 419505 byl přidán na seznam.

K seznamu

Produkt 419505 byl přidán do nákupního košíku.


Uzemňovací propojka pro uzemnění velkých potrubí D BEB 11

Uzemňovací můstky jsou určeny pro uzemnění, vedení zpětného proudu a vyrovnání potenciálů v oblasti použití železničních tratí. Varianta pro uzemnění velkého potrubí je určena pro použití s pilotami a základy pro velká potrubí. Výrobek se skládá z měděného kabelu s nalisovanou objímkou a připojovací nerezové destičky s integrovanými otvory pro upevnění bednění na jednom konci a kabelového oka na opačném konci. Kabelové oko se používá k vytvoření spojení odolného proti zkratovému proudu k pilotě nebo základu velkého potrubí. Flexibilita kabelu usnadňuje uživateli jeho instalaci do výztuže. Tento uzemňovací můstek má rovněž technické schválení od společnosti DB Netz AG a lze jej proto bezpečně používat v projektech.
Na dotaz je možno dodat speciální délky: do celkové délky 500 mm v krocích po 50 mm a od celkové délky 500 mm v krocích po 100 mm.

2 Produkty

Obj. č. 419110 D BEB 11 / EBS 15-03-27

GTIN 4013364439665, Číslo celního sazebníku (EU): 85369010, Váha brutto: 640.00 g, Balící jednotka: 1.00 ks


Vyobrazení

Další informace

Uzemňovací můstek pro uzemnění velkého potrubí D BEB 11 / EBS 15-03-27
pro uzemnění výztuže betonových dílů
s povolením DB Netz AG
Materiál destičky: nerez
Číslo materiálu: 1.4301
Materiál objímky: ocel/Cu
Materiál kabelového oka: Cu/gal Sn (galvanicky pocínovaná)
Materiál kabelu: Cu
Zkratový proud: ≤ 25 kA
Zkušební proud: 25 kA/100 ms
Norma: Ril 997.0205A01
Zkratový proud (AC 50 Hz/DC): 7,9 kA
Závit: M16
Materiál připojovací destičky: 50 mm
Kabel: NYY-O
Průřez kabelu: 70 mm²
Průměr kabelu: 17 mm
Otvor kabelového oka: 13 mm
Délka: 500 mm
Označení DB č.: 4 Ebs 15.03.27 - 2

Výrobek: DEHN
Typ: D BEB 11 / EBS 15-03-27
Obj. č.: 419110
nebo rovnocenný.

 

Technické informace

Materiál destičky nerez
Číslo materiálu 1.4301
Materiál objímky ocel/ Cu
Materiál kabelového oka Cu /gal Sn (galvanicky pocínovaná)
Materiál kabelu Cu
Zkratový proud ≤ 25 kA
Zkušební proud 25 kA/100 ms
Norma Ril 997.0205A01
Zkratový proud (AC 50 Hz/DC) (1 s; ≤ 300 °C) 7,9 kA
Závit M16
Materiál připojovací destičky 50 mm
Kabel NYY-O
Průřez kabelu 70 mm²
Průměr kabelu 17 mm
Otvor kabelového oka 13 mm
Délka 500 mm
Označení DB č. 4 Ebs 15.03.27 - 2

Produkt 419110 byl přidán na seznam.

K seznamu

Produkt 419110 byl přidán do nákupního košíku.

Obj. č. 419506 D BEB 11 - L1000 / EBS 15-03-27

GTIN 4013364458444, Číslo celního sazebníku (EU): 85369010, Váha brutto: 1.10 kg, Balící jednotka: 1.00 ks


Vyobrazení

Další informace

Uzemňovací můstek pro uzemnění velkého potrubí D BEB 11 / EBS 15-03-27
pro uzemnění výztuže betonových dílů
s povolením DB Netz AG
Materiál destičky: nerez
Číslo materiálu: 1.4301
Materiál objímky: ocel/Cu
Materiál kabelového oka: Cu/gal Sn (galvanicky pocínovaná)
Materiál kabelu: Cu
Zkratový proud: ≤ 25 kA
Zkušební proud: 25 kA/100 ms
Norma: Ril 997.0205A01
Zkratový proud (AC 50 Hz/DC): 7,9 kA
Závit: M16
Materiál připojovací destičky: 50 mm
Kabel: NYY-O
Průřez kabelu: 70 mm²
Průměr kabelu: 17 mm
Otvor kabelového oka: 13 mm
Délka: 1000 mm
Označení DB č.: 4 Ebs 15.03.27 - 2

Výrobek: DEHN
Typ: D BEB 11 - L1000 / EBS 15-03-27
Obj. č.: 419506
nebo rovnocenný.

 

Technické informace

Materiál destičky nerez
Číslo materiálu 1.4301
Materiál objímky ocel/ Cu
Materiál kabelového oka Cu /gal Sn (galvanicky pocínovaná)
Materiál kabelu Cu
Zkratový proud ≤ 25 kA
Zkušební proud 25 kA/100 ms
Norma Ril 997.0205A01
Zkratový proud (AC 50 Hz/DC) (1 s; ≤ 300 °C) 7,9 kA
Závit M16
Materiál připojovací destičky 50 mm
Kabel NYY-O
Průřez kabelu 70 mm²
Průměr kabelu 17 mm
Otvor kabelového oka 13 mm
Délka 1000 mm
Označení DB č. 4 Ebs 15.03.27 - 2

Produkt 419506 byl přidán na seznam.

K seznamu

Produkt 419506 byl přidán do nákupního košíku.


Uzemňovací propojka pro uzemnění velkých potrubí D BEB 40

Uzemňovací propojky jsou určeny pro uzemnění, vedení zpětného proudu a vyrovnání potenciálů v oblasti použití železničních tratí. Varianta pro uzemnění velkého potrubí je navržena pro použití s pilotami a základy pro velká potrubí. Výrobek se skládá z ocelového lana s poměděným ocelovým páskem na jednom konci a kabelovým okem na druhém konci. Smršťovací bužírka na straně pro přivaření zabraňuje vniknutí vody do ocelového lana. Ocelové lano představuje preventivní opatření proti krádeži. Tato uzemňovací propojka má rovněž technické schválení od společnosti DB Netz AG a lze ji proto bezpečně používat v projektech.
Na dotaz je možno dodat speciální délky: do celkové délky 500 mm v krocích po 50 mm a od celkové délky 500 mm v krocích po 100 mm.

1 Produkt

Obj. č. 419400 D BEB 40 / EBS 15-03-25

GTIN 4013364439672, Číslo celního sazebníku (EU): 85359000, Váha brutto: 700.00 g, Balící jednotka: 1.00 ks


Vyobrazení

Další informace

Uzemňovací můstek pro uzemnění velkého potrubí D BEB 40 / EBS 15-03-25
pro uzemnění výztuže betonových dílů
s povolením DB Netz AG
Materiál spojky: ocel/Cu
Materiál kabelového oka: Cu/gal Sn (galvanicky pocínovaná)
Materiál lana: ocel
Zkratový proud: ≤ 25 kA
Zkušební proud: 25 kA/100 ms
Norma: Ril 997.0205A01
Zkratový proud (AC 50 Hz/DC): 7,9 kA
Průřez lana: 95 mm²
Průměr kabelu: 17 mm
Rozměry spojky: 80 x 30 mm
Otvor kabelového oka: 17 mm
Délka: 500 mm
Označení DB č.: 4 Ebs 15.03.25 - 4

Výrobek: DEHN
Typ: D BEB 40 / EBS 15-03-25
Obj. č.: 419400
nebo rovnocenný.

 

Technické informace

Materiál spojky ocel/ Cu
Materiál kabelového oka Cu /gal Sn (galvanicky pocínovaná)
Materiál lana ocel
Zkratový proud ≤ 25 kA
Zkušební proud 25 kA/100 ms
Norma Ril 997.0205A01
Zkratový proud (AC 50 Hz/DC) (1 s; ≤ 300 °C) 7,9 kA
Průřez lana 95 mm²
Průměr kabelu 17 mm
Rozměry spojky 80 x 30 mm
Otvor kabelového oka 17 mm
Délka 500 mm
Označení DB č. 4 Ebs 15.03.25 - 4

Produkt 419400 byl přidán na seznam.

K seznamu

Produkt 419400 byl přidán do nákupního košíku.


Uzemňovací propojka z ocelového lana D BEB 26

Uzemňovací propojky jsou určeny pro uzemnění, vedení zpětného proudu a vyrovnání potenciálů v oblasti použití železničních tratí. Bezhalogenová varianta (opláštění) D BEB 26 – pro vnější připojení uzemňovacích bodů nebo jiných částí k uzemnění má jako uzemňovací vodič ocelové lanko a představuje tak preventivní opatření na ochranu proti krádeži. Tato uzemňovací propojka má rovněž technické schválení od společnosti DB Netz AG a lze ji proto bezpečně používat v projektech.
Na dotaz je možno dodat speciální délky: do celkové délky 500 mm v krocích po 50 mm a od celkové délky 500 mm v krocích po 100 mm.

1 Produkt

Obj. č. 419260 D BEB 26 / EBS 15-03-17

GTIN 4013364439610, Číslo celního sazebníku (EU): 85359000, Váha brutto: 630.00 g, Balící jednotka: 1.00 ks


Vyobrazení

Další informace

Uzemňovací propojka z ocelového lana D BEB 26 / EBS 15-03-17
pro uzemnění výztuže betonových dílů
s povolením DB Netz AG
Materiál kabelového oka: Cu/gal Sn (galvanicky pocínovaná)
Materiál lana: ocel
Zkratový proud: ≤ 25 kA
Zkušební proud: 25 kA/100 ms
Norma: Ril 997.0205A01
Zkratový proud (AC 50 Hz/DC): 7,9 kA
Lano: 1-12-12 B 350 sZ PE
Průřez lana: ≥ 95 mm²
Provedení: bezhalogenové
Průměr kabelu: 17 mm
Otvor kabelového oka: 17 mm
Délka: 500 mm
Označení DB č.: 3 Ebs 15.03.17 - 11

Výrobek: DEHN
Typ: D BEB 26 / EBS 15-03-17
Obj. č.: 419260
nebo rovnocenný.

 

Technické informace

Materiál kabelového oka Cu /gal Sn (galvanicky pocínovaná)
Materiál lana ocel
Zkratový proud ≤ 25 kA
Zkušební proud 25 kA/100 ms
Norma Ril 997.0205A01
Zkratový proud (AC 50 Hz/DC) (1 s; ≤ 300 °C) 7,9 kA
Lano 1-12-12 B 350 sZ PE
Průřez lana ≥ 95 mm²
Provedení bezhalogenové
Průměr kabelu 17 mm
Otvor kabelového oka 17 mm
Délka 500 mm
Označení DB č. 3 Ebs 15.03.17 - 11

Produkt 419260 byl přidán na seznam.

K seznamu

Produkt 419260 byl přidán do nákupního košíku.


Uzemňovací propojka z kabelu CuFeAl D BEB 29

Uzemňovací propojky jsou určeny pro uzemnění, vedení zpětného proudu a vyrovnání potenciálů v oblasti použití železničních tratí. Bezhalogenová varianta D BEB 29 resp. bezhalogenová a nehořlavá varianta D BEB 29-NF – je pro vnější připojení zemničů a dalších připojovacích prvků navržena v provedení s kabelovým okem pro připojení šrouby M16. Tyto uzemňovací propojky se skládají z měděno-ocelovo-hliníkového kabelu a představují tak preventivní opatření na ochranu proti krádeži. Tyto uzemňovací propojky mají rovněž technické schválení od společnosti DB Netz AG a lze je proto bezpečně používat v projektech. Bezhalogenové a nehořlavé provedení lze použít v tunelech v souladu s předpisy EU.
Na dotaz je možno dodat speciální délky: do celkové délky 500 mm v krocích po 50 mm a od celkové délky 500 mm v krocích po 100 mm.

6 Produkty

Obj. č. 419290 D BEB 29 / EBS 15-03-17

GTIN 4013364439627, Číslo celního sazebníku (EU): 85359000, Váha brutto: 390.00 g, Balící jednotka: 1.00 ks


Vyobrazení

Další informace

Uzemňovací propojka z měděno-ocelovo-hliníkového kabelu
D BEB 29 / EBS 15-03-17
pro uzemnění výztuže betonových dílů
s povolením DB Netz AG
Materiál kabelového oka: Cu/gal Sn (galvanicky pocínovaná)
Materiál kabelu: CuFeAl
Zkratový proud: > 25 kA
Zkušební proud: 40 kA/100 ms
Norma: Ril 997.0205A01
Zkratový proud (AC 50 Hz/DC): 12,6 kA
Kabel: (N)2X RF CuFeAl
Průřez kabelu: ≥ 70 mm²
Provedení: bezhalogenové
Průměr kabelu: 17 mm
Otvor kabelového oka: 17 mm
Délka: 500 mm
Označení DB č.: 4 Ebs 15.03.17 - 6 (Bayka)

Výrobek: DEHN
Typ: D BEB 29 / EBS 15-03-17
Obj. č.: 419290
nebo rovnocenný.

 

Technické informace

Materiál kabelového oka Cu /gal Sn (galvanicky pocínovaná)
Materiál kabelu Cu Fe Al
Zkratový proud > 25 kA
Zkušební proud 40 kA/100 ms
Norma Ril 997.0205A01
Zkratový proud (AC 50 Hz/DC) (1 s; ≤ 300 °C) 12,6 kA
Kabel (N)2X RF Cu Fe Al
Průřez kabelu ≥ 70 mm²
Provedení bezhalogenové
Průměr kabelu 17 mm
Otvor kabelového oka 17 mm
Délka 500 mm
Označení DB č. 4 Ebs 15.03.17 - 6 (Bayka)

Produkt 419290 byl přidán na seznam.

K seznamu

Produkt 419290 byl přidán do nákupního košíku.

Obj. č. 419291 D BEB 29-NF / EBS 15-03-17

GTIN 4013364439634, Číslo celního sazebníku (EU): 85359000, Váha brutto: 410.00 g, Balící jednotka: 1.00 ks


Vyobrazení

Další informace

Uzemňovací propojka z měděno-ocelovo-hliníkového kabelu
D BEB 29-NF / EBS 15-03-17
pro uzemnění výztuže betonových dílů
s povolením DB Netz AG
Materiál kabelového oka: Cu/gal Sn (galvanicky pocínovaná)
Materiál kabelu: CuFeAl
Zkratový proud: > 25 kA
Zkušební proud: 40 kA/100 ms
Norma: Ril 997.0205A01
Zkratový proud (AC 50 Hz/DC): 12,6 kA
Kabel: B2ca RF CuFeAl
Průřez kabelu: ≥ 70 mm²
Provedení: bezhalogenové a zpomalující hoření
Průměr kabelu: 17 mm
Otvor kabelového oka: 17 mm
Délka: 500 mm
Označení DB č.: 4 Ebs 15.03.17 - 6 (Bayka)

Výrobek: DEHN
Typ: D BEB 29-NF / EBS 15-03-17
Obj. č.: 419291
nebo rovnocenný.

 

Technické informace

Materiál kabelového oka Cu /gal Sn (galvanicky pocínovaná)
Materiál kabelu Cu Fe Al
Zkratový proud > 25 kA
Zkušební proud 40 kA/100 ms
Norma Ril 997.0205A01
Zkratový proud (AC 50 Hz/DC) (1 s; ≤ 300 °C) 12,6 kA
Kabel B2ca RF Cu Fe Al
Průřez kabelu ≥ 70 mm²
Provedení bezhalogenové a zpomalující hoření
Průměr kabelu 17 mm
Otvor kabelového oka 17 mm
Délka 500 mm
Označení DB č. 4 Ebs 15.03.17 - 6 (Bayka)

Produkt 419291 byl přidán na seznam.

K seznamu

Produkt 419291 byl přidán do nákupního košíku.

Obj. č. 419511 D BEB 29 M12 M16 / EBS 15-03-17

GTIN 4013364480513, Číslo celního sazebníku (EU): 85359000, Váha brutto: 410.00 g, Balící jednotka: 1.00 ks


Vyobrazení

Další informace

Uzemňovací propojka z měděno-ocelovo-hliníkového kabelu
D BEB 29 M12 M16 / EBS 15-03-17
pro uzemnění stavebních dílů (M16) nebo přípojnic (M12)
s povolením DB Netz AG
Materiál kabelového oka: Cu/gal Sn (galvanicky pocínovaná)
Materiál kabelu: CuFeAl
Zkratový proud: > 25 kA
Zkušební proud: 40 kA/100 ms
Norma: Ril 997.0205A01
Zkratový proud (AC 50 Hz/DC): 12,6 kA
Kabel: (N)2X RF CuFeAl
Průřez kabelu: ≥ 70 mm²
Provedení: bezhalogenové
Průměr kabelu: 17 mm
Otvor kabelového oka: 13 mm pro M12 a 17 mm pro M16
Délka: 500 mm
Označení DB č.: 4 Ebs 15.03.17 - 6 (Bayka)

Výrobek: DEHN
Typ: D BEB 29 M12 M16 / EBS 15-03-17
Obj. č.: 419511
nebo rovnocenný.

 

Technické informace

Materiál kabelového oka Cu /gal Sn (galvanicky pocínovaná)
Materiál kabelu Cu Fe Al
Zkratový proud > 25 kA
Zkušební proud 40 kA/100 ms
Norma Ril 997.0205A01
Zkratový proud (AC 50 Hz/DC) (1 s; ≤ 300 °C) 12,6 kA
Kabel (N)2X RF Cu Fe Al
Průřez kabelu ≥ 70 mm²
Provedení bezhalogenové
Průměr kabelu 17 mm
Otvor kabelového oka 13 mm pro M12 a 17 mm pro M16
Délka 500 mm
Označení DB č. 4 Ebs 15.03.17 - 6 (Bayka)

Produkt 419511 byl přidán na seznam.

K seznamu

Produkt 419511 byl přidán do nákupního košíku.

Obj. č. 419512 D BEB 29-NF M12 M16 / EBS 15-03-17

GTIN 4013364480520, Číslo celního sazebníku (EU): 85359000, Váha brutto: 410.00 g, Balící jednotka: 1.00 ks


Vyobrazení

Další informace

Uzemňovací propojka z měděno-ocelovo-hliníkového kabelu
D BEB 29-NF / EBS 15-03-17
pro uzemnění výztuže betonových dílů
s povolením DB Netz AG
Materiál kabelového oka: Cu/gal Sn (galvanicky pocínovaná)
Materiál kabelu: CuFeAl
Zkratový proud: > 25 kA
Zkušební proud: 40 kA/100 ms
Norma: Ril 997.0205A01
Zkratový proud (AC 50 Hz/DC): 12,6 kA
Kabel: B2ca RF CuFeAl
Průřez kabelu: ≥ 70 mm²
Provedení: bezhalogenové a zpomalující hoření
Průměr kabelu: 17 mm
Otvor kabelového oka: 13 mm pro M12 a 17 mm pro M16
Délka: 500 mm
Označení DB č.: 4 Ebs 15.03.17 - 6 (Bayka)

Výrobek: DEHN
Typ: D BEB 29-NF M12 M16 / EBS 15-03-17
Obj. č.: 419512
nebo rovnocenný.

 

Technické informace

Materiál kabelového oka Cu /gal Sn (galvanicky pocínovaná)
Materiál kabelu Cu Fe Al
Zkratový proud > 25 kA
Zkušební proud 40 kA/100 ms
Norma Ril 997.0205A01
Zkratový proud (AC 50 Hz/DC) (1 s; ≤ 300 °C) 12,6 kA
Kabel B2ca RF Cu Fe Al
Průřez kabelu ≥ 70 mm²
Provedení bezhalogenové a zpomalující hoření
Průměr kabelu 17 mm
Otvor kabelového oka 13 mm pro M12 a 17 mm pro M16
Délka 500 mm
Označení DB č. 4 Ebs 15.03.17 - 6 (Bayka)

Produkt 419512 byl přidán na seznam.

K seznamu

Produkt 419512 byl přidán do nákupního košíku.

Obj. č. 419513 D BEB 29 R / EBS 15-03-17

GTIN 4013364480506, Číslo celního sazebníku (EU): 85359000, Váha brutto: 410.00 g, Balící jednotka: 1.00 ks


Vyobrazení

Další informace

Uzemňovací propojka z měděno-ocelovo-hliníkového kabelu
v pravotočivém provedení
D BEB 29 R / EBS 15-03-17
pro uzemnění výztuže betonových dílů
s povolením DB Netz AG
Materiál kabelového oka: Cu/gal Sn (galvanicky pocínovaná)
Materiál kabelu: CuFeAl
Zkratový proud: > 25 kA
Zkušební proud: 40 kA/100 ms
Norma: Ril 997.0205A01
Zkratový proud (AC 50 Hz/DC): 12,6 kA
Kabel: (N)2X RF CuFeAl
Průřez kabelu: ≥ 70 mm²
Provedení: bezhalogenové
Průměr kabelu: 17 mm
Otvor kabelového oka: 17 mm
Provedení kabelového oka: 90° pravotočivé provedení
Délka: 500 mm
Označení DB č.: 4 Ebs 15.03.17 - 6 (Bayka)

Výrobek: DEHN
Typ: D BEB 29 R / EBS 15-03-17
Obj. č.: 419513
nebo rovnocenný.

 

Technické informace

Materiál kabelového oka Cu /gal Sn (galvanicky pocínovaná)
Materiál kabelu Cu Fe Al
Zkratový proud > 25 kA
Zkušební proud 40 kA/100 ms
Norma Ril 997.0205A01
Zkratový proud (AC 50 Hz/DC) (1 s; ≤ 300 °C) 12,6 kA
Kabel (N)2X RF Cu Fe Al
Průřez kabelu ≥ 70 mm²
Provedení bezhalogenové
Průměr kabelu 17 mm
Otvor kabelového oka 17 mm
Provedení kabelového oka 90° pravotočivé provedení
Délka 500 mm
Označení DB č. 4 Ebs 15.03.17 - 6 (Bayka)

Produkt 419513 byl přidán na seznam.

K seznamu

Produkt 419513 byl přidán do nákupního košíku.

Obj. č. 419514 D BEB 29 L / EBS 15-03-17

GTIN 4013364480537, Číslo celního sazebníku (EU): 85359000, Váha brutto: 410.00 g, Balící jednotka: 1.00 ks


Vyobrazení

Další informace

Uzemňovací propojka z měděno-ocelovo-hliníkového kabelu
v levotočivém provedení
D BEB 29 R / EBS 15-03-17
pro uzemnění výztuže betonových dílů
s povolením DB Netz AG
Materiál kabelového oka: Cu/gal Sn (galvanicky pocínovaná)
Materiál kabelu: CuFeAl
Zkratový proud: > 25 kA
Zkušební proud: 40 kA/100 ms
Norma: Ril 997.0205A01
Zkratový proud (AC 50 Hz/DC): 12,6 kA
Kabel: (N)2X RF CuFeAl
Průřez kabelu: ≥ 70 mm²
Provedení: bezhalogenové
Průměr kabelu: 17 mm
Otvor kabelového oka: 17 mm
Provedení kabelového oka: 90° levotočivé provedení
Délka: 500 mm
Označení DB č.: 4 Ebs 15.03.17 - 6 (Bayka)

Výrobek: DEHN
Typ: D BEB 29 L / EBS 15-03-17
Obj. č.: 419514
nebo rovnocenný.

 

Technické informace

Materiál kabelového oka Cu /gal Sn (galvanicky pocínovaná)
Materiál kabelu Cu Fe Al
Zkratový proud > 25 kA
Zkušební proud 40 kA/100 ms
Norma Ril 997.0205A01
Zkratový proud (AC 50 Hz/DC) (1 s; ≤ 300 °C) 12,6 kA
Kabel (N)2X RF Cu Fe Al
Průřez kabelu ≥ 70 mm²
Provedení bezhalogenové
Průměr kabelu 17 mm
Otvor kabelového oka 17 mm
Provedení kabelového oka 90° levotočivé provedení
Délka 500 mm
Označení DB č. 4 Ebs 15.03.17 - 6 (Bayka)

Produkt 419514 byl přidán na seznam.

K seznamu

Produkt 419514 byl přidán do nákupního košíku.


Lepicí podložka

Lepicí podložka slouží k připevnění výrobků pro uzemnění železnice k bednění pomocí lepeného spoje. Lepicí podložku lze nalepit na nerezovou připojovací destičku D BEB 0 a následně ji připojit k samotnému bednění.

1 Produkt

Obj. č. 419900 D KLP D50 BEB

GTIN 4013364439641, Číslo celního sazebníku (EU): 39191080, Váha brutto: 2.00 g, Balící jednotka: 1.00 ks


Vyobrazení

Další informace

Lepicí podložka D KLP D50 BEB
pro výrobky uzemnění železnic
průměr: 50 mm
Průměr: 50 mm

Výrobek: DEHN
Typ: D KLP D50 BEB
Obj. č.: 419900
nebo rovnocenný.

 

Technické informace

Průměr 50 mm

Produkt 419900 byl přidán na seznam.

K seznamu

Produkt 419900 byl přidán do nákupního košíku.


Samolepka uzemnění

Samolepka uzemnění je určena jako náhradní díl pro označení výrobků pro uzemnění železnice při instalaci. Lze ji jednoduše nalepit na nerezovou připojovací destičku. Označení lze provést pro uzemňovací můstky D BEB 1 až 8 a pro variantu D BEB 11 pro uzemnění velkých trubek, pokud štítek nalepený z výroby již není k dispozici nebo je poškozen.

1 Produkt

Obj. č. 419901 D EAK D50 BEB

GTIN 4013364439658, Číslo celního sazebníku (EU): 39191080, Váha brutto: 3.00 g, Balící jednotka: 1.00 ks


Vyobrazení

Další informace

Samolepka uzemnění D EAK D50 BEB
pro označení výrobků pro uzemnění železnice
průměr: 50 mm
Průměr: 50 mm

Výrobek: DEHN
Typ: D EAK D50 BEB
Obj. č.: 419901
nebo rovnocenný.

 

Technické informace

Průměr 50 mm

Produkt 419901 byl přidán na seznam.

K seznamu

Produkt 419901 byl přidán do nákupního košíku.


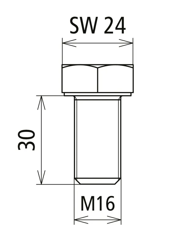
Šroub s šestihrannou hlavou

1 Produkt

Obj. č. 419902 D SKS M16X30 V4A

GTIN 4013364439689, Číslo celního sazebníku (EU): 85389099, Váha brutto: 76.89 g, Balící jednotka: 1.00 ks


Vyobrazení

Další informace

Šroub s šestihrannou hlavou D SKS M16X30 V2A
materiál: nerez A4-70
závit: M16 x 30 mm
Materiál: nerez (V4A)
Závit: M16 x 30 mm

Výrobek: DEHN
Typ: D SKS M16X30 V4A
Obj. č.: 419902
nebo rovnocenný.

 

Technické informace

Materiál nerez (V4A)
Závit M16 x 30 mm

Produkt 419902 byl přidán na seznam.

K seznamu

Produkt 419902 byl přidán do nákupního košíku.


Šestihranná matice

1 Produkt

Obj. č. 419903 D SKM M16 V4A

GTIN 4013364439696, Číslo celního sazebníku (EU): 73181639, Váha brutto: 28.98 g, Balící jednotka: 1.00 ks


Vyobrazení

Další informace

Šestihranná matice D SKM M16 V2A
materiál: nerez A4-70
závit: M16
Materiál: nerez (V4A)
Závit: M16

Výrobek: DEHN
Typ: D SKM M16 V4A
Obj. č.: 419903
nebo rovnocenný.

 

Technické informace

Materiál nerez (V4A)
Závit M16

Produkt 419903 byl přidán na seznam.

K seznamu

Produkt 419903 byl přidán do nákupního košíku.


Podložka

1 Produkt

Obj. č. 419904 D SCH A17 V4A

GTIN 4013364439702, Číslo celního sazebníku (EU): 85389099, Váha brutto: 9.10 g, Balící jednotka: 1.00 ks


Vyobrazení

Další informace

Podložka D SCH A17 V2A
materiál: nerez A4-70
vnější porůměr: 30 mm
vnitřní průměr: 17 mm
Materiál: nerez (V4A)
Vnější průměr: 30 mm
Vnitřní průměr: 17 mm

Výrobek: DEHN
Typ: D SCH A17 V4A
Obj. č.: 419904
nebo rovnocenný.

 

Technické informace

Materiál nerez (V4A)
Vnější průměr 30 mm
Vnitřní průměr 17 mm

Produkt 419904 byl přidán na seznam.

K seznamu

Produkt 419904 byl přidán do nákupního košíku.


back to top