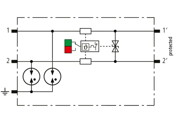
BLITZDUCTORconnect – Kompakt

Svodič bleskových proudů a svodič přepětí s univerzálním použitím
  • Pro ochranu datových BUS rozhraní a obvodů MaR
  • Vysoký svodový výkon 3 kA (10/350 µs), 10 kA (8/20 µs)
  • Nejvyšší impulzní proudové zatížení (8/20 µs) Imax až 20 kA
  • Nízká ochranná úroveň, určený i pro ochranu koncových zařízení
Kompaktní svodič
  • Rychlé a jednoduché připojení vodičů pomocí Push-in konektorů
  • Vysoká spolehlivost zařízení díky systému Failsafe
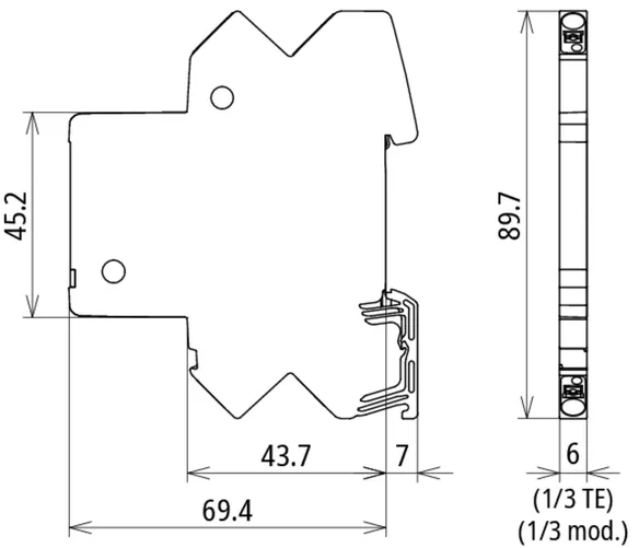
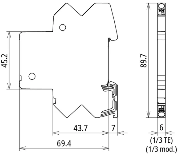
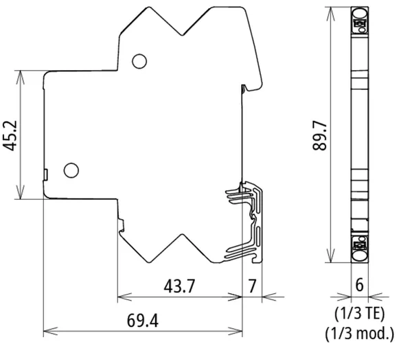
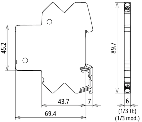
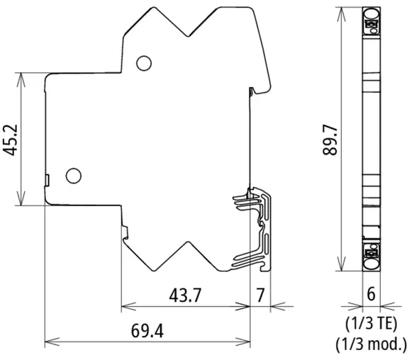
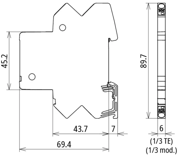
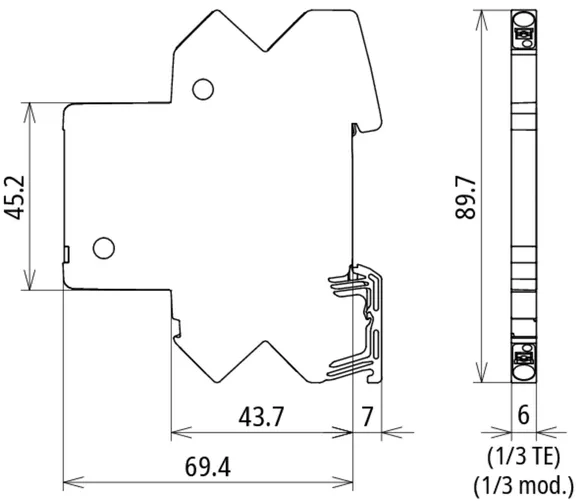
Optimalizovaný design přístroje se stavební šířkou 6 mm
  • Ve svodiči je integrovaný LifeCheck a ukazatel stavu
  • Jednoduchá dálková signalizace stavu s volitelnou jednotkou FM
  • Zkouška otřesy a rázem pro bezpečný provoz

Details

Rychlá kontrola - na první pohled
Integrovaný ukazatel pro snadnou a rychlou údržbu
lorem ipsum
Připojeno = chráněno
Technologie Push-in pro snadné a rychlé připojení vodičů
lorem ipsum
Nejvyšší dostupnost zařízení
Certifikáty pro použití v jiskrově bezpečných měřicích obvodech
lorem ipsum
Jednoduchá údržba
Zpráva o stavu svodičů pomocí monitorovací jednotky pro skupiny svodičů
lorem ipsum

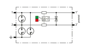
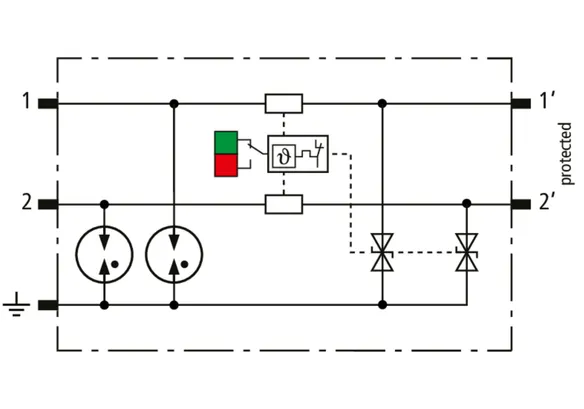
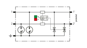
BCO CL2 B 180

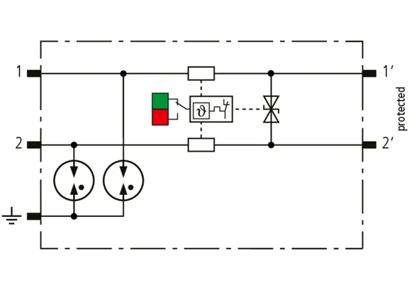
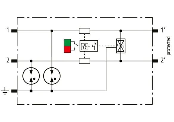
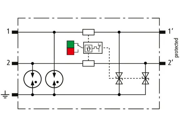
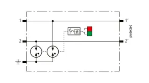
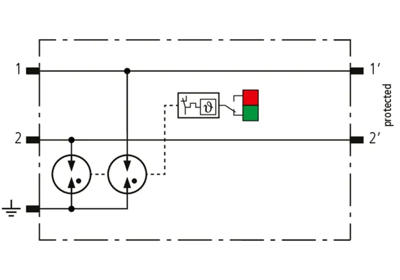
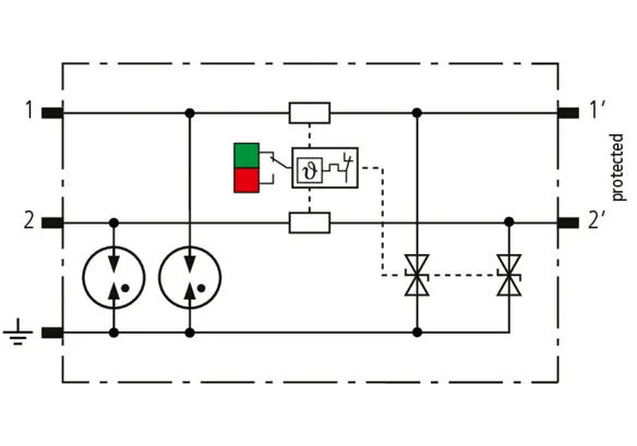
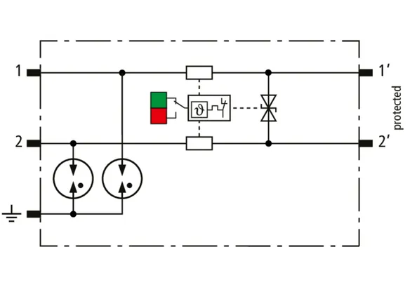
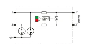
Prostorově úsporný kompaktní svodič bleskových proudů o šířce 6 mm a připojovací technologií push-in, s ukazatelem stavu, pro ochranu 2 samostatných vodičů, pro ekvipotenciální pospojování v ochraně před bleskem. Provedení pro nepřímé uzemnění stínění kabelů.

1 Produkt

Obj. č. 927910 BCO CL2 B 180

GTIN 4013364411739, Číslo celního sazebníku (EU): 85363010, Váha brutto: 57.86 g, Balící jednotka: 1.00 ks


Vyobrazení

Další informace

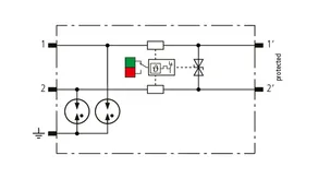
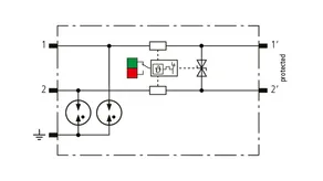
Svodič bleskových proudů BLITZDUCTORconnect CL2 B 180
kompaktní svodič bleskových proudů pro ochranu
2 samostatných vodičů, pro vyrovnání potenciálů
v ochraně před bleskem, provedení pro nepřímé
uzemnění stínění kabelů
zkoušen podle ČSN EN/IEC 61643-21 a energeticky
zkoordinovaný podle IEC 61643-22
třída svodiče přepětí Typ 1
impulzní kategorie: C2, C3, B2, D1
ukazatel stavu, šířka 6 mm
nejvyšší provozní napětí: 180,0 V DC/127,0 V AC
jmenovitý proud při 80 °C: 1,2 A
C2 jmenovitý impulzní proud/žíla (8/20): 5 kA
C2 jmenovitý impulzní proud celkový (8/20): 10 kA
D1 bleskový proud (10/350 µs)/žíla: 1,5 kA
D1 bleskový proud (10/350 µs) celkový: 3 kA
připojení vedení: Push-in

Výrobek: DEHN
Typ: BCO CL2 B 180
Obj. č.: 927910
nebo rovnocenný.

Certifikáty

 

Technické informace

Třída svodiče A
Nejvyšší provozní napětí DC (UC ) 180 V
Jmenovitý proud (IL ) 1,2 A
D1 bleskový proud (10/350 µs)/žíla (Iimp ) 1,5 kA
C2 jmenovitý impulzní proud (8/20 µs) celkový (In ) 10 kA
Sériová impedance/žíla 0 ohm
Certifikace UL 497B, CSA, ATEX, IECEx, CCC, SIL
*) detaily viz: www.dehn.de

Produkt 927910 byl přidán na seznam.

K seznamu

Produkt 927910 byl přidán do nákupního košíku.


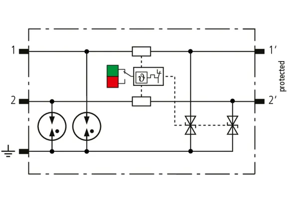
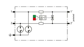
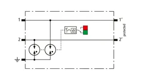
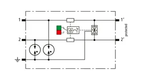
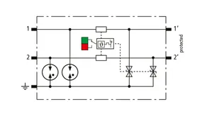
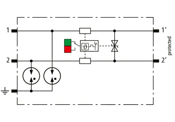
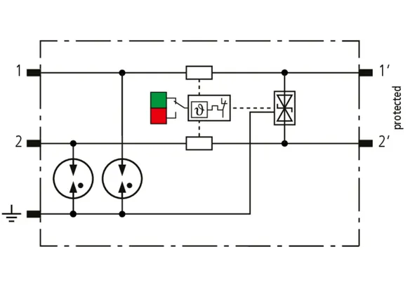
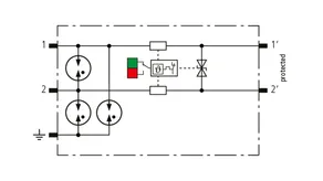
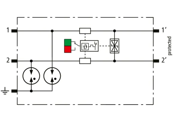
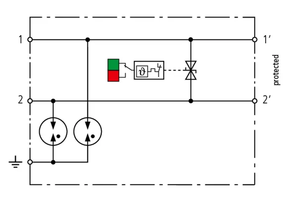
BCO CL2 BE

Prostorově úsporný kompaktní kombinovaný svodič o šířce 6 mm a připojovací technologií push-in, s ukazatelem stavu, pro ochranu 2 samostatných vodičů se společným vztažným potenciálem a pro nesymetrická rozhraní.

3 Produkty

Obj. č. 927922 BCO CL2 BE 12

GTIN 4013364411951, Číslo celního sazebníku (EU): 85363010, Váha brutto: 57.86 g, Balící jednotka: 1.00 ks

Staré provedení

Vyobrazení

Další informace

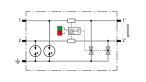
Kombinovaný svodič BLITZDUCTORconnect CL2 BE 12
Kompaktní kombinovaný svodič pro ochranu
2 samostatných vodičů se společným vztažným
potenciálem a pro nesymetrická rozhraní
zkoušen podle ČSN EN/IEC 61643-21 a energeticky
zkoordinovaný podle IEC 61643-22
třída svodiče přepětí Typ 1/P1
impulzní kategorie: C1, C2, C3, B2, D1
ukazatel stavu, šířka 6 mm
nejvyšší provozní napětí: 15,0 V DC/10,6 V AC
jmenovitý proud při 70 °C: 0,75 A
C2 jmenovitý impulzní proud/žíla (8/20): 5 kA
C2 jmenovitý impulzní proud celkový (8/20): 10 kA
D1 bleskový proud (10/350 µs)/žíla: 1,5 kA
D1 bleskový proud (10/350 µs) celkový: 3 kA
připojení vedení: Push-in

Výrobek: DEHN
Typ: BCO CL2 BE 12
Obj. č.: 927922
nebo rovnocenný.

Certifikáty

 

Technické informace

Třída svodiče M
Nejvyšší provozní napětí DC (UC ) 15 V
Jmenovitý proud při 70 °C (IL ) 0,75 A
D1 bleskový proud (10/350 µs)/žíla (Iimp ) 1,5 kA
C2 jmenovitý impulzní proud (8/20 µs) celkový (In ) 10 kA
Sériová impedance/žíla 1 ohm
Mezní frekvence žíla-žíla (fG ) 1,4 MHz
Certifikace UL 497B, CSA, ATEX, IECEx, CCC, SIL
*) detaily viz: www.dehn.de

Produkt 927922 byl přidán na seznam.

K seznamu

Produkt 927922 byl přidán do nákupního košíku.

Obj. č. 927924 BCO CL2 BE 24

GTIN 4013364411968, Číslo celního sazebníku (EU): 85363010, Váha brutto: 57.86 g, Balící jednotka: 1.00 ks

Staré provedení

Vyobrazení

Další informace

Kombinovaný svodič BLITZDUCTORconnect CL2 BE 24
Kompaktní kombinovaný svodič pro ochranu
2 samostatných vodičů se společným vztažným
potenciálem a pro nesymetrická rozhraní
zkoušen podle ČSN EN/IEC 61643-21 a energeticky
zkoordinovaný podle IEC 61643-22
třída svodiče přepětí Typ 1/P1
impulzní kategorie: C1, C2, C3, B2, D1
ukazatel stavu, šířka 6 mm
nejvyšší provozní napětí: 33,0 V DC/23,3 V AC
jmenovitý proud při 70 °C: 0,75 A
C2 jmenovitý impulzní proud/žíla (8/20): 5 kA
C2 jmenovitý impulzní proud celkový (8/20): 10 kA
D1 bleskový proud (10/350 µs)/žíla: 1,5 kA
D1 bleskový proud (10/350 µs) celkový: 3 kA
připojení vedení: Push-in

Výrobek: DEHN
Typ: BCO CL2 BE 24
Obj. č.: 927924
nebo rovnocenný.

Certifikáty

 

Technické informace

Třída svodiče M
Nejvyšší provozní napětí DC (UC ) 33 V
Jmenovitý proud při 70 °C (IL ) 0,75 A
D1 bleskový proud (10/350 µs)/žíla (Iimp ) 1,5 kA
C2 jmenovitý impulzní proud (8/20 µs) celkový (In ) 10 kA
Sériová impedance/žíla 1 ohm
Mezní frekvence žíla-žíla (fG ) 3,4 MHz
Certifikace UL 497B, CSA, ATEX, IECEx, CCC, SIL
*) detaily viz: www.dehn.de

Produkt 927924 byl přidán na seznam.

K seznamu

Produkt 927924 byl přidán do nákupního košíku.

Obj. č. 927925 BCO CL2 BE 48

GTIN 4013364411975, Číslo celního sazebníku (EU): 85363010, Váha brutto: 57.86 g, Balící jednotka: 1.00 ks

Staré provedení

Vyobrazení

Další informace

Kombinovaný svodič BLITZDUCTORconnect CL2 BE 48
Kompaktní kombinovaný svodič pro ochranu
2 samostatných vodičů se společným vztažným
potenciálem a pro nesymetrická rozhraní
zkoušen podle ČSN EN/IEC 61643-21 a energeticky
zkoordinovaný podle IEC 61643-22
třída svodiče přepětí Typ 1/P1
impulzní kategorie: C1, C2, C3, B2, D1
ukazatel stavu, šířka 6 mm
nejvyšší provozní napětí: 54,0 V DC/38,1 V AC
jmenovitý proud při 70 °C: 0,75 A
C2 jmenovitý impulzní proud/žíla (8/20): 5 kA
C2 jmenovitý impulzní proud celkový (8/20): 10 kA
D1 bleskový proud (10/350 µs)/žíla: 1,5 kA
D1 bleskový proud (10/350 µs) celkový: 3 kA
připojení vedení: Push-in

Výrobek: DEHN
Typ: BCO CL2 BE 48
Obj. č.: 927925
nebo rovnocenný.

Certifikáty

 

Technické informace

Třída svodiče M
Nejvyšší provozní napětí DC (UC ) 54 V
Jmenovitý proud při 70 °C (IL ) 0,75 A
D1 bleskový proud (10/350 µs)/žíla (Iimp ) 1,5 kA
C2 jmenovitý impulzní proud (8/20 µs) celkový (In ) 10 kA
Sériová impedance/žíla 1 ohm
Mezní frekvence žíla-žíla (fG ) 5 MHz
Certifikace UL 497B, CSA, ATEX, IECEx, CCC, SIL
*) detaily viz: www.dehn.de

Produkt 927925 byl přidán na seznam.

K seznamu

Produkt 927925 byl přidán do nákupního košíku.


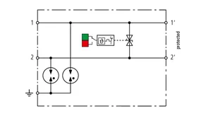
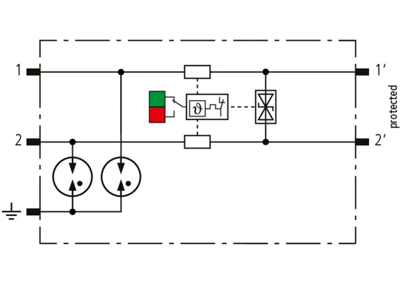
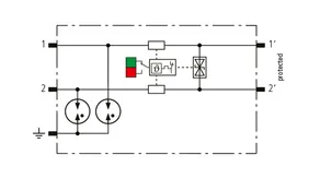
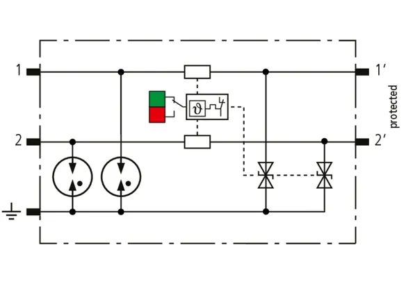
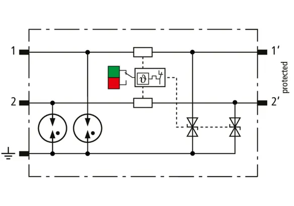
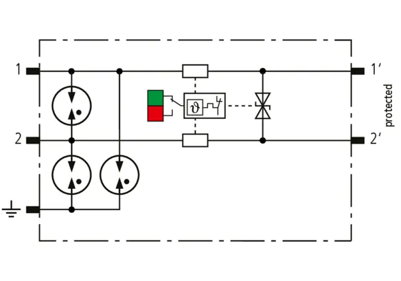
BCO CL2 BD

Prostorově úsporný kompaktní kombinobaný svodič o šířce 6 mm a připojovací technologií push-in, s ukazatelem stavu, pro ochranu 1 páru vedení bezpotenciálových symetrických rozhraní.

3 Produkty

Obj. č. 927942 BCO CL2 BD 12

GTIN 4013364411777, Číslo celního sazebníku (EU): 85363010, Váha brutto: 57.86 g, Balící jednotka: 1.00 ks

Staré provedení

Vyobrazení

Další informace

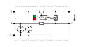
Kombinovaný svodič BLITZDUCTORconnect CL2 BD 12
Kompaktní kombinovaný svodič pro ochranu
1 páru vedení bezpotenciálových
symetrických rozhraní
zkoušen podle ČSN EN/IEC 61643-21 a energeticky
zkoordinovaný podle IEC 61643-22
třída svodiče přepětí Typ 1/P2
impulzní kategorie: C1, C2, C3, B2, D1
ukazatel stavu, šířka 6 mm
nejvyšší provozní napětí: 15,0 V DC/10,6 V AC
jmenovitý proud při 70 °C: 0,75 A
C2 jmenovitý impulzní proud/žíla (8/20): 5 kA
C2 jmenovitý impulzní proud celkový (8/20): 10 kA
D1 bleskový proud (10/350 µs)/žíla: 1,5 kA
D1 bleskový proud (10/350 µs) celkový: 3 kA
připojení vedení: Push-in

Výrobek: DEHN
Typ: BCO CL2 BD 12
Obj. č.: 927942
nebo rovnocenný.

Certifikáty

 

Technické informace

Třída svodiče L
Nejvyšší provozní napětí DC (UC ) 15 V
Jmenovitý proud při 70 °C (IL ) 0,75 A
D1 bleskový proud (10/350 µs)/žíla (Iimp ) 1,5 kA
C2 jmenovitý impulzní proud (8/20 µs) celkový (In ) 10 kA
Sériová impedance/žíla 1 ohm
Mezní frekvence žíla-žíla (fG ) 2,6 MHz
Certifikace UL 497B, CSA, ATEX, IECEx, CCC, SIL
*) detaily viz: www.dehn.de

Produkt 927942 byl přidán na seznam.

K seznamu

Produkt 927942 byl přidán do nákupního košíku.

Obj. č. 927944 BCO CL2 BD 24

GTIN 4013364411784, Číslo celního sazebníku (EU): 85363010, Váha brutto: 57.86 g, Balící jednotka: 1.00 ks

Staré provedení

Vyobrazení

Další informace

Kombinovaný svodič BLITZDUCTORconnect CL2 BD 24
Kompaktní kombinovaný svodič pro ochranu
1 páru vedení bezpotenciálových
symetrických rozhraní
zkoušen podle ČSN EN/IEC 61643-21 a energeticky
zkoordinovaný podle IEC 61643-22
třída svodiče přepětí Typ 1/P2
impulzní kategorie: C1, C2, C3, B2, D1
ukazatel stavu, šířka 6 mm
nejvyšší provozní napětí: 36,0 V DC/25,4 V AC
jmenovitý proud při 70 °C: 0,75 A
C2 jmenovitý impulzní proud/žíla (8/20): 5 kA
C2 jmenovitý impulzní proud celkový (8/20): 10 kA
D1 bleskový proud (10/350 µs)/žíla: 1,5 kA
D1 bleskový proud (10/350 µs) celkový: 3 kA
připojení vedení: Push-in

Výrobek: DEHN
Typ: BCO CL2 BD 24
Obj. č.: 927944
nebo rovnocenný.

Certifikáty

 

Technické informace

Třída svodiče L
Nejvyšší provozní napětí DC (UC ) 36 V
Jmenovitý proud při 70 °C (IL ) 0,75 A
D1 bleskový proud (10/350 µs)/žíla (Iimp ) 1,5 kA
C2 jmenovitý impulzní proud (8/20 µs) celkový (In ) 10 kA
Sériová impedance/žíla 1 ohm
Mezní frekvence žíla-žíla (fG ) 5,8 MHz
Certifikace UL 497B, CSA, ATEX, IECEx, CCC, SIL
*) detaily viz: www.dehn.de

Produkt 927944 byl přidán na seznam.

K seznamu

Produkt 927944 byl přidán do nákupního košíku.

Obj. č. 927945 BCO CL2 BD 48

GTIN 4013364411807, Číslo celního sazebníku (EU): 85363010, Váha brutto: 57.86 g, Balící jednotka: 1.00 ks

Staré provedení

Vyobrazení

Další informace

Kombinovaný svodič BLITZDUCTORconnect CL2 BD 48
Kompaktní kombinovaný svodič pro ochranu
1 páru vedení bezpotenciálových
symetrických rozhraní
zkoušen podle ČSN EN/IEC 61643-21 a energeticky
zkoordinovaný podle IEC 61643-22
třída svodiče přepětí Typ 1/P2
impulzní kategorie: C1, C2, C3, B2, D1
ukazatel stavu, šířka 6 mm
nejvyšší provozní napětí: 56,0 V DC/39,6 V AC
jmenovitý proud při 70 °C: 0,75 A
C2 jmenovitý impulzní proud/žíla (8/20): 5 kA
C2 jmenovitý impulzní proud celkový (8/20): 10 kA
D1 bleskový proud (10/350 µs)/žíla: 1,5 kA
D1 bleskový proud (10/350 µs) celkový: 3 kA
připojení vedení: Push-in

Výrobek: DEHN
Typ: BCO CL2 BD 48
Obj. č.: 927945
nebo rovnocenný.

Certifikáty

 

Technické informace

Třída svodiče L
Nejvyšší provozní napětí DC (UC ) 56 V
Jmenovitý proud při 70 °C (IL ) 0,75 A
D1 bleskový proud (10/350 µs)/žíla (Iimp ) 1,5 kA
C2 jmenovitý impulzní proud (8/20 µs) celkový (In ) 10 kA
Sériová impedance/žíla 1 ohm
Mezní frekvence žíla-žíla (fG ) 7,2 MHz
Certifikace UL 497B, CSA, ATEX, IECEx, CCC, SIL
*) detaily viz: www.dehn.de

Produkt 927945 byl přidán na seznam.

K seznamu

Produkt 927945 byl přidán do nákupního košíku.


BCO CL2 BE HF

Prostorově úsporný kompaktní kombinovaný svodič o šířce 6 mm a připojovací technologií push-in, s ukazatelem stavu, pro ochranu 2 samostatných vodičů vysokofrekvenčních přenosů se společným vztažným potenciálem a pro nesymetrická rozhraní.

1 Produkt

Obj. č. 927970 BCO CL2 BE HF 5

GTIN 4013364411982, Číslo celního sazebníku (EU): 85363010, Váha brutto: 57.86 g, Balící jednotka: 1.00 ks


Vyobrazení

Další informace

Kombinovaný svodič BLITZDUCTORconnect CL2 BE HF 5
kompaktní kombinovaný svodič pro ochranu
2 samostatných vodičů vysokofrekvenčních
přenosů se společným vztažným potenciálem
a pro nesymetrická rozhraní
zkoušen podle ČSN EN/IEC 61643-21 a energeticky
zkoordinovaný podle IEC 61643-22
třída svodiče přepětí Typ 1/P1
impulzní kategorie: C1, C2, C3, B2, D1
ukazatel stavu, šířka 6 mm
nejvyšší provozní napětí: 8,5 V DC/6,0 V AC
jmenovitý proud při 70 °C: 0,75 A
mezní frekvence 100 MHz
C2 jmenovitý impulzní proud/žíla (8/20): 5 kA
C2 jmenovitý impulzní proud celkový (8/20): 10 kA
D1 bleskový proud (10/350 µs)/žíla: 1,5 kA
D1 bleskový proud (10/350 µs) celkový: 3 kA
připojení vedení: Push-in

Výrobek: DEHN
Typ: BCO CL2 BE HF 5
Obj. č.: 927970
nebo rovnocenný.

Certifikáty

 

Technické informace

Třída svodiče M
Nejvyšší provozní napětí DC (UC ) 8,5 V
Jmenovitý proud při 70 °C (IL ) 0,75 A
D1 bleskový proud (10/350 µs)/žíla (Iimp ) 1,5 kA
C2 jmenovitý impulzní proud (8/20 µs) celkový (In ) 10 kA
Sériová impedance/žíla 1 ohm
Certifikace UL 497B, CSA, ATEX, IECEx, CCC, SIL
*) detaily viz: www.dehn.de

Produkt 927970 byl přidán na seznam.

K seznamu

Produkt 927970 byl přidán do nákupního košíku.


BCO CL2 BD HF

Kompaktní modulární kombinovaný svodič o šířce 6 mm s technologií připojení push-in a zobrazením stavu chrání 1 pár žil bezpotenciálových vysokofrekvenčních sběrnicových systémů i symetrická rozhraní.

1 Produkt

Obj. č. 927971 BCO CL2 BD HF 5

GTIN 4013364411999, Číslo celního sazebníku (EU): 85363010, Váha brutto: 57.86 g, Balící jednotka: 1.00 ks

Staré provedení

Vyobrazení

Další informace

Kombinovaný svodič BLITZDUCTORconnect CL2 BD HF 5
kompaktní kombinovaný svodič
pro ochranu 1 páru vedení bezpotenciálových
vysokofrekvenčních BUS systémů
a pro symetrická rozhraní
zkoušen podle ČSN EN/IEC 61643-21 a energeticky
zkoordinovaný podle IEC 61643-22
třída svodiče přepětí Typ 1/P2
impulzní kategorie: C1, C2, C3, B2, D1
ukazatel stavu, šířka 6 mm
nejvyšší provozní napětí: 8,5 V DC/6,0 V AC
jmenovitý proud při 70 °C: 0,75 A
mezní frekvence 100 MHz
C2 jmenovitý impulzní proud/žíla (8/20): 5 kA
C2 jmenovitý impulzní proud celkový (8/20): 10 kA
D1 bleskový proud (10/350 µs)/žíla: 1,5 kA
D1 bleskový proud (10/350 µs) celkový: 3 kA
připojení vedení: Push-in

Výrobek: DEHN
Typ: BCO CL2 BD HF 5
Obj. č.: 927971
nebo rovnocenný.

Certifikáty

 

Technické informace

Třída svodiče L
Nejvyšší provozní napětí DC (UC ) 8,5 V
Jmenovitý proud při 70 °C (IL ) 0,75 A
D1 bleskový proud (10/350 µs)/žíla (Iimp ) 1,5 kA
C2 jmenovitý impulzní proud (8/20 µs) celkový (In ) 10 kA
Sériová impedance/žíla 1 ohm
Mezní frekvence žíla-žíla (fG ) 100 MHz
Certifikace UL 497B, CSA, ATEX, IECEx, CCC, SIL
*) detaily viz: www.dehn.de

Produkt 927971 byl přidán na seznam.

K seznamu

Produkt 927971 byl přidán do nákupního košíku.


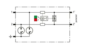
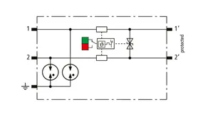
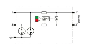
BCO CL2 E

Prostorově úsporný kompaktní svodič přepětí o šířce 6 mm a připojovací technologií push-in, s ukazatelem stavu. Jemná jednostupňová přepěťová ochrana s vysoce výkonnými diodami pro ochranu 2 samostatných vodičů se společným vztažným potenciálem a pro nesymetrická rozhraní.

3 Produkty

Obj. č. 927987 BCO CL2 E 12

GTIN 4013364485754, Číslo celního sazebníku (EU): 85363010, Váha brutto: 55.94 g, Balící jednotka: 1.00 ks

Staré provedení

Vyobrazení

Další informace

Svodič přepětí BLITZDUCTORconnect CL2 E 12
Kompaktní jednostupňová přepěťová ochrana
s vysoce výkonnými diodami pro ochranu
2 samostatných vodičů se společným vztažným
potenciálem a pro nesymetrická rozhraní
zkoušen podle ČSN EN/IEC 61643-21 a energeticky
zkoordinovaný podle IEC 61643-22
třída svodiče přepětí Typ 3/P1
impulzní kategorie: C1, C3
ukazatel stavu, šířka 6 mm
nejvyšší provozní napětí: 15,0 V DC/10,6 V AC
jmenovitý proud při 60 °C: 10 A
C1 jmenovitý impulzní proud/žíla (8/20): 1,5 kA
C2 jmenovitý impulzní proud celkový (8/20): 3 kA
připojení vedení: Push-in

Výrobek: DEHN
Typ: BCO CL2 E 12
Obj. č.: 927987
nebo rovnocenný.

Certifikáty

 

Technické informace

Třída svodiče W
Nejvyšší provozní napětí DC (UC ) 15 V
Jmenovitý proud při 60 °C (IL ) 10 A
Jmenovitý proud při 80 °C (IL ) 6 A
C1 jmenovitý impulzní proud (8/20 µs) celkový (In ) 3 kA
Sériová impedance/žíla 0 ohm
Certifikace UL 497B, SIL
*) detaily viz: www.dehn.de

Produkt 927987 byl přidán na seznam.

K seznamu

Produkt 927987 byl přidán do nákupního košíku.

Obj. č. 927988 BCO CL2 E 24

GTIN 4013364485747, Číslo celního sazebníku (EU): 85363010, Váha brutto: 56.04 g, Balící jednotka: 1.00 ks

Staré provedení

Vyobrazení

Další informace

Svodič přepětí BLITZDUCTORconnect CL2 E 24
Kompaktní jednostupňová přepěťová ochrana
s vysoce výkonnými diodami pro ochranu
2 samostatných vodičů se společným vztažným
potenciálem a pro nesymetrická rozhraní
zkoušen podle ČSN EN/IEC 61643-21 a energeticky
zkoordinovaný podle IEC 61643-22
třída svodiče přepětí Typ 3/P1
impulzní kategorie: C1, C3
ukazatel stavu, šířka 6 mm
nejvyšší provozní napětí: 33 V DC/23 V AC
jmenovitý proud při 60 °C: 10 A
C1 jmenovitý impulzní proud/žíla (8/20): 0,6 kA
C2 jmenovitý impulzní proud celkový (8/20): 1,2 kA
připojení vedení: Push-in

Výrobek: DEHN
Typ: BCO CL2 E 24
Obj. č.: 927988
nebo rovnocenný.

Certifikáty

 

Technické informace

Třída svodiče W
Nejvyšší provozní napětí DC (UC ) 33 V
Jmenovitý proud při 60 °C (IL ) 10 A
Jmenovitý proud při 80 °C (IL ) 6 A
C1 jmenovitý impulzní proud (8/20 µs) celkový (In ) 1,2 kA
Sériová impedance/žíla 0 ohm
Certifikace UL 497B, SIL
*) detaily viz: www.dehn.de

Produkt 927988 byl přidán na seznam.

K seznamu

Produkt 927988 byl přidán do nákupního košíku.

Obj. č. 927989 BCO CL2 E 48

GTIN 4013364485761, Číslo celního sazebníku (EU): 85363010, Váha brutto: 36.58 g, Balící jednotka: 1.00 ks

Staré provedení

Vyobrazení

Další informace

Svodič přepětí BLITZDUCTORconnect CL2 E 48
Kompaktní jednostupňová přepěťová ochrana
s vysoce výkonnými diodami pro ochranu
2 samostatných vodičů se společným vztažným
potenciálem a pro nesymetrická rozhraní
zkoušen podle ČSN EN/IEC 61643-21 a energeticky
zkoordinovaný podle IEC 61643-22
třída svodiče přepětí Typ 3/P1
impulzní kategorie: C1, C3
ukazatel stavu, šířka 6 mm
nejvyšší provozní napětí: 58 V DC/41 V AC
jmenovitý proud při 60 °C: 10 A
C1 jmenovitý impulzní proud/žíla (8/20): 0,4 kA
C2 jmenovitý impulzní proud celkový (8/20): 0,8 kA
připojení vedení: Push-in

Výrobek: DEHN
Typ: BCO CL2 E 48
Obj. č.: 927989
nebo rovnocenný.

Certifikáty

 

Technické informace

Třída svodiče W
Nejvyšší provozní napětí DC (UC ) 58 V
Jmenovitý proud při 60 °C (IL ) 10 A
Jmenovitý proud při 80 °C (IL ) 6 A
C1 jmenovitý impulzní proud (8/20 µs) celkový (In ) 0,8 kA
Sériová impedance/žíla 0 ohm
Certifikace UL 497B, SIL
*) detaily viz: www.dehn.de

Produkt 927989 byl přidán na seznam.

K seznamu

Produkt 927989 byl přidán do nákupního košíku.


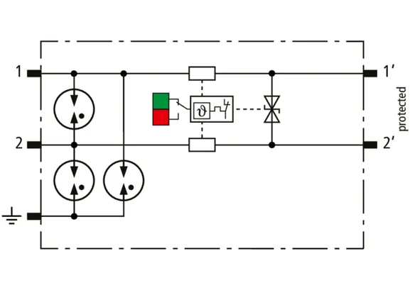
BCO CL4 BC

Prostorově úsporný kompaktní kombinovaný svodič o šířce 12 mm a připojovací technologií push-in, s ukazatelem stavu, pro ochranu 4 bezpotenciálových vedení čtyřvodičových měřicích okruhů IT systémů a MaR.

1 Produkt

Obj. č. 927954 BCO CL4 BC 24

GTIN 4013364485730, Číslo celního sazebníku (EU): 85363010, Váha brutto: 80.10 g, Balící jednotka: 1.00 ks


Vyobrazení

Další informace

Kombinovaný svodič BLITZDUCTORconnect CL2 BC 24
Kompaktní kombinovaný svodič pro ochranu
4 bezpotenciálových vedení
měřicích okruhů IT systémů a MaR
zkoušen podle ČSN EN/IEC 61643-21 a energeticky
zkoordinovaný podle IEC 61643-22
třída svodiče přepětí Typ 1/P2
impulzní kategorie: D1, C1, C2, C3, B2
ukazatel stavu
nejvyšší provozní napětí: 36,0 V DC/24,4 V AC
jmenovitý proud při 80 °C: 3 A
C2 jmenovitý impulzní proud/žíla (8/20): 10 kA
C2 jmenovitý impulzní proud celkový (8/20): 20 kA
D1 bleskový proud (10/350 µs)/žíla: 2,5 kA
D1 bleskový proud (10/350 µs) celkový: 5 kA
připojení vedení: Push-in
šířka 12 mm

Výrobek: DEHN
Typ: BCO CL4 BC 24
Obj. č.: 927954
nebo rovnocenný.

Certifikáty

 

Technické informace

Třída svodiče L
Nejvyšší provozní napětí DC (UC ) 36 V
Jmenovitý proud při 80 °C (IL ) 3 A
D1 bleskový proud (10/350 µs)/žíla (Iimp ) 2,5 kA
C2 jmenovitý impulzní proud (8/20 µs) celkový (In ) 20 kA
Sériová impedance/žíla 0 ohm
Certifikace UL 497B, SIL
*) detaily viz: www.dehn.de

Produkt 927954 byl přidán na seznam.

K seznamu

Produkt 927954 byl přidán do nákupního košíku.


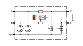
BCO CL2 BD HC10A 24

Prostorově úsporný kompaktní kombinovaný svodič o šířce 12 mm a připojovací technologií push-in, s ukazatelem stavu, pro ochranu 1 páru bezpotenciálového DC napájení IT systémů a MaR.

1 Produkt

Obj. č. 927408 BCO CL2 BD HC10A 24

GTIN 4013364463653, Číslo celního sazebníku (EU): 85363010, Váha brutto: 68.30 g, Balící jednotka: 1.00 ks

Staré provedení

Vyobrazení

Další informace

Kombinovaný svodič BLITZDUCTORconnect CL2 BD HC10A 24
Kompaktní kombinovaný svodič pro ochranu
1 páru vedení bezpotenciálového
DC napájení IT systémů a MaR
zkoušen podle ČSN EN/IEC 61643-21 a energeticky
zkoordinovaný podle IEC 61643-22
třída svodiče přepětí Typ 1/P2
impulzní kategorie: C1, C2, C3, B2, D1
ukazatel stavu
nejvyšší provozní napětí: 45,0 V DC/31,8 V AC
jmenovitý proud při 80 °C: 10 A
C2 jmenovitý impulzní proud/žíla (8/20): 10 kA
C2 jmenovitý impulzní proud celkový (8/20): 20 kA
D1 bleskový proud (10/350 µs)/žíla: 2,5 kA
D1 bleskový proud (10/350 µs) celkový: 5 kA
připojení vedení: Push-in
šířka 12 mm

Výrobek: DEHN
Typ: BCO CL2 BD HC10A 24
Obj. č.: 927408
nebo rovnocenný.

Certifikáty

 

Technické informace

Třída svodiče L
Nejvyšší provozní napětí DC (UC ) 45 V
Jmenovitý proud při 80 °C (IL ) 10 A
D1 bleskový proud (10/350 µs)/žíla (Iimp ) 2,5 kA
C2 jmenovitý impulzní proud (8/20 µs) celkový (In ) 20 kA
Sériová impedance/žíla 0 ohm
Certifikace UL 497B, SIL
*) detaily viz: www.dehn.de

Produkt 927408 byl přidán na seznam.

K seznamu

Produkt 927408 byl přidán do nákupního košíku.


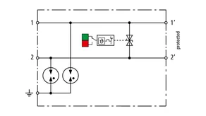
BCO CL2 BD EX 24

Prostorově úsporný, kompaktní svodič o šířce 6 mm a připojovací technologií push-in, s ukazatelem stavu, pro ochranu 1 páru vedení jiskrově bezpečných meřicích obvodů a BUS systémů. Splňuje požadavky podle FISCO, izolační pevnost >500 V žíla - zem.

1 Produkt

Obj. č. 927984 BCO CL2 BD EX 24

GTIN 4013364412002, Číslo celního sazebníku (EU): 85363010, Váha brutto: 57.86 g, Balící jednotka: 1.00 ks

Staré provedení

Vyobrazení

Další informace

Kombinovaný svodič BLITZDUCTORconnect CL2 BD EX 24
kompaktní kombinovaný svodič
pro ochranu 1 páru jiskrově bezpečných,
bezpotenciálových symetrických rozhraní
zkoušen podle ČSN EN/IEC 61643-21 a energeticky
zkoordinovaný podle IEC 61643-22
třída svodiče přepětí Typ 1/P2
impulzní kategorie: C1, C2, C3, B2, D1
ukazatel stavu, šířka 6 mm
nejvyšší provozní napětí: 36,0 V DC/25,4 V AC
jmenovitý proud při 70 °C: 0,75 A
max. vstupní napětí podle ČSN EN 60079-11: 30 V
max. vstupní proud podle ČSN EN 60079-11: 0,5 A
C2 jmenovitý impulzní proud/žíla (8/20): 5 kA
C2 jmenovitý impulzní proud celkový (8/20): 10 kA
D1 bleskový proud (10/350 µs)/žíla: 1,5 kA
D1 bleskový proud (10/350 µs) celkový: 3 kA
připojení vedení: Push-in

Výrobek: DEHN
Typ: BCO CL2 BD EX 24
Obj. č.: 927984
nebo rovnocenný.

Certifikáty

 

Technické informace

Třída svodiče L
Nejvyšší provozní napětí DC (UC ) 36 V
Jmenovitý proud při 80 °C (IL ) 0,5 A
D1 bleskový proud (10/350 µs)/žíla (Iimp ) 1,5 kA
C2 jmenovitý impulzní proud (8/20 µs) celkový (In ) 10 kA
Sériová impedance/žíla 1 ohm
Mezní frekvence žíla-žíla (fG ) 3,5 MHz
Certifikace ATEX, IECEx, CCC, SIL
*) detaily viz: www.dehn.de

Produkt 927984 byl přidán na seznam.

K seznamu

Produkt 927984 byl přidán do nákupního košíku.


back to top