DEHNguard modular E (Y)PV SCI 1500
:quality(98)/www.dehn.cz/store/f/45836049/HDVORSCHAU/952525a1_16-9.jpg) 
                        
                        :quality(98)/www.dehn.cz/store/f/45836049/HDVORSCHAU/952525a1_16-9.jpg) 
                            
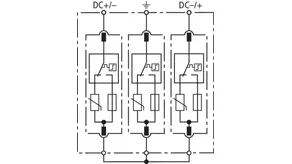
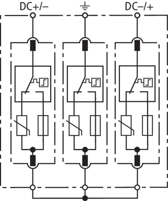
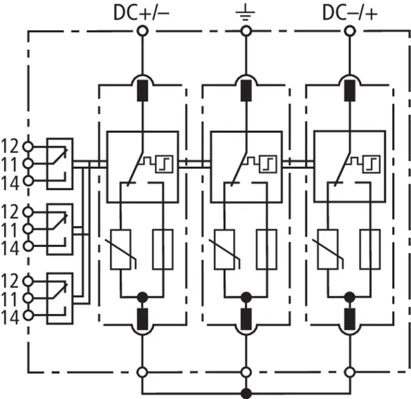
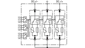
                        - Kompletně zapojená, modulární jednotka určená pro ochranu fotovoltaických aplikací do 1500 V, složená ze základního dílu a zásuvných ochranných modulů
- Kombinované odpojovací a zkratovací zařízení s bezpečným odpojením ochranného modulu (patentovaný princip SCI)
- Nový vzhled modulu pro bezpečné použití v obvodech FV aplikací až do 1500 V
- Svodiče jsou testovány podle ČSN EN 50539-11
- Instalace ve všech fotovoltaických systémech podle IEC 60364-7-712 (ČSN 33 2000-7-712)
Details
:quality(98)/www.dehn.cz/store/f/45836050/HDVORSCHAU/952510_Schaltphasen_D_web.jpg) 
                                :quality(98)/www.dehn.cz/store/f/45836050/HDVORSCHAU/952510_Schaltphasen_D_web.jpg) 
                                    
                                Obj. č. 952520 DG ME YPV SCI 1500
GTIN 4013364149069, Číslo celního sazebníku (EU): 85354000, Váha brutto: 535.70 g, Balící jednotka: 1.00 ks
Technické informace
| SPD podle ČSN EN 61643-31 / ... IEC 61643-31 | typ 2/Třída II | 
| Max. svorkové napětí FV (UCPV ) | 1500 V | 
| Zkratová pevnost (ISCPV ) | 10 kA | 
| Celkový impulzní proud (8/20 µs) (Itotal ) | 25 kA | 
| Jmenovitý svodový impulzní proud (8/20 µs) [(DC+/DC-) --> PE] (In ) | 12,5 kA | 
| Ochranná úroveň (UP ) | ≤ 6 kV | 
| Certifikace | KEMA, UL | 
Obj. č. 952525 DG ME YPV SCI1500 FM
GTIN 4013364149076, Číslo celního sazebníku (EU): 85354000, Váha brutto: 556.00 g, Balící jednotka: 1.00 ks
Technické informace
| SPD podle ČSN EN 61643-31 / ... IEC 61643-31 | typ 2/Třída II | 
| Max. svorkové napětí FV (UCPV ) | 1500 V | 
| Zkratová pevnost (ISCPV ) | 10 kA | 
| Celkový impulzní proud (8/20 µs) (Itotal ) | 25 kA | 
| Jmenovitý svodový impulzní proud (8/20 µs) [(DC+/DC-) --> PE] (In ) | 12,5 kA | 
| Ochranná úroveň (UP ) | ≤ 6 kV | 
| Certifikace | KEMA, UL | 
| Kontakt dálkové signalizace/typ kontaktu | přepínač | 
:quality(98)/www.dehn.cz/store/f/45836067/HDVORSCHAU/952520.jpg) 
                                
                                :quality(98)/www.dehn.cz/store/f/45836067/HDVORSCHAU/952520.jpg) 
                                    
                                        
                                    
                                    
                                :quality(98)/www.dehn.cz/store/f/45836068/HDVORSCHAU/952520p.jpg) 
                                
                                :quality(98)/www.dehn.cz/store/f/45836068/HDVORSCHAU/952520p.jpg) 
                                    
                                        :quality(98)/www.dehn.cz/store/f/45836069/HDVORSCHAU/952520m_D.jpg) 
                                
                                :quality(98)/www.dehn.cz/store/f/45836069/HDVORSCHAU/952520m_D.jpg) 
                                    
                                         
                 
                 
                 
                 
   				:quality(98)/www.dehn.cz/store/f/45836081/HDVORSCHAU/952525.jpg) 
                                
                                :quality(98)/www.dehn.cz/store/f/45836081/HDVORSCHAU/952525.jpg) 
                                    
                                        
                                    
                                    
                                :quality(98)/www.dehn.cz/store/f/45836082/HDVORSCHAU/952525p.jpg) 
                                
                                :quality(98)/www.dehn.cz/store/f/45836082/HDVORSCHAU/952525p.jpg) 
                                    
                                        :quality(98)/www.dehn.cz/store/f/45836083/HDVORSCHAU/952525m_D.jpg) 
                                
                                :quality(98)/www.dehn.cz/store/f/45836083/HDVORSCHAU/952525m_D.jpg)