DEHNvenCI

  • Kombinovaný svodič přepětí na bázi jiskřiště, s integrovaným předjištěním schopným převést bleskové proudy
  • Energeticky zkoordinovaný v rámci skupiny produktů Red/Line
  • Nízká ochranná úroveň UP ≤ 1,5 kV (vč. předjištění)
  • Vysoká provozní spolehlivost chráněných zařízení je zajištěna omezením následného proudu technologií RADAX-Flow
  • Účinné zhášení následných síťových proudů až do 100 kAeff
  • Schopnost svádět bleskové proudy až do 25 kA (10/350 µs)
  • Umožňuje ochranu koncového zařízení
  • Funkční stav nebo porucha je signalizována zeleným/červeným terčíkem v signalizačním poli

DEHNvenCI 255 (FM)

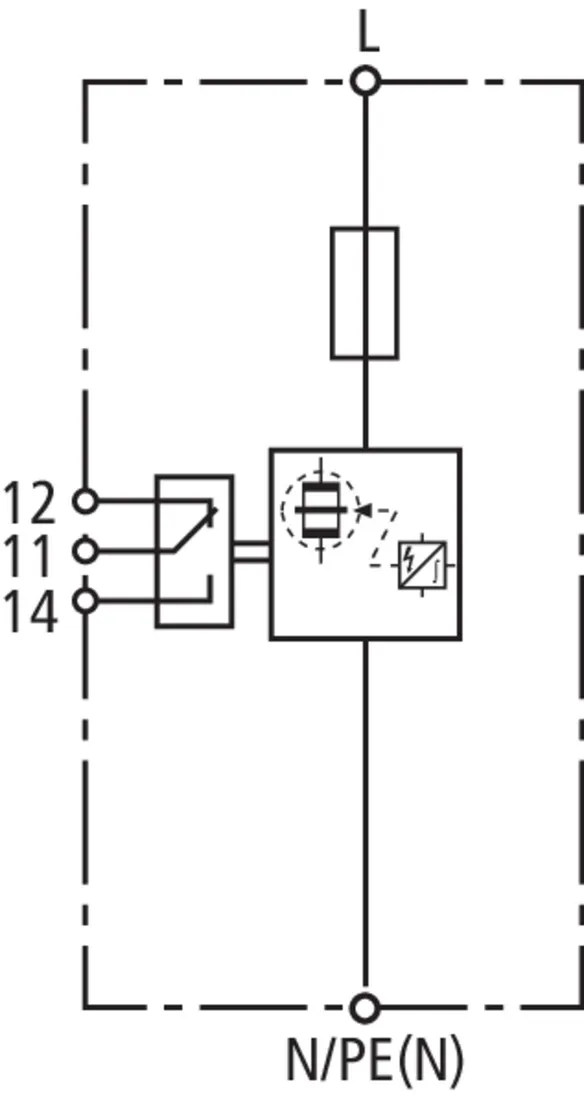
Jednopólový kombinovaný svodič s integrovaným předjištěním schopným převést bleskové proudy pro sítě 230/400 V; v provedení FM s bezpotenciálovým kontaktem dálkové signalizace.

2 Produkty

Obj. č. 961200 DVCI 1 255

GTIN 4013364145108, Číslo celního sazebníku (EU): 85363090, Váha brutto: 477.30 g, Balící jednotka: 1.00 ks


Vyobrazení

Další informace

Kombinovaný svodič DEHNvenCI 255
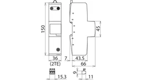
1-pólový kombinovaný svodič s integrovaným
předjištěním, šířka 2 jednotky
svodič typ 1 + typ 2 podle ČSN EN 61643-11
technologie jiskřiště RADAX-Flow
pro omezení následného proudu
vhodný pro ochranu koncových zařízení
ukazatel poruchy svodiče a integrovaného předjištění
nejvyšší provozní napětí: 255 V AC
ochranná úroveň: <= 1,5 kV
bleskový proud (10/350): 25 kA
schopnost omezit následný proud: až 100 kAeff.
energeticky zkoordinovaný podle ČSN EN 62350-4
se svodiči řady Red/line, nebo přímo s koncovým zařízením

Výrobek: DEHN
Typ: DVCI 1 255
Obj. č.: 961200
nebo rovnocenný.

Certifikáty

 

Integrované předjištění

Předjištění je plně integrováno. To přináší minimální potřebu místa, nižší náklady na montáž a rychlejší instalaci a kratší připojovací vodiče. Tyto vlastnosti mají skupiny produktů DEHNvenCI, DEHNbloc Maxi S, DEHNguard ... CI a V(A) NH.

Funkce vlnolamu

V průběhu svádění protéká svodičem typ 1 na bázi jiskřiště celý bleskový proud. Jako při vlnolamu je příchozí energie velmi silně zlomena a tím je odlehčeno následujícímu svodiči přepětí. Všechny svodiče typ 1 řady Red/Line zajišťují funkci vlnolamu WBF.

Technické informace

SPD podle ČSN EN 61643-11 / ... IEC 61643-11 typ 1 + typ 2/Třída I + Třída II
Nejvyšší provozní napětí AC (UC ) 255 V (50/60 Hz)
Bleskový proud (10/350 µs) (Iimp ) 25 kA
Ochranná úroveň (UP ) ≤ 1,5 kV
Max. nadproudová ochrana ze strany sítě integrované předjištění
Certifikace KEMA
Rozšířená technická data: Použití v rozvodnách s prospektivním zkratovým proudem vyšším než 50 kAeff (zkoušeno podle VDE)
– Max. prospektivní zkratový proud 100 kAeff (220 kApeak)

Produkt 961200 byl přidán na seznam.

K seznamu

Produkt 961200 byl přidán do nákupního košíku.

Obj. č. 961205 DVCI 1 255 FM

GTIN 4013364145115, Číslo celního sazebníku (EU): 85363090, Váha brutto: 480.80 g, Balící jednotka: 1.00 ks


Vyobrazení

Další informace

Kombinovaný svodič DEHNvenCI 255 FM
1-pólový kombinovaný svodič s integrovaným
předjištěním, šířka 2 jednotky
s kontaktem dálkové signalizace
svodič typ 1 + typ 2 podle ČSN EN 61643-11
technologie jiskřiště RADAX-Flow
pro omezení následného proudu
vhodný pro ochranu koncových zařízení
ukazatel poruchy svodiče a integrovaného předjištění
nejvyšší provozní napětí: 255 V AC
ochranná úroveň: <= 1,5 kV
bleskový proud (10/350): 25 kA
schopnost omezit následný proud: až 100 kAeff.
energeticky zkoordinovaný podle ČSN EN 62350-4
se svodiči řady Red/line, nebo přímo s koncovým zařízením

Výrobek: DEHN
Typ: DVCI 1 255 FM
Obj. č.: 961205
nebo rovnocenný.

Certifikáty

 

Integrované předjištění

Předjištění je plně integrováno. To přináší minimální potřebu místa, nižší náklady na montáž a rychlejší instalaci a kratší připojovací vodiče. Tyto vlastnosti mají skupiny produktů DEHNvenCI, DEHNbloc Maxi S, DEHNguard ... CI a V(A) NH.

Funkce vlnolamu

V průběhu svádění protéká svodičem typ 1 na bázi jiskřiště celý bleskový proud. Jako při vlnolamu je příchozí energie velmi silně zlomena a tím je odlehčeno následujícímu svodiči přepětí. Všechny svodiče typ 1 řady Red/Line zajišťují funkci vlnolamu WBF.

Technické informace

SPD podle ČSN EN 61643-11 / ... IEC 61643-11 typ 1 + typ 2/Třída I + Třída II
Nejvyšší provozní napětí AC (UC ) 255 V (50/60 Hz)
Bleskový proud (10/350 µs) (Iimp ) 25 kA
Ochranná úroveň (UP ) ≤ 1,5 kV
Max. nadproudová ochrana ze strany sítě integrované předjištění
Certifikace KEMA
Kontakt dálkové signalizace/typ kontaktu přepínač
Rozšířená technická data: Použití v rozvodnách s prospektivním zkratovým proudem vyšším než 50 kAeff (zkoušeno podle VDE)
– Max. prospektivní zkratový proud 100 kAeff (220 kApeak)

Produkt 961205 byl přidán na seznam.

K seznamu

Produkt 961205 byl přidán do nákupního košíku.


back to top