DEHNshield
:quality(98)/www.dehn.cz/store/f/62174855/HDVORSCHAU/DEHNshield_fam_16-9.jpg)
:quality(98)/www.dehn.cz/store/f/62174855/HDVORSCHAU/DEHNshield_fam_16-9.jpg)
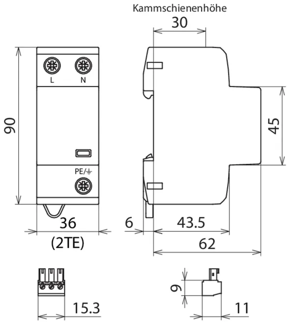
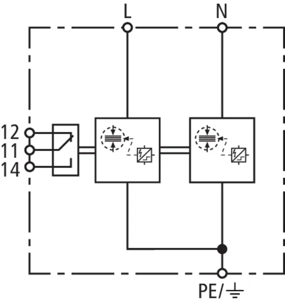
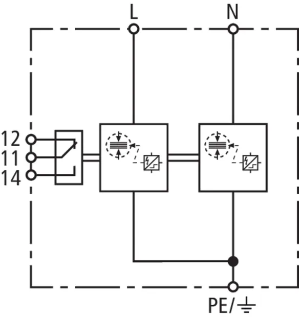
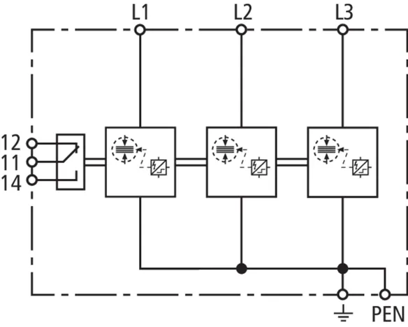
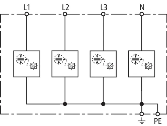
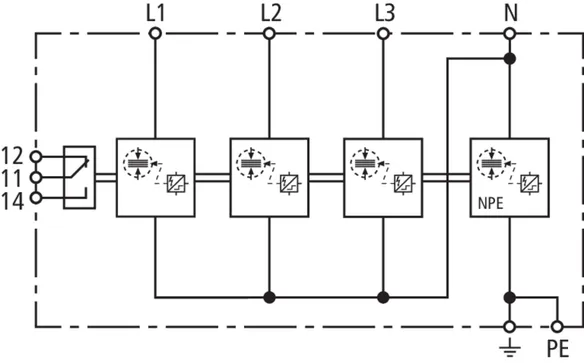
- Kompletně zapojený kombinovaný svodič s kompaktní konstrukcí, typ 1 + typ 2 na bázi jiskřiště
- Technologie jiskřiště o šířce jednoho modulu/1 pól umožňuje prostorově úspornou instalaci
- Kombinovaný svodič přepětí, typ 1 podle ČSN EN 61643-11
- Je určen pro vyrovnání potenciálů v ochraně před bleskem a zároveň chrání koncová zařízení
- Schopnost svádět bleskové proudy až do 50 kA (10/350 µs)
- Funkční stav nebo porucha je signalizována zeleným/červeným terčíkem v signalizačním poli
- Vysoká schopnost zhášet následné proudy ze sítě (Ifi = 25 kAeff)
Details
:quality(98)/www.dehn.cz/store/f/62174856/HDVORSCHAU/952589a11_Kat.jpg)
:quality(98)/www.dehn.cz/store/f/62174856/HDVORSCHAU/952589a11_Kat.jpg)
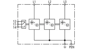
Obj. č. 941300 DSH TNC 255
GTIN 4013364133556, Číslo celního sazebníku (EU): 85363090, Váha brutto: 415.80 g, Balící jednotka: 1.00 ks
Technické informace
SPD podle ČSN EN 61643-11 / ... IEC 61643-11 | typ 1 + typ 2/Třída I + Třída II |
Maximální provozní napětí AC (UC ) | 255 V (50/60 Hz) |
Bleskový proud (10/350 µs) [L1+L2+L3-PEN] (Itotal ) | 37,5 kA |
Bleskový proud (10/350 µs) [L-PEN] (Iimp ) | 12,5 kA |
Ochranná úroveň (UP ) | ≤ 1,5 kV |
Max. nadproudová ochrana ze strany sítě | 160 A gG |
Certifikace | KEMA, VDE, UL |
Obj. č. 941305 DSH TNC 255 FM
GTIN 4013364275317, Číslo celního sazebníku (EU): 85363090, Váha brutto: 420.60 g, Balící jednotka: 1.00 ks
Technické informace
SPD podle ČSN EN 61643-11 / ... IEC 61643-11 | typ 1 + typ 2/Třída I + Třída II |
Maximální provozní napětí AC (UC ) | 255 V (50/60 Hz) |
Bleskový proud (10/350 µs) [L1+L2+L3-PEN] (Itotal ) | 37,5 kA |
Bleskový proud (10/350 µs) [L-PEN] (Iimp ) | 12,5 kA |
Ochranná úroveň (UP ) | ≤ 1,5 kV |
Max. nadproudová ochrana ze strany sítě | 160 A gG |
Certifikace | KEMA, VDE |
Kontakty dálkové signalizace/typ kontaktů | přepínač |
Obj. č. 941306 DSH B TNC 255 FM
GTIN 4013364328068, Číslo celního sazebníku (EU): 85363090, Váha brutto: 422.00 g, Balící jednotka: 1.00 ks
Technické informace
SPD podle ČSN EN 61643-11 / ... IEC 61643-11 | typ 1 + typ 2/Třída I + Třída II |
Maximální provozní napětí AC (UC ) | 255 V (50/60 Hz) |
Bleskový proud (10/350 µs) [L1+L2+L3-PEN] (Itotal ) | 22,5 kA |
Bleskový proud (10/350 µs) [L-PEN] (Iimp ) | 7,5 kA |
Ochranná úroveň (UP ) | ≤ 1,5 kV |
Max. nadproudová ochrana ze strany sítě | 160 A gG |
Certifikace | VDE |
Kontakty dálkové signalizace/typ kontaktů | přepínač |
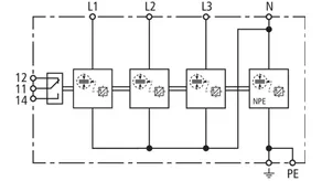
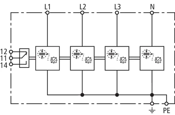
Obj. č. 941400 DSH TNS 255
GTIN 4013364133563, Číslo celního sazebníku (EU): 85363090, Váha brutto: 555.00 g, Balící jednotka: 1.00 ks
Technické informace
SPD podle ČSN EN 61643-11 / ... IEC 61643-11 | typ 1 + typ 2/Třída I + Třída II |
Maximální provozní napětí AC (UC ) | 255 V (50/60 Hz) |
Bleskový proud (10/350 µs) [L1+L2+L3+N-PE] (Itotal ) | 50 kA |
Bleskový proud (10/350 µs) [L, N-PE] (Iimp ) | 12,5 kA |
Ochranná úroveň [L-PE]/[N-PE] (UP ) | ≤ 1,5/≤ 1,5 kV |
Max. nadproudová ochrana ze strany sítě | 160 A gG |
Certifikace | KEMA, VDE, UL |
Obj. č. 941405 DSH TNS 255 FM
GTIN 4013364275331, Číslo celního sazebníku (EU): 85363090, Váha brutto: 488.30 g, Balící jednotka: 1.00 ks
Technické informace
SPD podle ČSN EN 61643-11 / ... IEC 61643-11 | typ 1 + typ 2/Třída I + Třída II |
Maximální provozní napětí AC (UC ) | 255 V (50/60 Hz) |
Bleskový proud (10/350 µs) [L1+L2+L3+N-PE] (Itotal ) | 50 kA |
Bleskový proud (10/350 µs) [L, N-PE] (Iimp ) | 12,5 kA |
Ochranná úroveň [L-PE]/[N-PE] (UP ) | ≤ 1,5/≤ 1,5 kV |
Max. nadproudová ochrana ze strany sítě | 160 A gG |
Certifikace | KEMA, VDE |
Kontakty dálkové signalizace/typ kontaktů | přepínač |
Obj. č. 941406 DSH B TNS 255 FM
GTIN 4013364328082, Číslo celního sazebníku (EU): 85363090, Váha brutto: 489.00 g, Balící jednotka: 1.00 ks
Technické informace
SPD podle ČSN EN 61643-11 / ... IEC 61643-11 | typ 1 + typ 2/Třída I + Třída II |
Maximální provozní napětí AC (UC ) | 255 V (50/60 Hz) |
Bleskový proud (10/350 µs) [L1+L2+L3+N-PE] (Itotal ) | 30 kA |
Bleskový proud (10/350 µs) [L, N-PE] (Iimp ) | 7,5 kA |
Ochranná úroveň [L-PE]/[N-PE] (UP ) | ≤ 1,5/≤ 1,5 kV |
Max. nadproudová ochrana ze strany sítě | 160 A gG |
Certifikace | VDE |
Kontakty dálkové signalizace/typ kontaktů | přepínač |
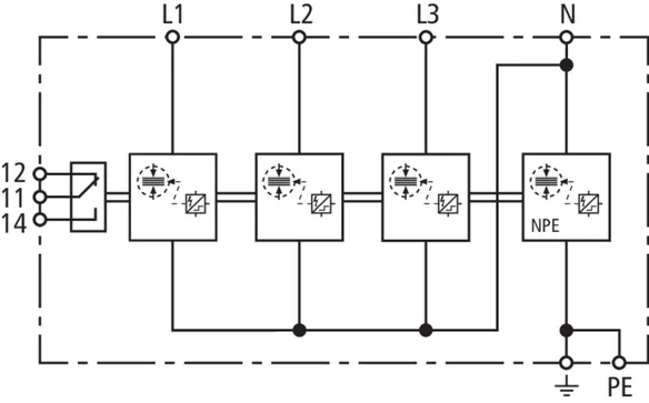
Obj. č. 941310 DSH TT 255
GTIN 4013364131798, Číslo celního sazebníku (EU): 85363090, Váha brutto: 509.90 g, Balící jednotka: 1.00 ks
Technické informace
SPD podle ČSN EN 61643-11 / ... IEC 61643-11 | typ 1 + typ 2/Třída I + Třída II |
Maximální provozní napětí AC (UC ) | 255 V (50/60 Hz) |
Bleskový proud (10/350 µs) [L1+L2+L3+N-PE] (Itotal ) | 50 kA |
Bleskový proud (10/350 µs) [L-N]/[N-PE] (Iimp ) | 12,5/50 kA |
Ochranná úroveň [L-N]/[N-PE] (UP ) | ≤ 1,5/≤ 1,5 kV |
Max. nadproudová ochrana ze strany sítě | 160 A gG |
Certifikace | KEMA, VDE, UL |
Rozšířená technická data: | --------------------------------- |
Ochranná úroveň [L-PE] (UP ) | 2,0 kV |
Obj. č. 941315 DSH TT 255 FM
GTIN 4013364275324, Číslo celního sazebníku (EU): 85363090, Váha brutto: 508.80 g, Balící jednotka: 1.00 ks
Technické informace
SPD podle ČSN EN 61643-11 / ... IEC 61643-11 | typ 1 + typ 2/Třída I + Třída II |
Maximální provozní napětí AC (UC ) | 255 V (50/60 Hz) |
Bleskový proud (10/350 µs) [L1+L2+L3+N-PE] (Itotal ) | 50 kA |
Bleskový proud (10/350 µs) [L-N]/[N-PE] (Iimp ) | 12,5/50 kA |
Ochranná úroveň [L-N]/[N-PE] (UP ) | ≤ 1,5/≤ 1,5 kV |
Max. nadproudová ochrana ze strany sítě | 160 A gG |
Certifikace | KEMA, VDE |
Kontakty dálkové signalizace/typ kontaktů | přepínač |
Rozšířená technická data: | --------------------------------- |
Ochranná úroveň [L-PE] (UP ) | 2,0 kV |
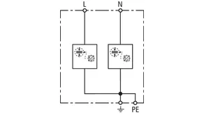
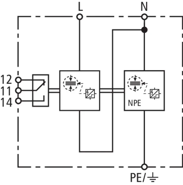
DEHNshield TT Basic FM
Kompletně zapojený kombinovaný svodič s optimalizovaným použitím pro sítě TT a TN-S, určený pro instalaci do hlavního přívodu napájení (zapojení 3+1) pro obytné budovy bez hromosvodu (také s nadzemním přívodem napájení); s bezpotenciálovým kontaktem dálkové signalizace.
1 Produkt
Obj. č. 941316 DSH B TT 255 FM
GTIN 4013364328075, Číslo celního sazebníku (EU): 85363090, Váha brutto: 510.00 g, Balící jednotka: 1.00 ks
Technické informace
SPD podle ČSN EN 61643-11 / ... IEC 61643-11 | typ 1 + typ 2/Třída I + Třída II |
Maximální provozní napětí AC (UC ) | 255 V (50/60 Hz) |
Bleskový proud (10/350 µs) [L1+L2+L3+N-PE] (Itotal ) | 30 kA |
Bleskový proud (10/350 µs) [L-N]/[N-PE] (Iimp ) | 7,5 / 30 kA |
Ochranná úroveň [L-N]/[N-PE] (UP ) | ≤ 1,5/≤ 1,5 kV |
Max. nadproudová ochrana ze strany sítě | 160 A gG |
Certifikace | VDE |
Kontakty dálkové signalizace/typ kontaktů | přepínač |
Rozšířená technická data: | --------------------------------- |
Ochranná úroveň [L-PE] (UP ) | 2,0 kV |
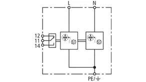
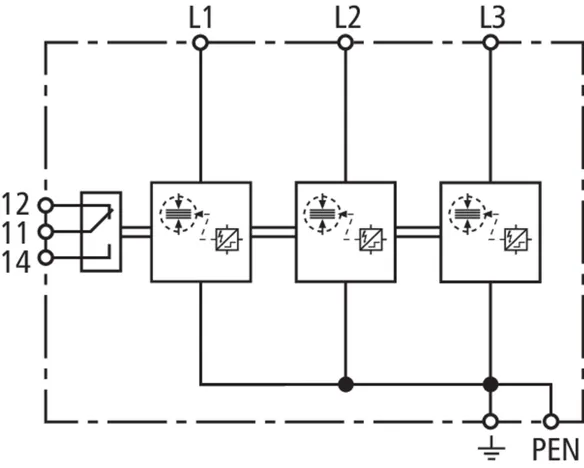
Obj. č. 941200 DSH TN 255
GTIN 4013364138209, Číslo celního sazebníku (EU): 85363090, Váha brutto: 266.00 g, Balící jednotka: 1.00 ks
Technické informace
SPD podle ČSN EN 61643-11 / ... IEC 61643-11 | typ 1 + typ 2/Třída I + Třída II |
Maximální provozní napětí AC (UC ) | 255 V (50/60 Hz) |
Bleskový proud (10/350 µs) [L+N-PE] (Itotal ) | 25 kA |
Bleskový proud (10/350 µs) [L, N-PE] (Iimp ) | 12,5 kA |
Ochranná úroveň [L-PE]/[N-PE] (UP ) | ≤ 1,5/≤ 1,5 kV |
Max. nadproudová ochrana ze strany sítě | 160 A gG |
Certifikace | KEMA, VDE, UL |
Obj. č. 941205 DSH TN 255 FM
GTIN 4013364289185, Číslo celního sazebníku (EU): 85363090, Váha brutto: 276.00 g, Balící jednotka: 1.00 ks
Technické informace
SPD podle ČSN EN 61643-11 / ... IEC 61643-11 | typ 1 + typ 2/Třída I + Třída II |
Maximální provozní napětí AC (UC ) | 255 V (50/60 Hz) |
Bleskový proud (10/350 µs) [L+N-PE] (Itotal ) | 25 kA |
Bleskový proud (10/350 µs) [L, N-PE] (Iimp ) | 12,5 kA |
Ochranná úroveň [L-PE]/[N-PE] (UP ) | ≤ 1,5/≤ 1,5 kV |
Max. nadproudová ochrana ze strany sítě | 160 A gG |
Certifikace | KEMA, VDE |
Kontakty dálkové signalizace/typ kontaktů | přepínač |
Obj. č. 941206 DSH B TN 255 FM
GTIN 4013364373839, Číslo celního sazebníku (EU): 85363090, Váha brutto: 276.00 g, Balící jednotka: 1.00 ks
Technické informace
SPD podle ČSN EN 61643-11 / ... IEC 61643-11 | typ 1 + typ 2/Třída I + Třída II |
Maximální provozní napětí AC (UC ) | 255 V (50/60 Hz) |
Bleskový proud (10/350 µs) [L+N-PE] (Itotal ) | 15 kA |
Bleskový proud (10/350 µs) [L, N-PE] (Iimp ) | 7,5 kA |
Ochranná úroveň [L-PE]/[N-PE] (UP ) | ≤ 1,5/≤ 1,5 kV |
Max. nadproudová ochrana ze strany sítě | 160 A gG |
Kontakty dálkové signalizace/typ kontaktů | přepínač |
Obj. č. 941110 DSH TT 2P 255
GTIN 4013364137899, Číslo celního sazebníku (EU): 85363090, Váha brutto: 291.00 g, Balící jednotka: 1.00 ks
Technické informace
SPD podle ČSN EN 61643-11 / ... IEC 61643-11 | typ 1 + typ 2/Třída I + Třída II |
Maximální provozní napětí AC (UC ) | 255 V (50/60 Hz) |
Bleskový proud (10/350 µs) [L+N-PE] (Itotal ) | 25 kA |
Bleskový proud (10/350 µs) [L-N]/[N-PE] (Iimp ) | 12,5/25 kA |
Ochranná úroveň [L-N]/[N-PE] (UP ) | ≤ 1,5/≤ 1,5 kV |
Max. nadproudová ochrana ze strany sítě | 160 A gG |
Certifikace | KEMA, VDE, UL |
Rozšířená technická data: | --------------------------------- |
Ochranná úroveň [L-PE] (UP ) | 2,0 kV |
Obj. č. 941115 DSH TT 2P 255 FM
GTIN 4013364289208, Číslo celního sazebníku (EU): 85363090, Váha brutto: 301.00 g, Balící jednotka: 1.00 ks
Technické informace
SPD podle ČSN EN 61643-11 / ... IEC 61643-11 | typ 1 + typ 2/Třída I + Třída II |
Maximální provozní napětí AC (UC ) | 255 V (50/60 Hz) |
Bleskový proud (10/350 µs) [L+N-PE] (Itotal ) | 25 kA |
Bleskový proud (10/350 µs) [L-N]/[N-PE] (Iimp ) | 12,5/25 kA |
Ochranná úroveň [L-N]/[N-PE] (UP ) | ≤ 1,5/≤ 1,5 kV |
Max. nadproudová ochrana ze strany sítě | 160 A gG |
Certifikace | KEMA, VDE |
Kontakty dálkové signalizace/typ kontaktů | přepínač |
Rozšířená technická data: | --------------------------------- |
Ochranná úroveň [L-PE] (UP ) | 2,0 kV |
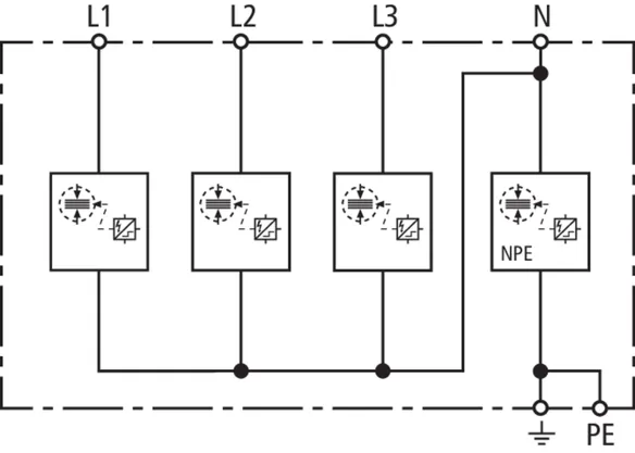
DEHNshield TT 2P Basic FM
Kompletně zapojený kombinovaný svodič s optimalizovaným použitím pro sítě TT a TN, určený pro instalaci do hlavního přívodu napájení (zapojení 1+1) pro obytné budovy bez hromosvodu (také s nadzemním přívodem napájení); s bezpotenciálovým kontaktem dálkové signalizace.
1 Produkt
Obj. č. 941116 DSH B TT 2P 255 FM
GTIN 4013364373235, Číslo celního sazebníku (EU): 85363090, Váha brutto: 301.00 g, Balící jednotka: 1.00 ks
Technické informace
SPD podle ČSN EN 61643-11 / ... IEC 61643-11 | typ 1 + typ 2/Třída I + Třída II |
Maximální provozní napětí AC (UC ) | 255 V (50/60 Hz) |
Bleskový proud (10/350 µs) [L+N-PE] (Itotal ) | 15 kA |
Bleskový proud (10/350 µs) [L-N]/[N-PE] (Iimp ) | 7,5/15 kA |
Ochranná úroveň [L-N]/[N-PE] (UP ) | ≤ 1,5/≤ 1,5 kV |
Max. nadproudová ochrana ze strany sítě | 160 A gG |
Kontakty dálkové signalizace/typ kontaktů | přepínač |
Rozšířená technická data: | --------------------------------- |
Ochranná úroveň [L-PE] (UP ) | 2,0 kV |