DEHNvap EMOB

  • Univerzálně použitelný, kombinovaný svodič speciálně pro instalaci v napájecích systémech nabíjecích infrastruktur
  • Na bázi RAC technologie jiskřiště a šířkou pouze jednoho modulu/pólu umožňuje kompaktní a prostorově úspornou montáž
  • Energeticky koordinovaný ochranný účinek ke koncovému zařízení Typ 1 + typ 2 + typ 3
  • Zbytková energie u S20K275 varistoru koncového zařízení < 0,5 J
  • Maximální předjištění do 250 A gG
  • Umožňuje měření izolace do 1000 V DC v zapojeném stavu

DVA EMOB 3P 255 FM

1 Produkt

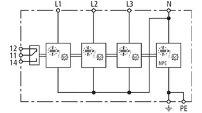
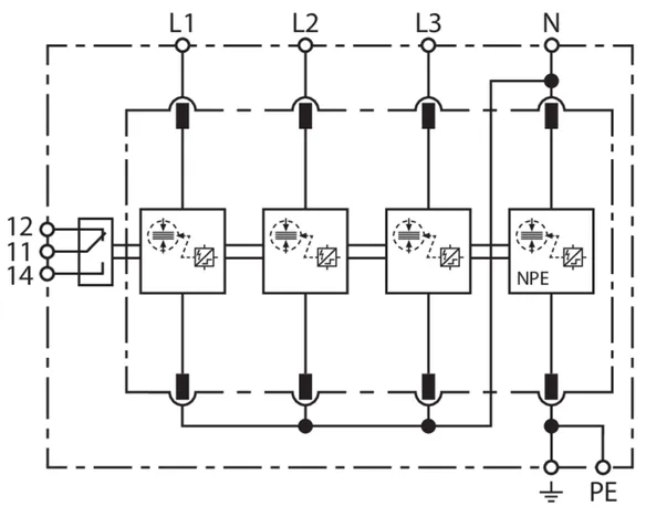
Obj. č. 900385 DVA EMOB 3P 255 FM

GTIN 4013364422186, Číslo celního sazebníku (EU): 85363090, Váha brutto: 500.00 g, Balící jednotka: 1.00 ks


Vyobrazení

Další informace

Kombinovaný svodič DEHNvap EMOB
Čtyřpólový kombinovaný svodič pro 230/400V systémy TT a TN(C)-S,
šířka 4 TE, s kontaktem dálkové signalizace
Svodič typ 1 + typ 2 podle EN 61643-11
Určený speciálně pro použití v
napájecích systémech nabíjecích infrastruktur
RAC technologie jiskřiště
ukazatel poruchy
Max. přípustné trvalé napětí: 255 V AC
Ochranná úroveň: <= 1,5 kV
Bleskový impulzní proud (10/350): 50 kA
Max. předjištění: 250 A
Zbytková energie u S20K275 varistoru koncového zařízení: < 0,5 J
Umožňuje měření izolace
do 1000 V DC v zapojeném stavu
Certifikace podle KEMA a UL
Energetická koordinace podle EN 62305-4
Svodič řady Red/Line, chrání i koncová zařízení

Výrobek: DEHN
Typ: DVA EMOB 3P 255 FM
Obj. č.: 900385
nebo rovnocenný.

Certifikáty

 

Rapid Arc Control

Kombinované svodiče s technologií jiskřiště RAC reagují velmi rychle a díky podstatnému snížení zbytkové energie zaručují spolehlivou ochranu citlivých koncových zařízení. Výhodou je nižší ochranná úroveň Up a minimální zbytková energie. Po extrémně rychlém zapálení jiskřiště je přepětí po dobu svádění impulzního proudu bezpečně zredukováno na nižší hodnoty než je hodnota ochranné úrovně Up.

Technické informace

SPD podle ČSN EN 61643-11/...IEC 61643-11 typ 1 + typ 2/Třída I + Třída II
Nejvyšší provozní napětí AC [L-N]/[N-PE] (UC ) 255 V (50/60 Hz)
Bleskový proud (10/350) [L-N]/[N-PE] (Iimp ) 12,5/50 kA
Specifická energie [L-N]/[N-PE] (W/R) 39,06 kJ/ohm / 625,00 kJ/ohm
Jmenovitý impulzní proud (8/20) (In ) 25/100 kA
Ochranná úroveň [L-N]/[N-PE] (UP ) ≤ 1,5 kV/≤ 1,5 kV
Certifikace KEMA, UL

Produkt 900385 byl přidán na seznam.

K seznamu

Produkt 900385 byl přidán do nákupního košíku.


DVA EMOB M 3P 255 FM

1 Produkt

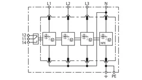
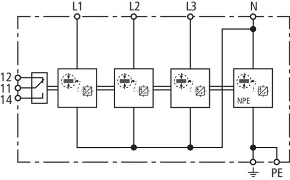
Obj. č. 900585 DVA EMOB M 3P 255 FM

GTIN 4013364498983, Číslo celního sazebníku (EU): 85354000, Váha brutto: 592.47 g, Balící jednotka: 1.00 ks


Vyobrazení

Další informace

Kombinovaný svodič DEHNvap EMOB
Čtyřpólový kombinovaný svodič pro 230/400V systémy TT a TN(C)-S,
šířka 4 TE, s kontaktem dálkové signalizace
Modulární svodič typ 1 + typ 2 podle normy EN 61643-11
Určený speciálně pro použití v
napájecích systémech nabíjecích infrastruktur
RAC technologie jiskřiště
ukazatel poruchy
Max. přípustné trvalé napětí: 255 V AC
Ochranná úroveň: <= 1,5 kV
Bleskový impulzní proud (10/350): 12,5 kA
Max. předjištění: 250 A
Certifikace podle KEMA a UL
Energetická koordinace podle EN 62305-4
Svodič řady Red/Line, chrání i koncová zařízení

Výrobek: DEHN
Typ: DVA EMOB M 3P 255 FM
Obj. č.: 900585
nebo rovnocenný.

Certifikáty

 

Rapid Arc Control

Kombinované svodiče s technologií jiskřiště RAC reagují velmi rychle a díky podstatnému snížení zbytkové energie zaručují spolehlivou ochranu citlivých koncových zařízení. Výhodou je nižší ochranná úroveň Up a minimální zbytková energie. Po extrémně rychlém zapálení jiskřiště je přepětí po dobu svádění impulzního proudu bezpečně zredukováno na nižší hodnoty než je hodnota ochranné úrovně Up.

Technické informace

SPD podle ČSN EN 61643-11/...IEC 61643-11 typ 1 + typ 2/Třída I + Třída II
Nejvyšší provozní napětí AC [L-N]/[N-PE] (UC ) 255 V (50/60 Hz)
Bleskový proud (10/350) [L-N]/[N-PE] (Iimp ) 12,5/50 kA
Specifická energie [L-N]/[N-PE] (W/R) 39,06 kJ/ohm / 625,00 kJ/ohm
Jmenovitý impulzní proud (8/20) (In ) 25/100 kA
Ochranná úroveň [L-N]/[N-PE] (UP ) ≤ 1,5 kV/≤ 1,5 kV
Certifikace KEMA, UL

Produkt 900585 byl přidán na seznam.

K seznamu

Produkt 900585 byl přidán do nákupního košíku.


back to top