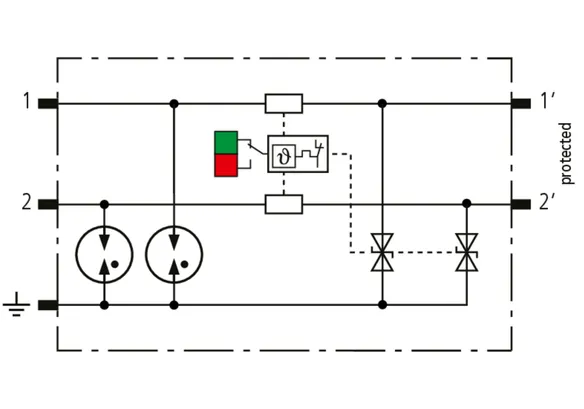
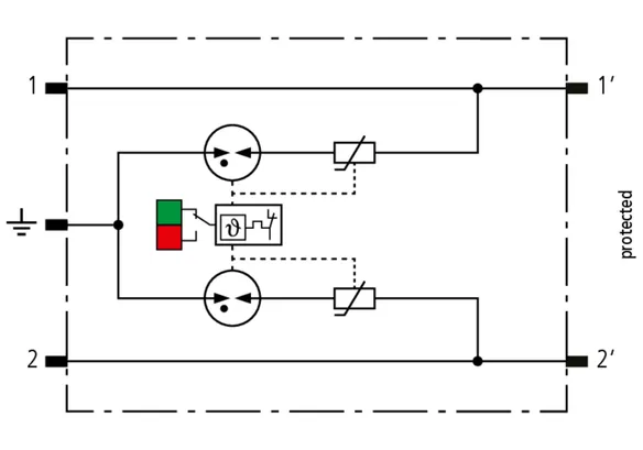
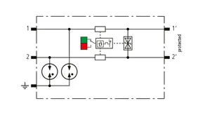
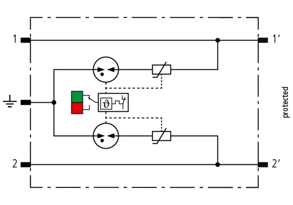
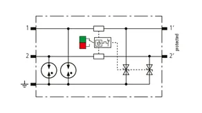
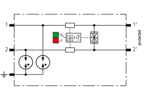
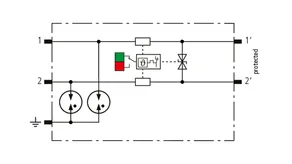
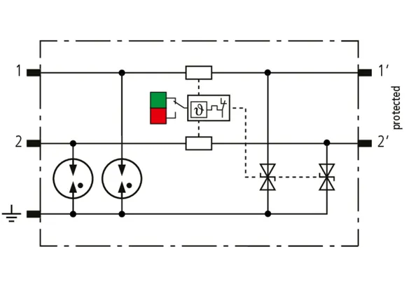
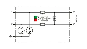
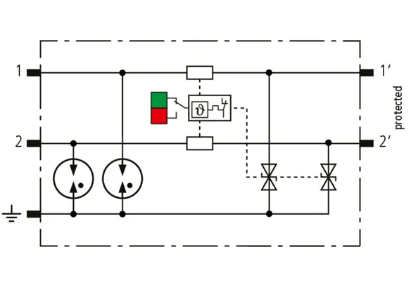
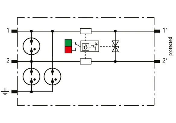
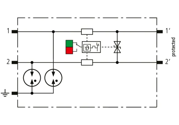
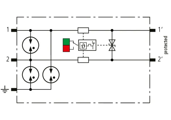
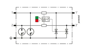
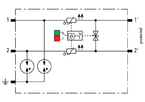
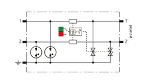
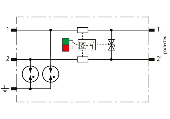
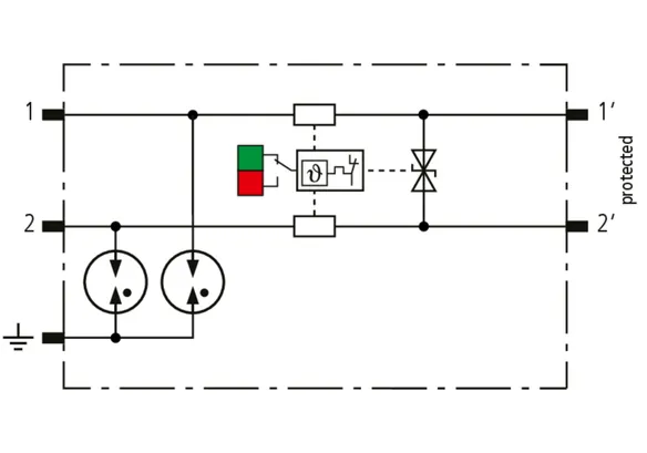
BLITZDUCTORconnect – Modular

Univerzálně použitelný svodič bleskových proudů a svodič přepětí
  • Pro ochranu obvodů MaR, BUS a telekomunikačních systémů
  • Vysoký celkový svodový výkon 3 kA (10/350 µs), 10 kA (8/20 µs)
  • Maximální impulzní proudové zatížení (8/20 µs) Imax do 20 kA
  • Nízká ochranná úroveň, vhodný pro ochranu koncových zařízení
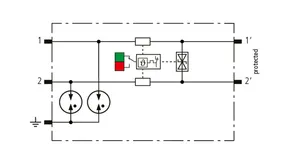
Svodič je dělitelný na modul a základní díl
  • Rychlé a jednoduché připojení vodičů pomocí technologie připojení push-in
  • Všechny ochranné prvky jsou integrované v modulu
  • Oboustranná uvolňovací tlačítka secR pro bezpečnou výměnu modulu
  • Vysoká dostupnost systému díky chování Failsafe
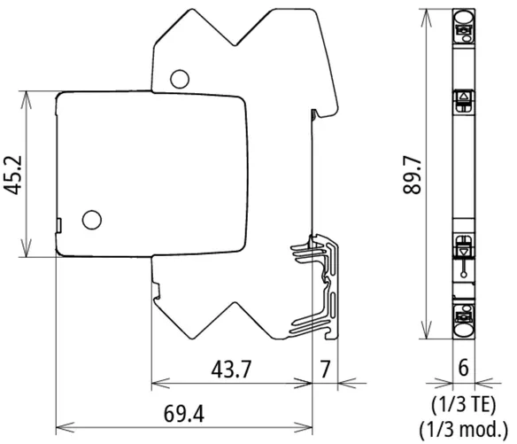
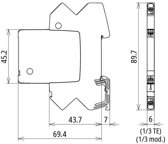
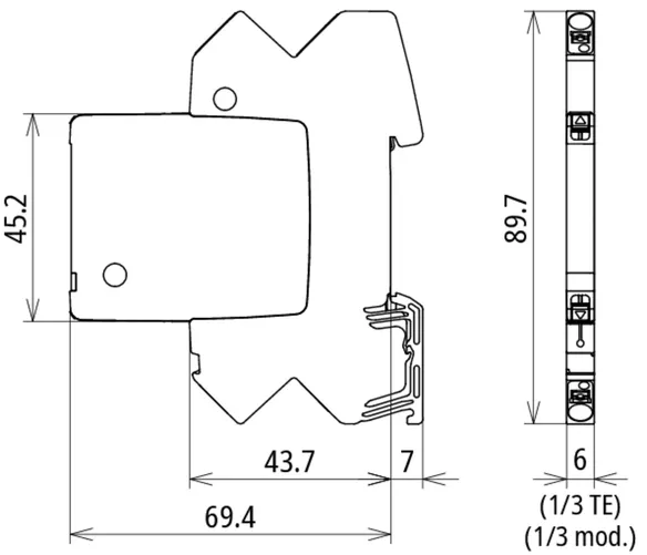
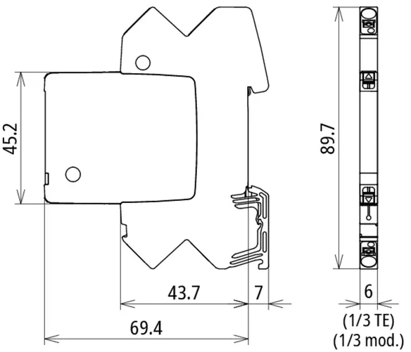
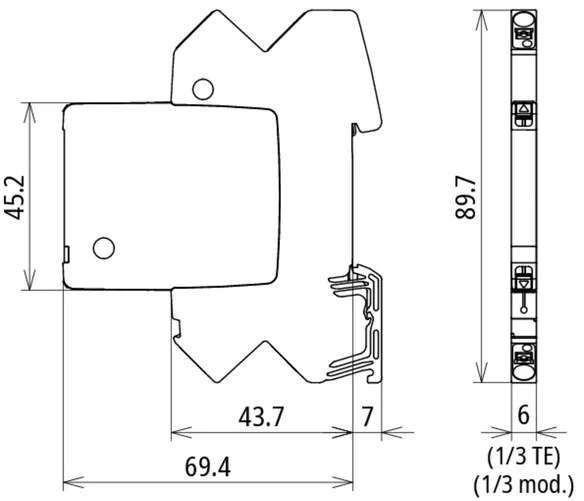
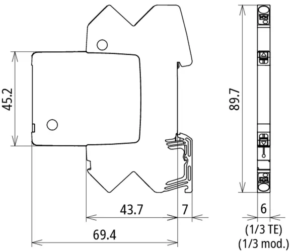
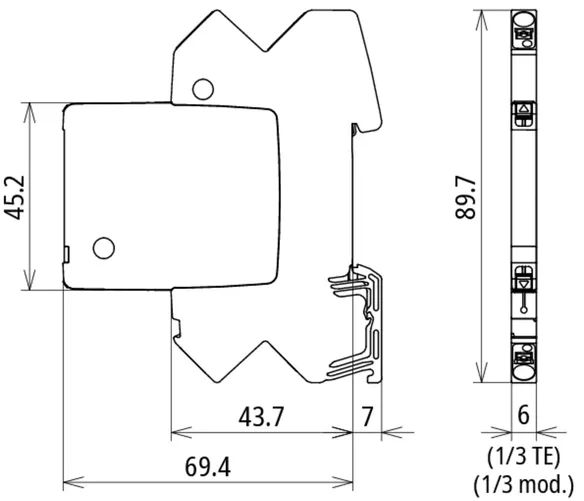
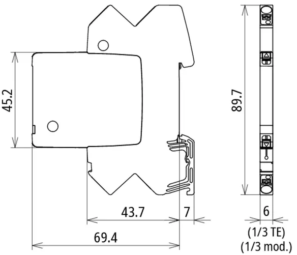
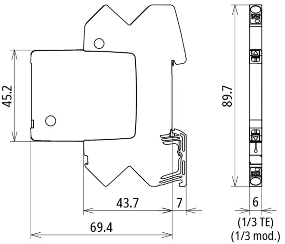
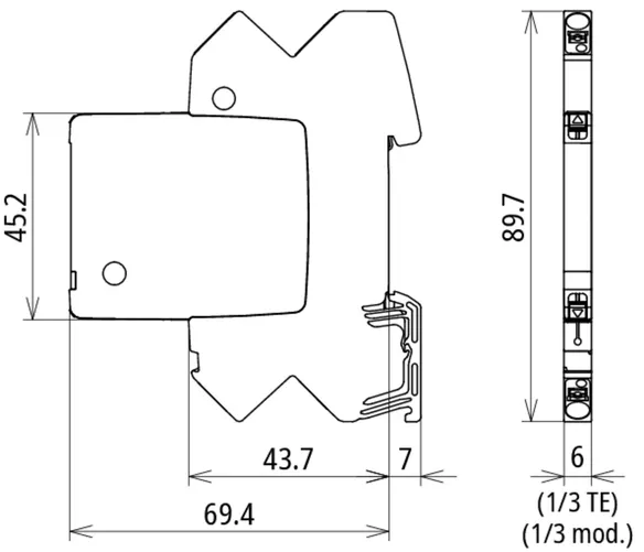
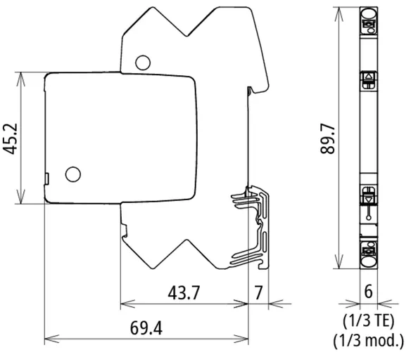
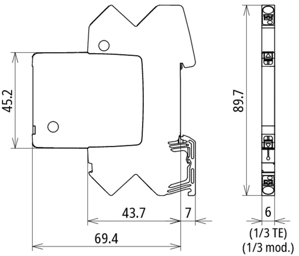
Funkčně optimalizovaný design přístroje s šířkou 6 mm
  • V modulu je integrovaný senzor LifeCheck a optický ukazatel stavu
  • Jednoduchá dálková signalizace stavu s volitelnou jednotkou FM
  • Rozpojení signálového obvodu pro účely údržby bez použití nářadí
  • Zkoušeno vibrací a otřesem pro zajištění bezpečného provozu

Details

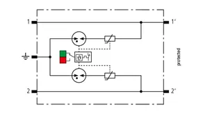
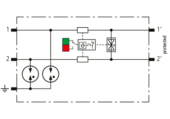
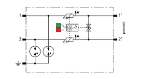
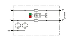
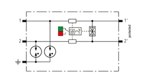
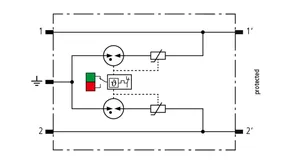
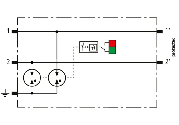
Připojeno = chráněno
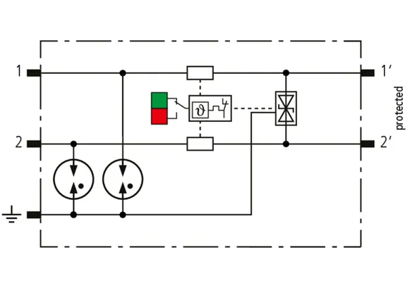
Zpráva o stavu svodičů pomocí monitorovací jednotky pro skupiny svodičů
lorem ipsum
Nejvyšší dostupnost zařízení
Certifikáty pro použití v jiskrově bezpečných měřicích obvodech
lorem ipsum
Bezpečně uzamčen - precizně vyjmut
uvolňovací tlačítka secR na obou stranách pro bezpečnou manipulaci
lorem ipsum
Rychlá kontrola - na první pohled
Integrovaný ukazatel pro snadnou a rychlou údržbu
lorem ipsum

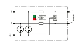
BCO ML2 B 180

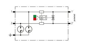
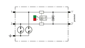
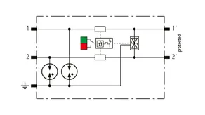
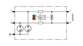
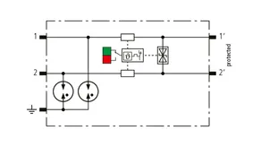
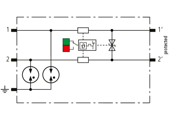
Prostorově úsporný, modulární svodič bleskových proudů o šířce 6 mm a připojovací technologií push-in, s ukazatelem stavu, pro ochranu 2 samostatných vodičů, pro vyrovnání potenciálů v ochraně před bleskem. Provedení pro nepřímé uzemnění stínění kabelů. S rozpojením signálových cest pro účely údržby.

1 Produkt

Obj. č. 927210 BCO ML2 B 180

GTIN 4013364405585, Číslo celního sazebníku (EU): 85363010, Váha brutto: 57.75 g, Balící jednotka: 1.00 ks


Vyobrazení

Další informace

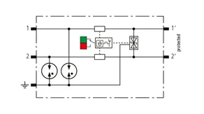
Svodič bleskových proudů BLITZDUCTORconnect ML2 B 180
modulární, zásuvný svodič bleskových proudů
pro ochranu 2 samostatných vodičů, pro vyrovnání
potenciálů v ochraně před bleskem, provedení
pro nepřímé uzemnění stínění kabelů
zkoušen podle ČSN EN/IEC 61643-21 a energeticky
zkoordinovaný podle IEC 61643-22
třída svodiče přepětí Typ 1
impulzní kategorie: C2, C3, B2, D1
ukazatel stavu, šířka 6 mm
nejvyšší provozní napětí: 180,0 V DC/127,0 V AC
jmenovitý proud při 80 °C: 1,2 A
C2 jmenovitý impulzní proud/žíla (8/20): 5 kA
C2 jmenovitý impulzní proud celkový (8/20): 10 kA
D1 bleskový proud (10/350 µs)/žíla: 1,5 kA
D1 bleskový proud (10/350 µs) celkový: 3 kA
s rozpojením signálového obvodu pro účely udržby
připojení vedení: Push-in

Výrobek: DEHN
Typ: BCO ML2 B 180
Obj. č.: 927210
nebo rovnocenný.

Certifikáty

 

Technické informace

Třída svodiče A
Jmenovité napětí (UN ) 180 V
Nejvyšší provozní napětí DC (UC ) 180 V
D1 bleskový proud (10/350 µs)/žíla (Iimp ) 1,5 kA
C2 jmenovitý impulzní proud (8/20 µs) celkový (In ) 10 kA
Sériová impedance/žíla 0 Ohm
Certifikace UL 497B, CSA, ATEX, IECEx, CCC, SIL
*) detaily viz: www.dehn.de

Produkt 927210 byl přidán na seznam.

K seznamu

Produkt 927210 byl přidán do nákupního košíku.


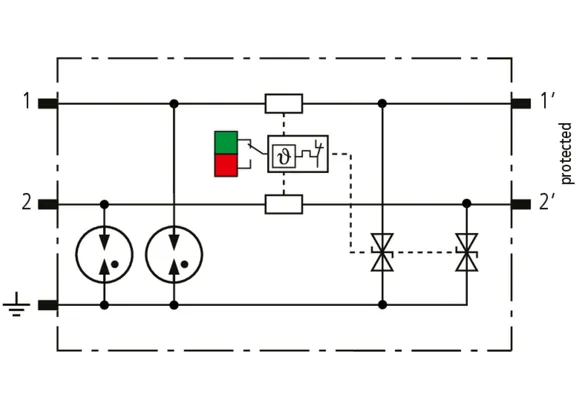
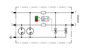
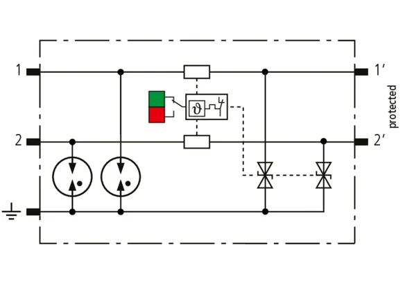
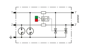
BCO ML2 BE

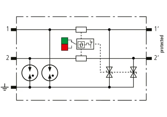
Prostorově úsporný, modulární kombinovaný svodič o šířce 6 mm a připojovací technologií push-in, s ukazatelem stavu, pro ochranu 2 samostatných vodičů se společným vztažným potenciálem nebo nesymetrická rozhraní. S rozpojením signálových cest pro účely údržby.

4 Produkty

Obj. č. 927222 BCO ML2 BE 12

GTIN 4013364405592, Číslo celního sazebníku (EU): 85363010, Váha brutto: 59.19 g, Balící jednotka: 1.00 ks

Staré provedení

Vyobrazení

Další informace

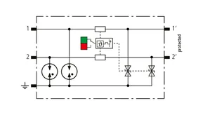
Kombinovaný svodič BLITZDUCTORconnect ML2 BE 12
modulární zásuvný kombinovaný svodič
chrání dvě samostatné žíly se společným
vztažným potenciálem i nesymetrickými rozhraními
zkoušený podle EN/IEC 61643-21 a energeticky
zkoordinovaný podle IEC 61643-22
Třída svodiče typ 1/P1
Kategorie impulzu: C1, C2, C3, B2, D1
Ukazatel stavu, šířka 6 mm
Max. přípustné trvalé napětí: 15,0 V DC / 10,6 V AC
Jmenovitý proud při 70 °C: 0,75 A
C2 jmenovitý svodový impulzní proud/žíla (8/20): 5 kA
C2 jmenovitý svodový impulzní proud celkový (8/20): 10 kA
D1 bleskový impulzní proud (10/350 µs)/žíla: 1,5 kA
D1 bleskový impulzní proud (10/350 µs) celkový: 3 kA
s rozpojením signálu pro účely údržby
Připojení vedení: Push-in

Výrobek: DEHN
Typ: BCO ML2 BE 12
Obj. č.: 927222
nebo rovnocenný.

Certifikáty

 

Technické informace

Třída svodiče M
Jmenovité napětí (UN ) 12 V
Nejvyšší provozní napětí DC (UC ) 15 V
Jmenovitý proud při 70 °C (IL ) 0,75 A
D1 bleskový proud (10/350 µs)/žíla (Iimp ) 1,5 kA
C2 jmenovitý impulzní proud (8/20 µs) celkový (In ) 10 kA
Sériová impedance/žíla 1 Ohm
Mezní frekvence žíla-žíla (fG ) 1,4 MHz
Certifikace UL 479B, CSA, ATEX, IECEx, CCC, SIL
*) detaily viz: www.dehn.de

Produkt 927222 byl přidán na seznam.

K seznamu

Produkt 927222 byl přidán do nákupního košíku.

Obj. č. 927224 BCO ML2 BE 24

GTIN 4013364405608, Číslo celního sazebníku (EU): 85363010, Váha brutto: 59.68 g, Balící jednotka: 1.00 ks

Staré provedení

Vyobrazení

Další informace

Kombinovaný svodič BLITZDUCTORconnect ML2 BE 24
modulární zásuvný kombinovaný svodič
chrání dvě samostatné žíly se společným
vztažným potenciálem i nesymetrickými rozhraními
zkoušený podle EN/IEC 61643-21 a energeticky
zkoordinovaný podle IEC 61643-22
Třída svodiče typ 1/P1
Kategorie impulzu: C1, C2, C3, B2, D1
Ukazatel stavu, šířka 6 mm
Max. přípustné trvalé napětí: 33,0 V DC / 23,3 V AC
Jmenovitý proud při 70 °C: 0,75 A
C2 jmenovitý svodový impulzní proud/žíla (8/20): 5 kA
C2 jmenovitý svodový impulzní proud celkový (8/20): 10 kA
D1 bleskový impulzní proud (10/350 µs)/žíla: 1,5 kA
D1 bleskový impulzní proud (10/350 µs) celkový: 3 kA
s rozpojením signálu pro účely údržby
Připojení vedení: Push-in

Výrobek: DEHN
Typ: BCO ML2 BE 24
Obj. č.: 927224
nebo rovnocenný.

Certifikáty

 

Technické informace

Třída svodiče M
Jmenovité napětí (UN ) 24 V
Nejvyšší provozní napětí DC (UC ) 33 V
Jmenovitý proud při 70 °C (IL ) 0,75 A
D1 bleskový proud (10/350 µs)/žíla (Iimp ) 1,5 kA
C2 jmenovitý impulzní proud (8/20 µs) celkový (In ) 10 kA
Sériová impedance/žíla 1 Ohm
Mezní frekvence žíla-žíla (fG ) 3,4 MHz
Certifikace UL 497B, CSA, ATEX, IECEx, CCC, SIL
*) detaily viz: www.dehn.de

Produkt 927224 byl přidán na seznam.

K seznamu

Produkt 927224 byl přidán do nákupního košíku.

Obj. č. 927225 BCO ML2 BE 48

GTIN 4013364405615, Číslo celního sazebníku (EU): 85363010, Váha brutto: 58.22 g, Balící jednotka: 1.00 ks

Staré provedení

Vyobrazení

Další informace

Kombinovaný svodič BLITZDUCTORconnect ML2 BE 48
modulární zásuvný kombinovaný svodič
chrání dvě samostatné žíly se společným
vztažným potenciálem i nesymetrickými rozhraními
zkoušený podle EN/IEC 61643-21 a energeticky
zkoordinovaný podle IEC 61643-22
Třída svodiče typ 1/P1
Kategorie impulzu: C1, C2, C3, B2, D1
Ukazatel stavu, šířka 6 mm
Max. přípustné trvalé napětí: 54,0 V DC / 38,1 V AC
Jmenovitý proud při 70 °C: 0,75 A
C2 jmenovitý svodový impulzní proud/žíla (8/20): 5 kA
C2 jmenovitý svodový impulzní proud celkový (8/20): 10 kA
D1 bleskový impulzní proud (10/350 µs)/žíla: 1,5 kA
D1 bleskový impulzní proud (10/350 µs) celkový: 3 kA
s rozpojením signálu pro účely údržby
Připojení vedení: Push-in

Výrobek: DEHN
Typ: BCO ML2 BE 48
Obj. č.: 927225
nebo rovnocenný.

Certifikáty

 

Technické informace

Třída svodiče M
Jmenovité napětí (UN ) 48 V
Nejvyšší provozní napětí DC (UC ) 54 V
Jmenovitý proud při 70 °C (IL ) 0,75 A
D1 bleskový proud (10/350 µs)/žíla (Iimp ) 1,5 kA
C2 jmenovitý impulzní proud (8/20 µs) celkový (In ) 10 kA
Sériová impedance/žíla 1 Ohm
Mezní frekvence žíla-žíla (fG ) 5 MHz
Certifikace UL 497B, CSA, ATEX, IECEx, CCC, SIL
*) detaily viz: www.dehn.de

Produkt 927225 byl přidán na seznam.

K seznamu

Produkt 927225 byl přidán do nákupního košíku.

Obj. č. 927227 BCO ML2 BE 180

GTIN 4013364468658, Číslo celního sazebníku (EU): 85363010, Váha brutto: 58.85 g, Balící jednotka: 1.00 ks

Staré provedení

Vyobrazení

Další informace

Kombinovaný svodič BLITZDUCTORconnect ML2 BE 180
modulární zásuvný kombinovaný svodič
chrání dvě samostatné žíly se společným
vztažným potenciálem i nesymetrickými rozhraními
zkoušený podle EN/IEC 61643-21 a energeticky
zkoordinovaný podle IEC 61643-22
Třída svodiče typ 1/P1
Kategorie impulzu: C1, C2, C3, B2, D1
Ukazatel stavu, šířka 6 mm
Max. přípustné trvalé napětí: 180 V DC / 127 V AC
Jmenovitý proud při 70 °C: 0,5 A
C2 jmenovitý svodový impulzní proud/žíla (8/20): 5 kA
C2 jmenovitý svodový impulzní proud celkový (8/20): 10 kA
D1 bleskový impulzní proud (10/350 µs)/žíla: 1,5 kA
D1 bleskový impulzní proud (10/350 µs) celkový: 3 kA
s rozpojením signálu pro účely údržby
Připojení vedení: Push-in

Výrobek: DEHN
Typ: BCO ML2 BE 180
Obj. č.: 927227
nebo rovnocenný.

Certifikáty

 

Technické informace

Třída svodiče M
Jmenovité napětí (UN ) 180 V
Nejvyšší provozní napětí DC (UC ) 180 V
Jmenovitý proud při 70 °C (IL ) 0,5 A
D1 bleskový proud (10/350 µs)/žíla (Iimp ) 1,5 kA
C2 jmenovitý impulzní proud (8/20 µs) celkový (In ) 10 kA
Sériová impedance/žíla 1,8 Ohm
Mezní frekvence žíla-žíla (fG ) 10 MHz
Certifikace UL 497B, SIL
*) detaily viz: www.dehn.de

Produkt 927227 byl přidán na seznam.

K seznamu

Produkt 927227 byl přidán do nákupního košíku.


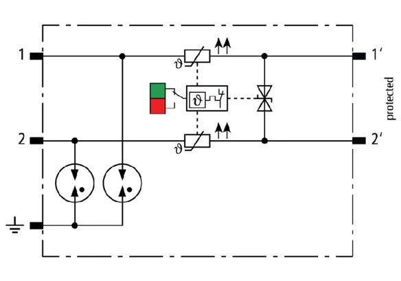
BCO ML2 BD

Prostorově úsporný, modulární kombinovaný svodič o šířce 6 mm a připojovací technologií push-in, s ukazatelem stavu, pro ochranu 1 páru vedení bezpotenciálových symetrických rozhraní. S rozpojením signálových cest pro účely údržby.

4 Produkty

Obj. č. 927242 BCO ML2 BD 12

GTIN 4013364405622, Číslo celního sazebníku (EU): 85363010, Váha brutto: 58.35 g, Balící jednotka: 1.00 ks

Staré provedení

Vyobrazení

Další informace

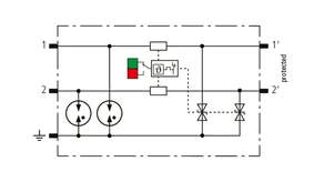
Kombinovaný svodič BLITZDUCTORconnect ML2 BD 12
modulární zásuvný kombinovaný svodič
pro ochranu jednoho páru žil bezpotenciálových
symetrických rozhraní
zkoušený podle EN/IEC 61643-21 a
energeticky zkoordinovaný podle IEC 61643-22
Třída svodiče typ 1/P2
Kategorie impulzu: C1, C2, C3, B2, D1
Ukazatel stavu, šířka 6 mm
Max. přípustné trvalé napětí: 15,0 V DC / 10,6 V AC
Jmenovitý proud při 70 °C: 0,75 A
C2 jmenovitý svodový impulzní proud/žíla (8/20): 5 kA
C2 jmenovitý svodový impulzní proud celkový (8/20): 10 kA
D1 bleskový impulzní proud (10/350 µs)/žíla: 1,5 kA
D1 bleskový impulzní proud (10/350 µs) celkový: 3 kA
s rozpojením signálu pro účely údržby
Připojení vedení: Push-in

Výrobek: DEHN
Typ: BCO ML2 BD 12
Obj. č.: 927242
nebo rovnocenný.

Certifikáty

 

Technické informace

Třída svodiče L
Jmenovité napětí (UN ) 12 V
Nejvyšší provozní napětí DC (UC ) 15 V
Jmenovitý proud při 70 °C (IL ) 0,75 A
D1 bleskový proud (10/350 µs)/žíla (Iimp ) 1,5 kA
C2 jmenovitý impulzní proud (8/20 µs) celkový (In ) 10 kA
Sériová impedance/žíla 1 Ohm
Mezní frekvence žíla-žíla (fG ) 2,6 MHz
Certifikace UL 497B, CSA, ATEX, IECEx, CCC, SIL
*) detaily viz: www.dehn.de

Produkt 927242 byl přidán na seznam.

K seznamu

Produkt 927242 byl přidán do nákupního košíku.

Obj. č. 927244 BCO ML2 BD 24

GTIN 4013364405639, Číslo celního sazebníku (EU): 85363010, Váha brutto: 58.64 g, Balící jednotka: 1.00 ks

Staré provedení

Vyobrazení

Další informace

Kombinovaný svodič BLITZDUCTORconnect ML2 BD 24
modulární zásuvný kombinovaný svodič
pro ochranu jednoho páru žil bezpotenciálových
symetrických rozhraní
zkoušený podle EN/IEC 61643-21 a
energeticky zkoordinovaný podle IEC 61643-22
Třída svodiče typ 1/P2
Kategorie impulzu: C1, C2, C3, B2, D1
Ukazatel stavu, šířka 6 mm
Max. přípustné trvalé napětí: 36,0 V DC / 25,4 V AC
Jmenovitý proud při 70 °C: 0,75 A
C2 jmenovitý svodový impulzní proud/žíla (8/20): 5 kA
C2 jmenovitý svodový impulzní proud celkový (8/20): 10 kA
D1 bleskový impulzní proud (10/350 µs)/žíla: 1,5 kA
D1 bleskový impulzní proud (10/350 µs) celkový: 3 kA
s rozpojením signálu pro účely údržby
Připojení vedení: Push-in

Výrobek: DEHN
Typ: BCO ML2 BD 24
Obj. č.: 927244
nebo rovnocenný.

Certifikáty

 

Technické informace

Třída svodiče L
Jmenovité napětí (UN ) 24 V
Nejvyšší provozní napětí DC (UC ) 36 V
Jmenovitý proud při 70 °C (IL ) 0,75 A
D1 bleskový proud (10/350 µs)/žíla (Iimp ) 1,5 kA
C2 jmenovitý impulzní proud (8/20 µs) celkový (In ) 10 kA
Sériová impedance/žíla 1 Ohm
Mezní frekvence žíla-žíla (fG ) 5,8 MHz
Certifikace UL 497B, CSA, ATEX, IECEx, CCC, SIL
*) detaily viz: www.dehn.de

Produkt 927244 byl přidán na seznam.

K seznamu

Produkt 927244 byl přidán do nákupního košíku.

Obj. č. 927245 BCO ML2 BD 48

GTIN 4013364405646, Číslo celního sazebníku (EU): 85363010, Váha brutto: 58.49 g, Balící jednotka: 1.00 ks

Staré provedení

Vyobrazení

Další informace

Kombinovaný svodič BLITZDUCTORconnect ML2 BD 48
modulární zásuvný kombinovaný svodič
pro ochranu jednoho páru žil bezpotenciálových
symetrických rozhraní
zkoušený podle EN/IEC 61643-21 a
energeticky zkoordinovaný podle IEC 61643-22
Třída svodiče typ 1/P2
Kategorie impulzu: C1, C2, C3, B2, D1
Ukazatel stavu, šířka 6 mm
Max. přípustné trvalé napětí: 56,0 V DC / 39,6 V AC
Jmenovitý proud při 70 °C: 0,75 A
C2 jmenovitý svodový impulzní proud/žíla (8/20): 5 kA
C2 jmenovitý svodový impulzní proud celkový (8/20): 10 kA
D1 bleskový impulzní proud (10/350 µs)/žíla: 1,5 kA
D1 bleskový impulzní proud (10/350 µs) celkový: 3 kA
s rozpojením signálu pro účely údržby
Připojení vedení: Push-in

Výrobek: DEHN
Typ: BCO ML2 BD 48
Obj. č.: 927245
nebo rovnocenný.

Certifikáty

 

Technické informace

Třída svodiče L
Jmenovité napětí (UN ) 48 V
Nejvyšší provozní napětí DC (UC ) 56 V
Jmenovitý proud při 70 °C (IL ) 0,75 A
D1 bleskový proud (10/350 µs)/žíla (Iimp ) 1,5 kA
C2 jmenovitý impulzní proud (8/20 µs) celkový (In ) 10 kA
Sériová impedance/žíla 1 Ohm
Mezní frekvence žíla-žíla (fG ) 7,2 MHz
Certifikace UL 497B, CSA, ATEX, IECEx, CCC, SIL
*) detaily viz: www.dehn.de

Produkt 927245 byl přidán na seznam.

K seznamu

Produkt 927245 byl přidán do nákupního košíku.

Obj. č. 927247 BCO ML2 BD 180

GTIN 4013364468665, Číslo celního sazebníku (EU): 85363010, Váha brutto: 58.92 g, Balící jednotka: 1.00 ks

Staré provedení

Vyobrazení

Další informace

Kombinovaný svodič BLITZDUCTORconnect ML2 BD 180
modulární zásuvný kombinovaný svodič
pro ochranu jednoho páru žil bezpotenciálových
symetrických rozhraní
zkoušený podle EN/IEC 61643-21 a
energeticky zkoordinovaný podle IEC 61643-22
Třída svodiče typ 1/P2
Kategorie impulzu: C1, C2, C3, B2, D1
Ukazatel stavu, šířka 6 mm
Max. přípustné trvalé napětí: 180 V DC / 127 V AC
Jmenovitý proud při 70 °C: 0,5 A
C2 jmenovitý svodový impulzní proud/žíla (8/20): 5 kA
C2 jmenovitý svodový impulzní proud celkový (8/20): 10 kA
D1 bleskový impulzní proud (10/350 µs)/žíla: 1,5 kA
D1 bleskový impulzní proud (10/350 µs) celkový: 3 kA
s rozpojením signálu pro účely údržby
Připojení vedení: Push-in

Výrobek: DEHN
Typ: BCO ML2 BD 180
Obj. č.: 927247
nebo rovnocenný.

Certifikáty

 

Technické informace

Třída svodiče L
Jmenovité napětí (UN ) 180 V
Nejvyšší provozní napětí DC (UC ) 180 V
Jmenovitý proud při 70 °C (IL ) 0,5 A
D1 bleskový proud (10/350 µs)/žíla (Iimp ) 1,5 kA
C2 jmenovitý impulzní proud (8/20 µs) celkový (In ) 10 kA
Sériová impedance/žíla 1,8 Ohm
Mezní frekvence žíla-žíla (fG ) 10 MHz
Certifikace UL 497B, SIL
*) detaily viz: www.dehn.de

Produkt 927247 byl přidán na seznam.

K seznamu

Produkt 927247 byl přidán do nákupního košíku.


BCO ML2 BE HF

Prostorově úsporný, modulární kombinovaný svodič o šířce 6 mm a připojovací technologií push-in, s ukazatelem stavu, pro ochranu 2 samostatných vodičů vysokofrekvenčních přenosů se společným vztažným potenciálem nebo nesymetrická rozhraní. S rozpojením signálových cest pro účely údržby.

2 Produkty

Obj. č. 927270 BCO ML2 BE HF 5

GTIN 4013364405653, Číslo celního sazebníku (EU): 85363010, Váha brutto: 58.57 g, Balící jednotka: 1.00 ks

Staré provedení

Vyobrazení

Další informace

Kombinovaný svodič BLITZDUCTORconnect ML2 BE HF 5
modulární zásuvný kombinovaný svodič
pro optimální ochranu dvou samostatných žil vysokofrekvenčních
přenosů se společným vztažným potenciálem
nebo nesymetrickými rozhraními
zkoušený podle EN/IEC 61643-21 a energeticky
zkoordinovaný podle IEC 61643-22
Třída svodiče typ 1/P1
Kategorie impulzu: C1, C2, C3, B2, D1
Ukazatel stavu, šířka 6 mm
Max. přípustné trvalé napětí: 8,5 V DC / 6,0 V AC
Jmenovitý proud při 70 °C: 0,75 A
Mezní frekvence 100 MHz
C2 jmenovitý svodový impulzní proud/žíla (8/20): 5 kA
C2 jmenovitý svodový impulzní proud celkový (8/20): 10 kA
D1 bleskový impulzní proud (10/350 µs)/žíla: 1,5 kA
D1 bleskový impulzní proud (10/350 µs) celkový: 3 kA
s rozpojením signálu pro účely údržby
Připojení vedení: Push-in

Výrobek: DEHN
Typ: BCO ML2 BE HF 5
Obj. č.: 927270
nebo rovnocenný.

Certifikáty

 

Technické informace

Třída svodiče M
Jmenovité napětí (UN ) 5 V
Nejvyšší provozní napětí DC (UC ) 8,5 V
Jmenovitý proud při 70 °C (IL ) 0,75 A
D1 bleskový proud (10/350 µs)/žíla (Iimp ) 1,5 kA
C2 jmenovitý impulzní proud (8/20 µs) celkový (In ) 10 kA
Sériová impedance/žíla 1 Ohm
Certifikace UL 497B, CSA, ATEX, IECEx, CCC, SIL
*) detaily viz: www.dehn.de

Produkt 927270 byl přidán na seznam.

K seznamu

Produkt 927270 byl přidán do nákupního košíku.

Obj. č. 927274 BCO ML2 BE HF 24

GTIN 4013364468559, Číslo celního sazebníku (EU): 85363010, Váha brutto: 58.30 g, Balící jednotka: 1.00 ks


Vyobrazení

Další informace

Kombinovaný svodič BLITZDUCTORconnect ML2 BE HF 24
modulární zásuvný kombinovaný svodič
pro optimální ochranu dvou samostatných žil vysokofrekvenčních
přenosů se společným vztažným potenciálem
nebo nesymetrickými rozhraními
zkoušený podle EN/IEC 61643-21 a energeticky
zkoordinovaný podle IEC 61643-22
Třída svodiče typ 1/P1
Kategorie impulzu: C1, C2, C3, B2, D1
Ukazatel stavu, šířka 6 mm
Max. přípustné trvalé napětí: 36 V DC /25,4 V AC
Jmenovitý proud při 70 °C: 0,75 A
Mezní frekvence 100 MHz
C2 jmenovitý svodový impulzní proud/žíla (8/20): 5 kA
C2 jmenovitý svodový impulzní proud celkový (8/20): 10 kA
D1 bleskový impulzní proud (10/350 µs)/žíla: 1,5 kA
D1 bleskový impulzní proud (10/350 µs) celkový: 3 kA
s rozpojením signálu pro účely údržby
Připojení vedení: Push-in

Výrobek: DEHN
Typ: BCO ML2 BE HF 24
Obj. č.: 927274
nebo rovnocenný.

Certifikáty

 

Technické informace

Třída svodiče M
Jmenovité napětí (UN ) 24 V
Nejvyšší provozní napětí DC (UC ) 36 V
Jmenovitý proud při 70 °C (IL ) 0,75 A
D1 bleskový proud (10/350 µs)/žíla (Iimp ) 1,5 kA
C2 jmenovitý impulzní proud (8/20 µs) celkový (In ) 10 kA
Sériová impedance/žíla 1 Ohm
Certifikace UL 497B, SIL
*) detaily viz: www.dehn.de

Produkt 927274 byl přidán na seznam.

K seznamu

Produkt 927274 byl přidán do nákupního košíku.


BCO ML2 BD HF

Kompaktní modulární kombinovaný svodič o šířce 6 mm s technologií připojení push-in a zobrazením stavu chrání 1 pár žil bezpotenciálových vysokofrekvenčních sběrnicových systémů i symetrická rozhraní. S rozpojením signálu pro účely údržby.

2 Produkty

Obj. č. 927271 BCO ML2 BD HF 5

GTIN 4013364405660, Číslo celního sazebníku (EU): 85363010, Váha brutto: 58.42 g, Balící jednotka: 1.00 ks

Staré provedení

Vyobrazení

Další informace

Kombinovaný svodič BLITZDUCTORconnect ML2 BD HF 5
modulární zásuvný kombinovaný svodič chrání
1 pár žil bezpotenciálových vysokofrekvenčních
sběrnicových systémů i symetrická rozhraní
zkoušený podle EN/IEC 61643-21 a energeticky
zkoordinovaný podle IEC 61643-22
Třída svodiče typ 1/P2
Kategorie impulzu: C1, C2, C3, B2, D1
Ukazatel stavu, šířka 6 mm
Max. přípustné trvalé napětí: 8,5 V DC / 6,0 V AC
Jmenovitý proud při 70 °C: 0,75 A
Mezní frekvence 100 MHz
C2 jmenovitý svodový impulzní proud/žíla (8/20): 5 kA
C2 jmenovitý svodový impulzní proud celkový (8/20): 10 kA
D1 bleskový impulzní proud (10/350 µs)/žíla: 1,5 kA
D1 bleskový impulzní proud (10/350 µs) celkový: 3 kA
s rozpojením signálu pro účely údržby
Připojení vedení: Push-in

Výrobek: DEHN
Typ: BCO ML2 BD HF 5
Obj. č.: 927271
nebo rovnocenný.

Certifikáty

 

Technické informace

Třída svodiče L
Jmenovité napětí (UN ) 5 V
Nejvyšší provozní napětí DC (UC ) 8,5 V
Jmenovitý proud při 70 °C (IL ) 0,75 A
D1 bleskový proud (10/350 µs)/žíla (Iimp ) 1,5 kA
C2 jmenovitý impulzní proud (8/20 µs) celkový (In ) 10 kA
Sériová impedance/žíla 1 Ohm
Mezní frekvence žíla-žíla (fG ) 100 MHz
Certifikace UL 497B, CSA, ATEX, IECEx, CCC, SIL
*) detaily viz: www.dehn.de

Produkt 927271 byl přidán na seznam.

K seznamu

Produkt 927271 byl přidán do nákupního košíku.

Obj. č. 927275 BCO ML2 BD HF 24

GTIN 4013364468566, Číslo celního sazebníku (EU): 85363010, Váha brutto: 58.60 g, Balící jednotka: 1.00 ks

Staré provedení

Vyobrazení

Další informace

Kombinovaný svodič BLITZDUCTORconnect ML2 BD HF 24
modulární zásuvný kombinovaný svodič chrání
1 pár žil bezpotenciálových vysokofrekvenčních
sběrnicových systémů i symetrická rozhraní
zkoušený podle EN/IEC 61643-21 a energeticky
zkoordinovaný podle IEC 61643-22
Třída svodiče typ 1/P2
Kategorie impulzu: C1, C2, C3, B2, D1
Ukazatel stavu, šířka 6 mm
Max. přípustné trvalé napětí: 36 V DC /25,4 V AC
Jmenovitý proud při 70 °C: 0,75 A
Mezní frekvence 100 MHz
C2 jmenovitý svodový impulzní proud/žíla (8/20): 5 kA
C2 jmenovitý svodový impulzní proud celkový (8/20): 10 kA
D1 bleskový impulzní proud (10/350 µs)/žíla: 1,5 kA
D1 bleskový impulzní proud (10/350 µs) celkový: 3 kA
s rozpojením signálu pro účely údržby
Připojení vedení: Push-in

Výrobek: DEHN
Typ: BCO ML2 BD HF 24
Obj. č.: 927275
nebo rovnocenný.

Certifikáty

 

Technické informace

Třída svodiče L
Jmenovité napětí (UN ) 24 V
Nejvyšší provozní napětí DC (UC ) 36 V
Jmenovitý proud při 70 °C (IL ) 0,75 A
D1 bleskový proud (10/350 µs)/žíla (Iimp ) 1,5 kA
C2 jmenovitý impulzní proud (8/20 µs) celkový (In ) 10 kA
Sériová impedance/žíla 1 Ohm
Mezní frekvence žíla-žíla (fG ) 100 MHz
Certifikace UL 497B, SIL
*) detaily viz: www.dehn.de

Produkt 927275 byl přidán na seznam.

K seznamu

Produkt 927275 byl přidán do nákupního košíku.


BCO ML2 BD HC5A 24

1 Produkt

Obj. č. 927254 BCO ML2 BD HC5A 24

GTIN 4013364513419, Číslo celního sazebníku (EU): 85363010, Váha brutto: 60.63 g, Balící jednotka: 1.00 ks


Vyobrazení

Další informace

Kombinovaný svodič BLITZDUCTORconnect ML2 BD HC5A 24
modulární zásuvný kombinovaný svodič chrání
jeden pár žil bezpotenciálových signálových obvodů
s vysokým jmenovitým proudem v IT
systémech a obvodech MaR
zkoušený podle EN/IEC 61643-21 a energeticky
zkoordinovaný podle IEC 61643-22
Třída svodiče typ 1/P2
Kategorie impulzu: C1, C2, C3, B2, D1
Ukazatel stavu, šířka 6 mm
Max. přípustné trvalé napětí: 36 V DC / 25,4 V AC
Jmenovitý proud při 80 °C: 5 A
C2 jmenovitý svodový impulzní proud/žíla (8/20): 5 kA
C2 jmenovitý svodový impulzní proud celkový (8/20): 10 kA
D1 bleskový impulzní proud (10/350 µs)/žíla: 1,5 kA
D1 bleskový impulzní proud (10/350 µs) celkový: 3 kA
s rozpojením signálupro účely údržby
Připojení vedení: Push-in

Výrobek: DEHN
Typ: BCO ML2 BD HC5A 24
Obj. č.: 927254
nebo rovnocenný.

Certifikáty

 

Technické informace

Třída svodiče L
Jmenovité napětí (UN ) 24 V
Nejvyšší provozní napětí DC (UC ) 36 V
Jmenovitý proud při 70 °C (IL ) 5 A
Jmenovitý proud při 80 °C (IL ) 5 A
D1 bleskový proud (10/350 µs)/žíla (Iimp ) 1,5 kA
C2 jmenovitý impulzní proud (8/20 µs) celkový (In ) 20 kA
Sériová impedance/žíla 0 Ohm
Certifikace UL 497B, SIL
*) detaily viz: www.dehn.de

Produkt 927254 byl přidán na seznam.

K seznamu

Produkt 927254 byl přidán do nákupního košíku.


BCO ML2 BPD 24

Prostorově úsporný, modulární kombinovaný svodič o šířce 6 mm a připojovací technologií push-in, s ukazatelem stavu, pro ochranu 1 páru vedení v systémech 24 V DC. Instalace je možná i při uzemněném záporném pólu. Integrované odpory PTC umožňují bezpečné resetování svodiče po působení rušení v obvodech se zkratovými proudy do 40 A. S rozpojením signálových cest pro účely údržby.

1 Produkt

Obj. č. 927214 BCO ML2 BPD 24

GTIN 4013364473003, Číslo celního sazebníku (EU): 85363010, Váha brutto: 58.00 g, Balící jednotka: 1.00 ks


Vyobrazení

Další informace

Kombinovaný svodič BLITZDUCTORconnect ML2 BPD 24
modulární zásuvný kombinovaný svodič chrání
jeden pár žil v systémech 24 V DC,
použití rovněž v obvodech s uzemněným mínusovým pólem,
s integrovanými PTC termistory pro
nadproudovou ochranu až do 40 A
zkoušený podle EN/IEC 61643-21 a energeticky
zkoordinovaný podle IEC 61643-22
Třída svodiče typ 1/P2
Kategorie impulzu: C1, C2, C3, B2, D1
Ukazatel stavu, šířka 6 mm
Max. přípustné trvalé napětí: 33,0 V DC / 23,3 V AC
Jmenovitý proud při 70 °C: 0,1 A
C2 jmenovitý svodový impulzní proud/žíla (8/20): 5 kA
C2 jmenovitý svodový impulzní proud celkový (8/20): 10 kA
D1 bleskový impulzní proud (10/350 µs)/žíla: 1,5 kA
D1 bleskový impulzní proud (10/350 µs) celkový: 3 kA
s rozpojením signálu pro účely údržby
Připojení vedení: push-in

Výrobek: DEHN
Typ: BCO ML2 BPD 24
Obj. č.: 927214
nebo rovnocenný.

Certifikáty

 

Technické informace

Třída svodiče L
Jmenovité napětí (UN ) 24 V
Nejvyšší provozní napětí DC (UC ) 33 V
Jmenovitý proud při 70 °C (IL ) 0,1 A
D1 bleskový proud (10/350 µs)/žíla (Iimp ) 1,5 kA
C2 jmenovitý impulzní proud (8/20 µs) celkový (In ) 10 kA
Sériová impedance/žíla 10 Ohm
Mezní frekvence žíla-žíla (fG ) 4,5 MHz
Certifikace UL 497B, SIL
*) detaily viz: www.dehn.de

Produkt 927214 byl přidán na seznam.

K seznamu

Produkt 927214 byl přidán do nákupního košíku.


BCO ML2 MVG 230

Prostorově úsporný, modulární kombinovaný svodič o šířce 6 mm a připojovací technologií push-in, s ukazatelem stavu, pro ochranu 2 vodičů vícežilových bezpotenciálových signálových rozhraní se jmenovitým napětím 230 V. S rozpojením signálových cest pro účely údržby.
Splňuje mimo jiné požadavky na signalizační systémy pro železnice (kompatibilní s DB RIL 819.0808).

1 Produkt

Obj. č. 927290 BCO ML2 MVG 230

GTIN 4013364466524, Číslo celního sazebníku (EU): 85363010, Váha brutto: 60.12 g, Balící jednotka: 1.00 ks


Vyobrazení

Další informace

Modul svodiče přepětí BLITZDUCTORconnect ML2 MVG 230
modulární zásuvný svodič přepětí
chrání 2 žíly vícežilových
signálových rozhraní se jmenovitým napětím 230 V AC.
zkoušený podle EN/IEC 61643-21 a energeticky
zkoordinovaný podle IEC 61643-22
Třída svodiče typ 2/P3
Kategorie impulzu: C1, C2, C3
Ukazatel stavu, šířka 6 mm
Max. přípustné trvalé napětí: 320 V DC / 250 V AC
Jmenovitý proud při 80 °C: 3 A
C2 jmenovitý svodový impulzní proud/žíla (8/20): 3 kA
C2 jmenovitý svodový impulzní proud celkový (8/20): 6 kA
s rozpojením signálu pro účely údržby
Připojení vedení: push-in
Shoda s DB RIL 819.0808

Výrobek: DEHN
Typ: BCO ML2 MVG 230
Obj. č.: 927290
nebo rovnocenný.

Certifikáty

 

Technické informace

Třída svodiče V
Jmenovité napětí (UN ) 230 V
Jmenovitý proud při 80 °C (IL ) 3 A
C2 jmenovitý impulzní proud (8/20 µs) celkový (In ) 6 kA
Sériová impedance/žíla 0 Ohm
Certifikace SIL
*) detaily viz: www.dehn.de

Produkt 927290 byl přidán na seznam.

K seznamu

Produkt 927290 byl přidán do nákupního košíku.


BCO ML2 BD EX 24

Prostorově úsporný, modulární kombinovaný svodič o šířce 6 mm a připojovací technologií push-in, s ukazatelem stavu, pro ochranu 1 páru vedení jiskrově bezpečných meřicích obvodů a BUS systémů. Splňuje požadavky podle FISCO, izolační pevnost >500 V žíla - zem. S rozpojením signálových cest pro účely údržby.

1 Produkt

Obj. č. 927284 BCO ML2 BD EX 24

GTIN 4013364405677, Číslo celního sazebníku (EU): 85363010, Váha brutto: 65.18 g, Balící jednotka: 1.00 ks

Staré provedení

Vyobrazení

Další informace

Kombinovaný svodič BLITZDUCTORconnect ML2 BD EX 24
modulární zásuvný kombinovaný svodič
pro ochranu jednoho páru žil jiskrově bezpečných,
bezpotenciálových symetrických rozhraní
zkoušený podle EN/IEC 61643-21 a
energeticky zkoordinovaný podle IEC 61643-22
Třída svodiče typ 1/P2
Kategorie impulzu: C1, C2, C3, B2, D1
Ukazatel stavu, šířka 6 mm
Max. přípustné trvalé napětí: 36,0 V DC / 25,4 V AC
Jmenovitý proud při 70 °C: 0,75 A
Max. vstupní napětí podle EN 60079-11: 30 V
Max. vstupní proud podle EN 60079-11: 0,5 A
C2 jmenovitý svodový impulzní proud/žíla (8/20): 5 kA
C2 jmenovitý svodový impulzní proud celkový (8/20): 10 kA
D1 bleskový impulzní proud (10/350 µs)/žíla: 1,5 kA
D1 bleskový impulzní proud (10/350 µs) celkový: 3 kA
s rozpojením signálu pro účely údržby
Připojení vedení: Push-in

Výrobek: DEHN
Typ: BCO ML2 BD EX 24
Obj. č.: 927284
nebo rovnocenný.

Certifikáty

 

Technické informace

Třída svodiče L
Jmenovité napětí (UN ) 24 V
Nejvyšší provozní napětí DC (UC ) 36 V
Jmenovitý proud při 80 °C (IL ) 0,5 A
D1 bleskový proud (10/350 µs)/žíla (Iimp ) 1,5 kA
C2 jmenovitý impulzní proud (8/20 µs) celkový (In ) 10 kA
Sériová impedance/žíla 1 Ohm
Mezní frekvence žíla-žíla (fG ) 3,5 MHz
Certifikace ATEX, IECEx, CCC, SIL
*) detaily viz: www.dehn.de

Produkt 927284 byl přidán na seznam.

K seznamu

Produkt 927284 byl přidán do nákupního košíku.


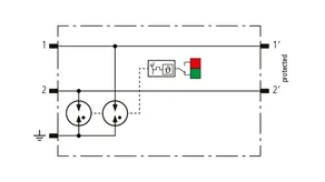
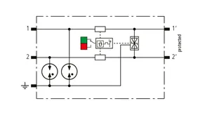
BCO MOD ML2 B

Ochranný modul svodiče bleskových proudů o šířce 6 mm pro BLITZDUCTORconnect, s ukazatelem stavu, pro ochranu 2 samostatných vodičů, pro vyrovnání potenciálů v ochraně před bleskem. Provedení pro nepřímé uzemnění stínění kabelů.

1 Produkt

Obj. č. 927010 BCO MOD ML2 B 180

GTIN 4013364410114, Číslo celního sazebníku (EU): 85363010, Váha brutto: 39.00 g, Balící jednotka: 1.00 ks


Vyobrazení

Další informace

Ochranný modul svodiče bleskových proudů
BLITZDUCTORconnect MOD ML2 B 180
modul zásuvnuvného svodiče bleskových proudů
pro ochranu 2 samostatných vodičů, pro vyrovnání
potenciálů v ochraně před bleskem, provedení
pro nepřímé uzemnění stínění kabelů
zkoušen podle ČSN EN/IEC 61643-21 a energeticky
zkoordinovaný podle IEC 61643-22
třída svodiče přepětí Typ 1
impulzní kategorie: C2, C3, B2, D1
ukazatel stavu, šířka 6 mm
nejvyšší provozní napětí: 180,0 V DC/127,0 V AC
jmenovitý proud při 80 °C: 1,2 A
C2 jmenovitý impulzní proud/žíla (8/20): 5 kA
C2 jmenovitý impulzní proud celkový (8/20): 10 kA
D1 bleskový proud (10/350 µs)/žíla: 1,5 kA
D1 bleskový proud (10/350 µs) celkový: 3 kA
vyjímatelný modul

Výrobek: DEHN
Typ: BCO MOD ML2 B 180
Obj. č.: 927010
nebo rovnocenný.

Certifikáty

 

Technické informace

Třída svodiče A
Jmenovité napětí (UN ) 180 V
Nejvyšší provozní napětí DC (UC ) 180 V
D1 bleskový proud (10/350 µs)/žíla (Iimp ) 1,5 kA
C2 jmenovitý impulzní proud (8/20 µs) celkový (In ) 10 kA
Sériová impedance/žíla 0 Ohm
Certifikace UL 497B, CSA, ATEX, IECEx, CCC, SIL
*) detaily viz: www.dehn.de

Produkt 927010 byl přidán na seznam.

K seznamu

Produkt 927010 byl přidán do nákupního košíku.


BCO MOD ML2 BE

Ochranný modul kombinovaného svodiče o šířce 6 mm pro BLITZDUCTORconnect, s ukazatelem stavu, pro ochranu 2 samostatných vodičů se společným vztažným potenciálem a nesymetrická rozhraní.

4 Produkty

Obj. č. 927022 BCO MOD ML2 BE 12

GTIN 4013364410121, Číslo celního sazebníku (EU): 85363010, Váha brutto: 39.00 g, Balící jednotka: 1.00 ks


Vyobrazení

Další informace

Ochranný modul kombinovaného svodiče
BLITZDUCTORconnect MOD ML2 BE 12
zásuvný kombinovaný svodič
pro ochranu 2 samostatných vodičů
se společným vztažným potenciálem
a nesymetrická rozhraní
zkoušen podle ČSN EN/IEC 61643-21 a energeticky
zkoordinovaný podle IEC 61643-22
třída svodiče přepětí Typ 1/P1
impulzní kategorie: C1, C2, C3, B2, D1
ukazatel stavu, šířka 6 mm
nejvyšší provozní napětí: 15,0 V DC/10,6 V AC
jmenovitý proud při 70 °C: 0,75 A
C2 jmenovitý impulzní proud/žíla (8/20): 5 kA
C2 jmenovitý impulzní proud celkový (8/20): 10 kA
D1 bleskový proud (10/350 µs)/žíla: 1,5 kA
D1 bleskový proud (10/350 µs) celkový: 3 kA
vyjímatelný modul

Výrobek: DEHN
Typ: BCO MOD ML2 BE 12
Obj. č.: 927022
nebo rovnocenný.

Certifikáty

 

Technické informace

Třída svodiče M
Jmenovité napětí (UN ) 12 V
Nejvyšší provozní napětí DC (UC ) 15 V
Jmenovitý proud při 70 °C (IL ) 0,75 A
D1 bleskový proud (10/350 µs)/žíla (Iimp ) 1,5 kA
C2 jmenovitý impulzní proud (8/20 µs) celkový (In ) 10 kA
Sériová impedance/žíla 1 Ohm
Mezní frekvence žíla-žíla (fG ) 1,4 MHz
Certifikace UL 497B, CSA, ATEX, IECEx, CCC, SIL
*) detaily viz: www.dehn.de

Produkt 927022 byl přidán na seznam.

K seznamu

Produkt 927022 byl přidán do nákupního košíku.

Obj. č. 927024 BCO MOD ML2 BE 24

GTIN 4013364410138, Číslo celního sazebníku (EU): 85363010, Váha brutto: 39.27 g, Balící jednotka: 1.00 ks


Vyobrazení

Další informace

Ochranný modul kombinovaného svodiče
BLITZDUCTORconnect MOD ML2 BE 24
zásuvný kombinovaný svodič
pro ochranu 2 samostatných vodičů
se společným vztažným potenciálem
a nesymetrická rozhraní
zkoušen podle ČSN EN/IEC 61643-21 a energeticky
zkoordinovaný podle IEC 61643-22
třída svodiče přepětí Typ 1/P1
impulzní kategorie: C1, C2, C3, B2, D1
ukazatel stavu, šířka 6 mm
nejvyšší provozní napětí: 33,0 V DC/23,3 V AC
jmenovitý proud při 70 °C: 0,75 A
C2 jmenovitý impulzní proud/žíla (8/20): 5 kA
C2 jmenovitý impulzní proud celkový (8/20): 10 kA
D1 bleskový proud (10/350 µs)/žíla: 1,5 kA
D1 bleskový proud (10/350 µs) celkový: 3 kA
vyjímatelný modul

Výrobek: DEHN
Typ: BCO MOD ML2 BE 24
Obj. č.: 927024
nebo rovnocenný.

Certifikáty

 

Technické informace

Třída svodiče M
Jmenovité napětí (UN ) 24 V
Nejvyšší provozní napětí DC (UC ) 33 V
Jmenovitý proud při 70 °C (IL ) 0,75 A
D1 bleskový proud (10/350 µs)/žíla (Iimp ) 1,5 kA
C2 jmenovitý impulzní proud (8/20 µs) celkový (In ) 10 kA
Sériová impedance/žíla 1 Ohm
Mezní frekvence žíla-žíla (fG ) 3,4 MHz
Certifikace UL 497B, CSA, ATEX, IECEx, CCC, SIL
*) detaily viz: www.dehn.de

Produkt 927024 byl přidán na seznam.

K seznamu

Produkt 927024 byl přidán do nákupního košíku.

Obj. č. 927025 BCO MOD ML2 BE 48

GTIN 4013364410145, Číslo celního sazebníku (EU): 85363010, Váha brutto: 39.00 g, Balící jednotka: 1.00 ks


Vyobrazení

Další informace

Ochranný modul kombinovaného svodiče
BLITZDUCTORconnect MOD ML2 BE 48
zásuvný kombinovaný svodič
pro ochranu 2 samostatných vodičů
se společným vztažným potenciálem
a nesymetrická rozhraní
zkoušen podle ČSN EN/IEC 61643-21 a energeticky
zkoordinovaný podle IEC 61643-22
třída svodiče přepětí Typ 1/P1
impulzní kategorie: C1, C2, C3, B2, D1
ukazatel stavu, šířka 6 mm
nejvyšší provozní napětí: 54,0 V DC/38,1 V AC
jmenovitý proud při 70 °C: 0,75 A
C2 jmenovitý impulzní proud/žíla (8/20): 5 kA
C2 jmenovitý impulzní proud celkový (8/20): 10 kA
D1 bleskový proud (10/350 µs)/žíla: 1,5 kA
D1 bleskový proud (10/350 µs) celkový: 3 kA
vyjímatelný modul

Výrobek: DEHN
Typ: BCO MOD ML2 BE 48
Obj. č.: 927025
nebo rovnocenný.

Certifikáty

 

Technické informace

Třída svodiče M
Jmenovité napětí (UN ) 48 V
Nejvyšší provozní napětí DC (UC ) 54 V
Jmenovitý proud při 70 °C (IL ) 0,75 A
D1 bleskový proud (10/350 µs)/žíla (Iimp ) 1,5 kA
C2 jmenovitý impulzní proud (8/20 µs) celkový (In ) 10 kA
Sériová impedance/žíla 1 Ohm
Mezní frekvence žíla-žíla (fG ) 5 MHz
Certifikace UL 497B, CSA, ATEX, IECEx, CCC, SIL
*) detaily viz: www.dehn.de

Produkt 927025 byl přidán na seznam.

K seznamu

Produkt 927025 byl přidán do nákupního košíku.

Obj. č. 927027 BCO MOD ML2 BE 180

GTIN 4013364468689, Číslo celního sazebníku (EU): 85363010, Váha brutto: 39.00 g, Balící jednotka: 1.00 ks


Vyobrazení

Další informace

Ochranný modul kombinovaného svodiče
BLITZDUCTORconnect MOD ML2 BE 180
zásuvný modul kombinovaného svodiče přepětí
chrání dvě samostatné žíly
se společným vztažným potenciálem
nebo nesymetrickými rozhraními
zkoušený podle EN/IEC 61643-21 a
energeticky zkoordinovaný podle IEC 61643-22
Třída svodiče typ 1/P1
Kategorie impulzu: C1, C2, C3, B2, D1
Ukazatel stavu, šířka 6 mm
Max. přípustné trvalé napětí: 180 V DC / 127 V AC
Jmenovitý proud při 70 °C: 0,5 A
C2 jmenovitý svodový impulzní proud/žíla (8/20): 5 kA
C2 jmenovitý svodový impulzní proud celkový (8/20): 10 kA
D1 bleskový impulzní proud (10/350 µs)/žíla: 1,5 kA
D1 bleskový impulzní proud (10/350 µs) celkový: 3 kA
Vyjímatelný modul

Výrobek: DEHN
Typ: BCO MOD ML2 BE 180
Obj. č.: 927027
nebo rovnocenný.

Certifikáty

 

Technické informace

Třída svodiče M
Jmenovité napětí (UN ) 180 V
Nejvyšší provozní napětí DC (UC ) 180 V
Jmenovitý proud při 70 °C (IL ) 0,5 A
D1 bleskový proud (10/350 µs)/žíla (Iimp ) 1,5 kA
C2 jmenovitý impulzní proud (8/20 µs) celkový (In ) 10 kA
Sériová impedance/žíla 1,8 Ohm
Mezní frekvence žíla-žíla (fG ) 10 MHz
Certifikace UL 497B, SIL
*) detaily viz: www.dehn.de

Produkt 927027 byl přidán na seznam.

K seznamu

Produkt 927027 byl přidán do nákupního košíku.


BCO MOD ML2 BD

Ochranný modul kombinovaného svodiče o šířce 6 mm pro BLITZDUCTORconnect s ukazatelem stavu, pro ochranu 1 páru vedení bezpotenciálových symetrických rozhraní.

4 Produkty

Obj. č. 927042 BCO MOD ML2 BD 12

GTIN 4013364410152, Číslo celního sazebníku (EU): 85363010, Váha brutto: 39.00 g, Balící jednotka: 1.00 ks


Vyobrazení

Další informace

Ochranný modul kombinovaného svodiče
BLITZDUCTORconnect MOD ML2 BD 12
zásuvný modul kombinovaného svodiče
pro ochranu jednoho páru bezpotenciálových
symetrických rozhraní
zkoušen podle ČSN EN/IEC 61643-21 a energeticky
zkoordinovaný podle IEC 61643-22
třída svodiče přepětí Typ 1/P2
impulzní kategorie: C1, C2, C3, B2, D1
ukazatel stavu, šířka 6 mm
nejvyšší provozní napětí: 15,0 V DC/10,6 V AC
jmenovitý proud při 70 °C: 0,75 A
C2 jmenovitý impulzní proud/žíla (8/20): 5 kA
C2 jmenovitý impulzní proud celkový (8/20): 10 kA
D1 bleskový proud (10/350 µs)/žíla: 1,5 kA
D1 bleskový proud (10/350 µs) celkový: 3 kA
vyjímatelný modul

Výrobek: DEHN
Typ: BCO MOD ML2 BD 12
Obj. č.: 927042
nebo rovnocenný.

Certifikáty

 

Technické informace

Třída svodiče L
Jmenovité napětí (UN ) 12 V
Nejvyšší provozní napětí DC (UC ) 15 V
Jmenovitý proud při 70 °C (IL ) 0,75 A
D1 bleskový proud (10/350 µs)/žíla (Iimp ) 1,5 kA
C2 jmenovitý impulzní proud (8/20 µs) celkový (In ) 10 kA
Sériová impedance/žíla 1 Ohm
Mezní frekvence žíla-žíla (fG ) 2,6 MHz
Certifikace UL 497B, CSA, ATEX, IECEx, CCC, SIL
*) detaily viz: www.dehn.de

Produkt 927042 byl přidán na seznam.

K seznamu

Produkt 927042 byl přidán do nákupního košíku.

Obj. č. 927044 BCO MOD ML2 BD 24

GTIN 4013364410169, Číslo celního sazebníku (EU): 85363010, Váha brutto: 39.00 g, Balící jednotka: 1.00 ks


Vyobrazení

Další informace

Ochranný modul kombinovaného svodiče
BLITZDUCTORconnect MOD ML2 BD 24
zásuvný modul kombinovaného svodiče
pro ochranu jednoho páru bezpotenciálových
symetrických rozhraní
zkoušen podle ČSN EN/IEC 61643-21 a energeticky
zkoordinovaný podle IEC 61643-22
třída svodiče přepětí Typ 1/P2
impulzní kategorie: C1, C2, C3, B2, D1
ukazatel stavu, šířka 6 mm
nejvyšší provozní napětí: 36,0 V DC/25,4 V AC
jmenovitý proud při 70 °C: 0,75 A
C2 jmenovitý impulzní proud/žíla (8/20): 5 kA
C2 jmenovitý impulzní proud celkový (8/20): 10 kA
D1 bleskový proud (10/350 µs)/žíla: 1,5 kA
D1 bleskový proud (10/350 µs) celkový: 3 kA
vyjímatelný modul

Výrobek: DEHN
Typ: BCO MOD ML2 BD 24
Obj. č.: 927044
nebo rovnocenný.

Certifikáty

 

Technické informace

Třída svodiče L
Jmenovité napětí (UN ) 24 V
Nejvyšší provozní napětí DC (UC ) 36 V
Jmenovitý proud při 70 °C (IL ) 0,75 A
D1 bleskový proud (10/350 µs)/žíla (Iimp ) 1,5 kA
C2 jmenovitý impulzní proud (8/20 µs) celkový (In ) 10 kA
Sériová impedance/žíla 1 Ohm
Mezní frekvence žíla-žíla (fG ) 5,8 MHz
Certifikace UL 497B, CSA, ATEX, IECEx, CCC, SIL
*) detaily viz: www.dehn.de

Produkt 927044 byl přidán na seznam.

K seznamu

Produkt 927044 byl přidán do nákupního košíku.

Obj. č. 927045 BCO MOD ML2 BD 48

GTIN 4013364410176, Číslo celního sazebníku (EU): 85363010, Váha brutto: 39.00 g, Balící jednotka: 1.00 ks


Vyobrazení

Další informace

Ochranný modul kombinovaného svodiče
BLITZDUCTORconnect MOD ML2 BD 48
zásuvný modul kombinovaného svodiče
pro ochranu jednoho páru bezpotenciálových
symetrických rozhraní
zkoušen podle ČSN EN/IEC 61643-21 a energeticky
zkoordinovaný podle IEC 61643-22
třída svodiče přepětí Typ 1/P2
impulzní kategorie: C1, C2, C3, B2, D1
ukazatel stavu, šířka 6 mm
nejvyšší provozní napětí: 54,0 V DC/38,1 V AC
jmenovitý proud při 70 °C: 0,75 A
C2 jmenovitý impulzní proud/žíla (8/20): 5 kA
C2 jmenovitý impulzní proud celkový (8/20): 10 kA
D1 bleskový proud (10/350 µs)/žíla: 1,5 kA
D1 bleskový proud (10/350 µs) celkový: 3 kA
vyjímatelný modul

Výrobek: DEHN
Typ: BCO MOD ML2 BD 48
Obj. č.: 927045
nebo rovnocenný.

Certifikáty

 

Technické informace

Třída svodiče L
Jmenovité napětí (UN ) 48 V
Nejvyšší provozní napětí DC (UC ) 56 V
Jmenovitý proud při 70 °C (IL ) 0,75 A
D1 bleskový proud (10/350 µs)/žíla (Iimp ) 1,5 kA
C2 jmenovitý impulzní proud (8/20 µs) celkový (In ) 10 kA
Sériová impedance/žíla 1 Ohm
Mezní frekvence žíla-žíla (fG ) 7,2 MHz
Certifikace UL 497B, CSA, ATEX, IECEx, CCC, SIL
*) detaily viz: www.dehn.de

Produkt 927045 byl přidán na seznam.

K seznamu

Produkt 927045 byl přidán do nákupního košíku.

Obj. č. 927047 BCO MOD ML2 BD 180

GTIN 4013364468672, Číslo celního sazebníku (EU): 85363010, Váha brutto: 39.00 g, Balící jednotka: 1.00 ks


Vyobrazení

Další informace

Ochranný modul kombinovaného svodiče
BLITZDUCTORconnect MOD ML2 BD 180
zásuvný modul kombinovaného svodiče přepětí
pro ochranu jednoho páru žil
bezpotenciálového symetrického rozhraní
zkoušený podle EN/IEC 61643-21 a
energeticky zkoordinovaný podle IEC 61643-22
Třída svodiče typ 1/P2
Kategorie impulzu: C1, C2, C3, B2, D1
Ukazatel stavu, šířka 6 mm
Max. přípustné trvalé napětí: 180 V DC / 127 V AC
Jmenovitý proud při 70 °C: 0,5 A
C2 jmenovitý svodový impulzní proud/žíla (8/20): 5 kA
C2 jmenovitý svodový impulzní proud celkový (8/20): 10 kA
D1 bleskový impulzní proud (10/350 µs)/žíla: 1,5 kA
D1 bleskový impulzní proud (10/350 µs) celkový: 3 kA
Vyjímatelný modul

Výrobek: DEHN
Typ: BCO MOD ML2 BD 180
Obj. č.: 927047
nebo rovnocenný.

Certifikáty

 

Technické informace

Třída svodiče L
Jmenovité napětí (UN ) 180 V
Nejvyšší provozní napětí DC (UC ) 180 V
Jmenovitý proud při 70 °C (IL ) 0,5 A
D1 bleskový proud (10/350 µs)/žíla (Iimp ) 1,5 kA
C2 jmenovitý impulzní proud (8/20 µs) celkový (In ) 10 kA
Sériová impedance/žíla 1,8 Ohm
Mezní frekvence žíla-žíla (fG ) 10 MHz
Certifikace UL 497B, SIL
*) detaily viz: www.dehn.de

Produkt 927047 byl přidán na seznam.

K seznamu

Produkt 927047 byl přidán do nákupního košíku.


BCO MOD ML2 BE HF

Ochranný modul kombinovaného svodiče o šířce 6 mm pro BLITZDUCTORconnect, s ukazatelem stavu, pro ochranu 2 samostatných vodičů vysokofrekvenčních přenosů se společným vztažným potenciálem a nesymetrická rozhraní.

2 Produkty

Obj. č. 927070 BCO MOD ML2 BE HF 5

GTIN 4013364410183, Číslo celního sazebníku (EU): 85363010, Váha brutto: 39.00 g, Balící jednotka: 1.00 ks


Vyobrazení

Další informace

Ochranný modul kombinovaného svodiče
BLITZDUCTORconnect MOD ML2 BE HF 5
modul zásuvného kombinovaného svodiče
pro ochranu 2 samostatných vodičů
vysokofrekvenčních přenosů
se společným vztažným potenciálem
a nesymetrická rozhraní
zkoušen podle ČSN EN/IEC 61643-21 a energeticky
zkoordinovaný podle IEC 61643-22
třída svodiče přepětí Typ 1/P1
impulzní kategorie: C1, C2, C3, B2, D1
ukazatel stavu, šířka 6 mm
nejvyšší provozní napětí: 8,5 V DC/6,0 V AC
jmenovitý proud při 70 °C: 0,75 A
mezní frekvence 100 MHz
C2 jmenovitý impulzní proud/žíla (8/20): 5 kA
C2 jmenovitý impulzní proud celkový (8/20): 10 kA
D1 bleskový proud (10/350 µs)/žíla: 1,5 kA
D1 bleskový proud (10/350 µs) celkový: 3 kA
vyjímatelný modul

Výrobek: DEHN
Typ: BCO MOD ML2 BE HF 5
Obj. č.: 927070
nebo rovnocenný.

Certifikáty

 

Technické informace

Třída svodiče M
Jmenovité napětí (UN ) 5 V
Nejvyšší provozní napětí DC (UC ) 8,5 V
Jmenovitý proud při 70 °C (IL ) 0,75 A
D1 bleskový proud (10/350 µs)/žíla (Iimp ) 1,5 kA
C2 jmenovitý impulzní proud (8/20 µs) celkový (In ) 10 kA
Sériová impedance/žíla 1 Ohm
Certifikace UL 497B, CSA, ATEX, IECEx, CCC, SIL
*) detaily viz: www.dehn.de

Produkt 927070 byl přidán na seznam.

K seznamu

Produkt 927070 byl přidán do nákupního košíku.

Obj. č. 927074 BCO MOD ML2 BE HF 24

GTIN 4013364468573, Číslo celního sazebníku (EU): 85363010, Váha brutto: 39.00 g, Balící jednotka: 1.00 ks


Vyobrazení

Další informace

Ochranný modul kombinovaného svodiče
BLITZDUCTORconnect MOD ML2 BE HF 24
zásuvný modul kombinovaného svodiče přepětí
pro optimální ochranu dvou samostatných žil vysokofrekvenčních
přenosů se společným vztažným potenciálem
nebo nesymetrickými rozhraními
zkoušený podle EN/IEC 61643-21 a energeticky
zkoordinovaný podle IEC 61643-22
Třída svodiče typ 1/P1
Kategorie impulzu: C1, C2, C3, B2, D1
Ukazatel stavu, šířka 6 mm
Max. přípustné trvalé napětí: 36 V DC /25,4 V AC
Jmenovitý proud při 70 °C: 0,75 A
Mezní frekvence 100 MHz
C2 jmenovitý svodový impulzní proud/žíla (8/20): 5 kA
C2 jmenovitý svodový impulzní proud celkový (8/20): 10 kA
D1 bleskový impulzní proud (10/350 µs)/žíla: 1,5 kA
D1 bleskový impulzní proud (10/350 µs) celkový: 3 kA
Vyjímatelný modul

Výrobek: DEHN
Typ: BCO MOD ML2 BE HF 24
Obj. č.: 927074
nebo rovnocenný.

Certifikáty

 

Technické informace

Třída svodiče M
Jmenovité napětí (UN ) 24 V
Nejvyšší provozní napětí DC (UC ) 36 V
Jmenovitý proud při 70 °C (IL ) 0,75 A
D1 bleskový proud (10/350 µs)/žíla (Iimp ) 1,5 kA
C2 jmenovitý impulzní proud (8/20 µs) celkový (In ) 10 kA
Sériová impedance/žíla 1 Ohm
Certifikace UL 497B, SIL
*) detaily viz: www.dehn.de

Produkt 927074 byl přidán na seznam.

K seznamu

Produkt 927074 byl přidán do nákupního košíku.


BCO MOD ML2 BD HF

Ochranný modul kombinovaného svodiče o šířce 6 mm pro BLITZDUCTORconnect s ukazatelem stavu, pro ochranu 1 páru vedení bezpotenciálových vysokofrekvenčních BUS systémů a symetrických rozhraní.

2 Produkty

Obj. č. 927071 BCO MOD ML2 BD HF 5

GTIN 4013364410190, Číslo celního sazebníku (EU): 85363010, Váha brutto: 39.00 g, Balící jednotka: 1.00 ks


Vyobrazení

Další informace

Ochranný modul kombinovaného svodiče
BLITZDUCTORconnect MOD ML2 BD HF 5
zásuvný modul kombinovaného svodiče
pro ochranu jednoho páru bezpotenciálových
vysokofrekvenčních BUS systémů
a symetrických rozhraní
zkoušen podle ČSN EN/IEC 61643-21 a energeticky
zkoordinovaný podle IEC 61643-22
třída svodiče přepětí Typ 1/P2
impulzní kategorie: C1, C2, C3, B2, D1
ukazatel stavu, šířka 6 mm
nejvyšší provozní napětí: 8,5 V DC/6,0 V AC
jmenovitý proud při 70 °C: 0,75 A
mezní frekvence 100 MHz
C2 jmenovitý impulzní proud/žíla (8/20): 5 kA
C2 jmenovitý impulzní proud celkový (8/20): 10 kA
D1 bleskový proud (10/350 µs)/žíla: 1,5 kA
D1 bleskový proud (10/350 µs) celkový: 3 kA
vyjímatelný modul

Výrobek: DEHN
Typ: BCO MOD ML2 BD HF 5
Obj. č.: 927071
nebo rovnocenný.

Certifikáty

 

Technické informace

Třída svodiče L
Jmenovité napětí (UN ) 5 V
Nejvyšší provozní napětí DC (UC ) 8,5 V
Jmenovitý proud při 70 °C (IL ) 0,75 A
D1 bleskový proud (10/350 µs)/žíla (Iimp ) 1,5 kA
C2 jmenovitý impulzní proud (8/20 µs) celkový (In ) 10 kA
Sériová impedance/žíla 1 Ohm
Mezní frekvence žíla-žíla (fG ) 100 MHz
Certifikace UL 497B, CSA, ATEX, IECEx, CCC, SIL
*) detaily viz: www.dehn.de

Produkt 927071 byl přidán na seznam.

K seznamu

Produkt 927071 byl přidán do nákupního košíku.

Obj. č. 927075 BCO MOD ML2 BD HF 24

GTIN 4013364468580, Číslo celního sazebníku (EU): 85363010, Váha brutto: 39.00 g, Balící jednotka: 1.00 ks


Vyobrazení

Další informace

Ochranný modul kombinovaného svodiče
BLITZDUCTORconnect MOD ML2 BD HF 24
zásuvný modul kombinovaného svodiče přepětí
chrání jeden pár žil bezpotenciálových
vysokofrekvenčních sběrnicových systémů
i symetrická rozhraní
zkoušený podle EN/IEC 61643-21 a energeticky
zkoordinovaný podle IEC 61643-22
Třída svodiče typ 1/P2
Kategorie impulzu: C1, C2, C3, B2, D1
Ukazatel stavu, šířka 6 mm
Max. přípustné trvalé napětí: 36 V DC /25,4 V AC
Jmenovitý proud při 70 °C: 0,75 A
Mezní frekvence 100 MHz
C2 jmenovitý svodový impulzní proud/žíla (8/20): 5 kA
C2 jmenovitý svodový impulzní proud celkový (8/20): 10 kA
D1 bleskový impulzní proud (10/350 µs)/žíla: 1,5 kA
D1 bleskový impulzní proud (10/350 µs) celkový: 3 kA
Vyjímatelný modul

Výrobek: DEHN
Typ: BCO MOD ML2 BD HF 24
Obj. č.: 927075
nebo rovnocenný.

Certifikáty

 

Technické informace

Třída svodiče L
Jmenovité napětí (UN ) 24 V
Nejvyšší provozní napětí DC (UC ) 36 V
Jmenovitý proud při 70 °C (IL ) 0,75 A
D1 bleskový proud (10/350 µs)/žíla (Iimp ) 1,5 kA
C2 jmenovitý impulzní proud (8/20 µs) celkový (In ) 10 kA
Sériová impedance/žíla 1 Ohm
Mezní frekvence žíla-žíla (fG ) 100 MHz
Certifikace UL 497B, SIL
*) detaily viz: www.dehn.de

Produkt 927075 byl přidán na seznam.

K seznamu

Produkt 927075 byl přidán do nákupního košíku.


BCO MOD ML2 BD HC5A 24

1 Produkt

Obj. č. 927054 BCO MOD ML2 BD HC5A 24

GTIN 4013364513426, Číslo celního sazebníku (EU): 85363010, Váha brutto: 41.00 g, Balící jednotka: 1.00 ks


Vyobrazení

Další informace

Ochranný modul kombinovaného svodiče
BLITZDUCTORconnect MOD ML2 BD HC5A 24
zásuvný modul kombinovaného svodiče přepětí
chrání jeden pár žil bezpotenciálových
signálových obvodů s vysokým jmenovitým proudem v
IT systémech a obvodech MaR.
zkoušený podle EN/IEC 61643-21 a energeticky
zkoordinovaný podle IEC 61643-22
Třída svodiče typ 1/P2
Kategorie impulzu: C1, C2, C3, B2, D1
Ukazatel stavu, šířka 6 mm
Max. přípustné trvalé napětí: 36 V DC / 25,4 V AC
Jmenovitý proud při 80 °C: 5 A
C2 jmenovitý svodový impulzní proud/žíla (8/20): 5 kA
C2 jmenovitý svodový impulzní proud celkový (8/20): 10 kA
D1 bleskový impulzní proud (10/350 µs)/žíla: 1,5 kA
D1 bleskový impulzní proud (10/350 µs) celkový: 3 kA
Vyjímatelný modul

Výrobek: DEHN
Typ: BCO MOD ML2 BD HC5A 24
Obj. č.: 927054
nebo rovnocenný.

Certifikáty

 

Technické informace

Třída svodiče L
Jmenovité napětí (UN ) 24 V
Nejvyšší provozní napětí DC (UC ) 36 V
Jmenovitý proud při 80 °C (IL ) 5 A
D1 bleskový proud (10/350 µs)/žíla (Iimp ) 1,5 kA
C2 jmenovitý impulzní proud (8/20 µs) celkový (In ) 10 kA
Sériová impedance/žíla 0 Ohm
Certifikace UL 497B, SIL
*) detaily viz: www.dehn.de

Produkt 927054 byl přidán na seznam.

K seznamu

Produkt 927054 byl přidán do nákupního košíku.


BCO MOD ML2 BPD

Ochranný modul kombinovaného svodiče o šířce 6 mm pro BLITZDUCTORconnect s ukazatelem stavu, pro ochranu 1 páru vedení 24 V DC systémů. Instalace je možná i při uzemněném záporném pólu. Integrované odpory PTC umožňují bezpečné resetování svodiče po působení rušení v obvodech se zkratovými proudy do 40 A.

1 Produkt

Obj. č. 927014 BCO MOD ML2 BPD 24

GTIN 4013364473010, Číslo celního sazebníku (EU): 85363010, Váha brutto: 39.00 g, Balící jednotka: 1.00 ks


Vyobrazení

Další informace

Ochranný modul kombinovaného svodiče BLITZDUCTORconnect MOD ML2 BPD 24
zásuvný modul kombinovaného svodiče pro ochranu
jednoho páru vedení v systémech 24 V DC, instalace je možná
i při uzemněném záporném pólu,
s integrovanými PTC odpory pro
nadproudovou ochranu do 40 A
zkoušen podle ČSN EN/IEC 61643-21 a energeticky
zkoordinovaný podle IEC 61643-22
třída svodiče přepětí Typ 1/P2
impulzní kategorie: C1, C2, C3, B2, D1
ukazatel stavu, šířka 6 mm
nejvyšší provozní napětí: 33,0 V DC/23,3 V AC
jmenovitý proud při 70 °C: 0,1 A
C2 jmenovitý impulzní proud/žíla (8/20): 5 kA
C2 jmenovitý impulzní proud celkový (8/20): 10 kA
D1 bleskový proud (10/350 µs)/žíla: 1,5 kA
D1 bleskový proud (10/350 µs) celkový: 3 kA
výměnný modul

Výrobek: DEHN
Typ: BCO MOD ML2 BPD 24
Obj. č.: 927014
nebo rovnocenný.

Certifikáty

 

Technické informace

Třída svodiče L
Jmenovité napětí (UN ) 24 V
Nejvyšší provozní napětí DC (UC ) 33 V
Jmenovitý proud při 70 °C (IL ) 0,1 A
D1 bleskový proud (10/350 µs)/žíla (Iimp ) 1,5 kA
C2 jmenovitý impulzní proud (8/20 µs) celkový (In ) 10 kA
Sériová impedance/žíla 10 Ohm
Mezní frekvence žíla-žíla (fG ) 4,5 MHz
Certifikace UL 497B, SIL
*) detaily viz: www.dehn.de

Produkt 927014 byl přidán na seznam.

K seznamu

Produkt 927014 byl přidán do nákupního košíku.


BCO MOD ML2 MVG 230

Ochranný modul svodiče přepětí o šířce 6 mm pro BLITZDUCTORconnect, s ukazatelem stavu, pro ochranu 2 vodičů vícežilových bezpotenciálových signálových rozhraní se jmenovitým napětím 230 V.
Splňuje mimo jiné požadavky na signalizační systémy pro železnice (kompatibilní s DB RIL 819.0808).

1 Produkt

Obj. č. 927090 BCO MOD ML2 MVG 230

GTIN 4013364466531, Číslo celního sazebníku (EU): 85363010, Váha brutto: 39.00 g, Balící jednotka: 1.00 ks


Vyobrazení

Další informace

Ochranný modul svodiče přepětí
BLITZDUCTORconnect MOD ML2 MVG 230
zásuvný modul svodiče přepětí
pro ochranu 2 vodičů vícežilových
signálových rozhraní se jmenovitým napětím 230 V AC
zkoušen podle ČSN EN/IEC 61643-21 a energeticky
zkoordinovaný podle IEC 61643-22
třída svodiče přepětí Typ 2/P3
impulzní kategorie: C1, C2, C3
ukazatel stavu, šířka 6 mm
nejvyšší provozní napětí: 320 V DC/250 V AC
jmenovitý proud při 80 °C: 3 A
C2 jmenovitý impulzní proud/žíla (8/20): 3 kA
C2 jmenovitý impulzní proud celkový (8/20): 6 kA
výměnný modul
kompatibilní s DB RIL 819.0808

Výrobek: DEHN
Typ: BCO MOD ML2 MVG 230
Obj. č.: 927090
nebo rovnocenný.

Certifikáty

 

Technické informace

Třída svodiče V
Jmenovité napětí (UN ) 230 V
Jmenovitý proud při 80 °C (IL ) 3 A
C2 jmenovitý impulzní proud (8/20 µs) celkový (In ) 6 kA
Sériová impedance/žíla 0 Ohm
Certifikace SIL
*) detaily viz: www.dehn.de

Produkt 927090 byl přidán na seznam.

K seznamu

Produkt 927090 byl přidán do nákupního košíku.


BCO MOD ML2 BD EX 24

Ochranný modul kombinovaného svodiče o šířce 6 mm pro BLITZDUCTORconnect s ukazatelem stavu, pro ochranu 1 páru jiskrově bezpečných měřicích obvodů a BUS systémů. Splňuje požadavky podle FISCO, izolační pevnost >500 V žíla - zem.

1 Produkt

Obj. č. 927084 BCO MOD ML2 BD EX 24

GTIN 4013364410206, Číslo celního sazebníku (EU): 85363010, Váha brutto: 39.00 g, Balící jednotka: 1.00 ks


Vyobrazení

Další informace

Ochranný modul kombinovaného svodiče
BLITZDUCTORconnect MOD ML2 BD EX 24
zásuvný modul kombinovaného svodiče
pro ochranu jednoho páru jiskrově bezpečných
bezpotenciálových symetrických rozhraní
zkoušen podle ČSN EN/IEC 61643-21 a energeticky
zkoordinovaný podle IEC 61643-22
třída svodiče přepětí Typ 1/P2
impulzní kategorie: C1, C2, C3, B2, D1
ukazatel stavu, šířka 6 mm
nejvyšší provozní napětí: 36,0 V DC/25,4 V AC
jmenovitý proud při 70 °C: 0,75 A
max. vstupní napětí podle ČSN EN 60079-11: 30 V
max. vstupní proud podle ČSN EN 60079-11: 0,5 A
C2 jmenovitý impulzní proud/žíla (8/20): 5 kA
C2 jmenovitý impulzní proud celkový (8/20): 10 kA
D1 bleskový proud (10/350 µs)/žíla: 1,5 kA
D1 bleskový proud (10/350 µs) celkový: 3 kA
vyjímatelný modul

Výrobek: DEHN
Typ: BCO MOD ML2 BD EX 24
Obj. č.: 927084
nebo rovnocenný.

Certifikáty

 

Technické informace

Třída svodiče L
Jmenovité napětí (UN ) 24 V
Nejvyšší provozní napětí DC (UC ) 36 V
Jmenovitý proud při 80 °C (IL ) 0,5 A
D1 bleskový proud (10/350 µs)/žíla (Iimp ) 1,5 kA
C2 jmenovitý impulzní proud (8/20 µs) celkový (In ) 10 kA
Sériová impedance/žíla 1 Ohm
Mezní frekvence žíla-žíla (fG ) 3,5 MHz
Certifikace ATEX, IECEx, CCC, SIL
*) detaily viz: www.dehn.de

Produkt 927084 byl přidán na seznam.

K seznamu

Produkt 927084 byl přidán do nákupního košíku.


back to top