DEHNcord

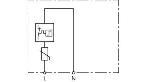
  • Jedno-, dvou- nebo třípólový svodič přepětí s kontrolním a odpojovacím zařízením
  • Optický ukazatel poruchy
  • Verze s funkcí vypnutí obvodu zátěže v případě poruchy a ochranou řídící fáze
  • Kompaktní rozměry, i pro vnější použití
  • Pro instalaci do kabelových skříní, podpodlahových rozvodů napájení, kabelových žlabů a přístrojových krabic

Details

lorem ipsum

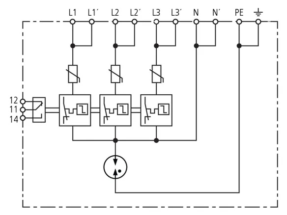
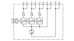
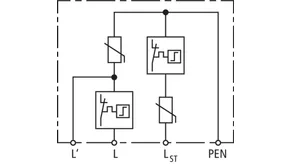
DEHNcord 3P TT 275 FM

Třífázový, kompaktní svodič přepětí pro TT a TN-S sítě.

1 Produkt

Obj. č. 900439 DCOR 3P TT 275 FM

GTIN 4013364436053, Číslo celního sazebníku (EU): 85363030, Váha brutto: 129.38 g, Balící jednotka: 1.00 ks


Vyobrazení

Další informace

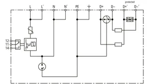
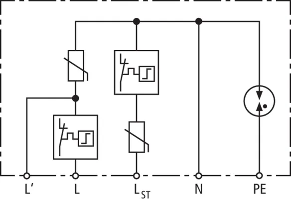
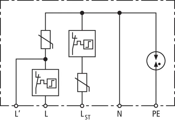
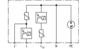
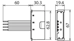
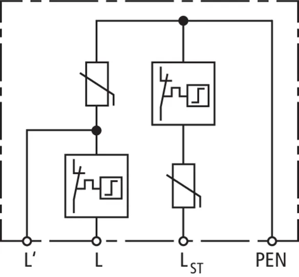
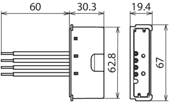
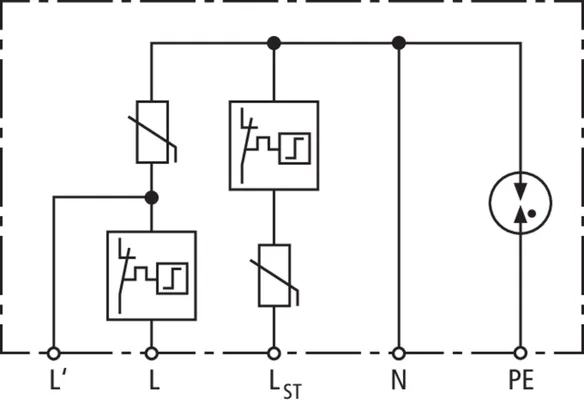
Svodič přepětí DEHNcord 3P TT 275 FM
vícepólový svodič přepětí typ 2 + typ 3
podle ČSN EN 61643-11
s kontaktem dálkové signalizace, ukazatel
provoz/porucha, montáž na DIN lištu
nebo přišroubováním
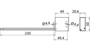
kompaktní rozměry: 94 x 39,5 x 36 mm
nejvyšší provozní napětí: 275 V ac
nejvyšší provozní napětí: 350 V dc
ochranná úroveň: <= 1,5 kV
jmenovitý impulzní proud (8/20): 10 kA
celkový impulzní proud (8/20): 40 kA
schopnost omezit následný proud [N-PE]: 100 A eff
max. nadproudová ochrana ze strany sítě:
25 A gG v sérii/40 A gG paralelně
max. proudová zatížitelnost AC: 25 A
připojení vedení: Push-in
energetická koordinace podle ČSN EN 62305-4
se svodiči řady Red/Line

Výrobek: DEHN
Typ: DCOR 3P TT 275 FM
Obj. č.: 900439
nebo rovnocenný.

Certifikáty

 

Technické informace

SPD podle ČSN EN 61643-11 / ... IEC 61643-11 typ 2 + 3/třída II + třída III
Nejvyšší provozní napětí AC [L-N] (UC ) 275 V (50/60 Hz)
Nejvyšší provozní napětí DC (UC ) 350 V
Jmenovitý impulzní proud (8/20 µs) [L-N] (In ) 10 kA
Max. impulzní proud (8/20 µs) [L-N] (Imax ) 20 kA
Jmenovitý impulzní proud (8/20 µs) [N-PE] (In ) 10 kA
Max. impulzní proud (8/20 µs) [N-PE] (Imax ) 40 kA
Ochranná úroveň [L-N] (UP ) ≤ 1,5 kV
Ochranná úroveň [N-PE] (UP ) ≤ 1,5 kV
Certifikace KEMA

Produkt 900439 byl přidán na seznam.

K seznamu

Produkt 900439 byl přidán do nákupního košíku.


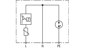
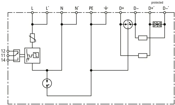
DEHNcord 1P 275 D FM

Jednofázový kompaktní svodič pro systémy TT s integrovaným ochranným obvodem pro rozhraní DALI.

1 Produkt

Obj. č. 900438 DCOR 1P 275 D FM

GTIN 4013364526891, Číslo celního sazebníku (EU): 85363030, Váha brutto: 86.27 g, Balící jednotka: 1.00 ks


Vyobrazení

Další informace

Svodič přepětí DEHNcord 1P 275 D FM
Jednofázový svodič přepětí
DEHNcord, podle norem EN 61643-11
a EN 61643-21, s integrovaným
ochranným obvodem pro komunikační rozhraní
vhodný pro použití v instalačních systémech
s kontaktem dálkové signalizace, ukazatelem provozu/poruchy
instalace na DIN lištu nebo pomocí držáků k přišroubování
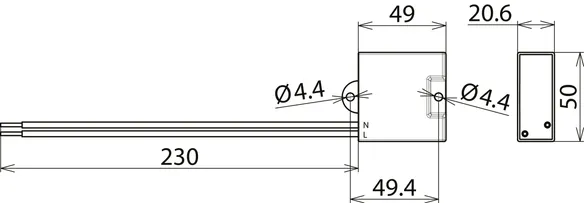
Kompaktní rozměry: 94 x 39,5 x 36 mm
Technické hodnoty (strana napájení):
Max. přípustné trvalé napětí: 275 V AC
Ochranná úroveň: <= 1,5 kV
Jmenovitý svodový impulzní proud (8/20): 10 kA
Schopnost zhášet následný proud [N-PE]: 100 A eff
Max. nadproudová ochrana ze strany sítě:
25 A gG v sérii / 40 A gG paralelně
Max. proudová zatížitelnost 25 A
Technické hodnoty (signálová strana):
Max. přípustné trvalé napětí: 28 V DC
Ochranná úroveň žíla-žíla při In C2: ≤ 50 V
C2 jmenovitý svodový impulzní proud (8/20) na žílu: 5 kA
Jmenovitý proud při 45 °C: 0,3 A
Připojení vedení: Push-in
Energetická koordinace podle DIN EN 62305-4
se svodiči řady Red/Line

Výrobek: DEHN
Typ: DCOR 1P 275 D FM
Obj. č.: 900438
nebo rovnocenný.

Certifikáty

 

Technické informace

Technická data
SPD podle ČSN EN 61643-11 / ... IEC 61643-11 typ 2 + 3/třída II + třída III
Nejvyšší provozní napětí AC [L-N] (UC ) 275 V (50/60 Hz)
Nejvyšší provozní napětí DC (UC ) 350 V
Jmenovitý impulzní proud (8/20 µs) [L-N] (In ) 10 kA
Max. impulzní proud (8/20 µs) [L-N] (Imax ) 20 kA
Jmenovitý impulzní proud (8/20 µs) [N-PE] (In ) 10 kA
Max. impulzní proud (8/20 µs) [N-PE] (Imax ) 40 kA
Ochranná úroveň [L-N] (UP ) ≤ 1,5 kV
Ochranná úroveň [N-PE] (UP ) ≤ 1,5 kV
Certifikace KEMA
Technické údaje signálová strana
Třída svodiče U
Jemnovité napětí DC (UN ) 24 V
Maximální přípustné trvalé napětí DC (UC ) 28 V
C2 jmenovitý svodový impulzní proud (8/20 µs) celkový (In ) 10 kA
Sériová impedance na žílu 1,8 ohm
Mezní frekvence žíla-žíla (100 Ω) (fG ) 10 MHz

Produkt 900438 byl přidán na seznam.

K seznamu

Produkt 900438 byl přidán do nákupního košíku.


DEHNcord L 2P

Dvoupólový svodič přepětí pro všechny elektroinstalační sítě (zapojení 1+1) a svítidla třídy ochrany I; kompaktní rozměry.

2 Produkty

Obj. č. 900430 DCOR L 2P 275

GTIN 4013364157286, Číslo celního sazebníku (EU): 85363030, Váha brutto: 73.00 g, Balící jednotka: 1.00 ks


Vyobrazení

Další informace

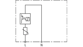
Svodič přepětí DEHNcord L 2P 275
2-pólový svodič přepětí pro všechny
230 V elektroinstalační sítě
svodič typ 2 podle ČSN EN 61643-11
instalace do podpodlahových rozvodů napájení,
kabelových žlabů a přístrojových krabic
ukazatel poruchy
nejvyšší provozní napětí: 275 V ac
ochranná úroveň: <= 1,5 kV
jmenovitý impulzní proud: 5 kA
celkový impulzní proud: 20 kA
max. nadproudová ochrana ze strany sítě: 25 A gG
nebo B/C 16 A
energetická koordinace podle ČSN EN 62305-4
svodič řady Red/Line

Výrobek: DEHN
Typ: DCOR L 2P 275
Obj. č.: 900430
nebo rovnocenný.

Certifikáty

 

Technické informace

SPD podle ČSN EN 61643-11 / ... IEC 61643-11 typ 2/Třída II
Nejvyšší provozní napětí AC [L-N] (UC ) 275 V (50/60 Hz)
Jmenovitý impulzní proud (8/20 µs) (In ) 5 kA
Max. svodový proud (8/20 µs) (Imax ) 10 kA
Ochranná úroveň [L-N] (UP ) ≤ 1,5 kV
Ochranná úroveň [N-PE] (UP ) ≤ 1,5 kV
Max. nadproudová ochrana ze strany sítě 25 A gG
Certifikace KEMA

Produkt 900430 byl přidán na seznam.

K seznamu

Produkt 900430 byl přidán do nákupního košíku.

Obj. č. 900432 DCOR L 2P 320

GTIN 4013364157309, Číslo celního sazebníku (EU): 85363030, Váha brutto: 74.00 g, Balící jednotka: 1.00 ks


Vyobrazení

Další informace

Svodič přepětí DEHNcord L 2P 320
2-pólový svodič přepětí pro všechny
230/277 V elektroinstalační sítě
svodič typ 2 podle ČSN EN 61643-11
instalace do podpodlahových rozvodů napájení,
kabelových žlabů a přístrojových krabic
ukazatel poruchy
nejvyšší provozní napětí: 320 V ac
ochranná úroveň: <= 1,75 kV
jmenovitý impulzní proud: 5 kA
celkový impulzní proud: 20 kA
max. nadproudová ochrana ze strany sítě: 25 A gG
nebo B/C 16 A
energetická koordinace podle ČSN EN 62305-4
svodič řady Red/Line

Výrobek: DEHN
Typ: DCOR L 2P 320
Obj. č.: 900432
nebo rovnocenný.

Certifikáty

 

Technické informace

SPD podle ČSN EN 61643-11 / ... IEC 61643-11 typ 2/Třída II
Nejvyšší provozní napětí AC [L-N] (UC ) 320 V (50/60 Hz)
Jmenovitý impulzní proud (8/20 µs) (In ) 5 kA
Max. svodový proud (8/20 µs) (Imax ) 10 kA
Ochranná úroveň [L-N] (UP ) ≤ 1,75 kV
Ochranná úroveň [N-PE] (UP ) ≤ 1,5 kV
Max. nadproudová ochrana ze strany sítě 25 A gG
Certifikace KEMA

Produkt 900432 byl přidán na seznam.

K seznamu

Produkt 900432 byl přidán do nákupního košíku.


DEHNcord L 1P

Jednopólový svodič přepětí pro svítidla třídy ochrany II; kompaktní rozměry.

2 Produkty

Obj. č. 900431 DCOR L 1P 275

GTIN 4013364310827, Číslo celního sazebníku (EU): 85363030, Váha brutto: 60.00 g, Balící jednotka: 1.00 ks


Vyobrazení

Další informace

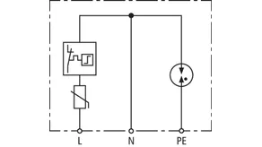
Svodič přepětí DEHNcord L 1P 275
1-pólový svodič přepětí pro všechny
230 V elektroinstalační sítě
svodič typ 2 podle ČSN EN 61643-11
instalace do podpodlahových rozvodů napájení,
kabelových žlabů a přístrojových krabic
ukazatel poruchy
nejvyšší provozní napětí: 275 V ac
ochranná úroveň: <= 1,5 kV
jmenovitý impulzní proud: 5 kA
max. nadproudová ochrana ze strany sítě: 25 A gG
nebo B/C 16 A
energetická koordinace podle ČSN EN 62305-4
svodič řady Red/Line

Výrobek: DEHN
Typ: DCOR L 1P 275
Obj. č.: 900431
nebo rovnocenný.

Certifikáty

 

Technické informace

SPD podle ČSN EN 61643-11 / ... IEC 61643-11 typ 2/Třída II
Nejvyšší provozní napětí AC [L-N] (UC ) 275 V (50/60 Hz)
Jmenovitý impulzní proud (8/20 µs) (In ) 5 kA
Max. svodový proud (8/20 µs) (Imax ) 10 kA
Ochranná úroveň [L-N] (UP ) ≤ 1,5 kV
Max. nadproudová ochrana ze strany sítě 25 A gG
Certifikace KEMA

Produkt 900431 byl přidán na seznam.

K seznamu

Produkt 900431 byl přidán do nákupního košíku.

Obj. č. 900433 DCOR L 1P 320

GTIN 4013364157316, Číslo celního sazebníku (EU): 85363030, Váha brutto: 61.00 g, Balící jednotka: 1.00 ks


Vyobrazení

Další informace

Svodič přepětí DEHNcord L 1P 320
1-pólový svodič přepětí pro všechny
230/277 V elektroinstalační sítě
svodič typ 2 podle ČSN EN 61643-11
instalace do podpodlahových rozvodů napájení,
kabelových žlabů a přístrojových krabic
ukazatel poruchy
nejvyšší provozní napětí: 320 V ac
ochranná úroveň: <= 1,75 kV
jmenovitý impulzní proud: 5 kA
max. nadproudová ochrana ze strany sítě: 25 A gG
nebo B/C 16 A
energetická koordinace podle ČSN EN 62305-4
svodič řady Red/Line

Výrobek: DEHN
Typ: DCOR L 1P 320
Obj. č.: 900433
nebo rovnocenný.

Certifikáty

 

Technické informace

SPD podle ČSN EN 61643-11 / ... IEC 61643-11 typ 2/Třída II
Nejvyšší provozní napětí AC [L-N] (UC ) 320 V (50/60 Hz)
Jmenovitý impulzní proud (8/20 µs) (In ) 5 kA
Max. svodový proud (8/20 µs) (Imax ) 10 kA
Ochranná úroveň [L-N] (UP ) ≤ 1,75 kV
Max. nadproudová ochrana ze strany sítě 25 A gG
Certifikace KEMA

Produkt 900433 byl přidán na seznam.

K seznamu

Produkt 900433 byl přidán do nákupního košíku.


DEHNcord L 2P SN1864

Svodič přepětí pro svítidla třídy ochrany II; kompaktní rozměry. S funkcí vypnutí v případě poruchy.

1 Produkt

Obj. č. 999906 DCOR L 2P SN1864

GTIN 4013364310926, Číslo celního sazebníku (EU): 85363030, Váha brutto: 70.50 g, Balící jednotka: 1.00 ks


Vyobrazení

Další informace

Svodič přepětí DEHNcord L 2P SN1864
vícepólový svodič přepětí typ 2 podle ČSN EN 61643-11
pro instalaci do kabelových skříní
s ochranou řídicí fáze
možnost vypnutí svítidla v případě poruchy
stejně jako dodatečně integrovaný samostatný optický ukazatel poruchy
pro napájecí napětí
nejvyšší provozní napětí: 275 V ac
ochranná úroveň: <= 1,5 kV
jmenovitý impulzní proud (8/20): 5 kA
celkový impulzní proud: 20 kA
max. nadproudová ochrana ze strany sítě: 16 A gG
max. proudová zatížitelnost AC: 10 A
energetická koordinace podle ČSN EN 62305-4
se svodiči řady Red/Line

Výrobek: DEHN
Typ: DCOR L 2P SN1864
Obj. č.: 999906
nebo rovnocenný.

Certifikáty

 

Technické informace

SPD podle ČSN EN 61643-11 / ... IEC 61643-11 typ 2/Třída II
Nejvyšší provozní napětí AC [L-N] (UC ) 275 V (50/60 Hz)
Jmenovitý impulzní proud (8/20 µs) (In ) 5 kA
Max. svodový proud (8/20 µs) (Imax ) 10 kA
Ochranná úroveň [L-N] (UP ) ≤ 1,5 kV
Max. nadproudová ochrana ze strany sítě B 16 A

Produkt 999906 byl přidán na seznam.

K seznamu

Produkt 999906 byl přidán do nákupního košíku.


DEHNcord L 2P SN1860

Svodič přepětí vhodný pro všechny elektroinstalační systémy; kompaktní rozměry. S funkcí vypnutí v případě poruchy.

1 Produkt

Obj. č. 999937 DCOR L 2P SN1860

GTIN 4013364303195, Číslo celního sazebníku (EU): 85363030, Váha brutto: 86.00 g, Balící jednotka: 1.00 ks


Vyobrazení

Další informace

Svodič přepětí DEHNcord L 2P SN1860
vícepólový svodič přepětí typ 2 podle ČSN EN 61643-11
pro instalaci do kabelových skříní
možnost vypnutí svítidla v případě poruchy
stejně jako dodatečně integrovaný samostatný optický ukazatel poruchy
pro napájecí napětí
nejvyšší provozní napětí: 275 V ac
ochranná úroveň: <= 1,5 kV
jmenovitý impulzní proud (8/20): 5 kA
celkový impulzní proud: 20 kA
max. nadproudová ochrana ze strany sítě: 16 A gG
max. proudová zatížitelnost AC: 10 A
energetická koordinace podle ČSN EN 62305-4
se svodiči řady Red/Line

Výrobek: DEHN
Typ: DCOR L 2P SN1860
Obj. č.: 999937
nebo rovnocenný.

Certifikáty

 

Technické informace

SPD podle ČSN EN 61643-11 / ... IEC 61643-11 typ 2/Třída II
Nejvyšší provozní napětí AC [L-N] (UC ) 275 V (50/60 Hz)
Jmenovitý impulzní proud (8/20 µs) (In ) 5 kA
Max. svodový proud (8/20 µs) (Imax ) 10 kA
Ochranná úroveň [L-N] (UP ) ≤ 1,5 kV
Ochranná úroveň [N-PE] (UP ) ≤ 1,5 kV
Max. nadproudová ochrana ze strany sítě B 16 A

Produkt 999937 byl přidán na seznam.

K seznamu

Produkt 999937 byl přidán do nákupního košíku.


DEHNcord L 2P 275 SO LTG

Svodič přepětí vhodný pro všechny elektroinstalační systémy; kompaktní rozměry. S funkcí vypnutí v případě poruchy.

1 Produkt

Obj. č. 900446 DCOR L 2P 275 SO LTG

GTIN 4013364292970, Číslo celního sazebníku (EU): 85363030, Váha brutto: 62.50 g, Balící jednotka: 1.00 ks


Vyobrazení

Další informace

Svodič přepětí DEHNcord L 2P 275 SO LTG
vícepólový svodič přepětí typ 2 podle ČSN EN 61643-11
pro instalaci do kabelových skříní
možnost vypnutí svítidla v případě poruchy
stejně jako dodatečně integrovaný samostatný optický ukazatel poruchy
pro napájecí napětí
nejvyšší provozní napětí: 275 V ac
ochranná úroveň: <= 1,5 kV
jmenovitý impulzní proud (8/20): 5 kA
celkový impulzní proud: 20 kA
schopnost omezit následný proud [N-PE]: 100 A eff
max. nadproudová ochrana ze strany sítě: 16 A gG
max. proudová zatížitelnost AC: 10 A
energetická koordinace podle ČSN EN 62305-4
se svodiči řady Red/Line

Výrobek: DEHN
Typ: DCOR L 2P 275 SO LTG
Obj. č.: 900446
nebo rovnocenný.

Certifikáty

 

Technické informace

SPD podle ČSN EN 61643-11 / ... IEC 61643-11 typ 2/Třída II
Nejvyšší provozní napětí AC [L-N] (UC ) 275 V (50/60 Hz)
Jmenovitý impulzní proud (8/20 µs) (In ) 5 kA
Max. svodový proud (8/20 µs) (Imax ) 10 kA
Ochranná úroveň [L-N] (UP ) ≤ 1,5 kV
Ochranná úroveň [N-PE] (UP ) ≤ 1,5 kV
Max. nadproudová ochrana ze strany sítě B 16 A
Certifikace KEMA

Produkt 900446 byl přidán na seznam.

K seznamu

Produkt 900446 byl přidán do nákupního košíku.


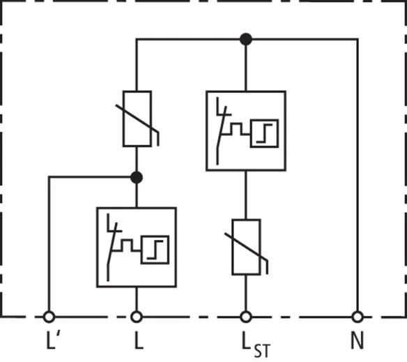
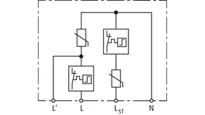
DEHNcord L 3P 275 SO LTG

Třípólový svodič přepětí pro všechny elektroinstalační systémy; kompaktní rozměry. S funkcí vypnutí výkonového proudového okruhu v případě poruchy a s ochranou řídící fáze.

1 Produkt

Obj. č. 900445 DCOR L 3P 275 SO LTG

GTIN 4013364280380, Číslo celního sazebníku (EU): 85363030, Váha brutto: 71.50 g, Balící jednotka: 1.00 ks


Vyobrazení

Další informace

Svodič přepětí DEHNcord L 3P 275 SO LTG
vícepólový svodič přepětí typ 2 podle ČSN EN 61643-11
pro instalaci do kabelových skříní
s ochranou řídicí fáze
možnost vypnutí svítidla v případě poruchy
stejně jako dodatečně integrovaný samostatný optický ukazatel poruchy
pro napájecí napětí a řídicí fázi
nejvyšší provozní napětí: 275 V ac
ochranná úroveň: <= 1,5 kV
jmenovitý impulzní proud (8/20): 5 kA
celkový impulzní proud (8/20): 20 kA
schopnost omezit následný proud [N-PE]: 100 A eff
max. nadproudová ochrana ze strany sítě: 16 A gG
max. proudová zatížitelnost AC: 10 A
energetická koordinace podle ČSN EN 62305-4
se svodiči řady Red/Line

Výrobek: DEHN
Typ: DCOR L 3P 275 SO LTG
Obj. č.: 900445
nebo rovnocenný.

Certifikáty

 

Technické informace

SPD podle ČSN EN 61643-11 / ... IEC 61643-11 typ 2/Třída II
Nejvyšší provozní napětí AC [L-N] (UC ) 275 V (50/60 Hz)
Jmenovitý impulzní proud (8/20 µs) (In ) 5 kA
Max. svodový proud (8/20 µs) (Imax ) 10 kA
Ochranná úroveň [L-N] (UP ) ≤ 1,5 kV
Ochranná úroveň [N-PE] (UP ) ≤ 1,5 kV
Max. nadproudová ochrana ze strany sítě B 16 A
Certifikace KEMA

Produkt 900445 byl přidán na seznam.

K seznamu

Produkt 900445 byl přidán do nákupního košíku.


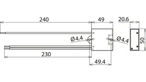
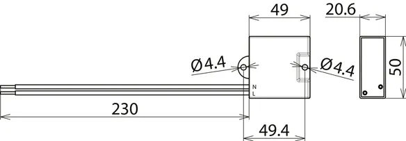
SK EK480 G2S-2d LM DCOR

Pojistková skříňka EK480 je kvalitní produkt firmy Langmatz, který se vyznačuje vysokou kvalitou zpracování a praxí prověřenými vlastnostmi. Produktová řada EK480 splňuje všechny mechanické a elektrické požadavky a normy. Svítidla s vysoce kvalitní elektronikou mohou být účinně chráněna proti přepětí způsobenému spínacími jevy nebo blízkými údery blesku.

1 Produkt

Obj. č. 900443 SK EK480 G2S-2d LM DCOR

GTIN 4013364394322, Číslo celního sazebníku (EU): 85362010, Váha brutto: 788.00 g, Balící jednotka: 20.00 ks


Vyobrazení

Další informace

Pojistková skříň EK480 se svodičem přepětí
DEHNcord L 3P 275 SO LTG
pro ochranu stožárů LED osvětlení
s ochranou řídicí fáze
možnost vypnutí svítidla v případě poruchy
a dodatečně integrovaný samostatný optický ukazatel poruchy
pro napájecí napětí a řídicí fázi
nejvyšší provozní napětí: 275 V ac
ochranná úroveň: <= 1,5 kV
jmenovitý impulzní proud (8/20): 5 kA
celkový impulzní proud (8/20): 20 kA
schopnost omezit následný proud [N-PE]: 100 A eff
max. nadproudová ochrana ze strany sítě: 16 A gG
max. proudová zatížitelnost AC: 10 A
energetická koordinace podle ČSN EN 62305-4
se svodiči řady Red/Line
rozměry skříně 277 x 80 x 67 mm
krytí: IP54 podle EN 60529/DIN VDE 0470
třída ochrany: II

Výrobek: DEHN
Typ: SK EK480 G2S-2d LM DCOR
Obj. č.: 900443
nebo rovnocenný.

Certifikáty

 

Technické informace

Data pojistkové skříně
Rozměry 276 x 81 x 70 mm
Od vnitřního rozměru stožáru 89 mm
Typ připojení vstup: nástrčné svorky/výstup: pružinové svorky
Maximální průřez připojovacího kabelu 1 - 3 kabel (4 resp. 5 x 16 mm2)
Výstupní svorky max. 2,5 mm2
Data svodiče přepětí DEHNcord L 3P 275 SO LTG
SPD podle EN 61643-11 / ... IEC 61643-11 typ 2/třída II
Maximální provozní napětí AC [L-N] (UC ) 275 V (50/60 Hz)
Jmenovitý impulzní proud (8/20 µs) (In ) 5 kA
Max. impulzní proud (8/20 µs) (Imax ) 10 kA
Ochranná úroveň [L-N] (UP ) ≤ 1,5 kV
Ochranná úroveň [N-PE] (UP ) ≤ 1,5 kV
Max. nadproudová ochrana ze strany sítě B 16 A

Produkt 900443 byl přidán na seznam.

K seznamu

Produkt 900443 byl přidán do nákupního košíku.


DEHNcord L 2P 275 SO LT

Dvoupólový svodič přepětí pro sítě TNC; kompaktní rozměry. S funkcí vypnutí výkonového proudového okruhu v případě poruchy a s ochranou řídící fáze.

1 Produkt

Obj. č. 900435 DCOR L 2P 275 SO LT

GTIN 4013364292963, Číslo celního sazebníku (EU): 85363030, Váha brutto: 70.00 g, Balící jednotka: 1.00 ks


Vyobrazení

Další informace

Svodič přepětí DEHNcord L 2P 275 SO LT
vícepólový svodič přepětí typ 2 podle ČSN EN 61643-11
pro instalaci do kabelových skříní
s ochranou řídicí fáze
možnost vypnutí svítidla v případě poruchy
stejně jako dodatečně integrovaný samostatný optický ukazatel poruchy
pro napájecí napětí
nejvyšší provozní napětí: 275 V ac
ochranná úroveň: <= 1,5 kV
jmenovitý impulzní proud (8/20): 5 kA
celkový impulzní proud: 20 kA
max. nadproudová ochrana ze strany sítě: 16 A gG
max. proudová zatížitelnost AC: 10 A
energetická koordinace podle ČSN EN 62305-4
se svodiči řady Red/Line

Výrobek: DEHN
Typ: DCOR L 2P 275 SO LT
Obj. č.: 900435
nebo rovnocenný.

Certifikáty

 

Technické informace

SPD podle ČSN EN 61643-11 / ... IEC 61643-11 typ 2/Třída II
Nejvyšší provozní napětí AC [L-PEN] (UC ) 275 V (50/60 Hz)
Jmenovitý impulzní proud (8/20 µs) (In ) 5 kA
Max. svodový proud (8/20 µs) (Imax ) 10 kA
Ochranná úroveň [L-PEN] (UP ) ≤ 1,5 kV
Max. nadproudová ochrana ze strany sítě B 16 A
Certifikace KEMA

Produkt 900435 byl přidán na seznam.

K seznamu

Produkt 900435 byl přidán do nákupního košíku.


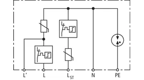
DEHNcord L 3P 275 SO IP

Třípólový svodič přepětí vhodný pro všechny elektroinstalační systémy; kompaktní rozměry. Krytí IP 65. S funkcí vypnutí výkonového proudového okruhu v případě poruchy a s ochranou řídící fáze.

1 Produkt

Obj. č. 900447 DCOR L 3P 275 SO IP

GTIN 4013364282216, Číslo celního sazebníku (EU): 85363030, Váha brutto: 146.60 g, Balící jednotka: 1.00 ks


Vyobrazení

Další informace

Svodič přepětí DEHNcord L 3P 275 SO IP
vícepólový svodič přepětí typ 2 podle ČSN EN 61643-11
s vodiči pro montáž ve venkovním prostředí (krytí IP65)
např. do kabelových skříní.
S ochranou řídicí fáze
možnost vypnutí svítidla v případě poruchy
stejně jako dodatečně integrovaný samostatný optický ukazatel poruchy
pro napájecí napětí a řídicí fázi
s upevňovacím třmenem
nejvyšší provozní napětí: 275 V ac
ochranná úroveň: <= 1,5 kV
jmenovitý impulzní proud (8/20): 5 kA
celkový impulzní proud (8/20): 20 kA
schopnost omezit následný proud [N-PE]: 100 A eff
max. nadproudová ochrana ze strany sítě: 16 A gG
max. proudová zatížitelnost AC: 10 A
energetická koordinace podle ČSN EN 62305-4
se svodiči řady Red/Line

Výrobek: DEHN
Typ: DCOR L 3P 275 SO IP
Obj. č.: 900447
nebo rovnocenný.

Certifikáty

 

Technické informace

SPD podle ČSN EN 61643-11 / ... IEC 61643-11 typ 2/Třída II
Nejvyšší provozní napětí AC [L-N] (UC ) 275 V (50/60 Hz)
Jmenovitý impulzní proud (8/20 µs) (In ) 5 kA
Max. svodový proud (8/20 µs) (Imax ) 10 kA
Ochranná úroveň [L-N] (UP ) ≤ 1,5 kV
Ochranná úroveň [N-PE] (UP ) ≤ 1,5 kV
Max. nadproudová ochrana ze strany sítě B 16 A

Produkt 900447 byl přidán na seznam.

K seznamu

Produkt 900447 byl přidán do nákupního košíku.


DEHNcord L 2P 275 SO IP

Dvoupólový svodič přepětí vhodný pro všechny elektroinstalační systémy; kompaktní rozměry. Krytí IP 65. S funkcí vypnutí v případě poruchy.

1 Produkt

Obj. č. 900448 DCOR L 2P 275 SO IP

GTIN 4013364293007, Číslo celního sazebníku (EU): 85363030, Váha brutto: 139.90 g, Balící jednotka: 1.00 ks


Vyobrazení

Další informace

Svodič přepětí DEHNcord L 2P 275 SO IP
vícepólový svodič přepětí typ 2 podle ČSN EN 61643-11
s vodiči pro montáž ve venkovním prostředí (krytí IP65)
např. do kabelových skříní.
Možnost vypnutí svítidla v případě poruchy
stejně jako dodatečně integrovaný samostatný optický ukazatel poruchy
pro napájecí napětí
s upevňovacím třmenem
nejvyšší provozní napětí: 275 V ac
ochranná úroveň: <= 1,5 kV
jmenovitý impulzní proud (8/20): 5 kA
celkový impulzní proud (8/20): 20 kA
schopnost omezit následný proud [N-PE]: 100 A eff
max. nadproudová ochrana ze strany sítě: 16 A gG
max. proudová zatížitelnost AC: 10 A
energetická koordinace podle ČSN EN 62305-4
se svodiči řady Red/Line


Výrobek: DEHN
Typ: DCOR L 2P 275 SO IP
Obj. č.: 900448
nebo rovnocenný.

Certifikáty

 

Technické informace

SPD podle ČSN EN 61643-11 / ... IEC 61643-11 typ 2/Třída II
Nejvyšší provozní napětí AC [L-N] (UC ) 275 V (50/60 Hz)
Jmenovitý impulzní proud (8/20 µs) (In ) 5 kA
Max. svodový proud (8/20 µs) (Imax ) 10 kA
Ochranná úroveň [L-N] (UP ) ≤ 1,5 kV
Ochranná úroveň [N-PE] (UP ) ≤ 1,5 kV
Max. nadproudová ochrana ze strany sítě B 16 A

Produkt 900448 byl přidán na seznam.

K seznamu

Produkt 900448 byl přidán do nákupního košíku.


DEHNcord R 3P

Svodič přepětí pro elektrické žaluzie; kompaktní rozměry.

1 Produkt

Obj. č. 900449 DCOR R 3P 275

GTIN 4013364320031, Číslo celního sazebníku (EU): 85363030, Váha brutto: 151.00 g, Balící jednotka: 1.00 ks


Vyobrazení

Další informace

Svodič přepětí DEHNcord R 3P 275
vícepólový svodič přepětí typ 2 podle ČSN EN 61643-11
s vodiči pro montáž ve venkovním prostředí (krytí IP54)
pro ochranu slunečních žaluzií resp. vnějších rolet
přerušení výkonového obvodu
pro stažení žaluzií v případě poruchy
nejvyšší provozní napětí: 275 V ac
ochranná úroveň: <= 1,5 kV
jmenovitý impulzní proud (8/20): 5 kA
celkový impulzní proud (8/20) [L+N-PE]: 20 kA
schopnost omezit následný proud [N-PE]: 100 A eff
max. nadproudová ochrana AC: 10 A gG
max. proudová zatížitelnost AC: 10 A
energetická koordinace podle ČSN EN 62305-4
se svodiči řady Red/Line
se svodiči řady Red/Line

Výrobek: DEHN
Typ: DCOR R 3P 275
Obj. č.: 900449
nebo rovnocenný.

Certifikáty

 

Technické informace

SPD podle ČSN EN 61643-11 / ... IEC 61643-11 typ 2/Třída II
Nejvyšší provozní napětí AC [L-N] (UC ) 275 V (50/60 Hz)
Jmenovitý impulzní proud (8/20 µs) (In ) 2,5 kA
Max. svodový proud (8/20 µs) (Imax ) 5 kA
Ochranná úroveň [L-N] (UP ) ≤ 1,5 kV
Připojovací konektor Hirschmann STAK 3/STAS 3

Produkt 900449 byl přidán na seznam.

K seznamu

Produkt 900449 byl přidán do nákupního košíku.


back to top