DEHNcube PV

  • Kompletně zapojený, vícepólový svodič přepětí určený pro ochranu fotovoltaických aplikací, s krytím IP 65
  • Nekomplikovaná instalace přepěťové ochrany, umístění mimo rozváděč
  • Předem připravené propojovací vedení je dostupné pro jednoduché připojení svodiče přepětí přímo k chráněnému střídači
  • Kombinované odpojovací a zkratovací zařízení s bezpečným odpojením ochranného modulu (patentovaný princip SCI)
  • Jednoduché a rychlé připojení svodiče prostřednictvím pružinových svorek, bez použití nářadí
  • Svodiče jsou testovány podle ČSN EN 61643-31
  • Instalace ve všech fotovoltaických systémech podle IEC 60364-7-712 (ČSN 33 2000-7-712)

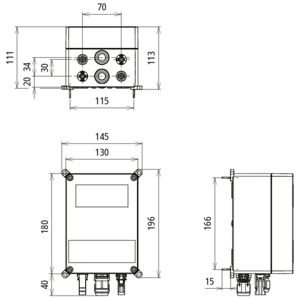
DEHNcube YPV SCI 1000 1M

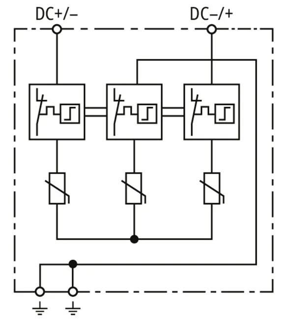
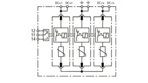
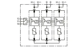
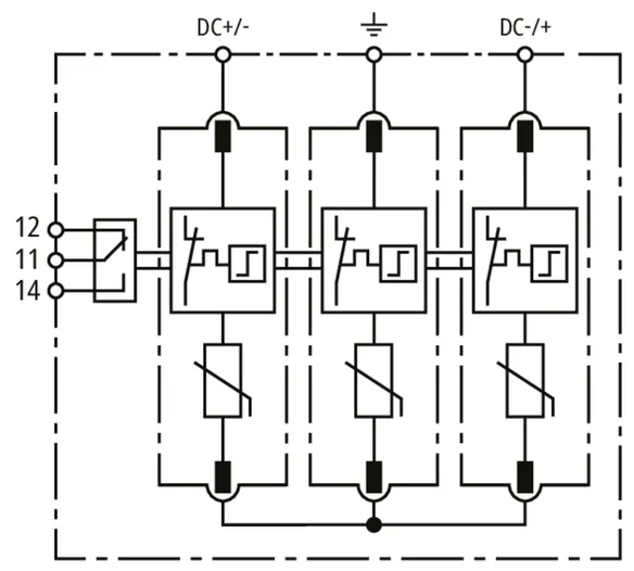
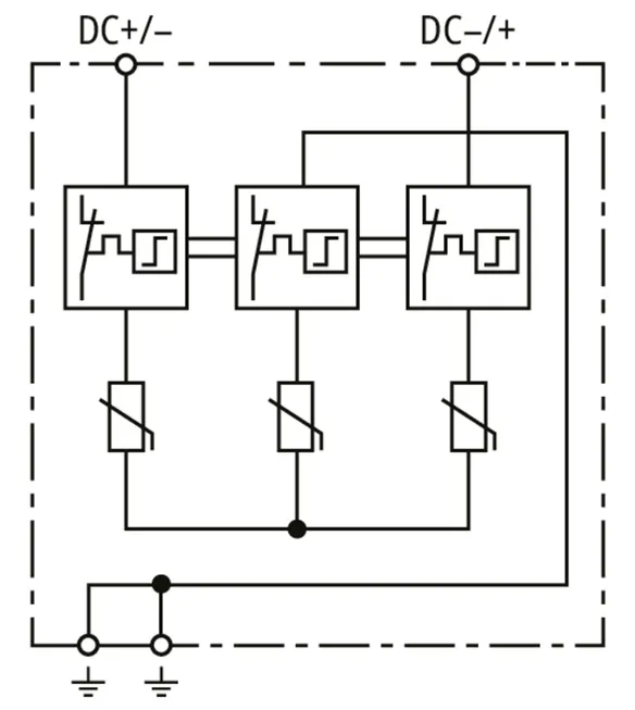
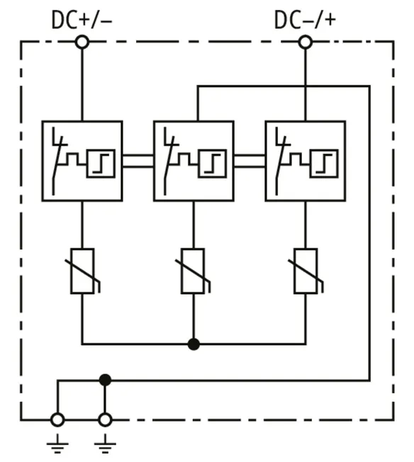
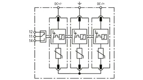
Dvoupólový svodič přepětí s krytím IP 65, s třístupňovým stejnosměrným odpojovacím a zkratovacím zařízením chrání jeden MPP vstup.

1 Produkt

Obj. č. 900910 DCU YPV SCI 1000 1M

GTIN 4013364155046, Číslo celního sazebníku (EU): 85363030, Váha brutto: 426.00 g, Balící jednotka: 1.00 ks


Vyobrazení

Další informace

Svodič přepětí DEHNcube YPV SCI 1000 1M
vícepólový svodič přepětí pro fotovoltaiku do 1000 V DC
chrání 1 vstup, s krytím IP65
ukazatel poruchy
typ 2 podle ČSN EN 61643-31 s třístupňovým DC odpojovacím zařízením
pro použití v souladu s IEC 60364-7-712
maximální FV napětí: <= 1000 V dc
jmenovitý impulzní proud: (8/20) 12,5 kA
celkový impulzní proud: (8/20) 40 kA
ochranná úroveň: <= 4 kV
zkratová pevnost Iscpv: 1000 A
rozměry: 94 x 94 x 81 mm
kabelové průchodky: 3x Ø 3 - 7 mm

Výrobek: DEHN
Typ: DCU YPV SCI 1000 1M
Obj. č.: 900910
nebo rovnocenný.

Certifikáty

 

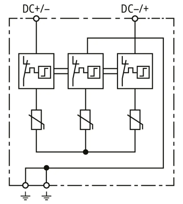
Technologie SCI

Patentovaná technologie SCI od firmy DEHN zajišťuje aktivní, rychlé a bezpečné uhašení elektrického oblouku v případě přetížení. Pojistka integrovaná ve zkratovacím impulzu vybaví ihned po přerušení vzniklého oblouku a zajistí bezpečné elektrické odpojení. Díky tomu poskytují všechny vodiče pro fotovoltaiku od firmy DEHN ochranu před účinky přepětí, požárem a zdraví v jednom přístroji.

Technické informace

SPD podle ČSN EN 61643-31 / ... IEC 61643-31 typ 2/Třída II
Max. svorkové napětí FV (UCPV ) 1000 V
Zkratová pevnost (ISCPV ) 1 kA
Jmenovitý impulzní proud (8/20 µs) [(DC+/DC-) --> PE] (In ) 12,5 kA
Maximální impulzní proud (8/20 µs) [(DC+/DC-) --> PE] (Imax ) 25 kA
Ochranná úroveň (UP ) ≤ 4 kV
Krytí IP 65

Produkt 900910 byl přidán na seznam.

K seznamu

Produkt 900910 byl přidán do nákupního košíku.


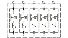
DEHNcube YPV SCI 1000 2M

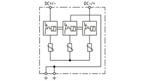
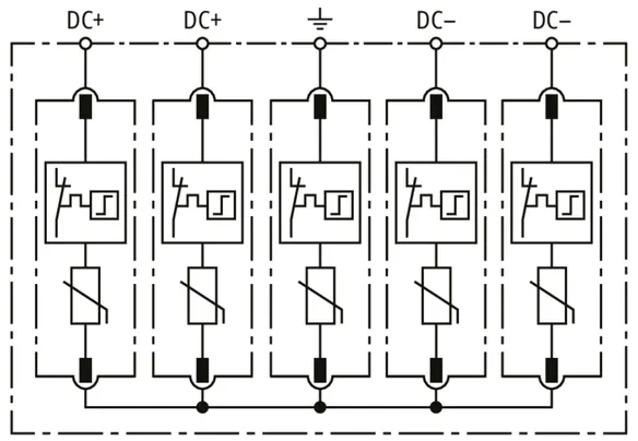
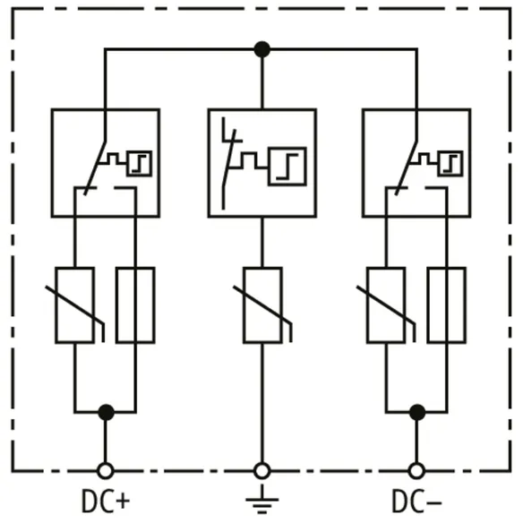
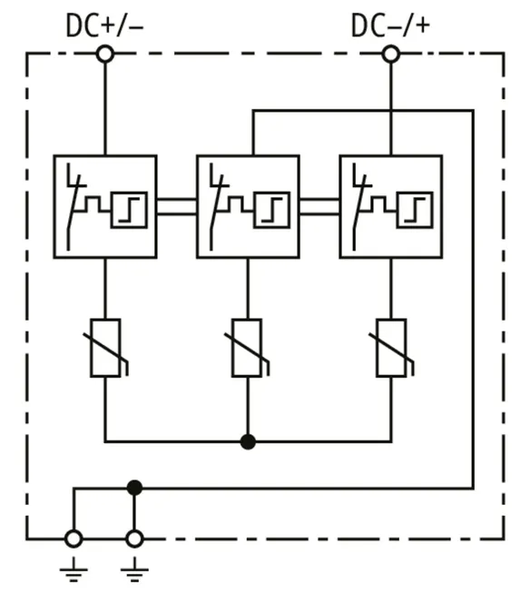
Čtyřpólový svodič přepětí s krytím IP 65, s třístupňovým stejnosměrným odpojovacím a zkratovacím zařízením chrání dva MPP vstupy.

1 Produkt

Obj. č. 900920 DCU YPV SCI 1000 2M

GTIN 4013364155053, Číslo celního sazebníku (EU): 85363030, Váha brutto: 731.00 g, Balící jednotka: 1.00 ks


Vyobrazení

Další informace

Svodič přepětí DEHNcube YPV SCI 1000 2M
vícepólový svodič přepětí pro fotovoltaiku do 1000 V DC
chrání 2 vstupy, s krytím IP65
ukazatel poruchy
typ 2 podle ČSN EN 61643-31 s třístupňovým DC odpojovacím zařízením
pro použití v souladu s IEC 60364-7-712
maximální FV napětí: <= 1000 V dc
jmenovitý impulzní proud: (8/20) 12,5 kA
celkový impulzní proud: (8/20) 40 kA
ochranná úroveň: <= 4 kV
zkratová pevnost Iscpv: 1000 A
rozměry: 130 x 94 x 81 mm
kabelové průchodky: 5x Ø 3 - 7 mm

Výrobek: DEHN
Typ: DCU YPV SCI 1000 2M
Obj. č.: 900920
nebo rovnocenný.

Certifikáty

 

Technologie SCI

Patentovaná technologie SCI od firmy DEHN zajišťuje aktivní, rychlé a bezpečné uhašení elektrického oblouku v případě přetížení. Pojistka integrovaná ve zkratovacím impulzu vybaví ihned po přerušení vzniklého oblouku a zajistí bezpečné elektrické odpojení. Díky tomu poskytují všechny vodiče pro fotovoltaiku od firmy DEHN ochranu před účinky přepětí, požárem a zdraví v jednom přístroji.

Technické informace

SPD podle ČSN EN 61643-31 / ... IEC 61643-31 typ 2/Třída II
Max. svorkové napětí FV (UCPV ) 1000 V
Zkratová pevnost (ISCPV ) 1 kA
Jmenovitý impulzní proud (8/20 µs) [(DC+/DC-) --> PE] (In ) 12,5 kA
Maximální impulzní proud (8/20 µs) [(DC+/DC-) --> PE] (Imax ) 25 kA
Ochranná úroveň (UP ) ≤ 4 kV
Krytí IP 65

Produkt 900920 byl přidán na seznam.

K seznamu

Produkt 900920 byl přidán do nákupního košíku.


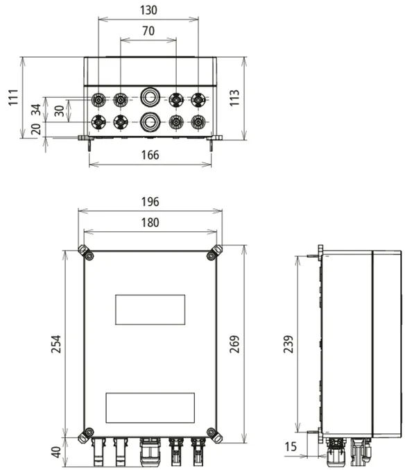
DEHNcube 2 YPV 1100 1M 2S

Rozvodná skříň generátoru pro fotovoltaické systémy do 1100 V DC k ochraně jednoho vstupu MPP a dvou stringů.
S přepěťovou ochranou a push-in svorkami pro vstup a výstup.

1 Produkt

Obj. č. 900913 DCU 2 YPV 1100 1M 2S

GTIN 4013364492455, Číslo celního sazebníku (EU): 85372091, Váha brutto: 1.59 kg, Balící jednotka: 1.00 ks


Vyobrazení

Další informace

Rozvodná skříň generátoru DCU 2 YPV 1100 1M 2S
Rozvodná skříň generátoru do 1100 V DC
k ochraně jednoho vstupu MPP a
dvou stringů, stupeň krytí IP65
ukazatel poruchy
Rozvodná skříň generátoru podle DIN EN IEC 61439-2
Použití podle IEC 60364-7-712
Maximální FV napětí: <=1100 V dc
Jmenovitý svodový impulzní proud: (8/20) 20 kA
Celkový impulzní proud: (8/20) 40 kA
Ochranná úroveň: <= 4 kV
Zkratová pevnost Iscpv: 10 kA
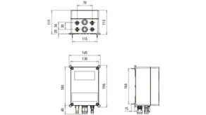
Rozměry: 180 x 182 x 111 mm
Kabelový vstup: 2x trojnásobné šroubení (2,5 mm² – 6 mm² FV vodič)
Kabelový vstup: 2x M20 (16 mm²)

Výrobek: DEHN
Typ: DCU 2 YPV 1100 1M 2S
Obj. č.: 900913
nebo rovnocenný.

 

Technologie SCI

Patentovaná technologie SCI od firmy DEHN zajišťuje aktivní, rychlé a bezpečné uhašení elektrického oblouku v případě přetížení. Pojistka integrovaná ve zkratovacím impulzu vybaví ihned po přerušení vzniklého oblouku a zajistí bezpečné elektrické odpojení. Díky tomu poskytují všechny vodiče pro fotovoltaiku od firmy DEHN ochranu před účinky přepětí, požárem a zdraví v jednom přístroji.

Technické informace

SPD podle ČSN EN 61643-31 / ... IEC 61643-31 typ 2/Třída II
Max. svorkové napětí FV (UCPV ) 1100 V
Zkratová pevnost (ISCPV ) 10 kA
Jmenovitý impulzní proud (8/20 µs) [(DC+/DC-) --> PE] (In ) 20 kA
Maximální impulzní proud (8/20 µs) [(DC+/DC-) --> PE] (Imax ) 40 kA
Ochranná úroveň (UP ) ≤ 4 kV
Krytí IP 65

Produkt 900913 byl přidán na seznam.

K seznamu

Produkt 900913 byl přidán do nákupního košíku.


DEHNcube 2 YPV 1100 2M 1S

Rozvodná skříň generátoru pro fotovoltaické systémy do 1100 V DC k ochraně dvou vstupů MPP a jednoho stringu.
S přepěťovou ochranou a push-in svorkami pro vstup a výstup.

1 Produkt

Obj. č. 900921 DCU 2 YPV 1100 2M 1S

GTIN 4013364492462, Číslo celního sazebníku (EU): 85372091, Váha brutto: 2.14 kg, Balící jednotka: 1.00 ks


Vyobrazení

Další informace

Rozvodná skříň generátoru DCU 2 YPV 1100 2M 1S
Rozvodná skříň generátoru do 1100 V DC
k ochraně dvou vstupů MPP
a jednoho stringu, stupeň krytí IP65
ukazatel poruchy
Rozvodná skříň generátoru podle DIN EN IEC 61439-2
Použití podle IEC 60364-7-712
Maximální FV napětí: <=1100 V dc
Jmenovitý svodový impulzní proud: (8/20) 20 kA
Celkový impulzní proud: (8/20) 40 kA
Ochranná úroveň: <= 4 kV
Zkratová pevnost Iscpv: 10 kA
Rozměry: 180 x 182 x 111 mm
Kabelový vstup: 2x čtyřnásobné šroubení (2,5 mm² – 6 mm² FV vodič)
Kabelový vstup: 2x M20 (16 mm²)

Výrobek: DEHN
Typ: DCU 2 YPV 1100 2M 1S
Obj. č.: 900921
nebo rovnocenný.

Certifikáty

 

Technologie SCI

Patentovaná technologie SCI od firmy DEHN zajišťuje aktivní, rychlé a bezpečné uhašení elektrického oblouku v případě přetížení. Pojistka integrovaná ve zkratovacím impulzu vybaví ihned po přerušení vzniklého oblouku a zajistí bezpečné elektrické odpojení. Díky tomu poskytují všechny vodiče pro fotovoltaiku od firmy DEHN ochranu před účinky přepětí, požárem a zdraví v jednom přístroji.

Technické informace

SPD podle ČSN EN 61643-31 / ... IEC 61643-31 typ 2/Třída II
Max. svorkové napětí FV (UCPV ) 1100 V
Zkratová pevnost (ISCPV ) 10 kA
Jmenovitý impulzní proud (8/20 µs) [(DC+/DC-) --> PE] (In ) 20 kA
Maximální impulzní proud (8/20 µs) [(DC+/DC-) --> PE] (Imax ) 40 kA
Ochranná úroveň (UP ) ≤ 4 kV
Krytí IP 65

Produkt 900921 byl přidán na seznam.

K seznamu

Produkt 900921 byl přidán do nákupního košíku.


DEHNcube 2 YPV 1100 2M 2S

Rozvodná skříň generátoru pro fotovoltaické systémy do 1100 V DC k ochraně dvou vstupů MPP a dvou stringů.
S přepěťovou ochranou a push-in svorkami pro vstup a výstup.

1 Produkt

Obj. č. 900923 DCU 2 YPV 1100 2M 2S

GTIN 4013364492400, Číslo celního sazebníku (EU): 85372091, Váha brutto: 2.21 kg, Balící jednotka: 1.00 ks


Vyobrazení

Další informace

Rozvodná skříň generátoru DCU 2 YPV 1100 2M 2S
Rozvodná skříň generátoru do 1100 V DC
k ochraně dvou vstupů MPP
a dvou stringů, stupeň krytí IP65
ukazatel poruchy
Rozvodná skříň generátoru podle DIN EN IEC 61439-2
Použití podle IEC 60364-7-712
Maximální FV napětí: <=1100 V dc
Jmenovitý svodový impulzní proud: (8/20) 20 kA
Celkový impulzní proud: (8/20) 40 kA
Ochranná úroveň: <= 4 kV
Zkratová pevnost Iscpv: 10 kA
Rozměry: 180 x 182 x 111 mm
Kabelový vstup: 4x trojnásobné šroubení (2,5 mm² – 6 mm² FV vodič)
Kabelový vstup: 2x M20 (16 mm²)

Výrobek: DEHN
Typ: DCU 2 YPV 1100 2M 2S
Obj. č.: 900923
nebo rovnocenný.

 

Technologie SCI

Patentovaná technologie SCI od firmy DEHN zajišťuje aktivní, rychlé a bezpečné uhašení elektrického oblouku v případě přetížení. Pojistka integrovaná ve zkratovacím impulzu vybaví ihned po přerušení vzniklého oblouku a zajistí bezpečné elektrické odpojení. Díky tomu poskytují všechny vodiče pro fotovoltaiku od firmy DEHN ochranu před účinky přepětí, požárem a zdraví v jednom přístroji.

Technické informace

SPD podle ČSN EN 61643-31 / ... IEC 61643-31 typ 2/Třída II
Max. svorkové napětí FV (UCPV ) 1100 V
Zkratová pevnost (ISCPV ) 10 kA
Jmenovitý impulzní proud (8/20 µs) [(DC+/DC-) --> PE] (In ) 20 kA
Maximální impulzní proud (8/20 µs) [(DC+/DC-) --> PE] (Imax ) 40 kA
Ochranná úroveň (UP ) ≤ 4 kV
Krytí IP 65

Produkt 900923 byl přidán na seznam.

K seznamu

Produkt 900923 byl přidán do nákupního košíku.


DEHNcube 2 YPV 1+2 1000 1M 2S FM

Rozvodná skříň generátoru pro fotovoltaické systémy do 1000 V DC se zkušební svorkou k ochraně jednoho vstupu MPP a dvou stringů.
S přepěťovou ochranou a push-in svorkami pro vstup a výstup.

1 Produkt

Obj. č. 900975 DCU 2 YPV 1+2 1000 1M 2S FM

GTIN 4013364520318, Číslo celního sazebníku (EU): 85371098, Váha brutto: 1.85 kg, Balící jednotka: 1.00 ks


Vyobrazení

Další informace

GAK DCU 2 YPV 1+2 1000 1M 2S FM
Rozvodná skříň generátoru do 1000 V DC
k ochraně jednoho vstupu MPP a
dvou stringů, stupeň krytí IP65
s kontaktem dálkové signalizace, ukazatelem poruchy
Rozvodná skříň generátoru podle DIN EN IEC 61439-2
Použití podle IEC 60364-7-712
Maximální FV napětí: <=1000 V DC
Jmenovitý svodový impulzní proud: (8/20) 20 kA
Celkový impulzní proud: (8/20) 40 kA
Ochranná úroveň: <= 3,8 kV
Zkratová pevnost Iscpv: 10 kA
Rozměry: 182 x 180 x 111 mm
Kabelový vstup: 2x trojnásobné šroubení
(2,5 mm² – 6 mm² FV vodič)
Kabelový vstup: 2x M20

Výrobek: DEHN
Typ: DCU 2 YPV 1+2 1000 1M 2S FM
Obj. č.: 900975
nebo rovnocenný.

Certifikáty

 

Technologie SCI

Patentovaná technologie SCI od firmy DEHN zajišťuje aktivní, rychlé a bezpečné uhašení elektrického oblouku v případě přetížení. Pojistka integrovaná ve zkratovacím impulzu vybaví ihned po přerušení vzniklého oblouku a zajistí bezpečné elektrické odpojení. Díky tomu poskytují všechny vodiče pro fotovoltaiku od firmy DEHN ochranu před účinky přepětí, požárem a zdraví v jednom přístroji.

Technické informace

SPD podle ČSN EN 61643-31 / ... IEC 61643-31 typ 1 + typ 2 / třída I + třída II
Max. svorkové napětí FV (UCPV ) 1000 V
Zkratová pevnost (ISCPV ) 10 kA
Jmenovitý impulzní proud (8/20 µs) [(DC+/DC-) --> PE] (In ) 20 kA
Maximální impulzní proud (8/20 µs) [(DC+/DC-) --> PE] (Imax ) 40 kA
Ochranná úroveň (UP ) ≤ 3,8 kV
Krytí IP 65

Produkt 900975 byl přidán na seznam.

K seznamu

Produkt 900975 byl přidán do nákupního košíku.


DEHNcube 2 YPV 1+2 1000 2M 2S FM

Rozvodná skříň generátoru pro fotovoltaické systémy do 1000 V DC se zkušební svorkou k ochraně dvou vstupů MPP a dvou stringů.
S přepěťovou ochranou a push-in svorkami pro vstup a výstup.

1 Produkt

Obj. č. 900976 DCU 2 YPV 1+2 1000 2M 2S FM

GTIN 4013364520295, Číslo celního sazebníku (EU): 85371098, Váha brutto: 2.69 kg, Balící jednotka: 1.00 ks


Vyobrazení

Další informace

Rozvodná skříň generátoru DCU 2 YPV 1+2 1000 2M 2S FM
Rozvodná skříň generátoru do 1000 V DC
k ochraně dvou vstupů MPP
a dvou stringů, stupeň krytí IP65
s kontaktem dálkové signalizace, ukazatelem poruchy
Rozvodná skříň generátoru podle DIN EN IEC 61439-2
Použití podle IEC 60364-7-712
Maximální FV napětí: <=1100 V dc
Jmenovitý svodový impulzní proud: (8/20) 20 kA
Celkový impulzní proud: (8/20) 40 kA
Ochranná úroveň: <= 3,8 kV
Zkratová pevnost Iscpv: 10 kA
Rozměry: 254 x 180 x 111 mm
Kabelový vstup: 4x trojnásobné šroubení
(2,5 mm² – 6 mm² FV vodič)
Kabelový vstup: 2x M20

Výrobek: DEHN
Typ: DCU 2 YPV 1+2 1000 2M 2S FM
Obj. č.: 900976
nebo rovnocenný.

Certifikáty

 

Technologie SCI

Patentovaná technologie SCI od firmy DEHN zajišťuje aktivní, rychlé a bezpečné uhašení elektrického oblouku v případě přetížení. Pojistka integrovaná ve zkratovacím impulzu vybaví ihned po přerušení vzniklého oblouku a zajistí bezpečné elektrické odpojení. Díky tomu poskytují všechny vodiče pro fotovoltaiku od firmy DEHN ochranu před účinky přepětí, požárem a zdraví v jednom přístroji.

Technické informace

SPD podle ČSN EN 61643-31 / ... IEC 61643-31 typ 1 + typ 2 / třída I + třída II
Max. svorkové napětí FV (UCPV ) 1000 V
Zkratová pevnost (ISCPV ) 10 kA
Jmenovitý impulzní proud (8/20 µs) [(DC+/DC-) --> PE] (In ) 20 kA
Maximální impulzní proud (8/20 µs) [(DC+/DC-) --> PE] (Imax ) 40 kA
Ochranná úroveň (UP ) ≤ 3,8 kV
Krytí IP 65

Produkt 900976 byl přidán na seznam.

K seznamu

Produkt 900976 byl přidán do nákupního košíku.


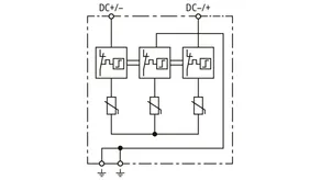
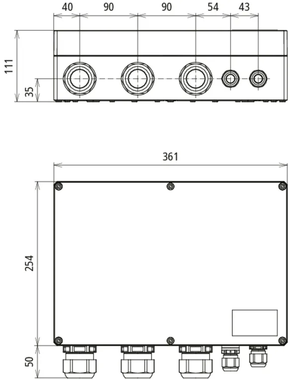
DEHNcube 2 YPV 1+2 1000 3M 2S FM

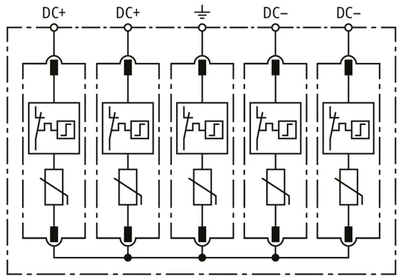
Rozvodná skříň generátoru pro fotovoltaické systémy do 1000 V DC se zkušebními svorkami k ochraně tří vstupů MPP a dvou stringů.
S přepěťovou ochranou a push-in svorkami pro vstup a výstup.

1 Produkt

Obj. č. 900978 DCU 2 YPV 1+2 1000 3M 2S FM

GTIN 4013364534766, Číslo celního sazebníku (EU): 85372091, Váha brutto: 4.19 kg, Balící jednotka: 1.00 ks


Vyobrazení

Další informace

GAK DCU 2 YPV 1+2 1000 3M 2S FM
Rozvodná skříň generátoru do 1000 V DC
k ochraně tří vstupů MPP a
dvou stringů, stupeň krytí IP65
s kontaktem dálkové signalizace, ukazatelem poruchy
Rozvodná skříň generátoru podle DIN EN IEC 61439-2
Použití podle IEC 60364-7-712
Maximální FV napětí: <=1000 V DC
In: (8/20) 20 kA / pól
Itotal: (10/350) 12,5 kA
Up: <= 3,8 kV
Zkratová pevnost Iscpv: 10 kA
Rozměry: 361 x 254 x 111 mm
Kabelový vstup: 3x šestinásobné šroubení
(2,5 mm² – 6 mm² FV vodič)
Kabelový vstup: 2x M20

Výrobek: DEHN
Typ: DCU 2 YPV 1+2 1000 3M 2S FM
Obj. č.: 900978
nebo rovnocenný.

Certifikáty

 

Technologie SCI

Patentovaná technologie SCI od firmy DEHN zajišťuje aktivní, rychlé a bezpečné uhašení elektrického oblouku v případě přetížení. Pojistka integrovaná ve zkratovacím impulzu vybaví ihned po přerušení vzniklého oblouku a zajistí bezpečné elektrické odpojení. Díky tomu poskytují všechny vodiče pro fotovoltaiku od firmy DEHN ochranu před účinky přepětí, požárem a zdraví v jednom přístroji.

Technické informace

SPD podle ČSN EN 61643-31 / ... IEC 61643-31 typ 1 + typ 2 / třída I + třída II
Max. svorkové napětí FV (UCPV ) 1000 V
Zkratová pevnost (ISCPV ) 10 kA
Jmenovitý impulzní proud (8/20 µs) [(DC+/DC-) --> PE] (In ) 20 kA
Maximální impulzní proud (8/20 µs) [(DC+/DC-) --> PE] (Imax ) 40 kA
Ochranná úroveň (UP ) ≤ 3,8 kV
Krytí IP 65

Produkt 900978 byl přidán na seznam.

K seznamu

Produkt 900978 byl přidán do nákupního košíku.


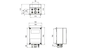
DEHNcube 2 YPV 1100 1M 1S MC4 FM

Rozvodná skříň generátoru pro fotovoltaické systémy do 1100 V DC k ochraně jednoho vstupu MPP a jednoho stringu.

1 Produkt

Obj. č. 900911 DCU 2 YPV 1100 1M 1S MC4 FM

GTIN 4013364529182, Číslo celního sazebníku (EU): 85372091, Váha brutto: 1027.00 g, Balící jednotka: 1.00 ks


Vyobrazení

Další informace

GAK DCU 2 YPV 1100 1M 1S MC4 FM
Rozvodná skříň generátoru do 1100 V DC
k ochraně jednoho vstupu MPP
a jednoho stringu, stupeň krytí IP65
s kontaktem dálkové signalizace, ukazatelem poruchy
Rozvodná skříň generátoru podle DIN EN IEC 61439-2
Použití podle IEC 60364-7-712
Maximální FV napětí: <=1100 V DC
Jmenovitý svodový impulzní proud: (8/20) 20 kA
Celkový impulzní proud: (8/20) 40 kA
Ochranná úroveň: <= 4 kV
Zkratová pevnost Iscpv: 10 kA
Rozměry: 180 x 130 x 111 mm
Typ připojení: připojovací konektor MC4 originál

Výrobek: DEHN
Typ: DCU 2 YPV 1100 1M 1S MC4 FM
Obj. č.: 900911
nebo rovnocenný.

Certifikáty

 

Technologie SCI

Patentovaná technologie SCI od firmy DEHN zajišťuje aktivní, rychlé a bezpečné uhašení elektrického oblouku v případě přetížení. Pojistka integrovaná ve zkratovacím impulzu vybaví ihned po přerušení vzniklého oblouku a zajistí bezpečné elektrické odpojení. Díky tomu poskytují všechny vodiče pro fotovoltaiku od firmy DEHN ochranu před účinky přepětí, požárem a zdraví v jednom přístroji.

Technické informace

SPD podle ČSN EN 61643-31 / ... IEC 61643-31 typ 2/Třída II
Max. svorkové napětí FV (UCPV ) 1100 V
Zkratová pevnost (ISCPV ) 10 kA
Jmenovitý impulzní proud (8/20 µs) [(DC+/DC-) --> PE] (In ) 20 kA
Maximální impulzní proud (8/20 µs) [(DC+/DC-) --> PE] (Imax ) 40 kA
Ochranná úroveň (UP ) ≤ 4 kV
Krytí IP 65

Produkt 900911 byl přidán na seznam.

K seznamu

Produkt 900911 byl přidán do nákupního košíku.


DEHNcube 2 YPV 1100 2M 1S MC4

Rozvodná skříň generátoru pro fotovoltaické systémy do 1100 V DC k ochraně dvou vstupů MPP a jednoho stringu.

1 Produkt

Obj. č. 900924 DCU 2 YPV 1100 2M 1S MC4

GTIN 4013364529205, Číslo celního sazebníku (EU): 85372091, Váha brutto: 1963.00 g, Balící jednotka: 1.00 ks


Vyobrazení

Další informace

GAK DCU 2 YPV 1100 2M 1S MC4
Rozvodná skříň generátoru do 1100 V DC
k ochraně dvou vstupů MPP
a jednoho stringu, stupeň krytí IP65
ukazatel poruchy
Rozvodná skříň generátoru podle DIN EN IEC 61439-2
Použití podle IEC 60364-7-712
Maximální FV napětí: <=1100 V DC
Jmenovitý svodový impulzní proud: (8/20) 20 kA
Celkový impulzní proud: (8/20) 40 kA
Ochranná úroveň: <= 4 kV
Zkratová pevnost Iscpv: 10 kA
Rozměry: 180 x 180 x 111 mm
Typ připojení: připojovací konektor MC4 originál

Výrobek: DEHN
Typ: DCU 2 YPV 1100 2M 1S MC4
Obj. č.: 900924
nebo rovnocenný.

Certifikáty

 

Technologie SCI

Patentovaná technologie SCI od firmy DEHN zajišťuje aktivní, rychlé a bezpečné uhašení elektrického oblouku v případě přetížení. Pojistka integrovaná ve zkratovacím impulzu vybaví ihned po přerušení vzniklého oblouku a zajistí bezpečné elektrické odpojení. Díky tomu poskytují všechny vodiče pro fotovoltaiku od firmy DEHN ochranu před účinky přepětí, požárem a zdraví v jednom přístroji.

Technické informace

SPD podle ČSN EN 61643-31 / ... IEC 61643-31 typ 2/Třída II
Max. svorkové napětí FV (UCPV ) 1100 V
Zkratová pevnost (ISCPV ) 10 kA
Jmenovitý impulzní proud (8/20 µs) [(DC+/DC-) --> PE] (In ) 20 kA
Maximální impulzní proud (8/20 µs) [(DC+/DC-) --> PE] (Imax ) 40 kA
Ochranná úroveň (UP ) ≤ 4 kV
Krytí IP 65

Produkt 900924 byl přidán na seznam.

K seznamu

Produkt 900924 byl přidán do nákupního košíku.


DEHNcube 2 YPV 1100 3M 1S MC4 FM

Rozvodná skříň generátoru pro fotovoltaické systémy do 1100 V DC k ochraně tří vstupů MPP a jednoho stringu.

1 Produkt

Obj. č. 900931 DCU 2 YPV 1100 3M 1S MC4 FM

GTIN 4013364534742, Číslo celního sazebníku (EU): 85372091, Váha brutto: 2.63 kg, Balící jednotka: 1.00 ks


Vyobrazení

Další informace

GAK DCU 2 YPV 1100 3M 1S MC4 FM
Rozvodná skříň generátoru do 1100 V DC
k ochraně tří vstupů MPP
a jednoho stringu, stupeň krytí IP65
s kontaktem dálkové signalizace, ukazatelem poruchy
Rozvodná skříň generátoru podle DIN EN IEC 61439-2
Použití podle IEC 60364-7-712
Maximální FV napětí: <=1100 V DC
In: (8/20) 20 kA / pól
Itotal: (8/20) 40 kA
Up: <= 4 kV
Zkratová pevnost Iscpv: 10 kA
Rozměry: 254 x 180 x 111 mm
Typ připojení: připojovací konektor MC4 originál

Výrobek: DEHN
Typ: DCU 2 YPV 1100 3M 1S MC4 FM
Obj. č.: 900931
nebo rovnocenný.

Certifikáty

 

Technologie SCI

Patentovaná technologie SCI od firmy DEHN zajišťuje aktivní, rychlé a bezpečné uhašení elektrického oblouku v případě přetížení. Pojistka integrovaná ve zkratovacím impulzu vybaví ihned po přerušení vzniklého oblouku a zajistí bezpečné elektrické odpojení. Díky tomu poskytují všechny vodiče pro fotovoltaiku od firmy DEHN ochranu před účinky přepětí, požárem a zdraví v jednom přístroji.

Technické informace

SPD podle ČSN EN 61643-31 / ... IEC 61643-31 typ 2/Třída II
Max. svorkové napětí FV (UCPV ) 1100 V
Zkratová pevnost (ISCPV ) 10 kA
Jmenovitý impulzní proud (8/20 µs) [(DC+/DC-) --> PE] (In ) 20 kA
Maximální impulzní proud (8/20 µs) [(DC+/DC-) --> PE] (Imax ) 40 kA
Ochranná úroveň (UP ) ≤ 4 kV
Krytí IP 65

Produkt 900931 byl přidán na seznam.

K seznamu

Produkt 900931 byl přidán do nákupního košíku.


DEHNcube 2 YPV 1+2 1200 1M 1S MC4

Rozvodná skříň generátoru pro fotovoltaické systémy do 1200 V DC k ochraně jednoho vstupu MPP a jednoho stringu.

1 Produkt

Obj. č. 900985 DCU 2 YPV 1+2 1200 1M 1S MC4

GTIN 4013364529199, Číslo celního sazebníku (EU): 85372091, Váha brutto: 1169.00 g, Balící jednotka: 1.00 ks


Vyobrazení

Další informace

GAK DCU 2 YPV 1+2 1200 1M 1S MC4
Rozvodná skříň generátoru do 1200 V DC
k ochraně jednoho vstupu MPP
a jednoho stringu, stupeň krytí IP65
ukazatel poruchy
Rozvodná skříň generátoru podle DIN EN IEC 61439-2
Použití podle IEC 60364-7-712
Maximální FV napětí: <=1200 V DC
In: (8/20) 20 kA / pól
Itotal: (10/350) 12,5 kA
Up: <= 3,8 kV
Zkratová pevnost Iscpv: 10 kA
Rozměry: 180 x 130 x 111 mm
Typ připojení: připojovací konektor MC4 originál

Výrobek: DEHN
Typ: DCU 2 YPV 1+2 1200 1M 1S MC4
Obj. č.: 900985
nebo rovnocenný.

Certifikáty

 

Technologie SCI

Patentovaná technologie SCI od firmy DEHN zajišťuje aktivní, rychlé a bezpečné uhašení elektrického oblouku v případě přetížení. Pojistka integrovaná ve zkratovacím impulzu vybaví ihned po přerušení vzniklého oblouku a zajistí bezpečné elektrické odpojení. Díky tomu poskytují všechny vodiče pro fotovoltaiku od firmy DEHN ochranu před účinky přepětí, požárem a zdraví v jednom přístroji.

Technické informace

SPD podle ČSN EN 61643-31 / ... IEC 61643-31 typ 1 + typ 2/Třída I + Třída II
Zkratová pevnost (ISCPV ) 10 kA
Ochranná úroveň (UP ) < 3,8 kV
Krytí IP 65

Produkt 900985 byl přidán na seznam.

K seznamu

Produkt 900985 byl přidán do nákupního košíku.


DEHNcube 2 YPV 1+2 1200 2M 1S MC4

Rozvodná skříň generátoru pro fotovoltaické systémy do 1200 V DC k ochraně dvou vstupů MPP a jednoho stringu.

1 Produkt

Obj. č. 900986 DCU 2 YPV 1+2 1200 2M 1S MC4

GTIN 4013364529212, Číslo celního sazebníku (EU): 85372091, Váha brutto: 2.76 kg, Balící jednotka: 1.00 ks


Vyobrazení

Další informace

GAK DCU 2 YPV 1+2 1200 2M 1S MC4
Rozvodná skříň generátoru do 1200 V DC
k ochraně dvou vstupů MPP
a jednoho stringu, stupeň krytí IP65
ukazatel poruchy
Rozvodná skříň generátoru podle DIN EN IEC 61439-2
Použití podle IEC 60364-7-712
Maximální FV napětí: <=1200 V DC
In: (8/20) 20 kA / pól
Itotal: (10/350) 12,5 kA
Up: <= 3,8 kV
Zkratová pevnost Iscpv: 10 kA
Rozměry: 254 x 180 x 111 mm
Typ připojení: připojovací konektor MC4 originál

Výrobek: DEHN
Typ: DCU 2 YPV 1+2 1200 2M 1S MC4
Obj. č.: 900986
nebo rovnocenný.

Certifikáty

 

Technologie SCI

Patentovaná technologie SCI od firmy DEHN zajišťuje aktivní, rychlé a bezpečné uhašení elektrického oblouku v případě přetížení. Pojistka integrovaná ve zkratovacím impulzu vybaví ihned po přerušení vzniklého oblouku a zajistí bezpečné elektrické odpojení. Díky tomu poskytují všechny vodiče pro fotovoltaiku od firmy DEHN ochranu před účinky přepětí, požárem a zdraví v jednom přístroji.

Technické informace

SPD podle ČSN EN 61643-31 / ... IEC 61643-31 typ 1 + typ 2/Třída I + Třída II
Zkratová pevnost (ISCPV ) 10 kA
Ochranná úroveň (UP ) < 3,8 kV
Krytí IP 65

Produkt 900986 byl přidán na seznam.

K seznamu

Produkt 900986 byl přidán do nákupního košíku.


DEHNcube 2 YPV 1+2 1200 2M 2S MC4

Rozvodná skříň generátoru pro fotovoltaické systémy do 1200 V DC k ochraně dvou vstupů MPP a dvou stringů.

1 Produkt

Obj. č. 900987 DCU 2 YPV 1+2 1200 2M 2S MC4

GTIN 4013364534735, Číslo celního sazebníku (EU): 85372091, Váha brutto: 2.74 kg, Balící jednotka: 1.00 ks


Vyobrazení

Další informace

GAK DCU 2 YPV 1+2 1200 2M 2S MC4
Rozvodná skříň generátoru do 1200 V DC
k ochraně dvou vstupů MPP
a dvou stringů, stupeň krytí IP65
ukazatel poruchy
Rozvodná skříň generátoru podle DIN EN IEC 61439-2
Použití podle IEC 60364-7-712
Maximální FV napětí: <=1200 V DC
In: (8/20) 20 kA / pól
Itotal: (10/350) 12,5 kA
Up: <= 3,8 kV
Zkratová pevnost Iscpv: 10 kA
Rozměry: 254 x 180 x 111 mm
Typ připojení: připojovací konektor MC4 originál

Výrobek: DEHN
Typ: DCU 2 YPV 1+2 1200 2M 2S MC4
Obj. č.: 900987
nebo rovnocenný.

Certifikáty

 

Technologie SCI

Patentovaná technologie SCI od firmy DEHN zajišťuje aktivní, rychlé a bezpečné uhašení elektrického oblouku v případě přetížení. Pojistka integrovaná ve zkratovacím impulzu vybaví ihned po přerušení vzniklého oblouku a zajistí bezpečné elektrické odpojení. Díky tomu poskytují všechny vodiče pro fotovoltaiku od firmy DEHN ochranu před účinky přepětí, požárem a zdraví v jednom přístroji.

Technické informace

SPD podle ČSN EN 61643-31 / ... IEC 61643-31 typ 1 + typ 2/Třída I + Třída II
Zkratová pevnost (ISCPV ) 10 kA
Ochranná úroveň (UP ) < 3,8 kV
Krytí IP 65

Produkt 900987 byl přidán na seznam.

K seznamu

Produkt 900987 byl přidán do nákupního košíku.


DEHNcube 2 YPV 1+2 1200 3M 1S MC4

Rozvodná skříň generátoru pro fotovoltaické systémy do 1200 V DC k ochraně tří vstupů MPP a jednoho stringu.

1 Produkt

Obj. č. 900988 DCU 2 YPV 1+2 1200 3M 1S MC4 FM

GTIN 4013364534759, Číslo celního sazebníku (EU): 85372091, Váha brutto: 3.70 kg, Balící jednotka: 1.00 ks


Vyobrazení

Další informace

GAK DCU 2 YPV 1200 3M 1S MC4 FM
Rozvodná skříň generátoru do 1200 V DC
k ochraně tří vstupů MPP
a jednoho stringu, stupeň krytí IP65
s kontaktem dálkové signalizace, ukazatelem poruchy
Rozvodná skříň generátoru podle DIN EN IEC 61439-2
Použití podle IEC 60364-7-712
Maximální FV napětí: <=1200 V DC
In: (8/20) 20 kA / pól
Itotal: (10/350) 12,5 kA
Up: <= 3,8 kV
Zkratová pevnost Iscpv: 10 kA
Rozměry: 361 x 254 x 111 mm
Typ připojení: připojovací konektor MC4 originál

Výrobek: DEHN
Typ: DCU 2 YPV 1+2 1200 3M 1S MC4 FM
Obj. č.: 900988
nebo rovnocenný.

Certifikáty

 

Technologie SCI

Patentovaná technologie SCI od firmy DEHN zajišťuje aktivní, rychlé a bezpečné uhašení elektrického oblouku v případě přetížení. Pojistka integrovaná ve zkratovacím impulzu vybaví ihned po přerušení vzniklého oblouku a zajistí bezpečné elektrické odpojení. Díky tomu poskytují všechny vodiče pro fotovoltaiku od firmy DEHN ochranu před účinky přepětí, požárem a zdraví v jednom přístroji.

Technické informace

SPD podle ČSN EN 61643-31 / ... IEC 61643-31 typ 1 + typ 2/Třída I + Třída II
Zkratová pevnost (ISCPV ) 10 kA
Ochranná úroveň (UP ) < 3,8 kV
Krytí IP 65

Produkt 900988 byl přidán na seznam.

K seznamu

Produkt 900988 byl přidán do nákupního košíku.


back to top