DEHNcombo

  • Kompletně zapojený kombinovaný svodič typ 1 + typ 2 pro fotovoltaické střídače
  • Osvědčené zapojení do Y zabraňuje škodám na svodičích přepětí při poruše izolace v obvodech FV střídače
  • Jmenovité napětí je stejné pro všechny chráněné dráhy, svodič je tedy možno použít i v uzemněných systémech
  • Navržené rozměry přístroje optimalizují prostor potřebný pro instalaci svodiče až do 1500 V DC pouze na šířku 4 jednotek
  • Svodič je testován podle ČSN EN 61643-31 a ČSN EN 50539-11
  • Instalace ve všech fotovoltaických systémech podle IEC 60364-7-712/ČSN 33 2000-7-712
  • Funkční stav nebo porucha je signalizována zeleným/červeným terčíkem v signalizačním poli

DEHNcombo YPV ...

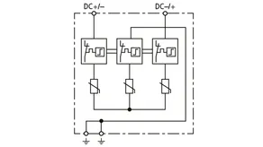
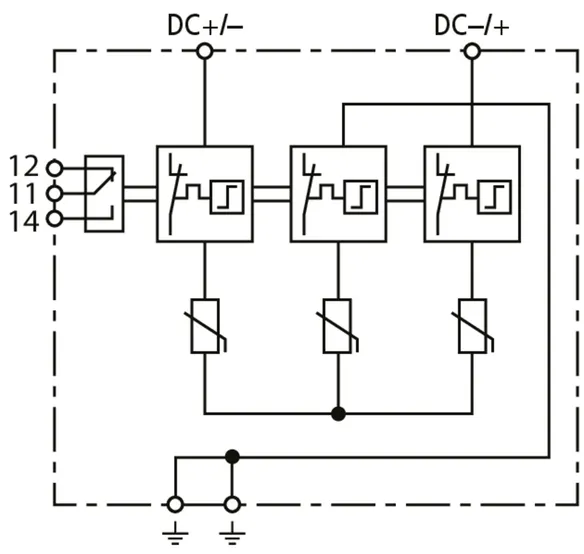
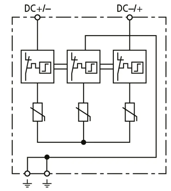
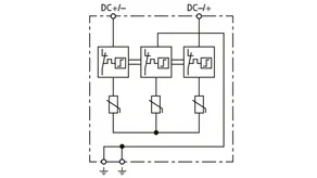
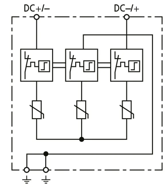
Kombinovaný svodič pro fotovoltaické aplikace až do 1500 V DC.

2 Produkty

Obj. č. 900070 DCB YPV 1200

GTIN 6942299504521, Číslo celního sazebníku (EU): 85354000, Váha brutto: 639.16 g, Balící jednotka: 1.00 ks

Staré provedení

Vyobrazení

Další informace

Kombinovaný svodič DEHNcombo YPV 1200
vícepólový kombinovaný svodič typ 1 + typ 2
pro fotovoltaické (střídače nebo jiné FV zdroje) aplikace až do 1200 V DC
s třístupňovým DC odpojovacím zařízením, šířka 4TE
svodič typ 1 + typ 2 podle ČSN EN 50539-11
instalace podle IEC 60364-7-712
kombinované odpojovací a zkratovací zařízení
ukazatel poruchy
maximální svorkové napětí: <= 1200 V dc
celkový impulzní proud: 12,5 kA
ochranná úroveň: <= 3,8 kV
zkratová pevnost Iscpv: 10 kA

Výrobek: DEHN
Typ: DCB YPV 1200
Obj. č.: 900070
nebo rovnocenný.

Certifikáty

 

Technologie SCI

Patentovaná technologie SCI od firmy DEHN zajišťuje aktivní, rychlé a bezpečné uhašení elektrického oblouku v případě přetížení. Pojistka integrovaná ve zkratovacím impulzu vybaví ihned po přerušení vzniklého oblouku a zajistí bezpečné elektrické odpojení. Díky tomu poskytují všechny vodiče pro fotovoltaiku od firmy DEHN ochranu před účinky přepětí, požárem a zdraví v jednom přístroji.

Technické informace

SPD podle ČSN EN 61643-31 / ... IEC 61643-31 typ 1 + typ 2/Třída I + Třída II
Max. svorkové napětí FV [DC+ -> DC-] (UCPV ) ≤ 1200 V
Zkratová pevnost (ISCPV ) 10 kA
Celkový impulzní proud (10/350 µs) [DC+/DC- -> PE] (Itotal ) 12,5 kA
Bleskový proud (10/350 µs) [DC+ -> PE/DC- -> PE] (Iimp ) 6,25 kA
Ochranná úroveň [(DC+/DC-) -> PE] (UP ) < 3,8 kV
Certifikace KEMA, UL

Produkt 900070 byl přidán na seznam.

K seznamu

Produkt 900070 byl přidán do nákupního košíku.

Obj. č. 900071 DCB YPV 1500

GTIN 6942299504545, Číslo celního sazebníku (EU): 85354000, Váha brutto: 636.22 g, Balící jednotka: 1.00 ks

Staré provedení

Vyobrazení

Další informace

Kombinovaný svodič DEHNcombo YPV 1500
vícepólový kombinovaný svodič typ 1 + typ 2
pro fotovoltaické (střídače nebo jiné FV zdroje) aplikace až do 1500 V DC
s třístupňovým DC odpojovacím zařízením, šířka 4TE
svodič typ 1 + typ 2 podle ČSN EN 50539-11
instalace podle IEC 60364-7-712
kombinované odpojovací a zkratovací zařízení
ukazatel poruchy
maximální svorkové napětí: <= 1500 V dc
celkový impulzní proud: 12,5 kA
ochranná úroveň: <= 4,5 kV
zkratová pevnost Iscpv: 10 kA

Výrobek: DEHN
Typ: DCB YPV 1500
Obj. č.: 900071
nebo rovnocenný.

Certifikáty

 

Technologie SCI

Patentovaná technologie SCI od firmy DEHN zajišťuje aktivní, rychlé a bezpečné uhašení elektrického oblouku v případě přetížení. Pojistka integrovaná ve zkratovacím impulzu vybaví ihned po přerušení vzniklého oblouku a zajistí bezpečné elektrické odpojení. Díky tomu poskytují všechny vodiče pro fotovoltaiku od firmy DEHN ochranu před účinky přepětí, požárem a zdraví v jednom přístroji.

Technické informace

SPD podle ČSN EN 61643-31 / ... IEC 61643-31 typ 1 + typ 2/Třída I + Třída II
Max. svorkové napětí FV [DC+ -> DC-] (UCPV ) ≤ 1500 V
Zkratová pevnost (ISCPV ) 10 kA
Celkový impulzní proud (10/350 µs) [DC+/DC- -> PE] (Itotal ) 12,5 kA
Bleskový proud (10/350 µs) [DC+ -> PE/DC- -> PE] (Iimp ) 6,25 kA
Ochranná úroveň [(DC+/DC-) -> PE] (UP ) < 4,5 kV
Certifikace KEMA, UL

Produkt 900071 byl přidán na seznam.

K seznamu

Produkt 900071 byl přidán do nákupního košíku.


DEHNcombo YPV ... FM

Kombinovaný svodič pro fotovoltaické aplikace až do 1500 V DC; s bezpotenciálovým kontaktem dálkové signalizace.

2 Produkty

Obj. č. 900075 DCB YPV 1200 FM

GTIN 6942299504538, Číslo celního sazebníku (EU): 85354000, Váha brutto: 587.94 g, Balící jednotka: 1.00 ks

Staré provedení

Vyobrazení

Další informace

Kombinovaný svodič DEHNcombo YPV 1200 FM
vícepólový kombinovaný svodič typ 1 + typ 2
pro fotovoltaické (střídače nebo jiné FV zdroje) aplikace až do 1200 V DC
s třístupňovým DC odpojovacím zařízením, šířka 4TE
svodič typ 1 + typ 2 podle ČSN EN 50539-11
instalace podle IEC 60364-7-712
kombinované odpojovací a zkratovací zařízení
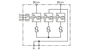
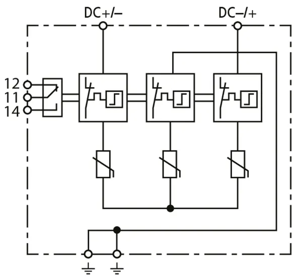
s kontaktem dálkové signalizace
ukazatel poruchy
maximální svorkové napětí: <= 1200 V dc
celkový impulzní proud: 12,5 kA
ochranná úroveň: <= 3,8 kV
zkratová pevnost Iscpv: 10 kA

Výrobek: DEHN
Typ: DCB YPV 1200 FM
Obj. č.: 900075
nebo rovnocenný.

Certifikáty

 

Technologie SCI

Patentovaná technologie SCI od firmy DEHN zajišťuje aktivní, rychlé a bezpečné uhašení elektrického oblouku v případě přetížení. Pojistka integrovaná ve zkratovacím impulzu vybaví ihned po přerušení vzniklého oblouku a zajistí bezpečné elektrické odpojení. Díky tomu poskytují všechny vodiče pro fotovoltaiku od firmy DEHN ochranu před účinky přepětí, požárem a zdraví v jednom přístroji.

Technické informace

SPD podle ČSN EN 61643-31 / ... IEC 61643-31 typ 1 + typ 2/Třída I + Třída II
Max. svorkové napětí FV [DC+ -> DC-] (UCPV ) ≤ 1200 V
Zkratová pevnost (ISCPV ) 10 kA
Celkový impulzní proud (10/350 µs) [DC+/DC- -> PE] (Itotal ) 12,5 kA
Bleskový proud (10/350 µs) [DC+ -> PE/DC- -> PE] (Iimp ) 6,25 kA
Ochranná úroveň [(DC+/DC-) -> PE] (UP ) < 3,8 kV
Certifikace KEMA, UL
Kontakt dálkové signalizace/typ kontaktu přepínač

Produkt 900075 byl přidán na seznam.

K seznamu

Produkt 900075 byl přidán do nákupního košíku.

Obj. č. 900076 DCB YPV 1500 FM

GTIN 6942299504552, Číslo celního sazebníku (EU): 85354000, Váha brutto: 638.51 g, Balící jednotka: 1.00 ks

Staré provedení

Vyobrazení

Další informace

Kombinovaný svodič DEHNcombo YPV 1500 FM
vícepólový kombinovaný svodič typ 1 + typ 2
pro fotovoltaické (střídače nebo jiné FV zdroje) aplikace až do 1500 V DC
s třístupňovým DC odpojovacím zařízením, šířka 4TE
svodič typ 1 + typ 2 podle ČSN EN 50539-11
instalace podle IEC 60364-7-712
kombinované odpojovací a zkratovací zařízení
s kontaktem dálkové signalizace
ukazatel poruchy
maximální svorkové napětí: <= 1500 V dc
celkový impulzní proud: 12,5 kA
ochranná úroveň: <= 4,5 kV
zkratová pevnost Iscpv: 10 kA

Výrobek: DEHN
Typ: DCB YPV 1500 FM
Obj. č.: 900076
nebo rovnocenný.

Certifikáty

 

Technologie SCI

Patentovaná technologie SCI od firmy DEHN zajišťuje aktivní, rychlé a bezpečné uhašení elektrického oblouku v případě přetížení. Pojistka integrovaná ve zkratovacím impulzu vybaví ihned po přerušení vzniklého oblouku a zajistí bezpečné elektrické odpojení. Díky tomu poskytují všechny vodiče pro fotovoltaiku od firmy DEHN ochranu před účinky přepětí, požárem a zdraví v jednom přístroji.

Technické informace

SPD podle ČSN EN 61643-31 / ... IEC 61643-31 typ 1 + typ 2/Třída I + Třída II
Max. svorkové napětí FV [DC+ -> DC-] (UCPV ) ≤ 1500 V
Zkratová pevnost (ISCPV ) 10 kA
Celkový impulzní proud (10/350 µs) [DC+/DC- -> PE] (Itotal ) 12,5 kA
Bleskový proud (10/350 µs) [DC+ -> PE/DC- -> PE] (Iimp ) 6,25 kA
Ochranná úroveň [(DC+/DC-) -> PE] (UP ) < 4,5 kV
Certifikace KEMA, UL
Kontakt dálkové signalizace/typ kontaktu přepínač

Produkt 900076 byl přidán na seznam.

K seznamu

Produkt 900076 byl přidán do nákupního košíku.


back to top