Podpůrné trubky pro vodiče HVI power/HVI power long

Podpůrná trubka s vnitřním připojením a vnitřní pružinovou PA svorkou.

S krátkou jímací tyčí

Podpůrná trubka s vnitřním připojením a vnitřní pružinovou PA svorkou.
Jímací tyč (nerez/Al), Ø 10 mm, délka 1000 mm.

4 Produkty

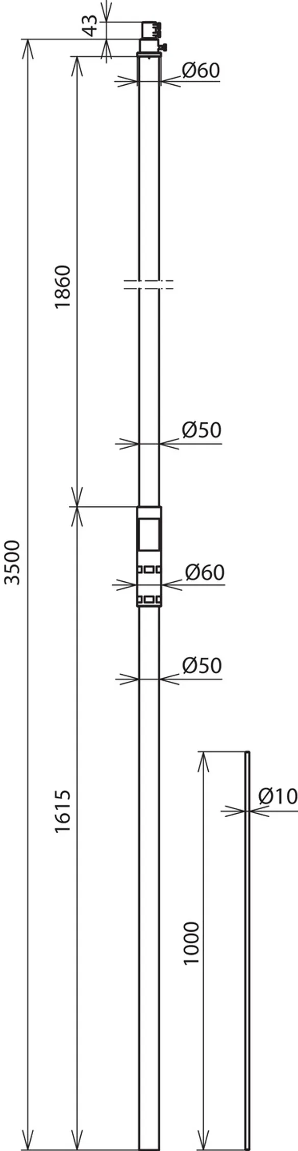
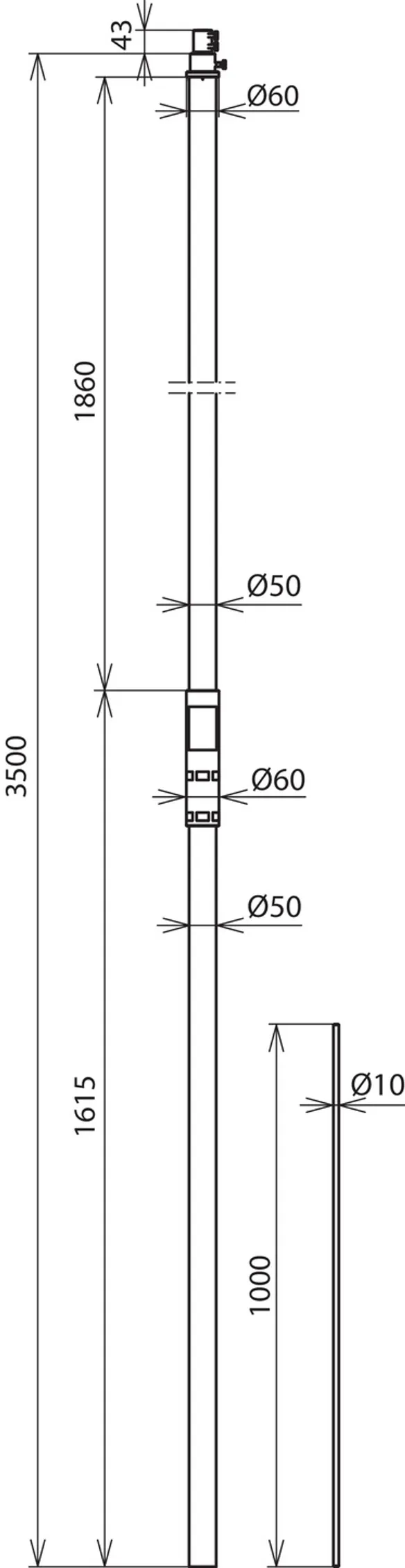
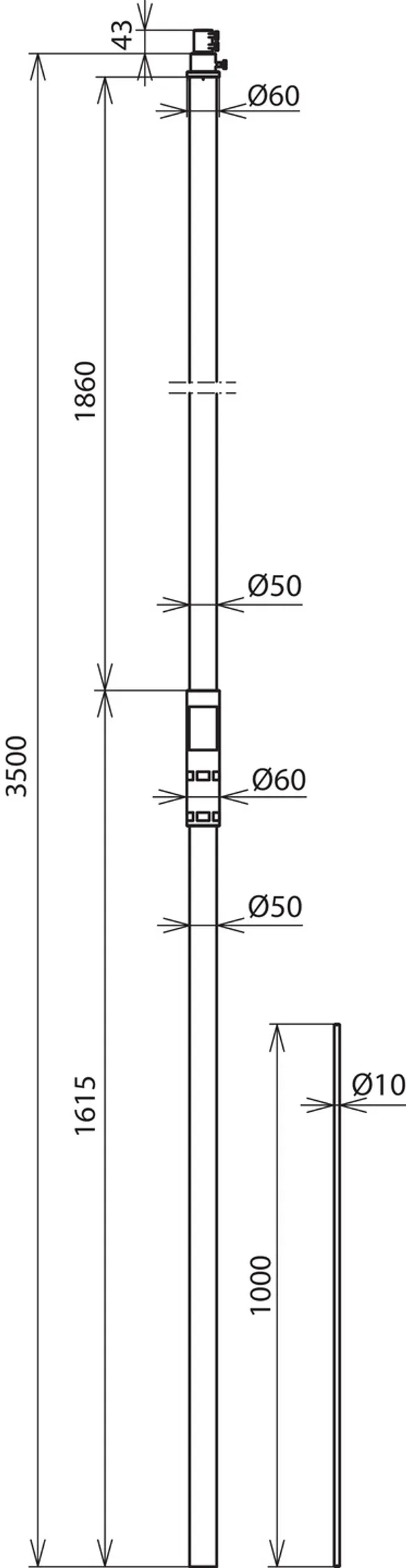
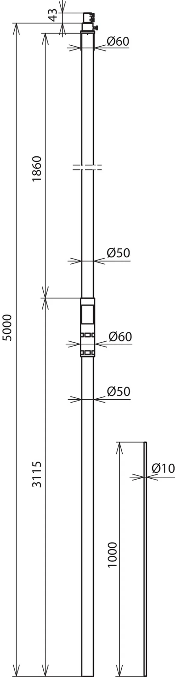
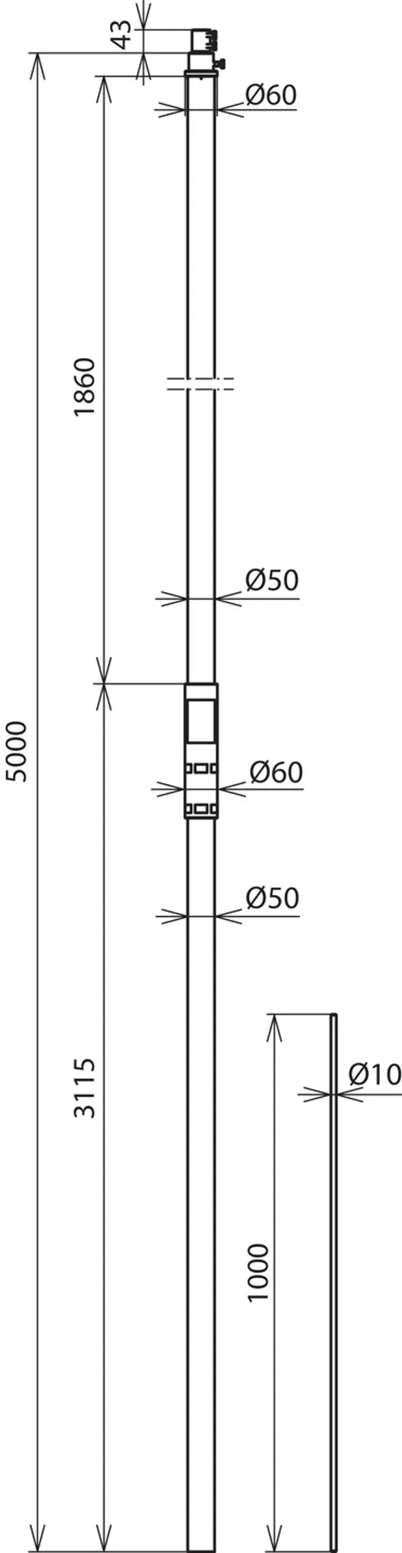
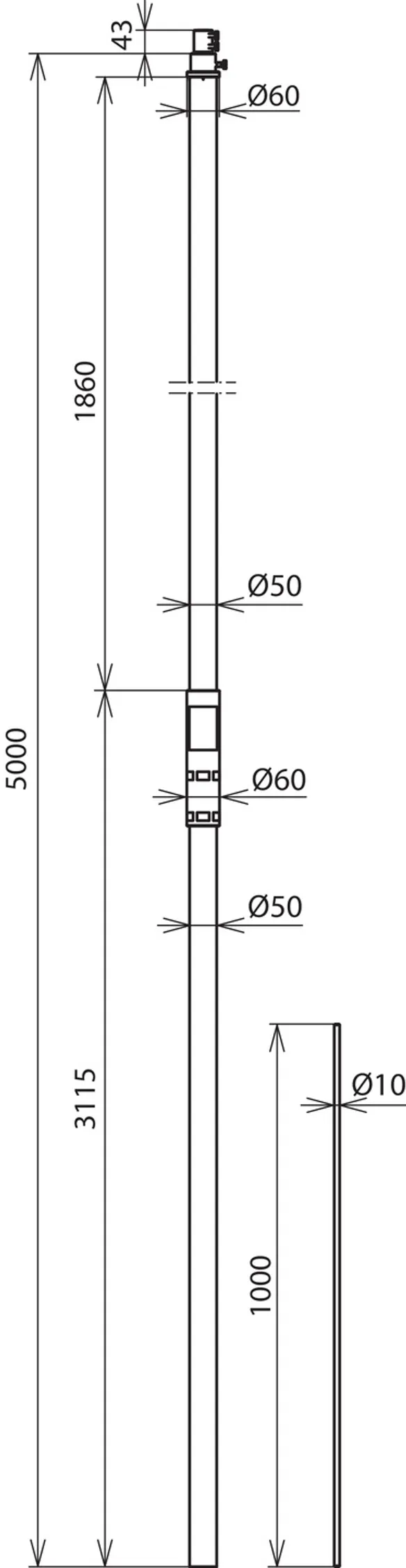
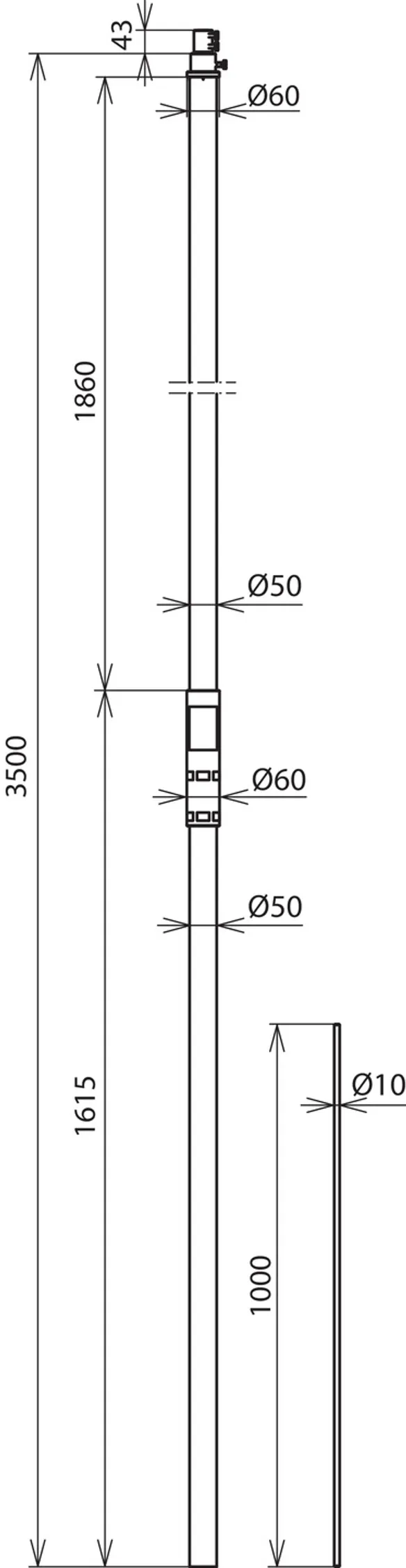
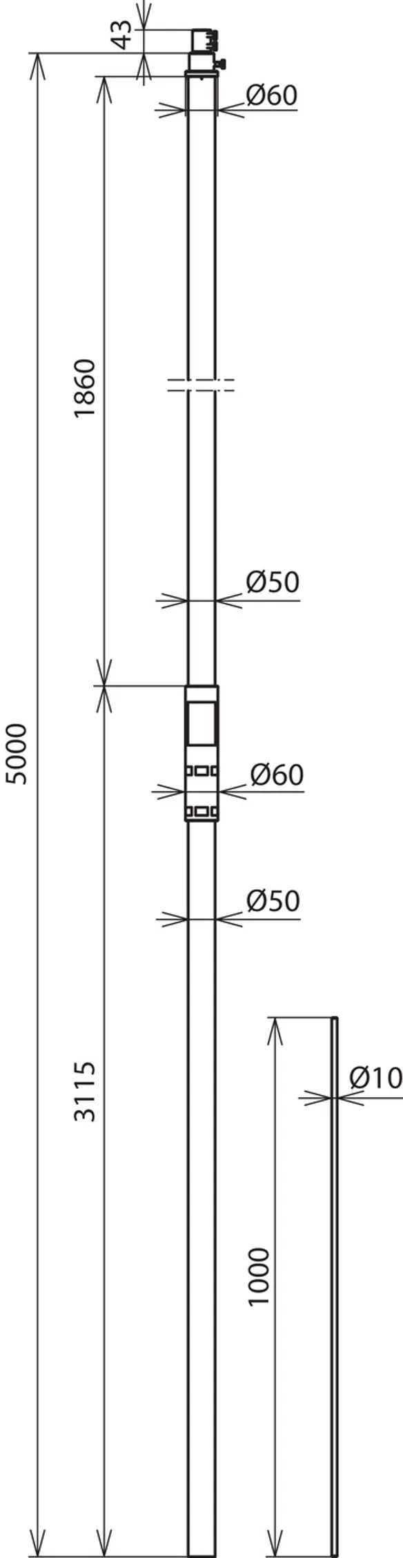
Obj. č. 105563 SR D50 3500 FSP1000 IA HVIP GFK AL

GTIN 4013364271937, Číslo celního sazebníku (EU): 85389099, Váha brutto: 5.70 kg, Balící jednotka: 1.00 ks


Vyobrazení

Další informace

Podpůrná trubka pro vodič HVI power, s jímací tyčí, délka 3500 mm, GFK/Al
Podpůrná trubka GFK/Al s vnitřním připojením
a pružinovou PA svorkou, pro vodiče HVI power,
pro dodržení dostatečné vzdálenosti vůči
elektrickým a vodivým částem
podle ČSN EN 62305-3.
Podpůrné trubky jsou dimenzovány podle Eurocode 1 (ČSN EN 1991-1-4 + ČSN EN 1991-1-4/NA).
Z umělé hmoty vyztužené skleněnými vlákny (glasfaserverstärkte Kunststoff GFK)
koeficient materiálu km = 0,7
barva světle šedá, s UV odolností, jednodílné provedení,
kombinované s jímací tyčí Ø 10 mm, délka 1000 mm, hliník
Materiál podpůrné trubky: GFK/Al
Délka podpůrné trubky: 3500 mm
Vnější průměr: 50 mm
Max. volná délka s jímací tyčí (montáž na stěnu): 3500 mm
Max. rychlost nárazového větru: (max. volná délka 3500 mm, 1x HVI power vnitřní) 201 km/h
Max. rychlost nárazového větru: (max. volná délka 3500 mm, 1x HVI power vnější) 190 km/h
Norma: DIN IEC/TS 62561-8 (VDE V 0185-561-8)

Výrobek: DEHN
Typ: SR D50 3500 FSP1000 IA HVIP GFK AL
Obj. č.: 105563
nebo rovnocenný.

Certifikáty

 

Technické informace

Materiál podpůrné trubky GFK/ Al
Délka podpůrné trubky 3500 mm
Vnější průměr 50 mm
Přepravní délka 3500 mm
Délka izolační části 1800 mm
Určeno pro uložení vně trubky ano
Max. volná délka s jímací tyčí (montáž na stěnu) 3500 mm
Norma DIN IEC/TS 62561-8 (VDE V 0185-561-8)

Produkt 105563 byl přidán na seznam.

K seznamu

Produkt 105563 byl přidán do nákupního košíku.

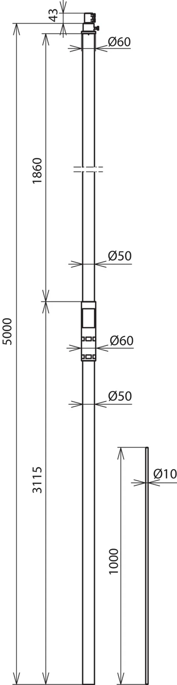
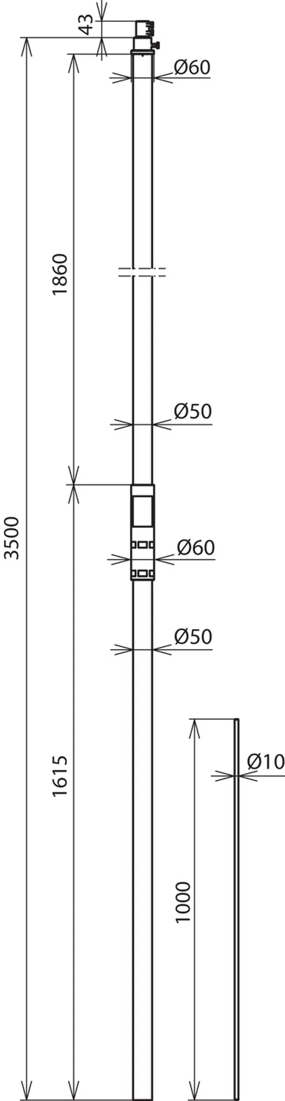
Obj. č. 105565 SR D50 5000 FSP1000 IA HVIP GFK AL

GTIN 4013364271944, Číslo celního sazebníku (EU): 85389099, Váha brutto: 8.10 kg, Balící jednotka: 1.00 ks


Vyobrazení

Další informace

Podpůrná trubka pro vodič HVI power, s jímací tyčí, délka 5000 mm, GFK/Al
Podpůrná trubka GFK/Al s vnitřním připojením
a pružinovou PA svorkou, pro vodiče HVI power,
pro dodržení dostatečné vzdálenosti vůči
elektrickým a vodivým částem
podle ČSN EN 62305-3.
Podpůrné trubky jsou dimenzovány podle Eurocode 1 (ČSN EN 1991-1-4 + ČSN EN 1991-1-4/NA).
Z umělé hmoty vyztužené skleněnými vlákny (glasfaserverstärkte Kunststoff GFK)
koeficient materiálu km = 0,7
barva světle šedá, s UV odolností, jednodílné provedení,
kombinované s jímací tyčí Ø 10 mm, délka 1000 mm, hliník
Materiál podpůrné trubky: GFK/Al
Délka podpůrné trubky: 5000 mm
Vnější průměr: 50 mm
Max. volná délka s jímací tyčí (montáž na stěnu): 4000 mm
Max. rychlost nárazového větru: (max. volná délka 4000 mm, 1x HVI power vnitřní) 201 km/h
Max. rychlost nárazového větru: (max. volná délka 4000 mm, 1x HVI power vnější) 180 km/h
Norma: DIN IEC/TS 62561-8 (VDE V 0185-561-8)

Výrobek: DEHN
Typ: SR D50 5000 FSP1000 IA HVIP GFK AL
Obj. č.: 105565
nebo rovnocenný.

 

Technické informace

Materiál podpůrné trubky GFK/ Al
Délka podpůrné trubky 5000 mm
Vnější průměr 50 mm
Přepravní délka 5000 mm
Délka izolační části 1800 mm
Určeno pro uložení vně trubky ano
Max. volná délka s jímací tyčí (montáž na stěnu) 4000 mm
Norma DIN IEC/TS 62561-8 (VDE V 0185-561-8)

Produkt 105565 byl přidán na seznam.

K seznamu

Produkt 105565 byl přidán do nákupního košíku.

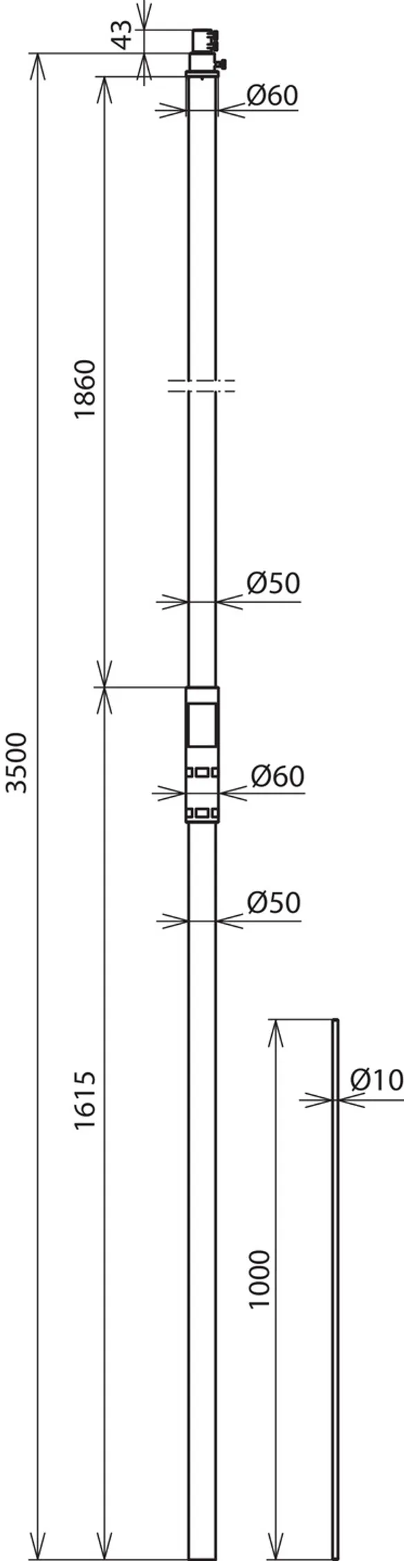
Obj. č. 105320 SR D50 3500 FSP1000 IP HVIP GFK V2A

GTIN 4013364152373, Číslo celního sazebníku (EU): 85389099, Váha brutto: 10.60 kg, Balící jednotka: 1.00 ks


Vyobrazení

Další informace

Podpůrná trubka pro vodič HVI power, s jímací tyčí, délka 3500 mm, GFK/nerez
Podpůrná trubka GFK/nerez s vnitřním připojením
a pružinovou PA svorkou, pro vodiče HVI power,
pro dodržení dostatečné vzdálenosti vůči
elektrickým a vodivým částem
podle ČSN EN 62305-3.
Podpůrné trubky jsou dimenzovány podle Eurocode 1 (ČSN EN 1991-1-4 + ČSN EN 1991-1-4/NA).
Z umělé hmoty vyztužené skleněnými vlákny (glasfaserverstärkte Kunststoff GFK)
koeficient materiálu km = 0,7
barva světle šedá, s UV odolností, jednodílné provedení,
kombinované s jímací tyčí Ø 10 mm, délka 1000 mm, nerez
Materiál podpůrné trubky: GFK/nerez
Délka podpůrné trubky: 3500 mm
Vnější průměr: 50 mm
Max. volná délka s jímací tyčí (montáž na stěnu): 3500 mm
Max. rychlost nárazového větru: (max. volná délka 3500 mm, 1x HVI power vnitřní) 234 km/h
Norma: DIN IEC/TS 62561-8 (VDE V 0185-561-8)

Výrobek: DEHN
Typ: SR D50 3500 FSP1000 IP HVIP GFK V2A
Obj. č.: 105320
nebo rovnocenný.

Certifikáty

 

Technické informace

Materiál podpůrné trubky GFK/ nerez
Délka podpůrné trubky 3500 mm
Vnější průměr 50 mm
Přepravní délka 3500 mm
Délka izolační části 1800 mm
Určeno pro uložení vně trubky ne
Max. volná délka s jímací tyčí (montáž na stěnu) 3500 mm
Norma DIN IEC/TS 62561-8 (VDE V 0185-561-8)

Produkt 105320 byl přidán na seznam.

K seznamu

Produkt 105320 byl přidán do nákupního košíku.

Obj. č. 105322 SR D50 5000 FSP1000 IP HVIP GFK V2A

GTIN 4013364152380, Číslo celního sazebníku (EU): 85389099, Váha brutto: 15.80 kg, Balící jednotka: 1.00 ks


Vyobrazení

Další informace

Podpůrná trubka pro vodič HVI power, s jímací tyčí, délka 5000 mm, GFK/nerez
Podpůrná trubka GFK/nerez s vnitřním připojením
a pružinovou PA svorkou, pro vodiče HVI power,
pro dodržení dostatečné vzdálenosti vůči
elektrickým a vodivým částem
podle ČSN EN 62305-3.
Podpůrné trubky jsou dimenzovány podle Eurocode 1 (ČSN EN 1991-1-4 + ČSN EN 1991-1-4/NA).
Z umělé hmoty vyztužené skleněnými vlákny (glasfaserverstärkte Kunststoff GFK)
koeficient materiálu km = 0,7
barva světle šedá, s UV odolností, jednodílné provedení,
kombinované s jímací tyčí Ø 10 mm, délka 1000 mm, nerez
Materiál podpůrné trubky: GFK/nerez
Délka podpůrné trubky: 5000 mm
Vnější průměr: 50 mm
Max. volná délka s jímací tyčí (montáž na stěnu): 4000 mm
Max. rychlost nárazového větru: (max. volná délka 4000 mm, 1x HVI power vnitřní) 232 km/h
Norma: DIN IEC/TS 62561-8 (VDE V 0185-561-8)

Výrobek: DEHN
Typ: SR D50 5000 FSP1000 IP HVIP GFK V2A
Obj. č.: 105322
nebo rovnocenný.

Certifikáty

 

Technické informace

Materiál podpůrné trubky GFK/ nerez
Délka podpůrné trubky 5000 mm
Vnější průměr 50 mm
Přepravní délka 5000 mm
Délka izolační části 1800 mm
Určeno pro uložení vně trubky ne
Max. volná délka s jímací tyčí (montáž na stěnu) 4000 mm
Norma DIN IEC/TS 62561-8 (VDE V 0185-561-8)

Produkt 105322 byl přidán na seznam.

K seznamu

Produkt 105322 byl přidán do nákupního košíku.


S dlouhou jímací tyčí

Podpůrná trubka s vnitřním připojením a vnitřní pružinovou PA svorkou.
Jímací tyč (Al/nerez) Ø 22 / 16 / 10 mm, délka 2500 mm.

4 Produkty

Obj. č. 105573 SR D50 3500 FS2500 IA HVIP GFK AL

GTIN 4013364271975, Číslo celního sazebníku (EU): 85389099, Váha brutto: 6.56 kg, Balící jednotka: 1.00 ks


Vyobrazení

Další informace

Podpůrná trubka pro vodič HVI power, s jímací tyčí, délka 3500 mm, GFK/Al
Podpůrná trubka GFK/Al s vnitřním připojením
a pružinovou PA svorkou, pro vodiče HVI power,
pro dodržení dostatečné vzdálenosti vůči
elektrickým a vodivým částem
podle ČSN EN 62305-3.
Podpůrné trubky jsou dimenzovány podle Eurocode 1 (ČSN EN 1991-1-4 + ČSN EN 1991-1-4/NA).
Z umělé hmoty vyztužené skleněnými vlákny (glasfaserverstärkte Kunststoff GFK)
koeficient materiálu km = 0,7
barva světle šedá, s UV odolností, jednodílné provedení,
kombinované s jímací tyčí Ø 22 / 16 / 10 mm, délka 2500 mm, hliník
Materiál podpůrné trubky: GFK/Al
Délka podpůrné trubky: 3500 mm
Vnější průměr: 50 mm
Max. volná délka s jímací tyčí (montáž na stěnu): 5000 mm
Max. rychlost nárazového větru: (max. volná délka 5000 mm, 1x HVI power vnitřní) 168 km/h
Max. rychlost nárazového větru: (max. volná délka 5000 mm, 1x HVI power vnější) 144 km/h
Norma: DIN IEC/TS 62561-8 (VDE V 0185-561-8)

Výrobek: DEHN
Typ: SR D50 3500 FS2500 IA HVIP GFK AL
Obj. č.: 105573
nebo rovnocenný.

Certifikáty

 

Technické informace

Materiál podpůrné trubky GFK/ Al
Délka podpůrné trubky 3500 mm
Vnější průměr 50 mm
Přepravní délka 3500 mm
Délka izolační části 1800 mm
Určeno pro uložení vně trubky ano
Max. volná délka s jímací tyčí (montáž na stěnu) 5000 mm
Norma DIN IEC/TS 62561-8 (VDE V 0185-561-8)

Produkt 105573 byl přidán na seznam.

K seznamu

Produkt 105573 byl přidán do nákupního košíku.

Obj. č. 105575 SR D50 5000 FS2500 IA HVIP GFK AL

GTIN 4013364272026, Číslo celního sazebníku (EU): 85389099, Váha brutto: 8.90 kg, Balící jednotka: 1.00 ks


Vyobrazení

Další informace

Podpůrná trubka pro vodič HVI power, s jímací tyčí, délka 5000 mm, GFK/Al
Podpůrná trubka GFK/Al s vnitřním připojením
a pružinovou PA svorkou, pro vodiče HVI power,
pro dodržení dostatečné vzdálenosti vůči
elektrickým a vodivým částem
podle ČSN EN 62305-3.
Podpůrné trubky jsou dimenzovány podle Eurocode 1 (ČSN EN 1991-1-4 + ČSN EN 1991-1-4/NA).
Z umělé hmoty vyztužené skleněnými vlákny (glasfaserverstärkte Kunststoff GFK)
koeficient materiálu km = 0,7
barva světle šedá, s UV odolností, jednodílné provedení,
kombinované s jímací tyčí Ø 22 / 16 / 10 mm, délka 2500 mm, hliník
Materiál podpůrné trubky: GFK/Al
Délka podpůrné trubky: 5000 mm
Vnější průměr: 50 mm
Max. volná délka s jímací tyčí (montáž na stěnu): 5500 mm
Max. rychlost nárazového větru: (max. volná délka 5500 mm, 1x HVI power vnitřní) 163 km/h
Max. rychlost nárazového větru: (max. volná délka 5500 mm, 1x HVI power vnější) 140 km/h
Norma: DIN IEC/TS 62561-8 (VDE V 0185-561-8)

Výrobek: DEHN
Typ: SR D50 5000 FS2500 IA HVIP GFK AL
Obj. č.: 105575
nebo rovnocenný.

Certifikáty

 

Technické informace

Materiál podpůrné trubky GFK/ Al
Délka podpůrné trubky 5000 mm
Vnější průměr 50 mm
Přepravní délka 5000 mm
Délka izolační části 1800 mm
Určeno pro uložení vně trubky ano
Max. volná délka s jímací tyčí (montáž na stěnu) 5500 mm
Norma DIN IEC/TS 62561-8 (VDE V 0185-561-8)

Produkt 105575 byl přidán na seznam.

K seznamu

Produkt 105575 byl přidán do nákupního košíku.

Obj. č. 105321 SR D50 3500 FS22 10 2500 IP HVIP GFK V2A

GTIN 4013364152397, Číslo celního sazebníku (EU): 85389099, Váha brutto: 12.20 kg, Balící jednotka: 1.00 ks


Vyobrazení

Další informace

Podpůrná trubka pro vodič HVI power, s jímací tyčí, délka 3500 mm, GFK/nerez
Podpůrná trubka GFK/nerez s vnitřním připojením
a pružinovou PA svorkou, pro vodiče HVI power,
pro dodržení dostatečné vzdálenosti vůči
elektrickým a vodivým částem
podle ČSN EN 62305-3.
Podpůrné trubky jsou dimenzovány podle Eurocode 1 (ČSN EN 1991-1-4 + ČSN EN 1991-1-4/NA).
Z umělé hmoty vyztužené skleněnými vlákny (glasfaserverstärkte Kunststoff GFK)
koeficient materiálu km = 0,7
barva světle šedá, s UV odolností, jednodílné provedení,
kombinované s jímací tyčí Ø 22 / 16 / 10 mm, délka 2500 mm, nerez
Materiál podpůrné trubky: GFK/nerez
Délka podpůrné trubky: 3500 mm
Vnější průměr: 50 mm
Max. volná délka s jímací tyčí (montáž na stěnu): 5000 mm
Max. rychlost nárazového větru: (max. volná délka 5000 mm, 1x HVI power vnitřní) 163 km/h
Norma: DIN IEC/TS 62561-8 (VDE V 0185-561-8)

Výrobek: DEHN
Typ: SR D50 3500 FS22 10 2500 IP HVIP GFK V2A
Obj. č.: 105321
nebo rovnocenný.

Certifikáty

 

Technické informace

Materiál podpůrné trubky GFK/ nerez
Délka podpůrné trubky 3500 mm
Vnější průměr 50 mm
Přepravní délka 3500 mm
Délka izolační části 1800 mm
Určeno pro uložení vně trubky ne
Max. volná délka s jímací tyčí (montáž na stěnu) 5000 mm
Norma DIN IEC/TS 62561-8 (VDE V 0185-561-8)

Produkt 105321 byl přidán na seznam.

K seznamu

Produkt 105321 byl přidán do nákupního košíku.

Obj. č. 105323 SR D50 5000 FS22 10 2500 IP HVIP GFK V2A

GTIN 4013364152403, Číslo celního sazebníku (EU): 85389099, Váha brutto: 16.30 kg, Balící jednotka: 1.00 ks


Vyobrazení

Další informace

Podpůrná trubka pro vodič HVI power, s jímací tyčí, délka 5000 mm, GFK/nerez
Podpůrná trubka GFK/nerez s vnitřním připojením
a pružinovou PA svorkou, pro vodiče HVI power,
pro dodržení dostatečné vzdálenosti vůči
elektrickým a vodivým částem
podle ČSN EN 62305-3.
Podpůrné trubky jsou dimenzovány podle Eurocode 1 (ČSN EN 1991-1-4 + ČSN EN 1991-1-4/NA).
Z umělé hmoty vyztužené skleněnými vlákny (glasfaserverstärkte Kunststoff GFK)
koeficient materiálu km = 0,7
barva světle šedá, s UV odolností, jednodílné provedení,
kombinované s jímací tyčí Ø 22 / 16 / 10 mm, délka 2500 mm, nerez
Materiál podpůrné trubky: GFK/nerez
Délka podpůrné trubky: 5000 mm
Vnější průměr: 50 mm
Max. volná délka s jímací tyčí (montáž na stěnu): 5500 mm
Max. rychlost nárazového větru: (max. volná délka 5500 mm, 1x HVI power vnitřní) 159 km/h
Norma: DIN IEC/TS 62561-8 (VDE V 0185-561-8)

Výrobek: DEHN
Typ: SR D50 5000 FS22 10 2500 IP HVIP GFK V2A
Obj. č.: 105323
nebo rovnocenný.

Certifikáty

 

Technické informace

Materiál podpůrné trubky GFK/ nerez
Délka podpůrné trubky 5000 mm
Vnější průměr 50 mm
Přepravní délka 5000 mm
Délka izolační části 1800 mm
Určeno pro uložení vně trubky ne
Max. volná délka s jímací tyčí (montáž na stěnu) 5500 mm
Norma DIN IEC/TS 62561-8 (VDE V 0185-561-8)

Produkt 105323 byl přidán na seznam.

K seznamu

Produkt 105323 byl přidán do nákupního košíku.


S krátkou jímací tyčí a stranovým vývodem

Podpůrná trubka s vnitřním připojením a vnitřní pružinovou PA svorkou.
Jímací hrot (Al/nerez), Ø 10 mm, délka 1000 mm.

4 Produkty

Obj. č. 105513 SR D50 3500 FSP1000 IA SA HVIP GFK AL

GTIN 4013364270282, Číslo celního sazebníku (EU): 85389099, Váha brutto: 5.50 kg, Balící jednotka: 1.00 ks


Vyobrazení

Další informace

Podpůrná trubka pro vodič HVI power, se stranovým vývodem, GFK/Al
Podpůrná trubka GFK/Al s vnitřním připojením
a pružinovou PA svorkou, pro vodiče HVI power,
pro dodržení dostatečné vzdálenosti vůči
elektrickým a vodivým částem
podle ČSN EN 62305-3.
Podpůrné trubky jsou dimenzovány podle Eurocode 1 (ČSN EN 1991-1-4 + ČSN EN 1991-1-4/NA).
Z umělé hmoty vyztužené skleněnými vlákny (glasfaserverstärkte Kunststoff GFK)
koeficient materiálu km = 0,7
barva světle šedá, s UV odolností, jednodílné provedení,
kombinované s jímací tyčí Ø 10 mm, délka 1000 mm, hliník
Materiál podpůrné trubky: GFK/Al
Délka podpůrné trubky: 3500 mm
Vnější průměr: 50 mm
Norma: DIN IEC/TS 62561-8 (VDE V 0185-561-8)

Výrobek: DEHN
Typ: SR D50 3500 FSP1000 IA SA HVIP GFK AL
Obj. č.: 105513
nebo rovnocenný.

Certifikáty

 

Technické informace

Materiál podpůrné trubky GFK/ Al
Délka podpůrné trubky 3500 mm
Vnější průměr 50 mm
Přepravní délka 3500 mm
Délka izolační části 1800 mm
Určeno pro uložení vně trubky ano
Norma DIN IEC/TS 62561-8 (VDE V 0185-561-8)

Produkt 105513 byl přidán na seznam.

K seznamu

Produkt 105513 byl přidán do nákupního košíku.

Obj. č. 105515 SR D50 5000 FSP1000 IA SA HVIP GFK AL

GTIN 4013364271821, Číslo celního sazebníku (EU): 85389099, Váha brutto: 8.00 kg, Balící jednotka: 1.00 ks


Vyobrazení

Další informace

Podpůrná trubka pro vodič HVI power, se stranovým vývodem, GFK/Al
Podpůrná trubka GFK/Al s vnitřním připojením
a pružinovou PA svorkou, pro vodiče HVI power,
pro dodržení dostatečné vzdálenosti vůči
elektrickým a vodivým částem
podle ČSN EN 62305-3.
Podpůrné trubky jsou dimenzovány podle Eurocode 1 (ČSN EN 1991-1-4 + ČSN EN 1991-1-4/NA).
Z umělé hmoty vyztužené skleněnými vlákny (glasfaserverstärkte Kunststoff GFK)
koeficient materiálu km = 0,7
barva světle šedá, s UV odolností, jednodílné provedení,
kombinované s jímací tyčí Ø 10 mm, délka 1000 mm, hliník
Materiál podpůrné trubky: GFK/Al
Délka podpůrné trubky: 5000 mm
Vnější průměr: 50 mm
Norma: DIN IEC/TS 62561-8 (VDE V 0185-561-8)

Výrobek: DEHN
Typ: SR D50 5000 FSP1000 IA SA HVIP GFK AL
Obj. č.: 105515
nebo rovnocenný.

Certifikáty

 

Technické informace

Materiál podpůrné trubky GFK/ Al
Délka podpůrné trubky 5000 mm
Vnější průměr 50 mm
Přepravní délka 5000 mm
Délka izolační části 1800 mm
Určeno pro uložení vně trubky ano
Norma DIN IEC/TS 62561-8 (VDE V 0185-561-8)

Produkt 105515 byl přidán na seznam.

K seznamu

Produkt 105515 byl přidán do nákupního košíku.

Obj. č. 105392 SR D50 3500 FS1000 IP SA HVIP GFK V2A

GTIN 4013364157903, Číslo celního sazebníku (EU): 85389099, Váha brutto: 10.20 kg, Balící jednotka: 1.00 ks


Vyobrazení

Další informace

Podpůrná trubka pro vodič HVI power, se stranovým vývodem, GFK/nerez
Podpůrná trubka GFK/nerez s vnitřním připojením
a pružinovou PA svorkou, pro vodiče HVI power,
pro dodržení dostatečné vzdálenosti vůči
elektrickým a vodivým částem
podle ČSN EN 62305-3.
Podpůrné trubky jsou dimenzovány podle Eurocode 1 (ČSN EN 1991-1-4 + ČSN EN 1991-1-4/NA).
Z umělé hmoty vyztužené skleněnými vlákny (glasfaserverstärkte Kunststoff GFK)
koeficient materiálu km = 0,7
barva světle šedá, s UV odolností, jednodílné provedení,
kombinované s jímací tyčí Ø 10 mm, délka 1000 mm, nerez
Materiál podpůrné trubky: GFK/nerez
Délka podpůrné trubky: 3500 mm
Vnější průměr: 50 mm
Norma: DIN IEC/TS 62561-8 (VDE V 0185-561-8)

Výrobek: DEHN
Typ: SR D50 3500 FS1000 IP SA HVIP GFK V2A
Obj. č.: 105392
nebo rovnocenný.

Certifikáty

 

Technické informace

Materiál podpůrné trubky GFK/ nerez
Délka podpůrné trubky 3500 mm
Vnější průměr 50 mm
Přepravní délka 3500 mm
Délka izolační části 1800 mm
Určeno pro uložení vně trubky ne
Norma DIN IEC/TS 62561-8 (VDE V 0185-561-8)

Produkt 105392 byl přidán na seznam.

K seznamu

Produkt 105392 byl přidán do nákupního košíku.

Obj. č. 105394 SR D50 5000 FS1000 IP SA HVIP GFK V2A

GTIN 4013364157910, Číslo celního sazebníku (EU): 85389099, Váha brutto: 15.10 kg, Balící jednotka: 1.00 ks


Vyobrazení

Další informace

Podpůrná trubka pro vodič HVI power, se stranovým vývodem, GFK/nerez
Podpůrná trubka GFK/nerez s vnitřním připojením
a pružinovou PA svorkou, pro vodiče HVI power,
pro dodržení dostatečné vzdálenosti vůči
elektrickým a vodivým částem
podle ČSN EN 62305-3.
Podpůrné trubky jsou dimenzovány podle Eurocode 1 (ČSN EN 1991-1-4 + ČSN EN 1991-1-4/NA).
Z umělé hmoty vyztužené skleněnými vlákny (glasfaserverstärkte Kunststoff GFK)
koeficient materiálu km = 0,7
barva světle šedá, s UV odolností, jednodílné provedení,
kombinované s jímací tyčí Ø 10 mm, délka 1000 mm, nerez
Materiál podpůrné trubky: GFK/nerez
Délka podpůrné trubky: 5000 mm
Vnější průměr: 50 mm
Norma: DIN IEC/TS 62561-8 (VDE V 0185-561-8)

Výrobek: DEHN
Typ: SR D50 5000 FS1000 IP SA HVIP GFK V2A
Obj. č.: 105394
nebo rovnocenný.

Certifikáty

 

Technické informace

Materiál podpůrné trubky GFK/ nerez
Délka podpůrné trubky 5000 mm
Vnější průměr 50 mm
Přepravní délka 5000 mm
Délka izolační části 1800 mm
Určeno pro uložení vně trubky ne
Norma DIN IEC/TS 62561-8 (VDE V 0185-561-8)

Produkt 105394 byl přidán na seznam.

K seznamu

Produkt 105394 byl přidán do nákupního košíku.


S dlouhou jímací tyčí a stranovým vývodem

Podpůrná trubka s vnitřním připojením a vnitřní pružinovou PA svorkou.
Jímací tyč (Al/nerez) Ø 22 / 16 / 10 mm, délka 2500 mm.

3 Produkty

Obj. č. 105543 SR D50 3500 FS2500 IA SA HVIP GFK AL

GTIN 4013364271845, Číslo celního sazebníku (EU): 85389099, Váha brutto: 6.40 kg, Balící jednotka: 1.00 ks


Vyobrazení

Další informace

Podpůrná trubka pro vodič HVI power, se stranovým vývodem, GFK/Al
Podpůrná trubka GFK/Al s vnitřním připojením
a pružinovou PA svorkou, pro vodiče HVI power,
pro dodržení dostatečné vzdálenosti vůči
elektrickým a vodivým částem
podle ČSN EN 62305-3.
Podpůrné trubky jsou dimenzovány podle Eurocode 1 (ČSN EN 1991-1-4 + ČSN EN 1991-1-4/NA).
Z umělé hmoty vyztužené skleněnými vlákny (glasfaserverstärkte Kunststoff GFK)
koeficient materiálu km = 0,7
barva světle šedá, s UV odolností, jednodílné provedení,
kombinované s jímací tyčí Ø 22 / 16 / 10 mm, délka 2500 mm, hliník
Materiál podpůrné trubky: GFK/Al
Délka podpůrné trubky: 3500 mm
Vnější průměr: 50 mm
Norma: DIN IEC/TS 62561-8 (VDE V 0185-561-8)

Výrobek: DEHN
Typ: SR D50 3500 FS2500 IA SA HVIP GFK AL
Obj. č.: 105543
nebo rovnocenný.

Certifikáty

 

Technické informace

Materiál podpůrné trubky GFK/ Al
Délka podpůrné trubky 3500 mm
Vnější průměr 50 mm
Přepravní délka 3500 mm
Délka izolační části 1800 mm
Určeno pro uložení vně trubky ano
Norma DIN IEC/TS 62561-8 (VDE V 0185-561-8)

Produkt 105543 byl přidán na seznam.

K seznamu

Produkt 105543 byl přidán do nákupního košíku.

Obj. č. 105545 SR D50 5000 FS2500 IA SA HVIP GFK AL

GTIN 4013364271876, Číslo celního sazebníku (EU): 85389099, Váha brutto: 8.90 kg, Balící jednotka: 1.00 ks


Vyobrazení

Další informace

Podpůrná trubka pro vodič HVI power, se stranovým vývodem, GFK/Al
Podpůrná trubka GFK/Al s vnitřním připojením
a pružinovou PA svorkou, pro vodiče HVI power,
pro dodržení dostatečné vzdálenosti vůči
elektrickým a vodivým částem
podle ČSN EN 62305-3.
Podpůrné trubky jsou dimenzovány podle Eurocode 1 (ČSN EN 1991-1-4 + ČSN EN 1991-1-4/NA).
Z umělé hmoty vyztužené skleněnými vlákny (glasfaserverstärkte Kunststoff GFK)
koeficient materiálu km = 0,7
barva světle šedá, s UV odolností, jednodílné provedení,
kombinované s jímací tyčí Ø 22 / 16 / 10 mm, délka 2500 mm, hliník
Materiál podpůrné trubky: GFK/Al
Délka podpůrné trubky: 5000 mm
Vnější průměr: 50 mm
Norma: DIN IEC/TS 62561-8 (VDE V 0185-561-8)

Výrobek: DEHN
Typ: SR D50 5000 FS2500 IA SA HVIP GFK AL
Obj. č.: 105545
nebo rovnocenný.

Certifikáty

 

Technické informace

Materiál podpůrné trubky GFK/ Al
Délka podpůrné trubky 5000 mm
Vnější průměr 50 mm
Přepravní délka 5000 mm
Délka izolační části 1800 mm
Určeno pro uložení vně trubky ano
Norma DIN IEC/TS 62561-8 (VDE V 0185-561-8)

Produkt 105545 byl přidán na seznam.

K seznamu

Produkt 105545 byl přidán do nákupního košíku.

Obj. č. 105395 SR D50 5000 FS2500 IP SA HVIP GFK V2A

GTIN 4013364157934, Číslo celního sazebníku (EU): 85389099, Váha brutto: 17.12 kg, Balící jednotka: 1.00 ks


Vyobrazení

Další informace

Podpůrná trubka pro vodič HVI power, se stranovým vývodem, GFK/nerez
Podpůrná trubka GFK/nerez s vnitřním připojením
a pružinovou PA svorkou, pro vodiče HVI power,
pro dodržení dostatečné vzdálenosti vůči
elektrickým a vodivým částem
podle ČSN EN 62305-3.
Podpůrné trubky jsou dimenzovány podle Eurocode 1 (ČSN EN 1991-1-4 + ČSN EN 1991-1-4/NA).
Z umělé hmoty vyztužené skleněnými vlákny (glasfaserverstärkte Kunststoff GFK)
koeficient materiálu km = 0,7
barva světle šedá, s UV odolností, jednodílné provedení,
kombinované s jímací tyčí Ø 22 / 16 / 10 mm, délka 2500 mm, nerez
Materiál podpůrné trubky: GFK/nerez
Délka podpůrné trubky: 5000 mm
Vnější průměr: 50 mm
Norma: DIN IEC/TS 62561-8 (VDE V 0185-561-8)

Výrobek: DEHN
Typ: SR D50 5000 FS2500 IP SA HVIP GFK V2A
Obj. č.: 105395
nebo rovnocenný.

Certifikáty

 

Technické informace

Materiál podpůrné trubky GFK/ nerez
Délka podpůrné trubky 5000 mm
Vnější průměr 50 mm
Přepravní délka 5000 mm
Délka izolační části 1800 mm
Určeno pro uložení vně trubky ne
Norma DIN IEC/TS 62561-8 (VDE V 0185-561-8)

Produkt 105395 byl přidán na seznam.

K seznamu

Produkt 105395 byl přidán do nákupního košíku.


back to top