Čítač blesků

Chytrý čítač blesků pro bezpotenciálové zaznamenávání počtu a času (datum výskytu s časovým razítkem) svodových proudů.
Při provozu na baterie (samostatně, bez síťového zdroje) s lokálním ukládáním dat a zobrazením na displeji.
Při síťovém provozu s volitelnou komunikací (Modbus RTU) mezi elektroměrem a externím řídicím centrem.

Čítač blesků IPC P4

1 Produkt

Obj. č. 910513 IPC P4

GTIN 6942299506310, Číslo celního sazebníku (EU): 90291000, Váha brutto: 180.20 g, Balící jednotka: 1.00 ks


Vyobrazení

Další informace

Čítač blesků IPC P4
Čítač při provozu na baterie (pouze interní úložiště) nebo
s externím napájením 9–36 V DC (komunikace s řídicím centrem)
bezpotenciálová registrace počtu impulzů
svedených přepěťovou ochranou
Senzor k upevnění na uzemňovacího vedení svodiče
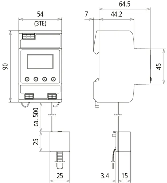
propojovací kroucená dvoulinka pro propojení senzoru s čítačem: délka 0,5 m
Minimální hodnota impulzního výbojového proudu (10/350 µs): 1 kA
Mezní hodnota impulzního výbojového proudu (10/350 µs): 100 kA
Minimální hodnota výbojového proudu (8/20 µs): 1 kA
Mezní hodnota výbojového proudu (8/20 µs): 100 kA
Displej OLED
elektronické počítadlo 0... 999
Montáž na instalační lištu 35 mm podle EN 60715

Výrobek: DEHN
Typ: IPC P4
Obj. č.: 910513
nebo rovnocenný.

Certifikáty

 

Technické informace

Čítač impulzů podle GB/T 33588.6 a EN/IEC 62561-6 Typ I + typ II
Mezní hodnota impulzního výbojového proudu (10/350 µs) (Iimp max ) 100 kA
Minimální hodnota impulzního výbojového proudu (10/350 µs) (Iimp min ) 1 kA
Mezní hodnota výbojového proudu (8/20 µs) (In max ) 100 kA
Minimální hodnota výbojového proudu (8/20 µs) (In min ) 1 kA
Displej OLED elektronické počítadlo 0–999
Napájení baterie lithiová s oxidem manganičitým nebo 9–36 V DC
Resetovací tlačítko tlačítka na přístroji (např. pro vynulování hodnoty čítače na 0) nebo vzdálený přístup
Rozměry: senzor 25 mm x 25 mm x 15 mm
Příslušenství (součást dodávky) Senzor s integrovaným upevňovacím třmenem

Produkt 910513 byl přidán na seznam.

K seznamu

Produkt 910513 byl přidán do nákupního košíku.


back to top