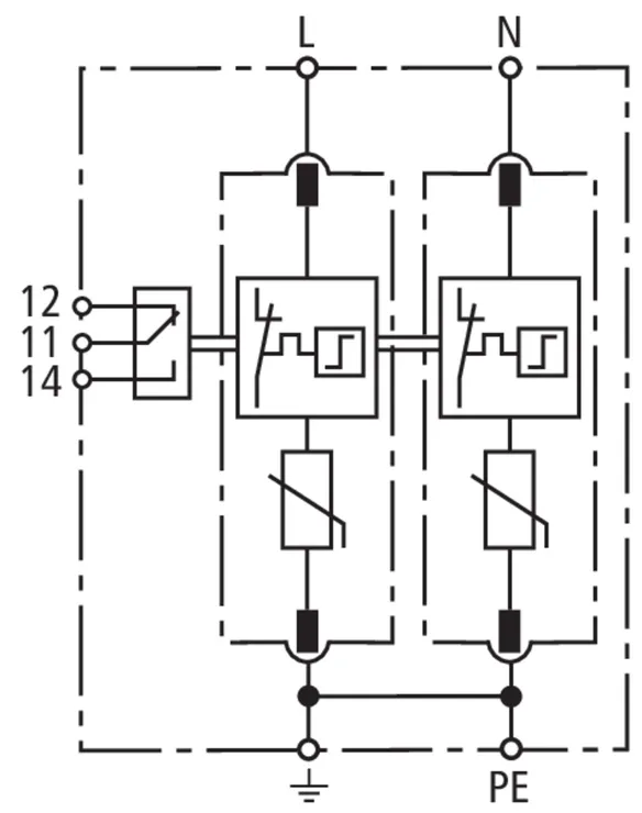
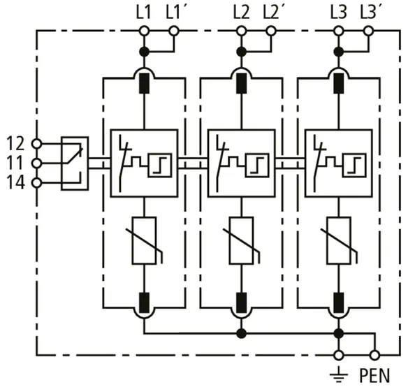
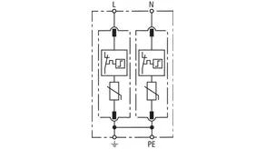
DEHNguard modular

  • Kompletně zapojená jednotka svodiče se skládá ze základního dílu a zásuvného ochranného modulu
  • Svodič je energeticky zkoordinovaný v rámci produktové řady Red/Line
  • Vysoký svodový výkon je zajištěn výkonným zinkooxidovým varistorem/jiskřištěm
  • Vysoký stupeň bezpečnosti je zajištěn monitorovacím zařízením „Thermo-Dynamic-Control“
  • Snadná výměna ochranného modulu bez použití nářadí pomocí uvolňovacího tlačítka modulu
  • Zkoušeno vibrací a otřesem podle EN 60068-2
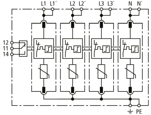
  • Varianty DG MP s dvojitými push-in svorkami pro snadné průchozí zapojení
  • U variant DG MD s dvojitými šroubovými svorkami pro snadné průchozí zapojení

Details

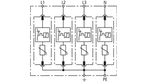
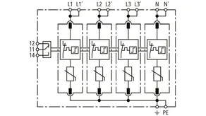
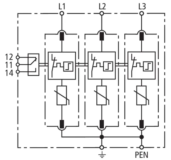
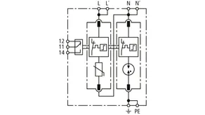
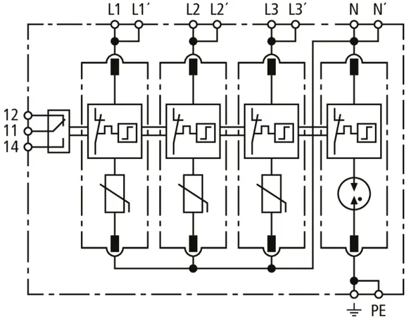
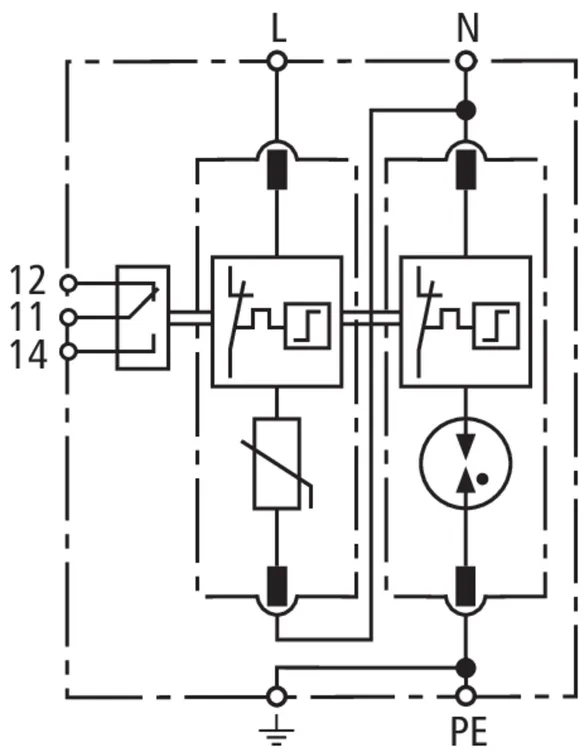
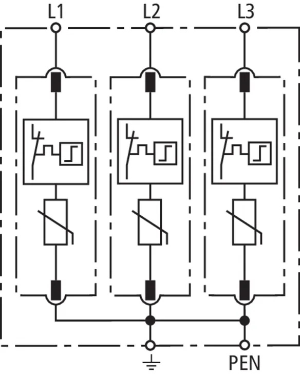
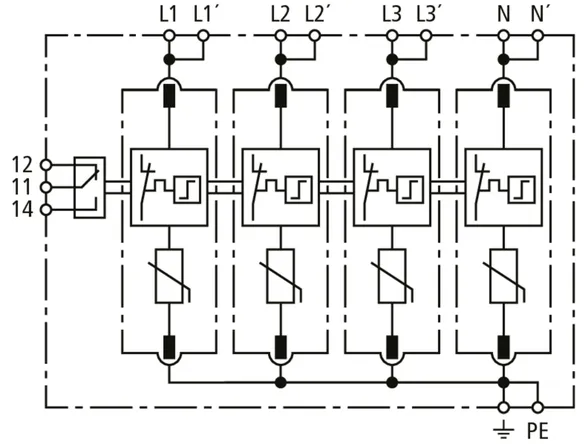
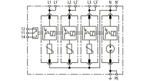
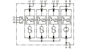
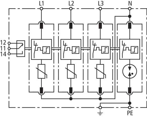
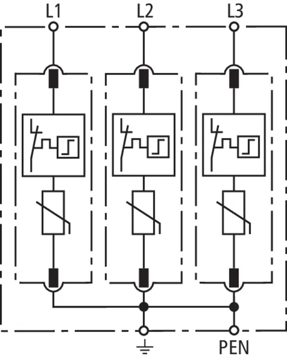
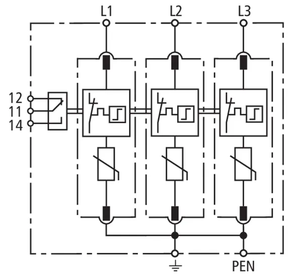
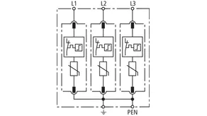
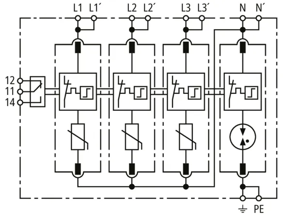
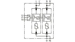
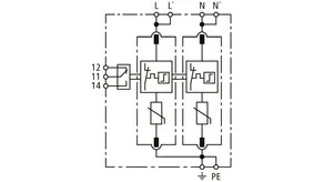
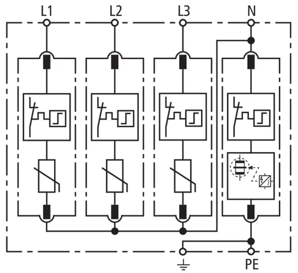
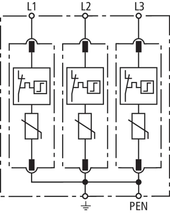
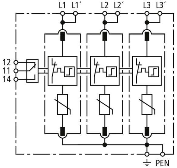
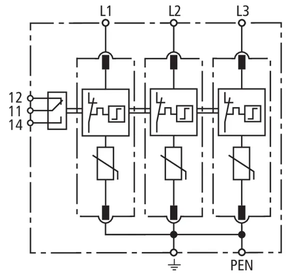
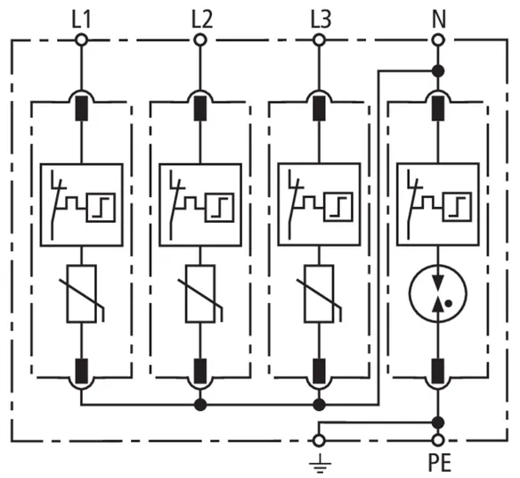
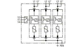
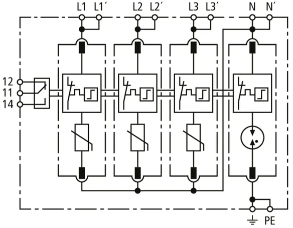
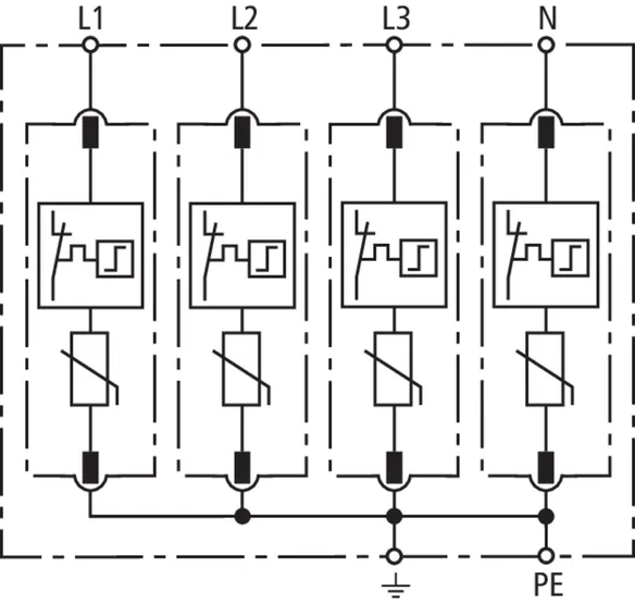
Zapojení 3+1 s vysokým svodovým výkonem 4 x 20 kA = 80 kA.
lorem ipsum
lorem ipsum
lorem ipsum

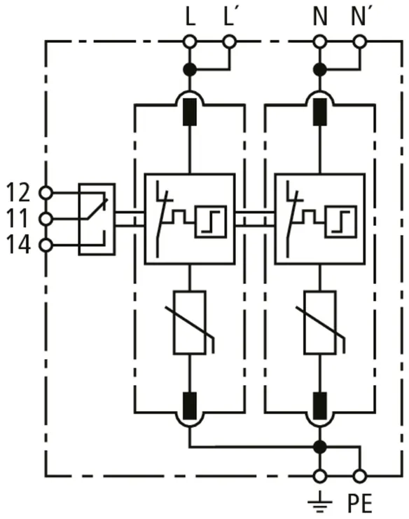
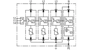
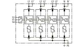
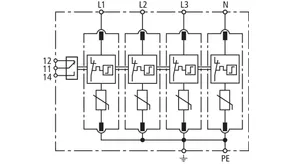
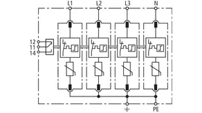
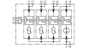
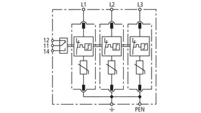
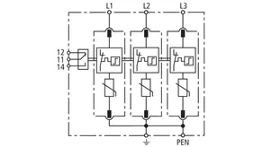
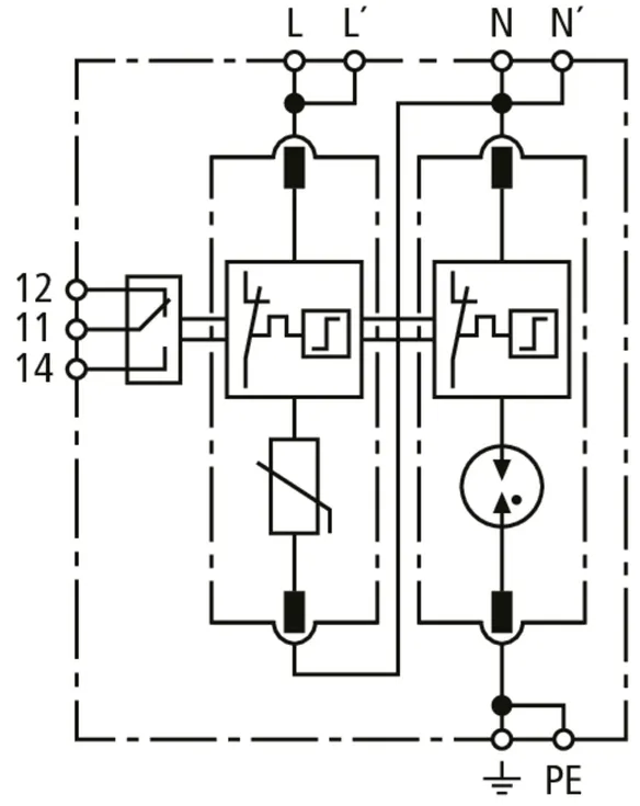
DEHNguard MD TNS ... (FM)

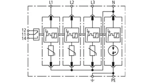
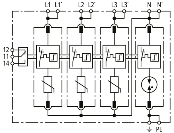
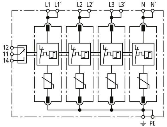
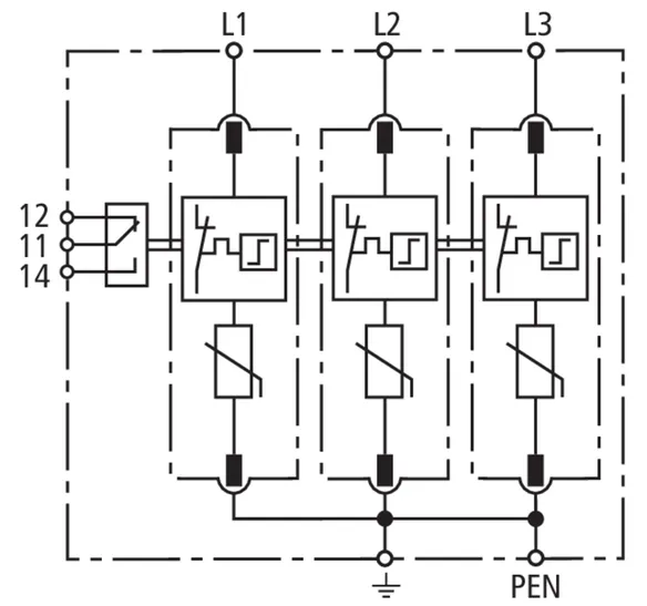
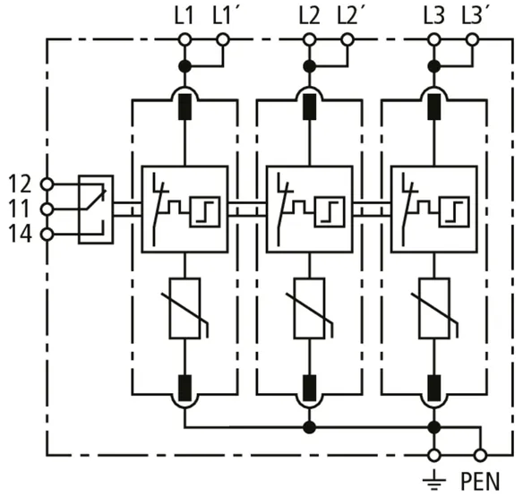
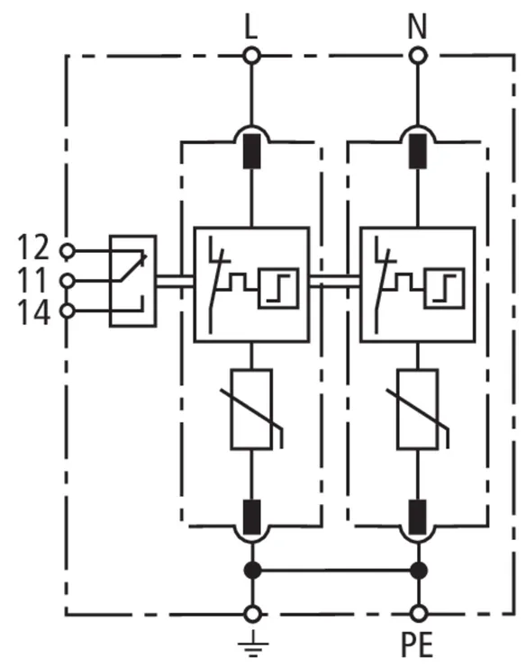
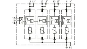
Modulární svodič přepětí pro systémy TN-S (zapojení 4+0); s bezpotenciálovým kontaktem dálkové signalizace

4 Produkty

Obj. č. 943408 DG MD TNS 150 FM

GTIN 4013364522244, Číslo celního sazebníku (EU): 85363030, Váha brutto: 496.00 g, Balící jednotka: 1.00 ks


Vyobrazení

Další informace

Modul svodiče přepětí DEHNguard MD TNS 150 FM
4pólový, modulární, zásuvný svodič přepětí
pro 120/240V systémy TN-S, šířka 4TE
s kontaktem pro dálkovou signalizaci
Svodič typ 2 podle EN 61643-11
ukazatel poruchy
Max. přípustné trvalé napětí: 150 V AC
Ochranná úroveň: <= 0,7 kV
Jmenovitý svodový impulzní proud: 15 kA
Zkratová pevnost: 50 kAeff
Energetická koordinace podle DIN EN 62305-4
svodič řady Red/Line

Výrobek: DEHN
Typ: DG MD TNS 150 FM
Obj. č.: 943408
nebo rovnocenný.

Certifikáty

 

Technické informace

SPD podle ČSN EN 61643-11 / ... IEC 61643-11 Typ 2 + typ 3 / třída II + třída III
Maximální provozní napětí AC (UC ) 150 V (50/60 Hz)
Jmenovitý impulzní proud (8/20 µs) (In ) 15 kA
Max. impulzní proud (8/20 µs) (Imax ) 40 kA
Ochranná úroveň [L-PE]/[N-PE] (UP ) ≤ 0,7/≤ 0,7 kV
Certifikace DEKRA
Kontakty dálkové signalizace/typ kontaktů přepínač

Produkt 943408 byl přidán na seznam.

K seznamu

Produkt 943408 byl přidán do nákupního košíku.

Obj. č. 943400 DG MD TNS 275

GTIN 4013364521919, Číslo celního sazebníku (EU): 85363030, Váha brutto: 380.00 g, Balící jednotka: 1.00 ks


Vyobrazení

Další informace

Modul svodiče přepětí DEHNguard MD TNS 275
4pólový, modulární, zásuvný svodič přepětí
pro 230/400V systémy TN-S, šířka 4TE
Svodič typ 2 podle EN 61643-11
ukazatel poruchy
Max. přípustné trvalé napětí: 275 V AC
Ochranná úroveň: <= 1,5 kV
Jmenovitý svodový impulzní proud: 20 kA
Zkratová pevnost: 50 kAeff
Energetická koordinace podle DIN EN 62305-4
svodič řady Red/Line

Výrobek: DEHN
Typ: DG MD TNS 275
Obj. č.: 943400
nebo rovnocenný.

Certifikáty

 

Technické informace

SPD podle ČSN EN 61643-11 / ... IEC 61643-11 Typ 2 + typ 3 / třída II + třída III
Maximální provozní napětí AC (UC ) 275 V (50/60 Hz)
Jmenovitý impulzní proud (8/20 µs) (In ) 20 kA
Max. impulzní proud (8/20 µs) (Imax ) 40 kA
Ochranná úroveň [L-PE]/[N-PE] (UP ) ≤ 1,5/≤ 1,5 kV
Certifikace DEKRA

Produkt 943400 byl přidán na seznam.

K seznamu

Produkt 943400 byl přidán do nákupního košíku.

Obj. č. 943405 DG MD TNS 275 FM

GTIN 4013364477117, Číslo celního sazebníku (EU): 85363030, Váha brutto: 380.00 g, Balící jednotka: 1.00 ks


Vyobrazení

Další informace

Modul svodiče přepětí DEHNguard MD TNS 275 FM
4pólový, modulární, zásuvný svodič přepětí
pro 230/400V systémy TN-S, šířka 4TE
s kontaktem pro dálkovou signalizaci
Svodič typ 2 podle EN 61643-11
ukazatel poruchy
Max. přípustné trvalé napětí: 275 V AC
Ochranná úroveň: <= 1,5 kV
Jmenovitý svodový impulzní proud: 20 kA
Zkratová pevnost: 50 kAeff
Energetická koordinace podle DIN EN 62305-4
svodič řady Red/Line

Výrobek: DEHN
Typ: DG MD TNS 275 FM
Obj. č.: 943405
nebo rovnocenný.

Certifikáty

 

Technické informace

SPD podle ČSN EN 61643-11 / ... IEC 61643-11 Typ 2 + typ 3 / třída II + třída III
Maximální provozní napětí AC (UC ) 275 V (50/60 Hz)
Jmenovitý impulzní proud (8/20 µs) (In ) 20 kA
Max. impulzní proud (8/20 µs) (Imax ) 40 kA
Ochranná úroveň [L-PE]/[N-PE] (UP ) ≤ 1,5/≤ 1,5 kV
Certifikace DEKRA
Kontakty dálkové signalizace/typ kontaktů přepínač

Produkt 943405 byl přidán na seznam.

K seznamu

Produkt 943405 byl přidán do nákupního košíku.

Obj. č. 943409 DG MD TNS 385 FM

GTIN 4013364522213, Číslo celního sazebníku (EU): 85363030, Váha brutto: 380.00 g, Balící jednotka: 1.00 ks


Vyobrazení

Další informace

Modul svodiče přepětí DEHNguard MD TNS 385 FM
4pólový, modulární, zásuvný svodič přepětí
pro 230/400V systémy TN-S, šířka 4TE
s kontaktem pro dálkovou signalizaci
Svodič typ 2 podle EN 61643-11
ukazatel poruchy
Max. přípustné trvalé napětí: 385 V AC
Ochranná úroveň: <= 1,75 kV
Jmenovitý svodový impulzní proud: 20 kA
Zkratová pevnost: 25 kAeff
Energetická koordinace podle DIN EN 62305-4
svodič řady Red/Line

Výrobek: DEHN
Typ: DG MD TNS 385 FM
Obj. č.: 943409
nebo rovnocenný.

Certifikáty

 

Technické informace

SPD podle ČSN EN 61643-11 / ... IEC 61643-11 Typ 2 + typ 3 / třída II + třída III
Maximální provozní napětí AC (UC ) 385 V (50/60 Hz)
Jmenovitý impulzní proud (8/20 µs) (In ) 20 kA
Max. impulzní proud (8/20 µs) (Imax ) 40 kA
Ochranná úroveň [L-PE]/[N-PE] (UP ) ≤ 1,75/≤ 1,75 kV
Certifikace DEKRA
Kontakty dálkové signalizace/typ kontaktů přepínač

Produkt 943409 byl přidán na seznam.

K seznamu

Produkt 943409 byl přidán do nákupního košíku.


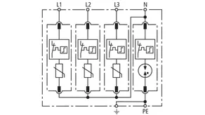
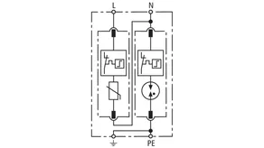
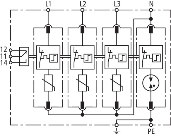
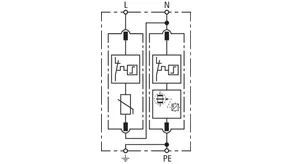
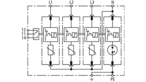
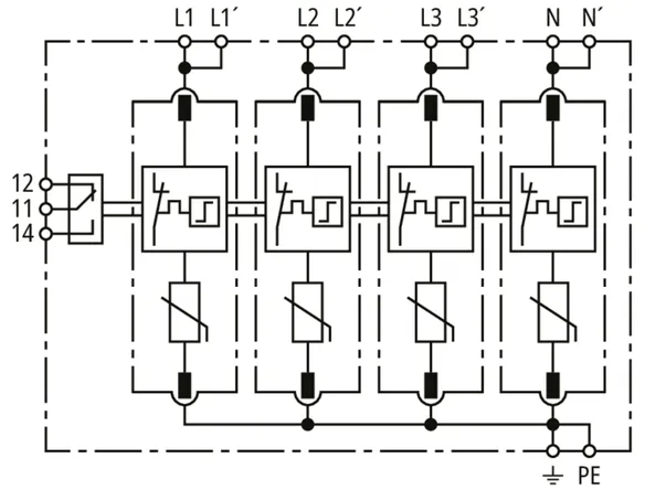
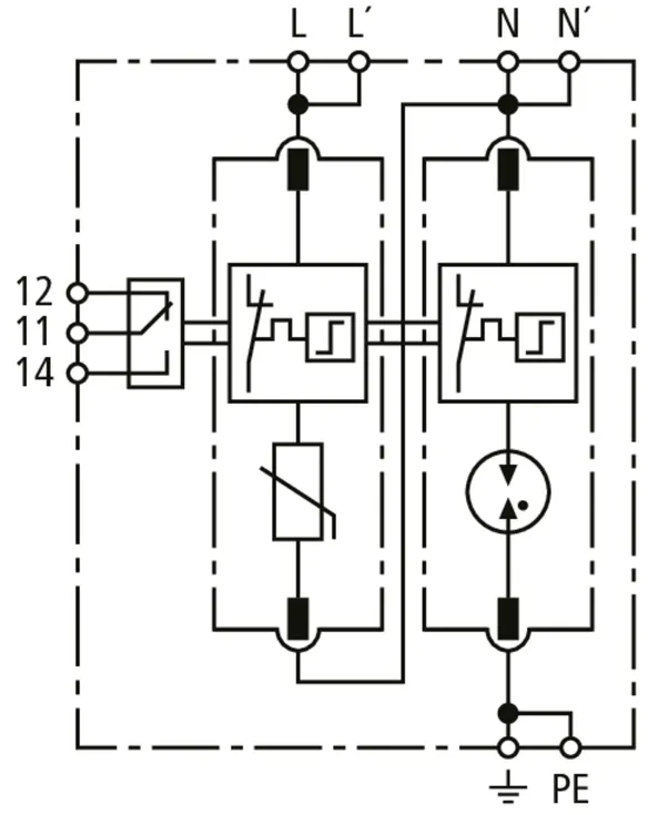
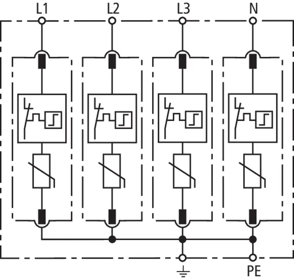
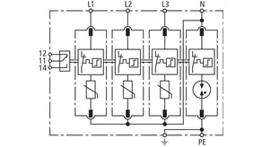
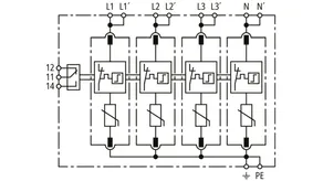
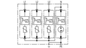
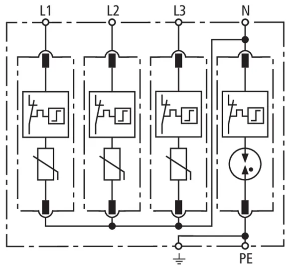
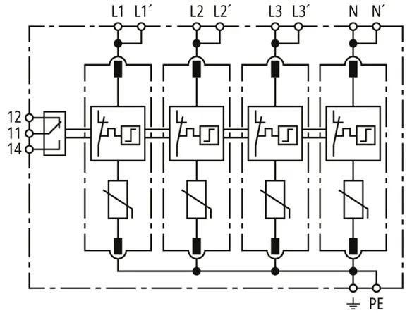
DEHNguard MD TT ... (FM)

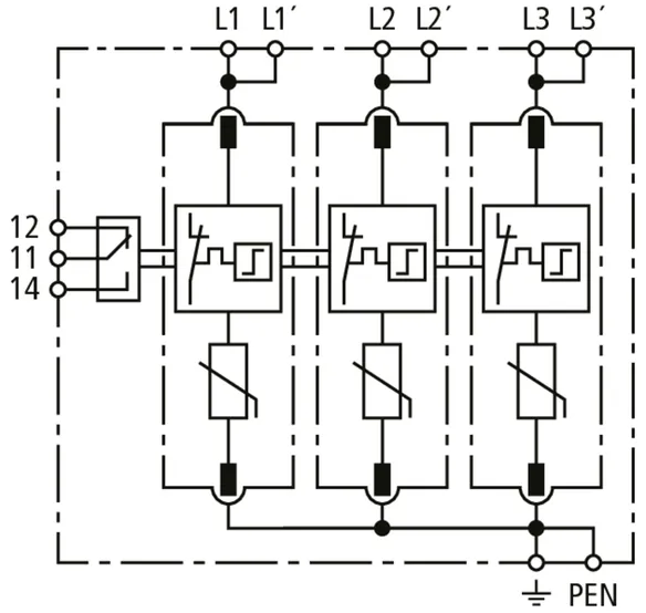
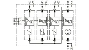
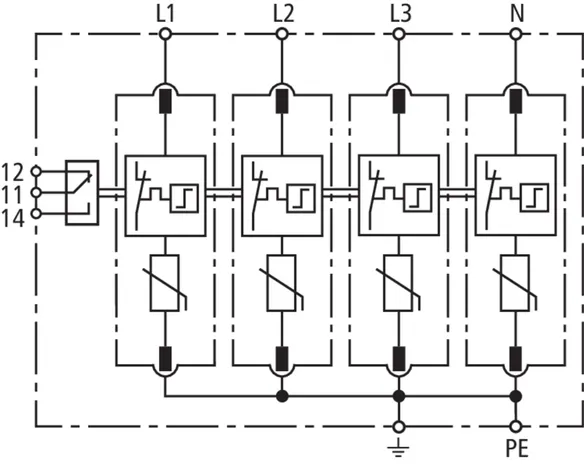
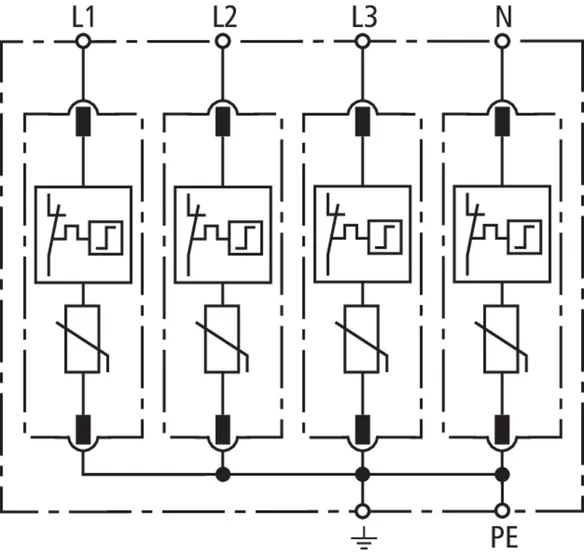
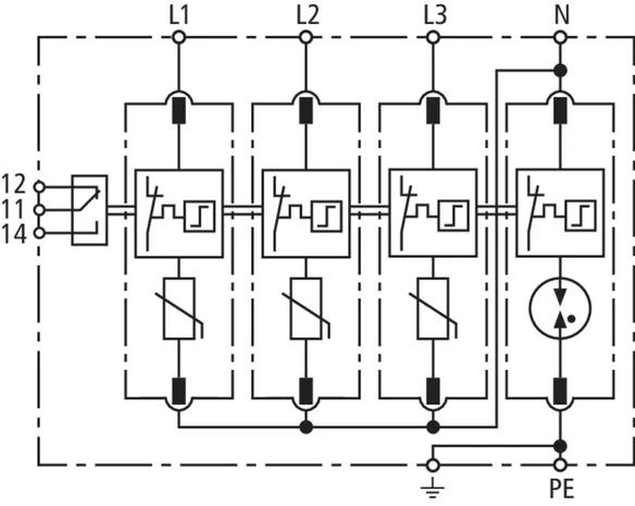
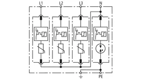
Modulární svodič přepětí pro systémy TT a TN-S (zapojení 3+1); s bezpotenciálovým kontaktem dálkové signalizace.

5 Produkty

Obj. č. 943310 DG MD TT 275

GTIN 4013364522046, Číslo celního sazebníku (EU): 85363030, Váha brutto: 250.00 g, Balící jednotka: 1.00 ks


Vyobrazení

Další informace

Modul svodiče přepětí DEHNguard MD TT 275
4pólový, modulární, zásuvný svodič přepětí
pro 230/400V systémy TT a TN-S, šířka 4TE
Svodič typ 2 podle EN 61643-11
ukazatel poruchy
Max. přípustné trvalé napětí: 275 V AC
Ochranná úroveň: <= 1,5 kV
Jmenovitý svodový impulzní proud: 20 kA
Zkratová pevnost: 50 kAeff
Energetická koordinace podle DIN EN 62305-4
svodič řady Red/Line

Výrobek: DEHN
Typ: DG MD TT 275
Obj. č.: 943310
nebo rovnocenný.

Certifikáty

 

Technické informace

SPD podle ČSN EN 61643-11 / ... IEC 61643-11 Typ 2 + typ 3 / třída II + třída III
Maximální provozní napětí AC [L-N] (UC ) 275 V (50/60 Hz)
Jmenovitý impulzní proud (8/20 µs) (In ) 20 kA
Max. impulzní proud (8/20 µs) (Imax ) 40 kA
Ochranná úroveň [L-N]/[N-PE] (UP ) ≤ 1,5/≤ 1,5 kV
Certifikace DEKRA

Produkt 943310 byl přidán na seznam.

K seznamu

Produkt 943310 byl přidán do nákupního košíku.

Obj. č. 943315 DG MD TT 275 FM

GTIN 4013364477155, Číslo celního sazebníku (EU): 85363030, Váha brutto: 250.00 g, Balící jednotka: 1.00 ks


Vyobrazení

Další informace

Modul svodiče přepětí DEHNguard MD TT 275 FM
4pólový, modulární, zásuvný svodič přepětí
pro 230/400V systémy TT a TN-S, šířka 4TE
s kontaktem pro dálkovou signalizaci
Svodič typ 2 podle EN 61643-11
ukazatel poruchy
Max. přípustné trvalé napětí: 275 V AC
Ochranná úroveň: <= 1,5 kV
Jmenovitý svodový impulzní proud: 20 kA
Zkratová pevnost: 50 kAeff
Energetická koordinace podle DIN EN 62305-4
svodič řady Red/Line

Výrobek: DEHN
Typ: DG MD TT 275 FM
Obj. č.: 943315
nebo rovnocenný.

Certifikáty

 

Technické informace

SPD podle ČSN EN 61643-11 / ... IEC 61643-11 Typ 2 + typ 3 / třída II + třída III
Maximální provozní napětí AC [L-N] (UC ) 275 V (50/60 Hz)
Jmenovitý impulzní proud (8/20 µs) (In ) 20 kA
Max. impulzní proud (8/20 µs) (Imax ) 40 kA
Ochranná úroveň [L-N]/[N-PE] (UP ) ≤ 1,5/≤ 1,5 kV
Certifikace DEKRA
Kontakty dálkové signalizace/typ kontaktů přepínač

Produkt 943315 byl přidán na seznam.

K seznamu

Produkt 943315 byl přidán do nákupního košíku.

Obj. č. 943325 DG MD TT 320 FM

GTIN 4013364522206, Číslo celního sazebníku (EU): 85363030, Váha brutto: 250.00 g, Balící jednotka: 1.00 ks


Vyobrazení

Další informace

Modul svodiče přepětí DEHNguard MD TT 320 FM
4pólový, modulární, zásuvný svodič přepětí
pro 230/400V systémy TT a TN-S, šířka 4TE
s kontaktem pro dálkovou signalizaci
Svodič typ 2 podle EN 61643-11
ukazatel poruchy
Max. přípustné trvalé napětí: 320 V AC
Ochranná úroveň: <= 1,5 kV
Jmenovitý svodový impulzní proud: 20 kA
Zkratová pevnost: 25 kAeff
Energetická koordinace podle DIN EN 62305-4
svodič řady Red/Line

Výrobek: DEHN
Typ: DG MD TT 320 FM
Obj. č.: 943325
nebo rovnocenný.

Certifikáty

 

Technické informace

SPD podle ČSN EN 61643-11 / ... IEC 61643-11 Typ 2 + typ 3 / třída II + třída III
Maximální provozní napětí AC [L-N] (UC ) 320 V (50 / 60 Hz)
Jmenovitý impulzní proud (8/20 µs) (In ) 20 kA
Max. impulzní proud (8/20 µs) (Imax ) 40 kA
Ochranná úroveň [L-N]/[N-PE] (UP ) ≤ 1,5/≤ 1,5 kV
Certifikace DEKRA
Kontakty dálkové signalizace/typ kontaktů přepínač

Produkt 943325 byl přidán na seznam.

K seznamu

Produkt 943325 byl přidán do nákupního košíku.

Obj. č. 943328 DG MD TT 150 FM

GTIN 4013364522237, Číslo celního sazebníku (EU): 85363030, Váha brutto: 498.00 g, Balící jednotka: 1.00 ks


Vyobrazení

Další informace

Modul svodiče přepětí DEHNguard MD TT 150 FM
4pólový, modulární, zásuvný svodič přepětí
pro 120/240V systémy TT a TN-S, šířka 4TE
s kontaktem pro dálkovou signalizaci
Svodič typ 2 podle EN 61643-11
ukazatel poruchy
Max. přípustné trvalé napětí: 150 V AC
Ochranná úroveň: <= 1,5 kV
Jmenovitý svodový impulzní proud: 15 kA
Zkratová pevnost: 50 kAeff
Energetická koordinace podle DIN EN 62305-4
svodič řady Red/Line

Výrobek: DEHN
Typ: DG MD TT 150 FM
Obj. č.: 943328
nebo rovnocenný.

Certifikáty

 

Technické informace

SPD podle ČSN EN 61643-11 / ... IEC 61643-11 Typ 2 + typ 3 / třída II + třída III
Maximální provozní napětí AC [L-N] (UC ) 150 V (50/60 Hz)
Jmenovitý impulzní proud (8/20 µs) [L-N] (In ) 15 kA
Jmenovitý impulzní proud (8/20 µs) [N-PE] (In ) 20 kA
Max. impulzní proud (8/20 µs) (Imax ) 40 kA
Ochranná úroveň [L-N]/[N-PE] (UP ) ≤ 0,7 / ≤ 1,5 kV
Certifikace DEKRA
Kontakty dálkové signalizace/typ kontaktů přepínač

Produkt 943328 byl přidán na seznam.

K seznamu

Produkt 943328 byl přidán do nákupního košíku.

Obj. č. 943317 DG MD TT 385 FM

GTIN 4013364522220, Číslo celního sazebníku (EU): 85363030, Váha brutto: 250.00 g, Balící jednotka: 1.00 ks


Vyobrazení

Další informace

Modul svodiče přepětí DEHNguard MD TT 385 FM
4pólový, modulární, zásuvný svodič přepětí
pro 230/400V systémy TT a TN-S, šířka 4TE
s kontaktem pro dálkovou signalizaci
Svodič typ 2 podle EN 61643-11
ukazatel poruchy
Max. přípustné trvalé napětí: 385 V AC
Ochranná úroveň: <= 1,5 kV
Jmenovitý svodový impulzní proud: 20 kA
Zkratová pevnost: 25 kAeff
Energetická koordinace podle DIN EN 62305-4
svodič řady Red/Line

Výrobek: DEHN
Typ: DG MD TT 385 FM
Obj. č.: 943317
nebo rovnocenný.

Certifikáty

 

Technické informace

SPD podle ČSN EN 61643-11 / ... IEC 61643-11 Typ 2 + typ 3 / třída II + třída III
Maximální provozní napětí AC [L-N] (UC ) 385 V (50 / 60 Hz)
Jmenovitý impulzní proud (8/20 µs) (In ) 20 kA
Max. impulzní proud (8/20 µs) (Imax ) 40 kA
Ochranná úroveň [L-N]/[N-PE] (UP ) ≤ 1,75 / ≤ 1,5 kV
Certifikace DEKRA
Kontakty dálkové signalizace/typ kontaktů přepínač

Produkt 943317 byl přidán na seznam.

K seznamu

Produkt 943317 byl přidán do nákupního košíku.


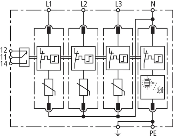
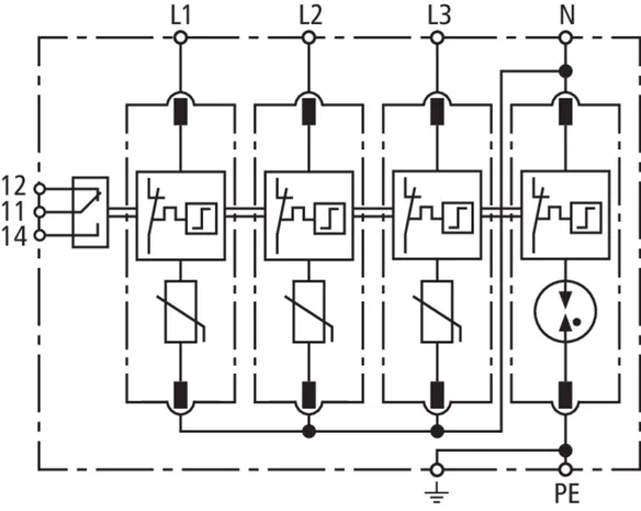
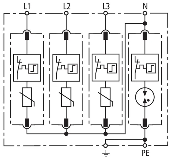
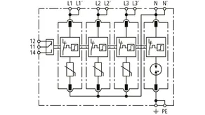
DEHNguard MD H TT ... (FM)

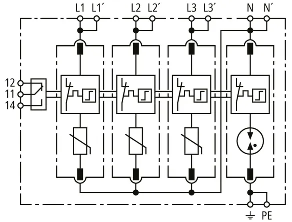
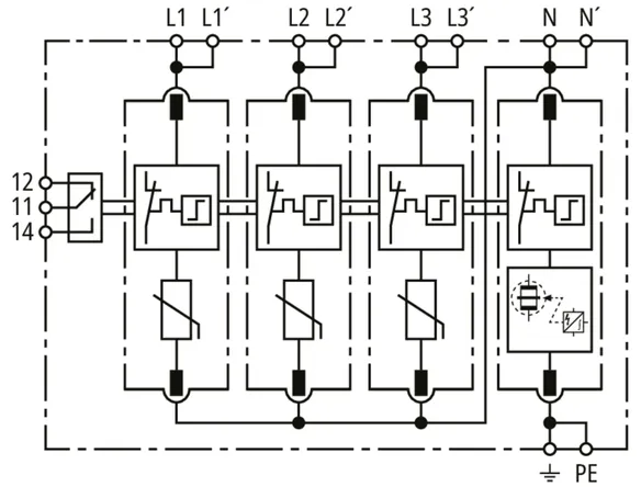
Modulární svodič přepětí s vysokým celkovým svodovým výkonem v cestě N-PE pro systémy TT a TN-S (zapojení 3+1). Splňuje vyšší bezpečnostní požadavky podle DIN VDE 0100-534 pro použití v napájecím bodě elektrického zařízení; s bezpotenciálovým kontaktem dálkové signalizace.

2 Produkty

Obj. č. 943381 DG MD H TT 275

GTIN 4013364522022, Číslo celního sazebníku (EU): 85363030, Váha brutto: 250.00 g, Balící jednotka: 1.00 ks


Vyobrazení

Další informace

Modul svodiče přepětí DEHNguard MD H TT 275
4pólový, modulární, zásuvný svodič přepětí
pro 230/400V systémy TT a TN-S, šířka 4TE
Svodič typ 2 podle EN 61643-11
ukazatel poruchy
Max. přípustné trvalé napětí: 275 V AC
Ochranná úroveň: <= 1,5 kV
Jmenovitý svodový impulzní proud: 20 kA
Zkratová pevnost: 50 kAeff
Energetická koordinace podle DIN EN 62305-4
svodič řady Red/Line

Výrobek: DEHN
Typ: DG MD H TT 275
Obj. č.: 943381
nebo rovnocenný.

 

Technické informace

SPD podle ČSN EN 61643-11 / ... IEC 61643-11 Typ 2 + typ 3 / třída II + třída III
Maximální provozní napětí AC [L-N] (UC ) 275 V (50/60 Hz)
Jmenovitý impulzní proud (8/20 µs) [L-N] (In ) 20 kA
Jmenovitý impulzní proud (8/20 µs) [N-PE] (In ) 80 kA
Max. impulzní proud (8/20 µs) [L-N] (Imax ) 40 kA
Max. impulzní proud (8/20 µs) [N-PE] (Imax ) 120 kA
Ochranná úroveň [L-N]/[N-PE] (UP ) ≤ 1,5/≤ 1,5 kV
Certifikace DEKRA

Produkt 943381 byl přidán na seznam.

K seznamu

Produkt 943381 byl přidán do nákupního košíku.

Obj. č. 943385 DG MD H TT 275 FM

GTIN 4013364477193, Číslo celního sazebníku (EU): 85363030, Váha brutto: 250.00 g, Balící jednotka: 1.00 ks


Vyobrazení

Další informace

Modul svodiče přepětí DEHNguard MD H TT 275 FM
4pólový, modulární, zásuvný svodič přepětí
pro 230/400V systémy TT a TN-S, šířka 4TE
s kontaktem pro dálkovou signalizaci
Svodič typ 2 podle EN 61643-11
ukazatel poruchy
Max. přípustné trvalé napětí: 275 V AC
Ochranná úroveň: <= 1,5 kV
Jmenovitý svodový impulzní proud: 20 kA
Zkratová pevnost: 50 kAeff
Energetická koordinace podle DIN EN 62305-4
svodič řady Red/Line

Výrobek: DEHN
Typ: DG MD H TT 275 FM
Obj. č.: 943385
nebo rovnocenný.

 

Technické informace

SPD podle ČSN EN 61643-11 / ... IEC 61643-11 Typ 2 + typ 3 / třída II + třída III
Maximální provozní napětí AC [L-N] (UC ) 275 V (50/60 Hz)
Jmenovitý impulzní proud (8/20 µs) [L-N] (In ) 20 kA
Jmenovitý impulzní proud (8/20 µs) [N-PE] (In ) 80 kA
Max. impulzní proud (8/20 µs) [L-N] (Imax ) 40 kA
Max. impulzní proud (8/20 µs) [N-PE] (Imax ) 120 kA
Ochranná úroveň [L-N]/[N-PE] (UP ) ≤ 1,5/≤ 1,5 kV
Certifikace DEKRA
Kontakty dálkové signalizace/typ kontaktů přepínač

Produkt 943385 byl přidán na seznam.

K seznamu

Produkt 943385 byl přidán do nákupního košíku.


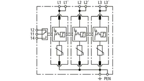
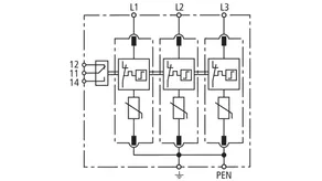
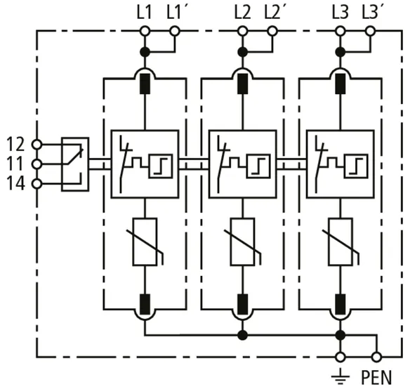
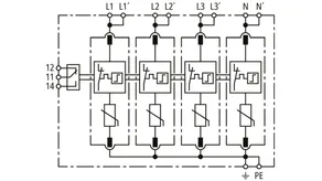
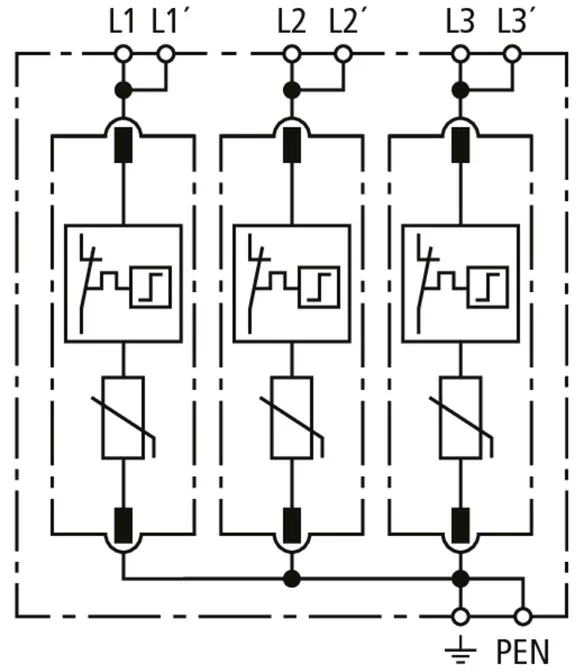
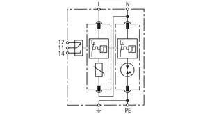
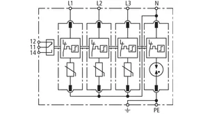
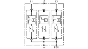
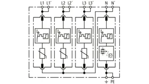
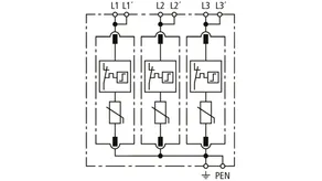
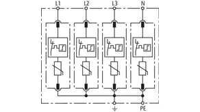
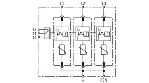
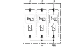
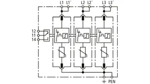
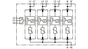
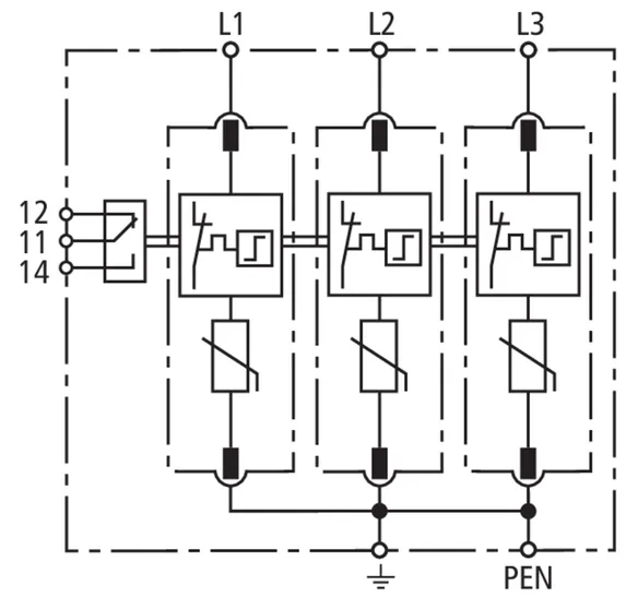
DEHNguard MP TNC ...

1 Produkt

Obj. č. 942300 DG MP TNC 275

GTIN 4013364495272, Číslo celního sazebníku (EU): 85363030, Váha brutto: 316.66 g, Balící jednotka: 1.00 ks


Vyobrazení

Další informace

Svodič přepětí DEHNguard MP TNC 275
Třípólový, modulární, zásuvný
svodič přepětí s
dvojitou push-in připojovací svorkou pro
rozvětvené a průchozí zapojení, určený
pro 230/400V sítě TN-C, šířka 3 TE
s kontaktem pro dálkovou signalizaci
Svodič typ 2 + typ 3 podle EN 61643-11
ukazatel poruchy
Max. přípustné trvalé napětí: 275 V AC
Ochranná úroveň: <= 1,5 kV
Jmenovitý svodový impulzní proud: 20 kA
Zkratová pevnost: 50 kAeff
Energetická koordinace podle DIN EN 62305-4
svodič řady Red/Line

Výrobek: DEHN
Typ: DG MP TNC 275
Obj. č.: 942300
nebo rovnocenný.

Certifikáty

 

Technické informace

SPD podle ČSN EN 61643-11 / ... IEC 61643-11 typ 2 + typ 3/Třída II + Třída III
Maximální provozní napětí AC (UC ) 275 V (50/60 Hz)
Jmenovitý impulzní proud (8/20 µs) (In ) 20 kA
Max. impulzní proud (8/20 µs) (Imax ) 40 kA
Ochranná úroveň (UP ) ≤ 1,5 kV
Certifikace KEMA, VDE

Produkt 942300 byl přidán na seznam.

K seznamu

Produkt 942300 byl přidán do nákupního košíku.


DEHNguard MP TNC ... FM

Modulární svodič přepětí pro sítě TN-C; s bezpotenciálovým kontaktem dálkové signalizace

4 Produkty

Obj. č. 942318 DG MP TNC 150 FM

GTIN 4013364495265, Číslo celního sazebníku (EU): 85363030, Váha brutto: 324.71 g, Balící jednotka: 1.00 ks


Vyobrazení

Další informace

Svodič přepětí DEHNguard MP TNC 150 FM
Třípólový, modulární, zásuvný
svodič přepětí s
dvojitou push-in připojovací svorkou pro
rozvětvené a průchozí zapojení, určený
pro sítě TN-C, šířka 3 TE
s kontaktem pro dálkovou signalizaci
Svodič typ 2 + typ 3 podle EN 61643-11
ukazatel poruchy
Max. přípustné trvalé napětí: 150 V AC
Ochranná úroveň: <= 0,7 kV
Jmenovitý svodový impulzní proud: 15 kA
Zkratová pevnost: 50 kAeff
Energetická koordinace podle DIN EN 62305-4
svodič řady Red/Line

Výrobek: DEHN
Typ: DG MP TNC 150 FM
Obj. č.: 942318
nebo rovnocenný.

Certifikáty

 

Technické informace

SPD podle ČSN EN 61643-11 / ... IEC 61643-11 typ 2 + typ 3/Třída II + Třída III
Maximální provozní napětí AC (UC ) 150 V (50/60 Hz)
Jmenovitý impulzní proud (8/20 µs) (In ) 15 kA
Max. impulzní proud (8/20 µs) (Imax ) 40 kA
Ochranná úroveň (UP ) ≤ 0,7 kV
Certifikace KEMA, VDE
Kontakty dálkové signalizace/typ kontaktů přepínač

Produkt 942318 byl přidán na seznam.

K seznamu

Produkt 942318 byl přidán do nákupního košíku.

Obj. č. 942305 DG MP TNC 275 FM

GTIN 4013364495289, Číslo celního sazebníku (EU): 85363030, Váha brutto: 323.13 g, Balící jednotka: 1.00 ks


Vyobrazení

Další informace

Svodič přepětí DEHNguard MP TNC 275 FM
Třípólový, modulární, zásuvný
svodič přepětí s
dvojitou push-in připojovací svorkou pro
rozvětvené a průchozí zapojení, určený
pro 230/400V sítě TN-C, šířka 3 TE
s kontaktem pro dálkovou signalizaci
Svodič typ 2 + typ 3 podle EN 61643-11
ukazatel poruchy
Max. přípustné trvalé napětí: 275 V AC
Ochranná úroveň: <= 1,5 kV
Jmenovitý svodový impulzní proud: 20 kA
Zkratová pevnost: 50 kAeff
Energetická koordinace podle DIN EN 62305-4
svodič řady Red/Line

Výrobek: DEHN
Typ: DG MP TNC 275 FM
Obj. č.: 942305
nebo rovnocenný.

Certifikáty

 

Technické informace

SPD podle ČSN EN 61643-11 / ... IEC 61643-11 typ 2 + typ 3/Třída II + Třída III
Maximální provozní napětí AC (UC ) 275 V (50/60 Hz)
Jmenovitý impulzní proud (8/20 µs) (In ) 20 kA
Max. impulzní proud (8/20 µs) (Imax ) 40 kA
Ochranná úroveň (UP ) ≤ 1,5 kV
Certifikace KEMA, VDE
Kontakty dálkové signalizace/typ kontaktů přepínač

Produkt 942305 byl přidán na seznam.

K seznamu

Produkt 942305 byl přidán do nákupního košíku.

Obj. č. 942319 DG MP TNC 385 FM

GTIN 4013364495296, Číslo celního sazebníku (EU): 85363030, Váha brutto: 324.71 g, Balící jednotka: 1.00 ks


Vyobrazení

Další informace

Svodič přepětí DEHNguard MP TNC 385 FM
Třípólový, modulární, zásuvný
svodič přepětí s
dvojitou push-in připojovací svorkou pro
rozvětvené a průchozí zapojení, určený
pro sítě TN-C, šířka 3 TE
s kontaktem pro dálkovou signalizaci
Svodič typ 2 + typ 3 podle EN 61643-11
ukazatel poruchy
Max. přípustné trvalé napětí: 385 V AC
Ochranná úroveň: <= 1,75 kV
Jmenovitý svodový impulzní proud: 20 kA
Zkratová pevnost: 25 kAeff
Energetická koordinace podle DIN EN 62305-4
svodič řady Red/Line

Výrobek: DEHN
Typ: DG MP TNC 385 FM
Obj. č.: 942319
nebo rovnocenný.

Certifikáty

 

Technické informace

SPD podle ČSN EN 61643-11 / ... IEC 61643-11 typ 2 + typ 3/Třída II + Třída III
Maximální provozní napětí AC (UC ) 385 V (50/60 Hz)
Jmenovitý impulzní proud (8/20 µs) (In ) 20 kA
Max. impulzní proud (8/20 µs) (Imax ) 40 kA
Ochranná úroveň (UP ) ≤ 1,75 kV
Certifikace KEMA, VDE
Kontakty dálkové signalizace/typ kontaktů přepínač

Produkt 942319 byl přidán na seznam.

K seznamu

Produkt 942319 byl přidán do nákupního košíku.

Obj. č. 942308 DG MP TNC 440 FM

GTIN 4013364495258, Číslo celního sazebníku (EU): 85363030, Váha brutto: 355.78 g, Balící jednotka: 1.00 ks


Vyobrazení

Další informace

Svodič přepětí DEHNguard MP TNC 440 FM
Třípólový, modulární, zásuvný
svodič přepětí s
dvojitou push-in připojovací svorkou pro
rozvětvené a průchozí zapojení, určený
pro 400/690V sítě TN-C, šířka 3 TE
s kontaktem pro dálkovou signalizaci
Svodič typ 2 + typ 3 podle EN 61643-11
ukazatel poruchy
Max. přípustné trvalé napětí: 440 V AC
Ochranná úroveň: <= 2 kV
Jmenovitý svodový impulzní proud: 20 kA
Zkratová pevnost: 25 kAeff
Energetická koordinace podle DIN EN 62305-4
svodič řady Red/Line

Výrobek: DEHN
Typ: DG MP TNC 440 FM
Obj. č.: 942308
nebo rovnocenný.

Certifikáty

 

Technické informace

SPD podle ČSN EN 61643-11 / ... IEC 61643-11 typ 2 + typ 3/Třída II + Třída III
Maximální provozní napětí AC (UC ) 440 V (50/60 Hz)
Jmenovitý impulzní proud (8/20 µs) (In ) 20 kA
Max. impulzní proud (8/20 µs) (Imax ) 40 kA
Ochranná úroveň (UP ) ≤ 2 kV
Certifikace KEMA, VDE
Kontakty dálkové signalizace/typ kontaktů přepínač

Produkt 942308 byl přidán na seznam.

K seznamu

Produkt 942308 byl přidán do nákupního košíku.


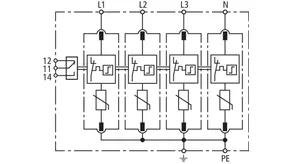
DEHNguard MP TNS ...

Modulární svodič přepětí pro sítě TN-S.

1 Produkt

Obj. č. 942400 DG MP TNS 275

GTIN 4013364484115, Číslo celního sazebníku (EU): 85363030, Váha brutto: 407.53 g, Balící jednotka: 1.00 ks


Vyobrazení

Další informace

Svodič přepětí DEHNguard MP TNS 275
Čtyřpólový, modulární, zásuvný
svodič přepětí s
dvojitou push-in připojovací svorkou pro
rozvětvené a průchozí zapojení, určený
pro sítě TN-S, šířka 4 TE
Svodič typ 2 + typ 3 podle EN 61643-11
ukazatel poruchy
Max. přípustné trvalé napětí: 275 V AC
Ochranná úroveň: <= 1,5 kV
Jmenovitý svodový impulzní proud: 20 kA
Zkratová pevnost: 50 kAeff
Energetická koordinace podle DIN EN 62305-4
svodič řady Red/Line

Výrobek: DEHN
Typ: DG MP TNS 275
Obj. č.: 942400
nebo rovnocenný.

Certifikáty

 

Technické informace

SPD podle ČSN EN 61643-11 / ... IEC 61643-11 typ 2 + typ 3/Třída II + Třída III
Maximální provozní napětí AC (UC ) 275 V (50/60 Hz)
Jmenovitý impulzní proud (8/20 µs) (In ) 20 kA
Max. impulzní proud (8/20 µs) (Imax ) 40 kA
Ochranná úroveň [L-PE]/[N-PE] (UP ) ≤ 1,5/≤ 1,5 kV
Certifikace KEMA, VDE

Produkt 942400 byl přidán na seznam.

K seznamu

Produkt 942400 byl přidán do nákupního košíku.


DEHNguard MP TNS ... FM

Modulární svodič přepětí pro sítě TN-S; s kontaktem dálkové signalizace.

3 Produkty

Obj. č. 942408 DG MP TNS 150 FM

GTIN 4013364484863, Číslo celního sazebníku (EU): 85363030, Váha brutto: 385.91 g, Balící jednotka: 1.00 ks


Vyobrazení

Další informace

Svodič přepětí DEHNguard MP TNS 150 FM
Čtyřpólový, modulární, zásuvný
svodič přepětí s
dvojitou push-in připojovací svorkou pro
rozvětvené a průchozí zapojení, určený
pro sítě TN-S, šířka 4 TE
s kontaktem pro dálkovou signalizaci
Svodič typ 2 + typ 3 podle EN 61643-11
ukazatel poruchy
Max. přípustné trvalé napětí: 150 V AC
Ochranná úroveň: <= 0,7 kV
Jmenovitý svodový impulzní proud: 15 kA
Zkratová pevnost: 50 kAeff
Energetická koordinace podle DIN EN 62305-4
svodič řady Red/Line

Výrobek: DEHN
Typ: DG MP TNS 150 FM
Obj. č.: 942408
nebo rovnocenný.

Certifikáty

 

Technické informace

SPD podle ČSN EN 61643-11 / ... IEC 61643-11 typ 2 + typ 3/Třída II + Třída III
Maximální provozní napětí AC (UC ) 150 V (50/60 Hz)
Jmenovitý impulzní proud (8/20 µs) (In ) 15 kA
Max. impulzní proud (8/20 µs) (Imax ) 40 kA
Ochranná úroveň [L-PE]/[N-PE] (UP ) ≤ 0,7/≤ 0,7 kV
Certifikace KEMA, VDE
Kontakty dálkové signalizace/typ kontaktů přepínač

Produkt 942408 byl přidán na seznam.

K seznamu

Produkt 942408 byl přidán do nákupního košíku.

Obj. č. 942405 DG MP TNS 275 FM

GTIN 4013364477124, Číslo celního sazebníku (EU): 85363030, Váha brutto: 350.91 g, Balící jednotka: 1.00 ks


Vyobrazení

Další informace

Svodič přepětí DEHNguard MP TNS 275 FM
Čtyřpólový, modulární, zásuvný
svodič přepětí s
dvojitou push-in připojovací svorkou pro
rozvětvené a průchozí zapojení, určený
pro sítě TN-S, šířka 4 TE
s kontaktem pro dálkovou signalizaci
Svodič typ 2 + typ 3 podle EN 61643-11
ukazatel poruchy
Max. přípustné trvalé napětí: 275 V AC
Ochranná úroveň: <= 1,5 kV
Jmenovitý svodový impulzní proud: 20 kA
Zkratová pevnost: 50 kAeff
Energetická koordinace podle DIN EN 62305-4
svodič řady Red/Line

Výrobek: DEHN
Typ: DG MP TNS 275 FM
Obj. č.: 942405
nebo rovnocenný.

Certifikáty

 

Technické informace

SPD podle ČSN EN 61643-11 / ... IEC 61643-11 typ 2 + typ 3/Třída II + Třída III
Maximální provozní napětí AC (UC ) 275 V (50/60 Hz)
Jmenovitý impulzní proud (8/20 µs) (In ) 20 kA
Max. impulzní proud (8/20 µs) (Imax ) 40 kA
Ochranná úroveň [L-PE]/[N-PE] (UP ) ≤ 1,5/≤ 1,5 kV
Certifikace KEMA, VDE
Kontakty dálkové signalizace/typ kontaktů přepínač

Produkt 942405 byl přidán na seznam.

K seznamu

Produkt 942405 byl přidán do nákupního košíku.

Obj. č. 942409 DG MP TNS 385 FM

GTIN 4013364484832, Číslo celního sazebníku (EU): 85363030, Váha brutto: 441.67 g, Balící jednotka: 1.00 ks


Vyobrazení

Další informace

Svodič přepětí DEHNguard MP TNS 385 FM
Čtyřpólový, modulární, zásuvný
svodič přepětí s
dvojitou push-in připojovací svorkou pro
rozvětvené a průchozí zapojení, určený
pro sítě TN-S, šířka 4 TE
s kontaktem pro dálkovou signalizaci
Svodič typ 2 + typ 3 podle EN 61643-11
ukazatel poruchy
Max. přípustné trvalé napětí: 385 V AC
Ochranná úroveň: <= 1,75 kV
Jmenovitý svodový impulzní proud: 20 kA
Zkratová pevnost: 25 kAeff
Energetická koordinace podle DIN EN 62305-4
svodič řady Red/Line

Výrobek: DEHN
Typ: DG MP TNS 385 FM
Obj. č.: 942409
nebo rovnocenný.

Certifikáty

 

Technické informace

SPD podle ČSN EN 61643-11 / ... IEC 61643-11 typ 2 + typ 3/Třída II + Třída III
Maximální provozní napětí AC (UC ) 385 V (50/60 Hz)
Jmenovitý impulzní proud (8/20 µs) (In ) 20 kA
Max. impulzní proud (8/20 µs) (Imax ) 40 kA
Ochranná úroveň [L-PE]/[N-PE] (UP ) ≤ 1,75/≤ 1,75 kV
Certifikace KEMA, VDE
Kontakty dálkové signalizace/typ kontaktů přepínač

Produkt 942409 byl přidán na seznam.

K seznamu

Produkt 942409 byl přidán do nákupního košíku.


DEHNguard MP TT ...

Modulární svodič přepětí pro sítě TT a TN-S (zapojení 3+1).

1 Produkt

Obj. č. 942310 DG MP TT 275

GTIN 4013364484108, Číslo celního sazebníku (EU): 85363030, Váha brutto: 343.84 g, Balící jednotka: 1.00 ks


Vyobrazení

Další informace

Svodič přepětí DEHNguard MP TT 275
Čtyřpólový, modulární, zásuvný
svodič přepětí s
dvojitou push-in připojovací svorkou pro
rozvětvené a průchozí zapojení, určený
pro sítě TT a TN-S, šířka 4 TE
Svodič typ 2 + typ 3 podle EN 61643-11
ukazatel poruchy
Max. přípustné trvalé napětí: 275 V AC
Ochranná úroveň: <= 1,5 kV
Jmenovitý svodový impulzní proud: 20 kA
Zkratová pevnost: 50 kAeff
Energetická koordinace podle DIN EN 62305-4
svodič řady Red/Line

Výrobek: DEHN
Typ: DG MP TT 275
Obj. č.: 942310
nebo rovnocenný.

Certifikáty

 

Technické informace

SPD podle ČSN EN 61643-11 / ... IEC 61643-11 typ 2 + typ 3/Třída II + Třída III
Maximální provozní napětí AC [L-N] (UC ) 275 V (50/60 Hz)
Jmenovitý impulzní proud (8/20 µs) (In ) 20 kA
Max. impulzní proud (8/20 µs) (Imax ) 40 kA
Ochranná úroveň [L-N]/[N-PE] (UP ) ≤ 1,5/≤ 1,5 kV
Certifikace KEMA, VDE

Produkt 942310 byl přidán na seznam.

K seznamu

Produkt 942310 byl přidán do nákupního košíku.


DEHNguard MP TT ... FM

Modulární svodič přepětí pro sítě TT a TN-S (zapojení 3+1); s kontaktem dálkové signalizace.

4 Produkty

Obj. č. 942328 DG MP TT 150 FM

GTIN 4013364484856, Číslo celního sazebníku (EU): 85363030, Váha brutto: 388.86 g, Balící jednotka: 1.00 ks


Vyobrazení

Další informace

Svodič přepětí DEHNguard MP TT 275 FM
Čtyřpólový, modulární, zásuvný
svodič přepětí s
dvojitou push-in připojovací svorkou pro
rozvětvené a průchozí zapojení, určený
pro sítě TT a TN-S, šířka 4 TE
s kontaktem pro dálkovou signalizaci
Svodič typ 2 + typ 3 podle EN 61643-11
ukazatel poruchy
Max. přípustné trvalé napětí: 150 V AC
Ochranná úroveň: <= 0,7 kV
Jmenovitý svodový impulzní proud: 15 kA
Zkratová pevnost: 50 kAeff
Energetická koordinace podle DIN EN 62305-4
svodič řady Red/Line

Výrobek: DEHN
Typ: DG MP TT 150 FM
Obj. č.: 942328
nebo rovnocenný.

Certifikáty

 

Technické informace

SPD podle ČSN EN 61643-11 / ... IEC 61643-11 typ 2 + typ 3/Třída II + Třída III
Maximální provozní napětí AC [L-N] (UC ) 150 V (50/60 Hz)
Jmenovitý impulzní proud (8/20 µs) [L-N] (In ) 15 kA
Jmenovitý impulzní proud (8/20 µs) [N-PE] (In ) 20 kA
Max. impulzní proud (8/20 µs) (Imax ) 40 kA
Ochranná úroveň [L-N]/[N-PE] (UP ) ≤ 0,7/≤ 1,5 kV
Certifikace KEMA, VDE
Kontakty dálkové signalizace/typ kontaktů přepínač

Produkt 942328 byl přidán na seznam.

K seznamu

Produkt 942328 byl přidán do nákupního košíku.

Obj. č. 942315 DG MP TT 275 FM

GTIN 4013364477162, Číslo celního sazebníku (EU): 85363030, Váha brutto: 346.63 g, Balící jednotka: 1.00 ks


Vyobrazení

Další informace

Svodič přepětí DEHNguard MP TT 275 FM
Čtyřpólový, modulární, zásuvný
svodič přepětí s
dvojitou push-in připojovací svorkou pro
rozvětvené a průchozí zapojení, určený
pro sítě TT a TN-S, šířka 4 TE
s kontaktem pro dálkovou signalizaci
Svodič typ 2 + typ 3 podle EN 61643-11
ukazatel poruchy
Max. přípustné trvalé napětí: 275 V AC
Ochranná úroveň: <= 1,5 kV
Jmenovitý svodový impulzní proud: 20 kA
Zkratová pevnost: 50 kAeff
Energetická koordinace podle DIN EN 62305-4
svodič řady Red/Line

Výrobek: DEHN
Typ: DG MP TT 275 FM
Obj. č.: 942315
nebo rovnocenný.

Certifikáty

 

Technické informace

SPD podle ČSN EN 61643-11 / ... IEC 61643-11 typ 2 + typ 3/Třída II + Třída III
Maximální provozní napětí AC [L-N] (UC ) 275 V (50/60 Hz)
Jmenovitý impulzní proud (8/20 µs) (In ) 20 kA
Max. impulzní proud (8/20 µs) (Imax ) 40 kA
Ochranná úroveň [L-N]/[N-PE] (UP ) ≤ 1,5/≤ 1,5 kV
Certifikace KEMA, VDE
Kontakty dálkové signalizace/typ kontaktů přepínač

Produkt 942315 byl přidán na seznam.

K seznamu

Produkt 942315 byl přidán do nákupního košíku.

Obj. č. 942325 DG MP TT 320 FM

GTIN 4013364484849, Číslo celního sazebníku (EU): 85363030, Váha brutto: 418.85 g, Balící jednotka: 1.00 ks


Vyobrazení

Další informace

Svodič přepětí DEHNguard MP TT 320 FM
Čtyřpólový, modulární, zásuvný
svodič přepětí s
dvojitou push-in připojovací svorkou pro
rozvětvené a průchozí zapojení, určený
pro sítě TT a TN-S, šířka 4 TE
s kontaktem pro dálkovou signalizaci
Svodič typ 2 + typ 3 podle EN 61643-11
ukazatel poruchy
Max. přípustné trvalé napětí: 320 V AC
Ochranná úroveň: <= 1,5 kV
Jmenovitý svodový impulzní proud: 20 kA
Zkratová pevnost: 25 kAeff
Energetická koordinace podle DIN EN 62305-4
svodič řady Red/Line

Výrobek: DEHN
Typ: DG MP TT 320 FM
Obj. č.: 942325
nebo rovnocenný.

Certifikáty

 

Technické informace

SPD podle ČSN EN 61643-11 / ... IEC 61643-11 typ 2 + typ 3/Třída II + Třída III
Maximální provozní napětí AC [L-N] (UC ) 320 V (50/60 Hz)
Jmenovitý impulzní proud (8/20 µs) (In ) 20 kA
Max. impulzní proud (8/20 µs) (Imax ) 40 kA
Ochranná úroveň [L-N]/[N-PE] (UP ) ≤ 1,5/≤ 1,5 kV
Certifikace KEMA, VDE
Kontakty dálkové signalizace/typ kontaktů přepínač

Produkt 942325 byl přidán na seznam.

K seznamu

Produkt 942325 byl přidán do nákupního košíku.

Obj. č. 942317 DG MP TT 385 FM

GTIN 4013364484825, Číslo celního sazebníku (EU): 85363030, Váha brutto: 430.48 g, Balící jednotka: 1.00 ks


Vyobrazení

Další informace

Svodič přepětí DEHNguard MP TT 385 FM
Čtyřpólový, modulární, zásuvný
svodič přepětí s
dvojitou push-in připojovací svorkou pro
rozvětvené a průchozí zapojení, určený
pro sítě TT a TN-S, šířka 4 TE
s kontaktem pro dálkovou signalizaci
Svodič typ 2 + typ 3 podle EN 61643-11
ukazatel poruchy
Max. přípustné trvalé napětí: 385 V AC
Ochranná úroveň: <= 1,75 kV
Jmenovitý svodový impulzní proud: 20 kA
Zkratová pevnost: 25 kAeff
Energetická koordinace podle DIN EN 62305-4
svodič řady Red/Line

Výrobek: DEHN
Typ: DG MP TT 385 FM
Obj. č.: 942317
nebo rovnocenný.

Certifikáty

 

Technické informace

SPD podle ČSN EN 61643-11 / ... IEC 61643-11 typ 2 + typ 3/Třída II + Třída III
Maximální provozní napětí AC [L-N] (UC ) 385 V (50/60 Hz)
Jmenovitý impulzní proud (8/20 µs) (In ) 20 kA
Max. impulzní proud (8/20 µs) (Imax ) 40 kA
Ochranná úroveň [L-N]/[N-PE] (UP ) ≤ 1,75/≤ 1,5 kV
Certifikace KEMA, VDE
Kontakty dálkové signalizace/typ kontaktů přepínač

Produkt 942317 byl přidán na seznam.

K seznamu

Produkt 942317 byl přidán do nákupního košíku.


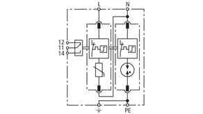
DEHNguard MP TN ...

Modulární svodič přepětí pro jednofázové TN systémy.

1 Produkt

Obj. č. 942200 DG MP TN 275

GTIN 4013364495395, Číslo celního sazebníku (EU): 85363030, Váha brutto: 228.88 g, Balící jednotka: 1.00 ks


Vyobrazení

Další informace

Svodič přepětí DEHNguard MP TN 275
Dvoupólový, modulární, zásuvný
svodič přepětí s
dvojitou push-in připojovací svorkou pro
rozvětvené a průchozí zapojení, určený
pro jednofázové 230V sítě TN, šířka 2 TE
Svodič typ 2 + typ 3 podle EN 61643-11
ukazatel poruchy
Max. přípustné trvalé napětí: 275 V AC
Ochranná úroveň: <= 1,5 kV
Jmenovitý svodový impulzní proud: 20 kA
Zkratová pevnost: 50 kAeff
Energetická koordinace podle DIN EN 62305-4
svodič řady Red/Line

Výrobek: DEHN
Typ: DG MP TN 275
Obj. č.: 942200
nebo rovnocenný.

Certifikáty

 

Technické informace

SPD podle ČSN EN 61643-11 / ... IEC 61643-11 typ 2 + typ 3/Třída II + Třída III
Maximální provozní napětí AC (UC ) 275 V (50/60 Hz)
Jmenovitý impulzní proud (8/20 µs) (In ) 20 kA
Max. impulzní proud (8/20 µs) (Imax ) 40 kA
Ochranná úroveň [L-PE]/[N-PE] (UP ) ≤ 1,5/≤ 1,5 kV
Certifikace KEMA, VDE

Produkt 942200 byl přidán na seznam.

K seznamu

Produkt 942200 byl přidán do nákupního košíku.


DEHNguard MP TN ... FM

Modulární svodič přepětí pro jednofázové sítě TN; s bezpotenciálovým kontaktem dálkové signalizace.

2 Produkty

Obj. č. 942207 DG MP TN 150 FM

GTIN 4013364495418, Číslo celního sazebníku (EU): 85363030, Váha brutto: 231.67 g, Balící jednotka: 1.00 ks


Vyobrazení

Další informace

Svodič přepětí DEHNguard MP TN 150 FM
Dvoupólový, modulární, zásuvný
svodič přepětí s
dvojitou push-in připojovací svorkou pro
rozvětvené a průchozí zapojení, určený
pro jednofázové sítě TN, šířka 2 TE
s kontaktem pro dálkovou signalizaci
Svodič typ 2 + typ 3 podle EN 61643-11
ukazatel poruchy
Max. přípustné trvalé napětí: 150 V AC
Ochranná úroveň: <= 0,7 kV
Jmenovitý svodový impulzní proud: 15 kA
Zkratová pevnost: 50 kAeff
Energetická koordinace podle DIN EN 62305-4
svodič řady Red/Line

Výrobek: DEHN
Typ: DG MP TN 150 FM
Obj. č.: 942207
nebo rovnocenný.

Certifikáty

 

Technické informace

SPD podle ČSN EN 61643-11 / ... IEC 61643-11 typ 2 + typ 3/Třída II + Třída III
Maximální provozní napětí AC (UC ) 150 V (50/60 Hz)
Jmenovitý impulzní proud (8/20 µs) (In ) 15 kA
Max. impulzní proud (8/20 µs) (Imax ) 40 kA
Ochranná úroveň [L-PE]/[N-PE] (UP ) ≤ 0,7/≤ 0,7 kV
Certifikace KEMA, VDE
Kontakty dálkové signalizace/typ kontaktů přepínač

Produkt 942207 byl přidán na seznam.

K seznamu

Produkt 942207 byl přidán do nákupního košíku.

Obj. č. 942205 DG MP TN 275 FM

GTIN 4013364495401, Číslo celního sazebníku (EU): 85363030, Váha brutto: 231.32 g, Balící jednotka: 1.00 ks


Vyobrazení

Další informace

Svodič přepětí DEHNguard MP TN 275 FM
Dvoupólový, modulární, zásuvný
svodič přepětí s
dvojitou push-in připojovací svorkou pro
rozvětvené a průchozí zapojení, určený
pro jednofázové 230V sítě TN, šířka 2 TE
s kontaktem pro dálkovou signalizaci
Svodič typ 2 + typ 3 podle EN 61643-11
ukazatel poruchy
Max. přípustné trvalé napětí: 275 V AC
Ochranná úroveň: <= 1,5 kV
Jmenovitý svodový impulzní proud: 20 kA
Zkratová pevnost: 50 kAeff
Energetická koordinace podle DIN EN 62305-4
svodič řady Red/Line

Výrobek: DEHN
Typ: DG MP TN 275 FM
Obj. č.: 942205
nebo rovnocenný.

Certifikáty

 

Technické informace

SPD podle ČSN EN 61643-11 / ... IEC 61643-11 typ 2 + typ 3/Třída II + Třída III
Maximální provozní napětí AC (UC ) 275 V (50/60 Hz)
Jmenovitý impulzní proud (8/20 µs) (In ) 20 kA
Max. impulzní proud (8/20 µs) (Imax ) 40 kA
Ochranná úroveň [L-PE]/[N-PE] (UP ) ≤ 1,5/≤ 1,5 kV
Certifikace KEMA, VDE
Kontakty dálkové signalizace/typ kontaktů přepínač

Produkt 942205 byl přidán na seznam.

K seznamu

Produkt 942205 byl přidán do nákupního košíku.


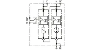
DEHNguard MP TT 2P ...

Modulární svodič přepětí pro jednofázové sítě TT a TN (zapojení 1+1), s bezpotenciálovým kontaktem dálkové signalizace.

1 Produkt

Obj. č. 942110 DG MP TT 2P 275

GTIN 4013364495326, Číslo celního sazebníku (EU): 85363030, Váha brutto: 220.36 g, Balící jednotka: 1.00 ks


Vyobrazení

Další informace

Svodič přepětí DEHNguard MP TT 2P 275
Dvoupólový, modulární, zásuvný
svodič přepětí s
dvojitou push-in připojovací svorkou pro
rozvětvené a průchozí zapojení, určený
pro jednofázové 230V sítě TT a TN, šířka 2 TE
Svodič typ 2 + typ 3 podle EN 61643-11
ukazatel poruchy
Max. přípustné trvalé napětí: 275 V AC
Ochranná úroveň: <= 1,5 kV
Jmenovitý svodový impulzní proud: 20 kA
Zkratová pevnost: 50 kAeff
Energetická koordinace podle DIN EN 62305-4
svodič řady Red/Line

Výrobek: DEHN
Typ: DG MP TT 2P 275
Obj. č.: 942110
nebo rovnocenný.

Certifikáty

 

Technické informace

SPD podle ČSN EN 61643-11 / ... IEC 61643-11 typ 2 + typ 3/Třída II + Třída III
Maximální provozní napětí AC [L-N] (UC ) 275 V (50/60 Hz)
Jmenovitý impulzní proud (8/20 µs) (In ) 20 kA
Max. impulzní proud (8/20 µs) (Imax ) 40 kA
Ochranná úroveň [L-N]/[N-PE] (UP ) ≤ 1,5/≤ 1,5 kV
Certifikace KEMA, VDE

Produkt 942110 byl přidán na seznam.

K seznamu

Produkt 942110 byl přidán do nákupního košíku.


DEHNguard MP TT 2P ... FM

Modulární svodič přepětí pro jednofázové sítě TT a TN (zapojení 1+1), s bezpotenciálovým kontaktem dálkové signalizace.

3 Produkty

Obj. č. 942115 DG MP TT 2P 275 FM

GTIN 4013364495333, Číslo celního sazebníku (EU): 85363030, Váha brutto: 226.75 g, Balící jednotka: 1.00 ks


Vyobrazení

Další informace

Svodič přepětí DEHNguard MP TT 2P 275 FM
Dvoupólový, modulární, zásuvný
svodič přepětí s
dvojitou push-in připojovací svorkou pro
rozvětvené a průchozí zapojení, určený
pro jednofázové 230V sítě TT a TN, šířka 2 TE
s kontaktem pro dálkovou signalizaci
Svodič typ 2 + typ 3 podle EN 61643-11
ukazatel poruchy
Max. přípustné trvalé napětí: 275 V AC
Ochranná úroveň: <= 1,5 kV
Jmenovitý svodový impulzní proud: 20 kA
Zkratová pevnost: 50 kAeff
Energetická koordinace podle DIN EN 62305-4
svodič řady Red/Line

Výrobek: DEHN
Typ: DG MP TT 2P 275 FM
Obj. č.: 942115
nebo rovnocenný.

Certifikáty

 

Technické informace

SPD podle ČSN EN 61643-11 / ... IEC 61643-11 typ 2 + typ 3/Třída II + Třída III
Maximální provozní napětí AC [L-N] (UC ) 275 V (50/60 Hz)
Jmenovitý impulzní proud (8/20 µs) (In ) 20 kA
Max. impulzní proud (8/20 µs) (Imax ) 40 kA
Ochranná úroveň [L-N]/[N-PE] (UP ) ≤ 1,5/≤ 1,5 kV
Certifikace KEMA, VDE
Kontakty dálkové signalizace/typ kontaktů přepínač

Produkt 942115 byl přidán na seznam.

K seznamu

Produkt 942115 byl přidán do nákupního košíku.

Obj. č. 942135 DG MP TT 2P 320 FM

GTIN 4013364495340, Číslo celního sazebníku (EU): 85363030, Váha brutto: 230.96 g, Balící jednotka: 1.00 ks


Vyobrazení

Další informace

Svodič přepětí DEHNguard MP TT 2P 320 FM
Dvoupólový, modulární, zásuvný
svodič přepětí s
dvojitou push-in připojovací svorkou pro
rozvětvené a průchozí zapojení, určený
pro jednofázové 230V sítě TT a TN, šířka 2 TE
s kontaktem pro dálkovou signalizaci
Svodič typ 2 + typ 3 podle EN 61643-11
ukazatel poruchy
Max. přípustné trvalé napětí: 320 V AC
Ochranná úroveň: <= 1,5 kV
Jmenovitý svodový impulzní proud: 20 kA
Zkratová pevnost: 25 kAeff
Energetická koordinace podle DIN EN 62305-4
svodič řady Red/Line

Výrobek: DEHN
Typ: DG MP TT 2P 320 FM
Obj. č.: 942135
nebo rovnocenný.

Certifikáty

 

Technické informace

SPD podle ČSN EN 61643-11 / ... IEC 61643-11 typ 2 + typ 3/Třída II + Třída III
Maximální provozní napětí AC [L-N] (UC ) 320 V (50/60 Hz)
Jmenovitý impulzní proud (8/20 µs) (In ) 20 kA
Max. impulzní proud (8/20 µs) (Imax ) 40 kA
Ochranná úroveň [L-N]/[N-PE] (UP ) ≤ 1,5/≤ 1,5 kV
Certifikace KEMA, VDE
Kontakty dálkové signalizace/typ kontaktů přepínač

Produkt 942135 byl přidán na seznam.

K seznamu

Produkt 942135 byl přidán do nákupního košíku.

Obj. č. 942117 DG MP TT 2P 385 FM

GTIN 4013364495357, Číslo celního sazebníku (EU): 85363090, Váha brutto: 227.23 g, Balící jednotka: 1.00 ks


Vyobrazení

Další informace

Svodič přepětí DEHNguard MP TT 2P 385 FM
Dvoupólový, modulární, zásuvný
svodič přepětí s
dvojitou push-in připojovací svorkou pro
rozvětvené a průchozí zapojení, určený
pro jednofázové sítě TT a TN, šířka 2 TE
s kontaktem pro dálkovou signalizaci
Svodič typ 2 + typ 3 podle EN 61643-11
ukazatel poruchy
Max. přípustné trvalé napětí: 385 V AC
Ochranná úroveň: <= 1,75 kV
Jmenovitý svodový impulzní proud: 20 kA
Zkratová pevnost: 25 kAeff
Energetická koordinace podle DIN EN 62305-4
svodič řady Red/Line

Výrobek: DEHN
Typ: DG MP TT 2P 385 FM
Obj. č.: 942117
nebo rovnocenný.

Certifikáty

 

Technické informace

SPD podle ČSN EN 61643-11 / ... IEC 61643-11 typ 2 + typ 3/Třída II + Třída III
Maximální provozní napětí AC [L-N] (UC ) 385 V (50/60 Hz)
Jmenovitý impulzní proud (8/20 µs) (In ) 20 kA
Max. impulzní proud (8/20 µs) (Imax ) 40 kA
Ochranná úroveň [L-N]/[N-PE] (UP ) ≤ 1,75/≤ 1,5 kV
Certifikace KEMA, VDE
Kontakty dálkové signalizace/typ kontaktů přepínač

Produkt 942117 byl přidán na seznam.

K seznamu

Produkt 942117 byl přidán do nákupního košíku.


DEHNguard MP WE 600 FM

Třípólový modulární svodič přepětí pro větrné turbíny s jmenovitým napětím varistoru Umov = 750 V AC; v provedení FM s bezpotenciálovým kontaktem dálkové signalizace.

1 Produkt

Obj. č. 942307 DG MP WE 600 FM

GTIN 4013364495302, Číslo celního sazebníku (EU): 85363030, Váha brutto: 384.26 g, Balící jednotka: 1.00 ks


Vyobrazení

Další informace

Svodič přepětí DEHNguard MP WE 600 FM
Třípólový, modulární, zásuvný
svodič přepětí s
dvojitou push-in připojovací svorkou pro
rozvětvené a průchozí zapojení, určený
pro větrné turbíny k použití ve
400/690V síti TN-C, šířka 3 TE
s kontaktem pro dálkovou signalizaci
Zohlednění krátkodobých kolísání napětí
v důsledku zvýšeného jmenovitého napětí varistoru Umov
Svodič typ 2 + typ 3 podle EN 61643-11
ukazatel poruchy
Max. přípustné trvalé napětí: 600 V AC
Jmenovité napětí varistoru 750 V AC
Ochranná úroveň: <= 3 kV
Jmenovitý svodový impulzní proud: 15 kA
Zkratová pevnost: 25 kAeff
Energetická koordinace podle DIN EN 62305-4
svodič řady Red/Line

Výrobek: DEHN
Typ: DG MP WE 600 FM
Obj. č.: 942307
nebo rovnocenný.

Certifikáty

 

Technické informace

SPD podle ČSN EN 61643-11 / ... IEC 61643-11 typ 2 + typ 3/Třída II + Třída III
Maximální provozní napětí AC (UC ) 600 V (50/60 Hz)
Jmenovité napětí varistoru (Umov ) 750 V
Jmenovitý impulzní proud (8/20 µs) (In ) 15 kA
Max. impulzní proud (8/20 µs) (Imax ) 25 kA
Ochranná úroveň (UP ) ≤ 3 kV
Certifikace KEMA, VDE
Kontakty dálkové signalizace/typ kontaktů přepínač

Produkt 942307 byl přidán na seznam.

K seznamu

Produkt 942307 byl přidán do nákupního košíku.


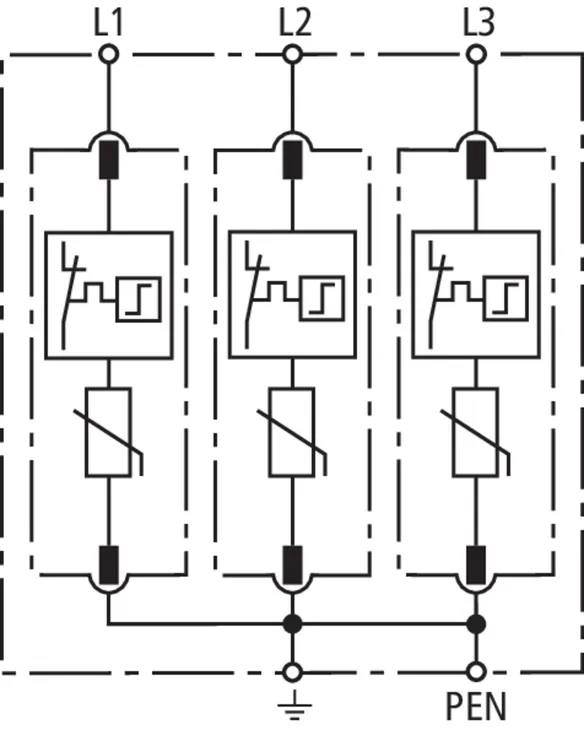
DEHNguard M TNC ...

Modulární svodič přepětí pro sítě TN-C (zapojení 3+0).

4 Produkty

Obj. č. 952313 DG M TNC 150

GTIN 4013364123939, Číslo celního sazebníku (EU): 85363030, Váha brutto: 319.70 g, Balící jednotka: 1.00 ks


Vyobrazení

Další informace

Svodič přepětí DEHNguard M TNC 150
3-pólový, modulární, zásuvný svodič přepětí
pro sítě TN-C, šířka 3 TE
svodič typ 2 podle ČSN EN 61643-11
ukazatel poruchy
nejvyšší provozní napětí: 150 V ac
ochranná úroveň: <= 0,7 kV
jmenovitý svodový proud: 15 kA
zkratová pevnost: 50 kAeff
energetická koordinace podle ČSN EN 62305-4
svodič řady Red/Line

Výrobek: DEHN
Typ: DG M TNC 150
Obj. č.: 952313
nebo rovnocenný.

Certifikáty

 

Technické informace

SPD podle ČSN EN 61643-11 / ... IEC 61643-11 typ 2/Třída II
Maximální provozní napětí AC (UC ) 150 V (50/60 Hz)
Jmenovitý impulzní proud (8/20 µs) (In ) 15 kA
Max. impulzní proud (8/20 µs) (Imax ) 40 kA
Ochranná úroveň (UP ) ≤ 0,7 kV
Max. nadproudová ochrana ze strany sítě 125 A gG
Certifikace KEMA, UL

Produkt 952313 byl přidán na seznam.

K seznamu

Produkt 952313 byl přidán do nákupního košíku.

Obj. č. 952300 DG M TNC 275

GTIN 4013364108431, Číslo celního sazebníku (EU): 85363030, Váha brutto: 355.40 g, Balící jednotka: 1.00 ks

Staré provedení

Vyobrazení

Další informace

Svodič přepětí DEHNguard M TNC 275
3-pólový, modulární, zásuvný svodič přepětí
pro sítě TN-C, šířka 3 TE
svodič typ 2 podle ČSN EN 61643-11
ukazatel poruchy
nejvyšší provozní napětí: 150 V ac
ochranná úroveň: <= 1,5 kV
jmenovitý svodový proud: 20 kA
zkratová pevnost: 50 kAeff
energetická koordinace podle ČSN EN 62305-4
svodič řady Red/Line

Výrobek: DEHN
Typ: DG M TNC 275
Obj. č.: 952300
nebo rovnocenný.

Certifikáty

 

Technické informace

SPD podle ČSN EN 61643-11 / ... IEC 61643-11 typ 2/Třída II
Maximální provozní napětí AC (UC ) 275 V (50/60 Hz)
Jmenovitý impulzní proud (8/20 µs) (In ) 20 kA
Max. impulzní proud (8/20 µs) (Imax ) 40 kA
Ochranná úroveň (UP ) ≤ 1,5 kV
Max. nadproudová ochrana ze strany sítě 125 A gG
Certifikace KEMA, VDE, UL, CSA

Produkt 952300 byl přidán na seznam.

K seznamu

Produkt 952300 byl přidán do nákupního košíku.

Obj. č. 952314 DG M TNC 385

GTIN 4013364124028, Číslo celního sazebníku (EU): 85363030, Váha brutto: 362.50 g, Balící jednotka: 1.00 ks

Staré provedení

Vyobrazení

Další informace

Svodič přepětí DEHNguard M TNC 385
3-pólový, modulární, zásuvný svodič přepětí
pro sítě TN-C, šířka 3 TE
svodič typ 2 podle ČSN EN 61643-11
ukazatel poruchy
nejvyšší provozní napětí: 385 V ac
ochranná úroveň: <= 1,75 kV
jmenovitý svodový proud: 20 kA
zkratová pevnost: 25 kAeff
energetická koordinace podle ČSN EN 62305-4
svodič řady Red/Line

Výrobek: DEHN
Typ: DG M TNC 385
Obj. č.: 952314
nebo rovnocenný.

Certifikáty

 

Technické informace

SPD podle ČSN EN 61643-11 / ... IEC 61643-11 typ 2/Třída II
Maximální provozní napětí AC (UC ) 385 V (50/60 Hz)
Jmenovitý impulzní proud (8/20 µs) (In ) 20 kA
Max. impulzní proud (8/20 µs) (Imax ) 40 kA
Ochranná úroveň (UP ) ≤ 1,75 kV
Max. nadproudová ochrana ze strany sítě 125 A gG
Certifikace KEMA, UL

Produkt 952314 byl přidán na seznam.

K seznamu

Produkt 952314 byl přidán do nákupního košíku.

Obj. č. 952303 DG M TNC 440

GTIN 4013364120709, Číslo celního sazebníku (EU): 85363030, Váha brutto: 376.30 g, Balící jednotka: 1.00 ks


Vyobrazení

Další informace

Svodič přepětí DEHNguard M TNC 440
3-pólový, modulární, zásuvný svodič přepětí
pro sítě TN-C, šířka 3 TE
svodič typ 2 podle ČSN EN 61643-11
ukazatel poruchy
nejvyšší provozní napětí: 440 V ac
ochranná úroveň: <= 2 kV
jmenovitý svodový proud: 20 kA
zkratová pevnost: 25 kAeff
energetická koordinace podle ČSN EN 62305-4
svodič řady Red/Line

Výrobek: DEHN
Typ: DG M TNC 440
Obj. č.: 952303
nebo rovnocenný.

Certifikáty

 

Technické informace

SPD podle ČSN EN 61643-11 / ... IEC 61643-11 typ 2/Třída II
Maximální provozní napětí AC (UC ) 440 V (50/60 Hz)
Jmenovitý impulzní proud (8/20 µs) (In ) 20 kA
Max. impulzní proud (8/20 µs) (Imax ) 40 kA
Ochranná úroveň (UP ) ≤ 2 kV
Max. nadproudová ochrana ze strany sítě 125 A gG
Certifikace KEMA, UL

Produkt 952303 byl přidán na seznam.

K seznamu

Produkt 952303 byl přidán do nákupního košíku.


DEHNguard M TNC ... FM

Modulární svodič přepětí pro sítě TN-C (zapojení 3+0); s bezpotenciálovým kontaktem dálkové signalizace.

4 Produkty

Obj. č. 952318 DG M TNC 150 FM

GTIN 4013364124011, Číslo celního sazebníku (EU): 85363030, Váha brutto: 326.80 g, Balící jednotka: 1.00 ks


Vyobrazení

Další informace

Svodič přepětí DEHNguard M TNC 150 FM
3-pólový, modulární, zásuvný svodič přepětí
pro sítě TN-C, šířka 3 TE
s kontaktem dálkové signalizace
svodič typ 2 podle ČSN EN 61643-11
ukazatel poruchy
nejvyšší provozní napětí: 150 V ac
ochranná úroveň: <= 0,7 kV
jmenovitý svodový proud: 15 kA
zkratová pevnost: 50 kAeff
energetická koordinace podle ČSN EN 62305-4
svodič řady Red/Line

Výrobek: DEHN
Typ: DG M TNC 150 FM
Obj. č.: 952318
nebo rovnocenný.

Certifikáty

 

Technické informace

SPD podle ČSN EN 61643-11 / ... IEC 61643-11 typ 2/Třída II
Maximální provozní napětí AC (UC ) 150 V (50/60 Hz)
Jmenovitý impulzní proud (8/20 µs) (In ) 15 kA
Max. impulzní proud (8/20 µs) (Imax ) 40 kA
Ochranná úroveň (UP ) ≤ 0,7 kV
Max. nadproudová ochrana ze strany sítě 125 A gG
Certifikace KEMA, UL
Kontakty dálkové signalizace/typ kontaktů přepínač

Produkt 952318 byl přidán na seznam.

K seznamu

Produkt 952318 byl přidán do nákupního košíku.

Obj. č. 952305 DG M TNC 275 FM

GTIN 4013364108448, Číslo celního sazebníku (EU): 85363030, Váha brutto: 348.80 g, Balící jednotka: 1.00 ks

Staré provedení

Vyobrazení

Další informace

Svodič přepětí DEHNguard M TNC 275 FM
3-pólový, modulární, zásuvný svodič přepětí
pro sítě TN-C, šířka 3 TE
s kontaktem dálkové signalizace
svodič typ 2 podle ČSN EN 61643-11
ukazatel poruchy
nejvyšší provozní napětí: 275 V ac
ochranná úroveň: <= 1,5 kV
jmenovitý svodový proud: 20 kA
zkratová pevnost: 50 kAeff
energetická koordinace podle ČSN EN 62305-4
svodič řady Red/Line

Výrobek: DEHN
Typ: DG M TNC 275 FM
Obj. č.: 952305
nebo rovnocenný.

Certifikáty

 

Technické informace

SPD podle ČSN EN 61643-11 / ... IEC 61643-11 typ 2/Třída II
Maximální provozní napětí AC (UC ) 275 V (50/60 Hz)
Jmenovitý impulzní proud (8/20 µs) (In ) 20 kA
Max. impulzní proud (8/20 µs) (Imax ) 40 kA
Ochranná úroveň (UP ) ≤ 1,5 kV
Max. nadproudová ochrana ze strany sítě 125 A gG
Certifikace KEMA, VDE, UL
Kontakty dálkové signalizace/typ kontaktů přepínač

Produkt 952305 byl přidán na seznam.

K seznamu

Produkt 952305 byl přidán do nákupního košíku.

Obj. č. 952319 DG M TNC 385 FM

GTIN 4013364124035, Číslo celního sazebníku (EU): 85363030, Váha brutto: 370.70 g, Balící jednotka: 1.00 ks

Staré provedení

Vyobrazení

Další informace

Svodič přepětí DEHNguard M TNC 385 FM
3-pólový, modulární, zásuvný svodič přepětí
pro sítě TN-C, šířka 3 TE
s kontaktem dálkové signalizace
svodič typ 2 podle ČSN EN 61643-11
ukazatel poruchy
nejvyšší provozní napětí: 385 V ac
ochranná úroveň: <= 1,75 kV
jmenovitý svodový proud: 20 kA
zkratová pevnost: 25 kAeff
energetická koordinace podle ČSN EN 62305-4
svodič řady Red/Line

Výrobek: DEHN
Typ: DG M TNC 385 FM
Obj. č.: 952319
nebo rovnocenný.

Certifikáty

 

Technické informace

SPD podle ČSN EN 61643-11 / ... IEC 61643-11 typ 2/Třída II
Maximální provozní napětí AC (UC ) 385 V (50/60 Hz)
Jmenovitý impulzní proud (8/20 µs) (In ) 20 kA
Max. impulzní proud (8/20 µs) (Imax ) 40 kA
Ochranná úroveň (UP ) ≤ 1,75 kV
Max. nadproudová ochrana ze strany sítě 125 A gG
Certifikace KEMA, UL
Kontakty dálkové signalizace/typ kontaktů přepínač

Produkt 952319 byl přidán na seznam.

K seznamu

Produkt 952319 byl přidán do nákupního košíku.

Obj. č. 952308 DG M TNC 440 FM

GTIN 4013364120716, Číslo celního sazebníku (EU): 85363030, Váha brutto: 383.20 g, Balící jednotka: 1.00 ks


Vyobrazení

Další informace

Svodič přepětí DEHNguard M TNC 440 FM
3-pólový, modulární, zásuvný svodič přepětí
pro sítě TN-C, šířka 3 TE
s kontaktem dálkové signalizace
svodič typ 2 podle ČSN EN 61643-11
ukazatel poruchy
nejvyšší provozní napětí: 440 V ac
ochranná úroveň: <= 2 kV
jmenovitý svodový proud: 20 kA
zkratová pevnost: 25 kAeff
energetická koordinace podle ČSN EN 62305-4
svodič řady Red/Line

Výrobek: DEHN
Typ: DG M TNC 440 FM
Obj. č.: 952308
nebo rovnocenný.

Certifikáty

 

Technické informace

SPD podle ČSN EN 61643-11 / ... IEC 61643-11 typ 2/Třída II
Maximální provozní napětí AC (UC ) 440 V (50/60 Hz)
Jmenovitý impulzní proud (8/20 µs) (In ) 20 kA
Max. impulzní proud (8/20 µs) (Imax ) 40 kA
Ochranná úroveň (UP ) ≤ 2 kV
Max. nadproudová ochrana ze strany sítě 125 A gG
Certifikace KEMA, UL
Kontakty dálkové signalizace/typ kontaktů přepínač

Produkt 952308 byl přidán na seznam.

K seznamu

Produkt 952308 byl přidán do nákupního košíku.


DEHNguard M TNS ...

Modulární svodič přepětí pro sítě TN-S (zapojení 4+0).

3 Produkty

Obj. č. 952403 DG M TNS 150

GTIN 4013364128569, Číslo celního sazebníku (EU): 85363030, Váha brutto: 443.20 g, Balící jednotka: 1.00 ks


Vyobrazení

Další informace

Svodič přepětí DEHNguard M TNS 150
4-pólový, modulární, zásuvný svodič přepětí
pro sítě TN-S, šířka 4 TE
svodič typ 2 podle ČSN EN 61643-11
ukazatel poruchy
nejvyšší provozní napětí: 150 V ac
ochranná úroveň: <= 0,7 kV
jmenovitý svodový proud: 15 kA
zkratová pevnost: 50 kAeff
energetická koordinace podle ČSN EN 62305-4
svodič řady Red/Line

Výrobek: DEHN
Typ: DG M TNS 150
Obj. č.: 952403
nebo rovnocenný.

Certifikáty

 

Technické informace

SPD podle ČSN EN 61643-11 / ... IEC 61643-11 typ 2/Třída II
Maximální provozní napětí AC (UC ) 150 V (50/60 Hz)
Jmenovitý impulzní proud (8/20 µs) (In ) 15 kA
Max. impulzní proud (8/20 µs) (Imax ) 40 kA
Ochranná úroveň [L-PE]/[N-PE] (UP ) ≤ 0,7/≤ 0,7 kV
Max. nadproudová ochrana ze strany sítě 125 A gG
Certifikace KEMA, UL

Produkt 952403 byl přidán na seznam.

K seznamu

Produkt 952403 byl přidán do nákupního košíku.

Obj. č. 952400 DG M TNS 275

GTIN 4013364108455, Číslo celního sazebníku (EU): 85363030, Váha brutto: 444.00 g, Balící jednotka: 1.00 ks

Staré provedení

Vyobrazení

Další informace

Svodič přepětí DEHNguard M TNS 275
4-pólový, modulární, zásuvný svodič přepětí
pro sítě TN-S, šířka 4 TE
svodič typ 2 podle ČSN EN 61643-11
ukazatel poruchy
nejvyšší provozní napětí: 275 V ac
ochranná úroveň: <= 1,5 kV
jmenovitý svodový proud: 20 kA
zkratová pevnost: 50 kAeff
energetická koordinace podle ČSN EN 62305-4
svodič řady Red/Line

Výrobek: DEHN
Typ: DG M TNS 275
Obj. č.: 952400
nebo rovnocenný.

Certifikáty

 

Technické informace

SPD podle ČSN EN 61643-11 / ... IEC 61643-11 typ 2/Třída II
Maximální provozní napětí AC (UC ) 275 V (50/60 Hz)
Jmenovitý impulzní proud (8/20 µs) (In ) 20 kA
Max. impulzní proud (8/20 µs) (Imax ) 40 kA
Ochranná úroveň [L-PE]/[N-PE] (UP ) ≤ 1,5/≤ 1,5 kV
Max. nadproudová ochrana ze strany sítě 125 A gG
Certifikace KEMA, VDE, UL

Produkt 952400 byl přidán na seznam.

K seznamu

Produkt 952400 byl přidán do nákupního košíku.

Obj. č. 952404 DG M TNS 385

GTIN 4013364128545, Číslo celního sazebníku (EU): 85363030, Váha brutto: 499.50 g, Balící jednotka: 1.00 ks

Staré provedení

Vyobrazení

Další informace

Svodič přepětí DEHNguard M TNS 385
4-pólový, modulární, zásuvný svodič přepětí
pro sítě TN-S, šířka 4 TE
svodič typ 2 podle ČSN EN 61643-11
ukazatel poruchy
nejvyšší provozní napětí: 385 V ac
ochranná úroveň: <= 1,75 kV
jmenovitý svodový proud: 20 kA
zkratová pevnost: 25 kAeff
energetická koordinace podle ČSN EN 62305-4
svodič řady Red/Line

Výrobek: DEHN
Typ: DG M TNS 385
Obj. č.: 952404
nebo rovnocenný.

Certifikáty

 

Technické informace

SPD podle ČSN EN 61643-11 / ... IEC 61643-11 typ 2/Třída II
Maximální provozní napětí AC (UC ) 385 V (50/60 Hz)
Jmenovitý impulzní proud (8/20 µs) (In ) 20 kA
Max. impulzní proud (8/20 µs) (Imax ) 40 kA
Ochranná úroveň [L-PE]/[N-PE] (UP ) ≤ 1,75/≤ 1,75 kV
Max. nadproudová ochrana ze strany sítě 125 A gG
Certifikace KEMA, UL

Produkt 952404 byl přidán na seznam.

K seznamu

Produkt 952404 byl přidán do nákupního košíku.


DEHNguard M TNS ... FM

Modulární svodič přepětí pro sítě TN-S (zapojení 4+0); s bezpotenciálovým kontaktem dálkové signalizace.

3 Produkty

Obj. č. 952408 DG M TNS 150 FM

GTIN 4013364128576, Číslo celního sazebníku (EU): 85363030, Váha brutto: 451.60 g, Balící jednotka: 1.00 ks


Vyobrazení

Další informace

Svodič přepětí DEHNguard M TNS 150 FM
4-pólový, modulární, zásuvný svodič přepětí
pro sítě TN-S, šířka 4 TE
s kontaktem dálkové signalizace
svodič typ 2 podle ČSN EN 61643-11
ukazatel poruchy
nejvyšší provozní napětí: 150 V ac
ochranná úroveň: <= 0,7 kV
jmenovitý svodový proud: 15 kA
zkratová pevnost: 50 kAeff
energetická koordinace podle ČSN EN 62305-4
svodič řady Red/Line

Výrobek: DEHN
Typ: DG M TNS 150 FM
Obj. č.: 952408
nebo rovnocenný.

Certifikáty

 

Technické informace

SPD podle ČSN EN 61643-11 / ... IEC 61643-11 typ 2/Třída II
Maximální provozní napětí AC (UC ) 150 V (50/60 Hz)
Jmenovitý impulzní proud (8/20 µs) (In ) 15 kA
Max. impulzní proud (8/20 µs) (Imax ) 40 kA
Ochranná úroveň [L-PE]/[N-PE] (UP ) ≤ 0,7/≤ 0,7 kV
Max. nadproudová ochrana ze strany sítě 125 A gG
Certifikace KEMA, UL
Kontakty dálkové signalizace/typ kontaktů přepínač

Produkt 952408 byl přidán na seznam.

K seznamu

Produkt 952408 byl přidán do nákupního košíku.

Obj. č. 952405 DG M TNS 275 FM

GTIN 4013364108462, Číslo celního sazebníku (EU): 85363030, Váha brutto: 479.00 g, Balící jednotka: 1.00 ks

Staré provedení

Vyobrazení

Další informace

Svodič přepětí DEHNguard M TNS 275 FM
4-pólový, modulární, zásuvný svodič přepětí
pro sítě TN-S, šířka 4 TE
s kontaktem dálkové signalizace
svodič typ 2 podle ČSN EN 61643-11
ukazatel poruchy
nejvyšší provozní napětí: 275 V ac
ochranná úroveň: <= 1,5 kV
jmenovitý svodový proud: 20 kA
zkratová pevnost: 50 kAeff
energetická koordinace podle ČSN EN 62305-4
svodič řady Red/Line

Výrobek: DEHN
Typ: DG M TNS 275 FM
Obj. č.: 952405
nebo rovnocenný.

Certifikáty

 

Technické informace

SPD podle ČSN EN 61643-11 / ... IEC 61643-11 typ 2/Třída II
Maximální provozní napětí AC (UC ) 275 V (50/60 Hz)
Jmenovitý impulzní proud (8/20 µs) (In ) 20 kA
Max. impulzní proud (8/20 µs) (Imax ) 40 kA
Ochranná úroveň [L-PE]/[N-PE] (UP ) ≤ 1,5/≤ 1,5 kV
Max. nadproudová ochrana ze strany sítě 125 A gG
Certifikace KEMA, VDE, UL
Kontakty dálkové signalizace/typ kontaktů přepínač

Produkt 952405 byl přidán na seznam.

K seznamu

Produkt 952405 byl přidán do nákupního košíku.

Obj. č. 952409 DG M TNS 385 FM

GTIN 4013364128552, Číslo celního sazebníku (EU): 85363030, Váha brutto: 508.40 g, Balící jednotka: 1.00 ks

Staré provedení

Vyobrazení

Další informace

Svodič přepětí DEHNguard M TNS 385 FM
4-pólový, modulární, zásuvný svodič přepětí
pro sítě TN-S, šířka 4 TE
s kontaktem dálkové signalizace
svodič typ 2 podle ČSN EN 61643-11
ukazatel poruchy
nejvyšší provozní napětí: 385 V ac
ochranná úroveň: <= 1,75 kV
jmenovitý svodový proud: 20 kA
zkratová pevnost: 25 kAeff
energetická koordinace podle ČSN EN 62305-4
svodič řady Red/Line

Výrobek: DEHN
Typ: DG M TNS 385 FM
Obj. č.: 952409
nebo rovnocenný.

Certifikáty

 

Technické informace

SPD podle ČSN EN 61643-11 / ... IEC 61643-11 typ 2/Třída II
Maximální provozní napětí AC (UC ) 385 V (50/60 Hz)
Jmenovitý impulzní proud (8/20 µs) (In ) 20 kA
Max. impulzní proud (8/20 µs) (Imax ) 40 kA
Ochranná úroveň [L-PE]/[N-PE] (UP ) ≤ 1,75/≤ 1,75 kV
Max. nadproudová ochrana ze strany sítě 125 A gG
Certifikace KEMA, UL
Kontakty dálkové signalizace/typ kontaktů přepínač

Produkt 952409 byl přidán na seznam.

K seznamu

Produkt 952409 byl přidán do nákupního košíku.


DEHNguard M TT ...

Modulární svodič přepětí pro sítě TT a TN-S (zapojení 3+1).

4 Produkty

Obj. č. 952323 DG M TT 150

GTIN 4013364133235, Číslo celního sazebníku (EU): 85363030, Váha brutto: 406.90 g, Balící jednotka: 1.00 ks


Vyobrazení

Další informace

Svodič přepětí DEHNguard M TT 150
4-pólový, modulární, zásuvný svodič přepětí
pro sítě TT a TN-S, šířka 4 TE
svodič typ 2 podle ČSN EN 61643-11
ukazatel poruchy
nejvyšší provozní napětí: 150 V ac
ochranná úroveň: <= 0,7 kV
jmenovitý svodový proud: 15 kA
zkratová pevnost: 50 kAeff
energetická koordinace podle ČSN EN 62305-4
svodič řady Red/Line

Výrobek: DEHN
Typ: DG M TT 150
Obj. č.: 952323
nebo rovnocenný.

Certifikáty

 

Technické informace

SPD podle ČSN EN 61643-11 / ... IEC 61643-11 typ 2/Třída II
Maximální provozní napětí AC [L-N] (UC ) 150 V (50/60 Hz)
Jmenovitý impulzní proud (8/20 µs) (In ) 15 kA
Max. impulzní proud (8/20 µs) (Imax ) 40 kA
Ochranná úroveň [L-N]/[N-PE] (UP ) ≤ 0,7/≤ 1,5 kV
Max. nadproudová ochrana ze strany sítě 125 A gG

Produkt 952323 byl přidán na seznam.

K seznamu

Produkt 952323 byl přidán do nákupního košíku.

Obj. č. 952310 DG M TT 275

GTIN 4013364108479, Číslo celního sazebníku (EU): 85363030, Váha brutto: 435.03 g, Balící jednotka: 1.00 ks

Staré provedení

Vyobrazení

Další informace

Svodič přepětí DEHNguard M TT 275
4-pólový, modulární, zásuvný svodič přepětí
pro sítě 230/400 V TT a TN-S, šířka 4 TE
svodič typ 2 podle ČSN EN 61643-11
ukazatel poruchy
nejvyšší provozní napětí: 275 V ac
ochranná úroveň: <= 1,5 kV
jmenovitý svodový proud: 20 kA
zkratová pevnost: 50 kAeff
energetická koordinace podle ČSN EN 62305-4
svodič řady Red/Line

Výrobek: DEHN
Typ: DG M TT 275
Obj. č.: 952310
nebo rovnocenný.

Certifikáty

 

Technické informace

SPD podle ČSN EN 61643-11 / ... IEC 61643-11 typ 2/Třída II
Maximální provozní napětí AC [L-N] (UC ) 275 V (50/60 Hz)
Jmenovitý impulzní proud (8/20 µs) (In ) 20 kA
Max. impulzní proud (8/20 µs) (Imax ) 40 kA
Ochranná úroveň [L-N]/[N-PE] (UP ) ≤ 1,5/≤ 1,5 kV
Max. nadproudová ochrana ze strany sítě 125 A gG
Certifikace KEMA, VDE, UL

Produkt 952310 byl přidán na seznam.

K seznamu

Produkt 952310 byl přidán do nákupního košíku.

Obj. č. 952320 DG M TT 320

GTIN 4013364126794, Číslo celního sazebníku (EU): 85363030, Váha brutto: 442.08 g, Balící jednotka: 1.00 ks

Staré provedení

Vyobrazení

Další informace

Svodič přepětí DEHNguard M TT 320
4-pólový, modulární, zásuvný svodič přepětí
pro sítě TT a TN-S, šířka 4 TE
ukazatel poruchy
nejvyšší provozní napětí: 320 V ac
ochranná úroveň: <= 1,5 kV
jmenovitý svodový proud: 20 kA
zkratová pevnost: 25 kAeff
energetická koordinace podle ČSN EN 62305-4
svodič řady Red/Line

Výrobek: DEHN
Typ: DG M TT 320
Obj. č.: 952320
nebo rovnocenný.

Certifikáty

 

Technické informace

SPD podle ČSN EN 61643-11 / ... IEC 61643-11 typ 2/Třída II
Maximální provozní napětí AC [L-N] (UC ) 320 V (50/60 Hz)
Jmenovitý impulzní proud (8/20 µs) (In ) 20 kA
Max. impulzní proud (8/20 µs) (Imax ) 40 kA
Ochranná úroveň [L-N]/[N-PE] (UP ) ≤ 1,5/≤ 1,5 kV
Max. nadproudová ochrana ze strany sítě 125 A gG
Certifikace KEMA

Produkt 952320 byl přidán na seznam.

K seznamu

Produkt 952320 byl přidán do nákupního košíku.

Obj. č. 952311 DG M TT 385

GTIN 4013364119390, Číslo celního sazebníku (EU): 85363030, Váha brutto: 458.20 g, Balící jednotka: 1.00 ks

Staré provedení

Vyobrazení

Další informace

Svodič přepětí DEHNguard M TT 385
4-pólový, modulární, zásuvný svodič přepětí
pro sítě 230/400 V TT a TN-S, šířka 4 TE
svodič typ 2 podle ČSN EN 61643-11
ukazatel poruchy
nejvyšší provozní napětí: 385 V ac
ochranná úroveň: <= 1,75 kV
jmenovitý svodový proud: 20 kA
zkratová pevnost: 25 kAeff
energetická koordinace podle ČSN EN 62305-4
svodič řady Red/Line

Výrobek: DEHN
Typ: DG M TT 385
Obj. č.: 952311
nebo rovnocenný.

Certifikáty

 

Technické informace

SPD podle ČSN EN 61643-11 / ... IEC 61643-11 typ 2/Třída II
Maximální provozní napětí AC [L-N] (UC ) 385 V (50/60 Hz)
Jmenovitý impulzní proud (8/20 µs) (In ) 20 kA
Max. impulzní proud (8/20 µs) (Imax ) 40 kA
Ochranná úroveň [L-N]/[N-PE] (UP ) ≤ 1,75/≤ 1,5 kV
Max. nadproudová ochrana ze strany sítě 125 A gG
Certifikace KEMA, UL

Produkt 952311 byl přidán na seznam.

K seznamu

Produkt 952311 byl přidán do nákupního košíku.


DEHNguard M TT ... FM

Modulární svodič přepětí pro sítě TT a TN-S (zapojení 3+1); s bezpotenciálovým kontaktem dálkové signalizace.

5 Produkty

Obj. č. 952328 DG M TT 150 FM

GTIN 4013364133242, Číslo celního sazebníku (EU): 85363030, Váha brutto: 416.40 g, Balící jednotka: 1.00 ks


Vyobrazení

Další informace

Svodič přepětí DEHNguard M TT 150 FM
4-pólový, modulární, zásuvný svodič přepětí
pro sítě TT a TN-S, šířka 4 TE
s kontaktem dálkové signalizace
svodič typ 2 podle ČSN EN 61643-11
ukazatel poruchy
nejvyšší provozní napětí: 150 V ac
ochranná úroveň: <= 0,7 kV
jmenovitý svodový proud: 15 kA
zkratová pevnost: 50 kAeff
energetická koordinace podle ČSN EN 62305-4
svodič řady Red/Line

Výrobek: DEHN
Typ: DG M TT 150 FM
Obj. č.: 952328
nebo rovnocenný.

Certifikáty

 

Technické informace

SPD podle ČSN EN 61643-11 / ... IEC 61643-11 typ 2/Třída II
Maximální provozní napětí AC [L-N] (UC ) 150 V (50/60 Hz)
Jmenovitý impulzní proud (8/20 µs) (In ) 15 kA
Max. impulzní proud (8/20 µs) (Imax ) 40 kA
Ochranná úroveň [L-N]/[N-PE] (UP ) ≤ 0,7/≤ 1,5 kV
Max. nadproudová ochrana ze strany sítě 125 A gG
Certifikace UL
Kontakty dálkové signalizace/typ kontaktů přepínač

Produkt 952328 byl přidán na seznam.

K seznamu

Produkt 952328 byl přidán do nákupního košíku.

Obj. č. 952315 DG M TT 275 FM

GTIN 4013364108486, Číslo celního sazebníku (EU): 85363030, Váha brutto: 441.30 g, Balící jednotka: 1.00 ks

Staré provedení

Vyobrazení

Další informace

Svodič přepětí DEHNguard M TT 275 FM
4-pólový, modulární, zásuvný svodič přepětí
pro sítě 230/400 V TT a TN-S, šířka 4 TE
s kontaktem dálkové signalizace
svodič typ 2 podle ČSN EN 61643-11
ukazatel poruchy
nejvyšší provozní napětí: 275 V ac
ochranná úroveň: <= 1,5 kV
jmenovitý svodový proud: 20 kA
zkratová pevnost: 50 kAeff
energetická koordinace podle ČSN EN 62305-4
svodič řady Red/Line

Výrobek: DEHN
Typ: DG M TT 275 FM
Obj. č.: 952315
nebo rovnocenný.

Certifikáty

 

Technické informace

SPD podle ČSN EN 61643-11 / ... IEC 61643-11 typ 2/Třída II
Maximální provozní napětí AC [L-N] (UC ) 275 V (50/60 Hz)
Jmenovitý impulzní proud (8/20 µs) (In ) 20 kA
Max. impulzní proud (8/20 µs) (Imax ) 40 kA
Ochranná úroveň [L-N]/[N-PE] (UP ) ≤ 1,5/≤ 1,5 kV
Max. nadproudová ochrana ze strany sítě 125 A gG
Certifikace KEMA, VDE, UL
Kontakty dálkové signalizace/typ kontaktů přepínač

Produkt 952315 byl přidán na seznam.

K seznamu

Produkt 952315 byl přidán do nákupního košíku.

Obj. č. 952325 DG M TT 320 FM

GTIN 4013364126800, Číslo celního sazebníku (EU): 85363030, Váha brutto: 450.80 g, Balící jednotka: 1.00 ks

Staré provedení

Vyobrazení

Další informace

Svodič přepětí DEHNguard M TT 320 FM
4-pólový, modulární, zásuvný svodič přepětí
pro sítě TT a TN-S, šířka 4 TE
s kontaktem dálkové signalizace
ukazatel poruchy
nejvyšší provozní napětí: 320 V ac
ochranná úroveň: <= 1,5 kV
jmenovitý svodový proud: 20 kA
zkratová pevnost: 25 kAeff
energetická koordinace podle ČSN EN 62305-4
svodič řady Red/Line

Výrobek: DEHN
Typ: DG M TT 320 FM
Obj. č.: 952325
nebo rovnocenný.

Certifikáty

 

Technické informace

SPD podle ČSN EN 61643-11 / ... IEC 61643-11 typ 2/Třída II
Maximální provozní napětí AC [L-N] (UC ) 320 V (50/60 Hz)
Jmenovitý impulzní proud (8/20 µs) (In ) 20 kA
Max. impulzní proud (8/20 µs) (Imax ) 40 kA
Ochranná úroveň [L-N]/[N-PE] (UP ) ≤ 1,5/≤ 1,5 kV
Max. nadproudová ochrana ze strany sítě 125 A gG
Certifikace KEMA
Kontakty dálkové signalizace/typ kontaktů přepínač

Produkt 952325 byl přidán na seznam.

K seznamu

Produkt 952325 byl přidán do nákupního košíku.

Obj. č. 952316 DG M TT 385 FM

GTIN 4013364119406, Číslo celního sazebníku (EU): 85363030, Váha brutto: 462.10 g, Balící jednotka: 1.00 ks

Staré provedení

Vyobrazení

Další informace

Svodič přepětí DEHNguard M TT 385 FM
4-pólový, modulární, zásuvný svodič přepětí
pro sítě 230/400 V TT a TN-S, šířka 4 TE
svodič typ 2 podle ČSN EN 61643-11
s kontaktem dálkové signalizace
ukazatel poruchy
nejvyšší provozní napětí: 385 V ac
ochranná úroveň: <= 1,75 kV
jmenovitý svodový proud: 20 kA
zkratová pevnost: 25 kAeff
energetická koordinace podle ČSN EN 62305-4
svodič řady Red/Line

Výrobek: DEHN
Typ: DG M TT 385 FM
Obj. č.: 952316
nebo rovnocenný.

Certifikáty

 

Technické informace

SPD podle ČSN EN 61643-11 / ... IEC 61643-11 typ 2/Třída II
Maximální provozní napětí AC [L-N] (UC ) 385 V (50/60 Hz)
Jmenovitý impulzní proud (8/20 µs) (In ) 20 kA
Max. impulzní proud (8/20 µs) (Imax ) 40 kA
Ochranná úroveň [L-N]/[N-PE] (UP ) ≤ 1,75/≤ 1,5 kV
Max. nadproudová ochrana ze strany sítě 125 A gG
Certifikace KEMA, UL
Kontakty dálkové signalizace/typ kontaktů přepínač

Produkt 952316 byl přidán na seznam.

K seznamu

Produkt 952316 byl přidán do nákupního košíku.

Obj. č. 952332 DG M TT 385/305 FM

GTIN 4013364469945, Číslo celního sazebníku (EU): 85363030, Váha brutto: 464.30 g, Balící jednotka: 1.00 ks


Vyobrazení

Další informace

Svodič přepětí DEHNguard M TT 385/305 FM
4-pólový, modulární, zásuvný svodič přepětí
pro sítě 230/400 V TT a TN-S, šířka 4 TE
svodič typ 2 podle ČSN EN 61643-11
s kontaktem dálkové signalizace
ukazatel poruchy
nejvyšší provozní napětí: 385 V ac
ochranná úroveň: <= 1,75 kV
jmenovitý svodový proud: 20 kA
zkratová pevnost: 25 kAeff
energetická koordinace podle ČSN EN 62305-4
svodič řady Red/Line

Výrobek: DEHN
Typ: DG M TT 385/305 FM
Obj. č.: 952332
nebo rovnocenný.

Certifikáty

 

Technické informace

SPD podle ČSN EN 61643-11 / ... IEC 61643-11 typ 2/Třída II
Maximální provozní napětí AC [L-N] (UC ) 385 V (50/60 Hz)
Jmenovitý impulzní proud (8/20 µs) (In ) 20 kA
Max. impulzní proud (8/20 µs) (Imax ) 40 kA
Ochranná úroveň [L-N]/[N-PE] (UP ) ≤ 1,75/≤ 1,5 kV
Max. nadproudová ochrana ze strany sítě 125 A gG
Certifikace UL
Kontakty dálkové signalizace/typ kontaktů přepínač

Produkt 952332 byl přidán na seznam.

K seznamu

Produkt 952332 byl přidán do nákupního košíku.


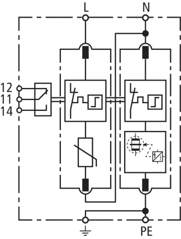
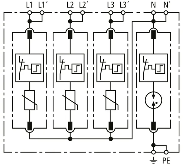
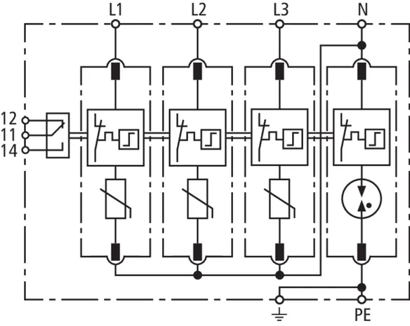
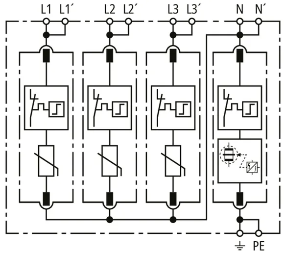
DEHNguard M H TT ... (FM)

Modulární svodič přepětí se schopností odvést vysoké součtové proudy tekoucí mezi vodičem N a PE pro sítě TT a TN-S (zapojení 3+1). Splňuje nejvyšší požadavky na bezpečnost podle ČSN EN 33 2000-5-534 pro instalaci do napájecích bodů elektrických zařízení; s bezpotenciálovým kontaktem dálkové signalizace.

2 Produkty

Obj. č. 952381 DG M H TT 275

GTIN 4013364318144, Číslo celního sazebníku (EU): 85363030, Váha brutto: 435.03 g, Balící jednotka: 1.00 ks


Vyobrazení

Další informace

Svodič přepětí DEHNguard M H TT 275
4-pólový, modulární, zásuvný svodič přepětí
s vysokým svodovým výkonem
pro sítě 230/400 V TT a TN-S, šířka 4 TE
svodič typ 2 podle ČSN EN 61643-11
ukazatel poruchy
nejvyšší provozní napětí: 275 V ac
ochranná úroveň: <= 1,5 kV
jmenovitý svodový proud [L-N]: 20 kA
jmenovitý svodový proud [N-PE]: 80 kA
zkratová pevnost: 50 kAeff
energetická koordinace podle ČSN EN 62305-4
svodič řady Red/Line

Výrobek: DEHN
Typ: DG M H TT 275
Obj. č.: 952381
nebo rovnocenný.

Certifikáty

 

Technické informace

SPD podle ČSN EN 61643-11 / ... IEC 61643-11 typ 2/Třída II
Maximální provozní napětí AC [L-N] (UC ) 275 V (50/60 Hz)
Jmenovitý impulzní proud (8/20 µs) [L-N] (In ) 20 kA
Jmenovitý impulzní proud (8/20 µs) [N-PE] (In ) 80 kA
Max. impulzní proud (8/20 µs) [L-N] (Imax ) 40 kA
Max. impulzní proud (8/20 µs) [N-PE] (Imax ) 120 kA
Ochranná úroveň [L-N]/[N-PE] (UP ) ≤ 1,5/≤ 1,5 kV
Max. nadproudová ochrana ze strany sítě 125 A gG
Certifikace KEMA

Produkt 952381 byl přidán na seznam.

K seznamu

Produkt 952381 byl přidán do nákupního košíku.

Obj. č. 952385 DG M H TT 275 FM

GTIN 4013364318137, Číslo celního sazebníku (EU): 85363030, Váha brutto: 441.30 g, Balící jednotka: 1.00 ks


Vyobrazení

Další informace

Svodič přepětí DEHNguard M H TT 275 FM
4-pólový, modulární, zásuvný svodič přepětí
s vysokým svodovým výkonem
pro sítě 230/400 V TT a TN-S, šířka 4 TE
s kontaktem dálkové signalizace
svodič typ 2 podle ČSN EN 61643-11
ukazatel poruchy
nejvyšší provozní napětí: 275 V ac
ochranná úroveň: <= 1,5 kV
jmenovitý svodový proud [L-N]: 20 kA
jmenovitý svodový proud [N-PE]: 80 kA
zkratová pevnost: 50 kAeff
energetická koordinace podle ČSN EN 62305-4
svodič řady Red/Line

Výrobek: DEHN
Typ: DG M H TT 275 FM
Obj. č.: 952385
nebo rovnocenný.

Certifikáty

 

Technické informace

SPD podle ČSN EN 61643-11 / ... IEC 61643-11 typ 2/Třída II
Maximální provozní napětí AC [L-N] (UC ) 275 V (50/60 Hz)
Jmenovitý impulzní proud (8/20 µs) [L-N] (In ) 20 kA
Jmenovitý impulzní proud (8/20 µs) [N-PE] (In ) 80 kA
Max. impulzní proud (8/20 µs) [L-N] (Imax ) 40 kA
Max. impulzní proud (8/20 µs) [N-PE] (Imax ) 120 kA
Ochranná úroveň [L-N]/[N-PE] (UP ) ≤ 1,5/≤ 1,5 kV
Max. nadproudová ochrana ze strany sítě 125 A gG
Certifikace KEMA
Kontakty dálkové signalizace/typ kontaktů přepínač

Produkt 952385 byl přidán na seznam.

K seznamu

Produkt 952385 byl přidán do nákupního košíku.


DEHNguard M TN ...

Modulární svodič přepětí pro jednofázové sítě TN (zapojení 2+0).

2 Produkty

Obj. č. 952201 DG M TN 150

GTIN 4013364123915, Číslo celního sazebníku (EU): 85363030, Váha brutto: 227.20 g, Balící jednotka: 1.00 ks


Vyobrazení

Další informace

Svodič přepětí DEHNguard M TN 150
2-pólový, modulární, zásuvný svodič přepětí
pro jednofázové sítě TN, šířka 2 TE
svodič typ 2 podle ČSN EN 61643-11
ukazatel poruchy
nejvyšší provozní napětí: 150 V ac
ochranná úroveň: <= 0,7 kV
jmenovitý svodový proud: 15 kA
zkratová pevnost: 50 kAeff
energetická koordinace podle ČSN EN 62305-4
svodič řady Red/Line

Výrobek: DEHN
Typ: DG M TN 150
Obj. č.: 952201
nebo rovnocenný.

Certifikáty

 

Technické informace

SPD podle ČSN EN 61643-11 / ... IEC 61643-11 typ 2/Třída II
Maximální provozní napětí AC (UC ) 150 V (50/60 Hz)
Jmenovitý impulzní proud (8/20 µs) (In ) 15 kA
Max. impulzní proud (8/20 µs) (Imax ) 40 kA
Ochranná úroveň [L-PE]/[N-PE] (UP ) ≤ 0,7/≤ 0,7 kV
Max. nadproudová ochrana ze strany sítě 125 A gG
Certifikace KEMA, UL

Produkt 952201 byl přidán na seznam.

K seznamu

Produkt 952201 byl přidán do nákupního košíku.

Obj. č. 952200 DG M TN 275

GTIN 4013364108394, Číslo celního sazebníku (EU): 85363030, Váha brutto: 244.60 g, Balící jednotka: 1.00 ks

Staré provedení

Vyobrazení

Další informace

Svodič přepětí DEHNguard M TN 275
2-pólový, modulární, zásuvný svodič přepětí
pro jednofázové sítě 230 V TN, šířka 2 TE
svodič typ 2 podle ČSN EN 61643-11
ukazatel poruchy
nejvyšší provozní napětí: 275 V ac
ochranná úroveň: <= 1,5 kV
jmenovitý svodový proud: 20 kA
zkratová pevnost: 50 kAeff
energetická koordinace podle ČSN EN 62305-4
svodič řady Red/Line

Výrobek: DEHN
Typ: DG M TN 275
Obj. č.: 952200
nebo rovnocenný.

Certifikáty

 

Technické informace

SPD podle ČSN EN 61643-11 / ... IEC 61643-11 typ 2/Třída II
Maximální provozní napětí AC (UC ) 275 V (50/60 Hz)
Jmenovitý impulzní proud (8/20 µs) (In ) 20 kA
Max. impulzní proud (8/20 µs) (Imax ) 40 kA
Ochranná úroveň [L-PE]/[N-PE] (UP ) ≤ 1,5/≤ 1,5 kV
Max. nadproudová ochrana ze strany sítě 125 A gG
Certifikace KEMA, VDE, UL, ATEX, IECEx

Produkt 952200 byl přidán na seznam.

K seznamu

Produkt 952200 byl přidán do nákupního košíku.


DEHNguard M TN ... FM

Modulární svodič přepětí pro jednofázové sítě TN (zapojení 2+0); s bezpotenciálovým kontaktem dálkové signalizace.

2 Produkty

Obj. č. 952206 DG M TN 150 FM

GTIN 4013364123922, Číslo celního sazebníku (EU): 85363030, Váha brutto: 233.10 g, Balící jednotka: 1.00 ks


Vyobrazení

Další informace

Svodič přepětí DEHNguard M TN 150 FM
2-pólový, modulární, zásuvný svodič přepětí
pro jednofázové sítě TN, šířka 2 TE
s kontaktem dálkové signalizace
svodič typ 2 podle ČSN EN 61643-11
ukazatel poruchy
nejvyšší provozní napětí: 150 V ac
ochranná úroveň: <= 0,7 kV
jmenovitý svodový proud: 15 kA
zkratová pevnost: 50 kAeff
energetická koordinace podle ČSN EN 62305-4
svodič řady Red/Line

Výrobek: DEHN
Typ: DG M TN 150 FM
Obj. č.: 952206
nebo rovnocenný.

Certifikáty

 

Technické informace

SPD podle ČSN EN 61643-11 / ... IEC 61643-11 typ 2/Třída II
Maximální provozní napětí AC (UC ) 150 V (50/60 Hz)
Jmenovitý impulzní proud (8/20 µs) (In ) 15 kA
Max. impulzní proud (8/20 µs) (Imax ) 40 kA
Ochranná úroveň [L-PE]/[N-PE] (UP ) ≤ 0,7/≤ 0,7 kV
Max. nadproudová ochrana ze strany sítě 125 A gG
Certifikace KEMA, UL
Kontakty dálkové signalizace/typ kontaktů přepínač

Produkt 952206 byl přidán na seznam.

K seznamu

Produkt 952206 byl přidán do nákupního košíku.

Obj. č. 952205 DG M TN 275 FM

GTIN 4013364108400, Číslo celního sazebníku (EU): 85363030, Váha brutto: 247.70 g, Balící jednotka: 1.00 ks

Staré provedení

Vyobrazení

Další informace

Svodič přepětí DEHNguard M TN 275 FM
2-pólový, modulární, zásuvný svodič přepětí
pro jednofázové sítě 230 V TN, šířka 2 TE
s kontaktem dálkové signalizace
svodič typ 2 podle ČSN EN 61643-11
ukazatel poruchy
nejvyšší provozní napětí: 275 V ac
ochranná úroveň: <= 1,5 kV
jmenovitý svodový proud: 20 kA
zkratová pevnost: 50 kAeff
energetická koordinace podle ČSN EN 62305-4
svodič řady Red/Line

Výrobek: DEHN
Typ: DG M TN 275 FM
Obj. č.: 952205
nebo rovnocenný.

Certifikáty

 

Technické informace

SPD podle ČSN EN 61643-11 / ... IEC 61643-11 typ 2/Třída II
Maximální provozní napětí AC (UC ) 275 V (50/60 Hz)
Jmenovitý impulzní proud (8/20 µs) (In ) 20 kA
Max. impulzní proud (8/20 µs) (Imax ) 40 kA
Ochranná úroveň [L-PE]/[N-PE] (UP ) ≤ 1,5/≤ 1,5 kV
Max. nadproudová ochrana ze strany sítě 125 A gG
Certifikace KEMA, VDE, UL, ATEX, IECEx
Kontakty dálkové signalizace/typ kontaktů přepínač

Produkt 952205 byl přidán na seznam.

K seznamu

Produkt 952205 byl přidán do nákupního košíku.


DEHNguard M H TT 2P ... (FM)

Modulární svodič přepětí se schopností odvést vysoké součtové proudy tekoucí mezi vodičem N a PE pro sítě TT a TN-S (zapojení 1+1). Splňuje nejvyšší požadavky na bezpečnost podle ČSN EN 33 2000-5-534 pro instalaci do napájecích bodů elektrických zařízení; s bezpotenciálovým kontaktem dálkové signalizace.

2 Produkty

Obj. č. 952181 DG M H TT 2P 275

GTIN 4013364318175, Číslo celního sazebníku (EU): 85363030, Váha brutto: 244.10 g, Balící jednotka: 1.00 ks


Vyobrazení

Další informace

Svodič přepětí DEHNguard M H TT 2P 275
2-pólový, modulární, zásuvný svodič přepětí
s vysokým svodovým výkonem
pro jednofázové sítě 230 V TT a TN, šířka 2 TE
svodič typ 2 podle ČSN EN 61643-11
ukazatel poruchy
nejvyšší provozní napětí: 275 V ac
ochranná úroveň: <= 1,5 kV
jmenovitý svodový proud [L-N]: 20 kA
jmenovitý svodový proud [N-PE]: 80 kA
zkratová pevnost: 25 kAeff
energetická koordinace podle ČSN EN 62305-4
svodič řady Red/Line

Výrobek: DEHN
Typ: DG M H TT 2P 275
Obj. č.: 952181
nebo rovnocenný.

Certifikáty

 

Technické informace

SPD podle ČSN EN 61643-11 / ... IEC 61643-11 typ 2/Třída II
Maximální provozní napětí AC [L-N] (UC ) 275 V (50/60 Hz)
Jmenovitý impulzní proud (8/20 µs) [L-N] (In ) 20 kA
Jmenovitý impulzní proud (8/20 µs) [N-PE] (In ) 80 kA
Max. impulzní proud (8/20 µs) [L-N] (Imax ) 40 kA
Max. impulzní proud (8/20 µs) [N-PE] (Imax ) 120 kA
Ochranná úroveň [L-N]/[N-PE] (UP ) ≤ 1,5/≤ 1,5 kV
Max. nadproudová ochrana ze strany sítě 125 A gG
Certifikace KEMA

Produkt 952181 byl přidán na seznam.

K seznamu

Produkt 952181 byl přidán do nákupního košíku.

Obj. č. 952185 DG M H TT 2P 275 FM

GTIN 4013364318151, Číslo celního sazebníku (EU): 85363030, Váha brutto: 244.10 g, Balící jednotka: 1.00 ks


Vyobrazení

Další informace

Svodič přepětí DEHNguard M H TT 2P 275 FM
2-pólový, modulární, zásuvný svodič přepětí
s vysokým svodovým výkonem
pro jednofázové sítě 230 V TT a TN, šířka 2 TE
s kontaktem dálkové signalizace
svodič typ 2 podle ČSN EN 61643-11
ukazatel poruchy
nejvyšší provozní napětí: 275 V ac
ochranná úroveň: <= 1,5 kV
jmenovitý svodový proud [L-N]: 20 kA
jmenovitý svodový proud [N-PE]: 80 kA
zkratová pevnost: 25 kAeff
energetická koordinace podle ČSN EN 62305-4
svodič řady Red/Line

Výrobek: DEHN
Typ: DG M H TT 2P 275 FM
Obj. č.: 952185
nebo rovnocenný.

Certifikáty

 

Technické informace

SPD podle ČSN EN 61643-11 / ... IEC 61643-11 typ 2/Třída II
Maximální provozní napětí AC [L-N] (UC ) 275 V (50/60 Hz)
Jmenovitý impulzní proud (8/20 µs) [L-N] (In ) 20 kA
Jmenovitý impulzní proud (8/20 µs) [N-PE] (In ) 80 kA
Max. impulzní proud (8/20 µs) [L-N] (Imax ) 40 kA
Max. impulzní proud (8/20 µs) [N-PE] (Imax ) 120 kA
Ochranná úroveň [L-N]/[N-PE] (UP ) ≤ 1,5/≤ 1,5 kV
Max. nadproudová ochrana ze strany sítě 125 A gG
Certifikace KEMA
Kontakty dálkové signalizace/typ kontaktů přepínač

Produkt 952185 byl přidán na seznam.

K seznamu

Produkt 952185 byl přidán do nákupního košíku.


DEHNguard M TT 2P ...

Modulární svodič přepětí pro jednofázové sítě TT a TN (zapojení 1+1).

3 Produkty

Obj. č. 952110 DG M TT 2P 275

GTIN 4013364108417, Číslo celního sazebníku (EU): 85363030, Váha brutto: 258.00 g, Balící jednotka: 1.00 ks

Staré provedení

Vyobrazení

Další informace

Svodič přepětí DEHNguard M TT 2P 275
2-pólový, modulární, zásuvný svodič přepětí
pro jednofázové sítě 230 V TT a TN, šířka 2 TE
svodič typ 2 podle ČSN EN 61643-11
ukazatel poruchy
nejvyšší provozní napětí: 275 V ac
ochranná úroveň: <= 1,5 kV
jmenovitý svodový proud: 20 kA
zkratová pevnost: 50 kAeff
energetická koordinace podle ČSN EN 62305-4
svodič řady Red/Line

Výrobek: DEHN
Typ: DG M TT 2P 275
Obj. č.: 952110
nebo rovnocenný.

Certifikáty

 

Technické informace

SPD podle ČSN EN 61643-11 / ... IEC 61643-11 typ 2/Třída II
Maximální provozní napětí AC [L-N] (UC ) 275 V (50/60 Hz)
Jmenovitý impulzní proud (8/20 µs) (In ) 20 kA
Max. impulzní proud (8/20 µs) (Imax ) 40 kA
Ochranná úroveň [L-N]/[N-PE] (UP ) ≤ 1,5/≤ 1,5 kV
Max. nadproudová ochrana ze strany sítě 125 A gG
Certifikace KEMA, VDE, UL, ATEX, IECEx

Produkt 952110 byl přidán na seznam.

K seznamu

Produkt 952110 byl přidán do nákupního košíku.

Obj. č. 952130 DG M TT 2P 320

GTIN 4013364128521, Číslo celního sazebníku (EU): 85363030, Váha brutto: 263.20 g, Balící jednotka: 1.00 ks


Vyobrazení

Další informace

Svodič přepětí DEHNguard M TT 2P 320
2-pólový, modulární, zásuvný svodič přepětí
pro jednofázové sítě 230 V TT a TN, šířka 2 TE
svodič typ 2 podle ČSN EN 61643-11
ukazatel poruchy
nejvyšší provozní napětí: 320 V ac
ochranná úroveň: <= 1,5 kV
jmenovitý svodový proud: 20 kA
zkratová pevnost: 25 kAeff
energetická koordinace podle ČSN EN 62305-4
svodič řady Red/Line

Výrobek: DEHN
Typ: DG M TT 2P 320
Obj. č.: 952130
nebo rovnocenný.

Certifikáty

 

Technické informace

SPD podle ČSN EN 61643-11 / ... IEC 61643-11 typ 2/Třída II
Maximální provozní napětí AC [L-N] (UC ) 320 V (50/60 Hz)
Jmenovitý impulzní proud (8/20 µs) (In ) 20 kA
Max. impulzní proud (8/20 µs) (Imax ) 40 kA
Ochranná úroveň [L-N]/[N-PE] (UP ) ≤ 1,5/≤ 1,5 kV
Max. nadproudová ochrana ze strany sítě 125 A gG
Certifikace KEMA

Produkt 952130 byl přidán na seznam.

K seznamu

Produkt 952130 byl přidán do nákupního košíku.

Obj. č. 952111 DG M TT 2P 385

GTIN 4013364119420, Číslo celního sazebníku (EU): 85363030, Váha brutto: 248.30 g, Balící jednotka: 1.00 ks


Vyobrazení

Další informace

Svodič přepětí DEHNguard M TT 2P 385
2-pólový, modulární, zásuvný svodič přepětí
pro jednofázové sítě TT a TN, šířka 2 TE
svodič typ 2 podle ČSN EN 61643-11
ukazatel poruchy
nejvyšší provozní napětí: 385 V ac
ochranná úroveň: <= 1,75 kV
jmenovitý svodový proud: 20 kA
zkratová pevnost: 25 kAeff
energetická koordinace podle ČSN EN 62305-4
svodič řady Red/Line

Výrobek: DEHN
Typ: DG M TT 2P 385
Obj. č.: 952111
nebo rovnocenný.

Certifikáty

 

Technické informace

SPD podle ČSN EN 61643-11 / ... IEC 61643-11 typ 2/Třída II
Maximální provozní napětí AC [L-N] (UC ) 385 V (50/60 Hz)
Jmenovitý impulzní proud (8/20 µs) (In ) 20 kA
Max. impulzní proud (8/20 µs) (Imax ) 40 kA
Ochranná úroveň [L-N]/[N-PE] (UP ) ≤ 1,75/≤ 1,5 kV
Max. nadproudová ochrana ze strany sítě 125 A gG
Certifikace KEMA

Produkt 952111 byl přidán na seznam.

K seznamu

Produkt 952111 byl přidán do nákupního košíku.


DEHNguard M TT 2P ... FM

Modulární svodič přepětí pro jednofázové sítě TT a TN (zapojení 1+1); s bezpotenciálovým kontaktem dálkové signalizace.

3 Produkty

Obj. č. 952115 DG M TT 2P 275 FM

GTIN 4013364108424, Číslo celního sazebníku (EU): 85363030, Váha brutto: 244.10 g, Balící jednotka: 1.00 ks

Staré provedení

Vyobrazení

Další informace

Svodič přepětí DEHNguard M TT 2P 275 FM
2-pólový, modulární, zásuvný svodič přepětí
pro jednofázové sítě 230 V TT a TN, šířka 2 TE
s kontaktem dálkové signalizace
svodič typ 2 podle ČSN EN 61643-11
ukazatel poruchy
nejvyšší provozní napětí: 275 V ac
ochranná úroveň: <= 1,5 kV
jmenovitý svodový proud: 20 kA
zkratová pevnost: 50 kAeff
energetická koordinace podle ČSN EN 62305-4
svodič řady Red/Line

Výrobek: DEHN
Typ: DG M TT 2P 275 FM
Obj. č.: 952115
nebo rovnocenný.

Certifikáty

 

Technické informace

SPD podle ČSN EN 61643-11 / ... IEC 61643-11 typ 2/Třída II
Maximální provozní napětí AC [L-N] (UC ) 275 V (50/60 Hz)
Jmenovitý impulzní proud (8/20 µs) (In ) 20 kA
Max. impulzní proud (8/20 µs) (Imax ) 40 kA
Ochranná úroveň [L-N]/[N-PE] (UP ) ≤ 1,5/≤ 1,5 kV
Max. nadproudová ochrana ze strany sítě 125 A gG
Certifikace KEMA, VDE, UL, ATEX, IECEx
Kontakty dálkové signalizace/typ kontaktů přepínač

Produkt 952115 byl přidán na seznam.

K seznamu

Produkt 952115 byl přidán do nákupního košíku.

Obj. č. 952135 DG M TT 2P 320 FM

GTIN 4013364128538, Číslo celního sazebníku (EU): 85363030, Váha brutto: 269.20 g, Balící jednotka: 1.00 ks


Vyobrazení

Další informace

Svodič přepětí DEHNguard M TT 2P 320 FM
2-pólový, modulární, zásuvný svodič přepětí
pro jednofázové sítě 230 V TT a TN, šířka 2 TE
s kontaktem dálkové signalizace
svodič typ 2 podle ČSN EN 61643-11
ukazatel poruchy
nejvyšší provozní napětí: 320 V ac
ochranná úroveň: <= 1,5 kV
jmenovitý svodový proud: 20 kA
zkratová pevnost: 25 kAeff
energetická koordinace podle ČSN EN 62305-4
svodič řady Red/Line

Výrobek: DEHN
Typ: DG M TT 2P 320 FM
Obj. č.: 952135
nebo rovnocenný.

Certifikáty

 

Technické informace

SPD podle ČSN EN 61643-11 / ... IEC 61643-11 typ 2/Třída II
Maximální provozní napětí AC [L-N] (UC ) 320 V (50/60 Hz)
Jmenovitý impulzní proud (8/20 µs) (In ) 20 kA
Max. impulzní proud (8/20 µs) (Imax ) 40 kA
Ochranná úroveň [L-N]/[N-PE] (UP ) ≤ 1,5/≤ 1,5 kV
Max. nadproudová ochrana ze strany sítě 125 A gG
Certifikace KEMA
Kontakty dálkové signalizace/typ kontaktů přepínač

Produkt 952135 byl přidán na seznam.

K seznamu

Produkt 952135 byl přidán do nákupního košíku.

Obj. č. 952116 DG M TT 2P 385 FM

GTIN 4013364119413, Číslo celního sazebníku (EU): 85363030, Váha brutto: 251.70 g, Balící jednotka: 1.00 ks

Staré provedení

Vyobrazení

Další informace

Svodič přepětí DEHNguard M TT 2P 385 FM
2-pólový, modulární, zásuvný svodič přepětí
pro jednofázové sítě TT a TN, šířka 2 TE
s kontaktem dálkové signalizace
svodič typ 2 podle ČSN EN 61643-11
ukazatel poruchy
nejvyšší provozní napětí: 385 V ac
ochranná úroveň: <= 1,75 kV
jmenovitý svodový proud: 20 kA
zkratová pevnost: 25 kAeff
energetická koordinace podle ČSN EN 62305-4
svodič řady Red/Line

Výrobek: DEHN
Typ: DG M TT 2P 385 FM
Obj. č.: 952116
nebo rovnocenný.

Certifikáty

 

Technické informace

SPD podle ČSN EN 61643-11 / ... IEC 61643-11 typ 2/Třída II
Maximální provozní napětí AC [L-N] (UC ) 385 V (50/60 Hz)
Jmenovitý impulzní proud (8/20 µs) (In ) 20 kA
Max. impulzní proud (8/20 µs) (Imax ) 40 kA
Ochranná úroveň [L-N]/[N-PE] (UP ) ≤ 1,75/≤ 1,5 kV
Max. nadproudová ochrana ze strany sítě 125 A gG
Certifikace KEMA
Kontakty dálkové signalizace/typ kontaktů přepínač

Produkt 952116 byl přidán na seznam.

K seznamu

Produkt 952116 byl přidán do nákupního košíku.


DEHNguard M WE ... (FM)

Modulární svodič přepětí (zapojení 3+0) se jmenovitým napětím varistoru Umov = 750 V AC; v provedení FM s bezpotenciálovým kontaktem dálkové signalizace.

2 Produkty

Obj. č. 952302 DG M WE 600

GTIN 4013364113305, Číslo celního sazebníku (EU): 85363030, Váha brutto: 406.60 g, Balící jednotka: 1.00 ks

Staré provedení

Vyobrazení

Další informace

Svodič přepětí DEHNguard M WE 600
3-pólový, modulární, zásuvný svodič přepětí
pro větrné elektrárny
pro sítě 400/690 V TN-C, šířka 3 TE
varistor s vyšším měrným napětím Umov
zohledňuje krátkodobé výkyvy sítě
svodič typ 2 podle ČSN EN 61643-11
ukazatel poruchy
nejvyšší provozní napětí: 600 V ac
měrné napětí varistoru: 750 V ac
ochranná úroveň: <= 3 kV
jmenovitý svodový proud: 15 kA
zkratová pevnost: 25 kAeff
energetická koordinace podle ČSN EN 62305-4
svodič řady Red/Line

Výrobek: DEHN
Typ: DG M WE 600
Obj. č.: 952302
nebo rovnocenný.

Certifikáty

 

Technické informace

SPD podle ČSN EN 61643-11 / ... IEC 61643-11 typ 2/Třída II
Maximální provozní napětí AC (UC ) 600 V (50/60 Hz)
Jmenovité napětí varistoru (Umov ) 750 V
Jmenovitý impulzní proud (8/20 µs) (In ) 15 kA
Max. impulzní proud (8/20 µs) (Imax ) 25 kA
Ochranná úroveň (UP ) ≤ 3 kV
Max. nadproudová ochrana ze strany sítě 100 A gG
Certifikace KEMA, UL

Produkt 952302 byl přidán na seznam.

K seznamu

Produkt 952302 byl přidán do nákupního košíku.

Obj. č. 952307 DG M WE 600 FM

GTIN 4013364113312, Číslo celního sazebníku (EU): 85363030, Váha brutto: 409.50 g, Balící jednotka: 1.00 ks

Staré provedení

Vyobrazení

Další informace

Svodič přepětí DEHNguard M WE 600 FM
3-pólový, modulární, zásuvný svodič přepětí
pro větrné elektrárny
pro sítě 400/690 V TN-C, šířka 3 TE
s kontaktem dálkové signalizace
varistor s vyšším měrným napětím Umov
zohledňuje krátkodobé výkyvy sítě
svodič typ 2 podle ČSN EN 61643-11
ukazatel poruchy
nejvyšší provozní napětí: 600 V ac
měrné napětí varistoru: 750 V ac
ochranná úroveň: <= 3 kV
jmenovitý svodový proud: 15 kA
zkratová pevnost: 25 kAeff
energetická koordinace podle ČSN EN 62305-4
svodič řady Red/Line

Výrobek: DEHN
Typ: DG M WE 600 FM
Obj. č.: 952307
nebo rovnocenný.

Certifikáty

 

Technické informace

SPD podle ČSN EN 61643-11 / ... IEC 61643-11 typ 2/Třída II
Maximální provozní napětí AC (UC ) 600 V (50/60 Hz)
Jmenovité napětí varistoru (Umov ) 750 V
Jmenovitý impulzní proud (8/20 µs) (In ) 15 kA
Max. impulzní proud (8/20 µs) (Imax ) 25 kA
Ochranná úroveň (UP ) ≤ 3 kV
Max. nadproudová ochrana ze strany sítě 100 A gG
Certifikace KEMA, UL
Kontakty dálkové signalizace/typ kontaktů přepínač

Produkt 952307 byl přidán na seznam.

K seznamu

Produkt 952307 byl přidán do nákupního košíku.


back to top