DEHNbox

Kombinovaný svodič bleskových proudů/svodič přepětí
  • Schopnost svádět bleskové proudy až 10 kA (10/350 μs)
  • Nízká ochranná úroveň, je vhodný i pro ochranu koncových zařízení
  • Instalace na rozhraní zón ochrany před bleskem LPZ 0A – 2 a vyšších
Jednoduché použití
  • Je určen pro montáž na stěnu
  • Použití pružinových svorek umožňuje rychlou a jednoduchou instalaci
  • Snadné dovybavení stávajících připojení svodičem přepětí
Jistota při instalaci a provozu (DBX TC B 180)
  • Signalizace stavu pro snadnou údržbu
  • Možnost připojení přes RJ45 pro Plug & Play
  • Univerzální použití až do 1 Gbit

Details

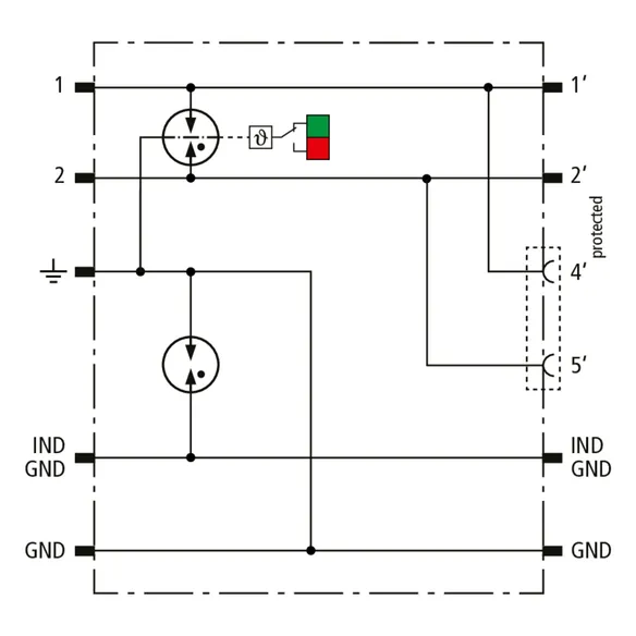
Zásuvka RJ45 na výstupu pro přímé připojení k routeru (DBX TC 180).
lorem ipsum
Prostřednictvím zásuvných západek je možno sestavit více přístrojů (DBX TC B 180).
lorem ipsum
Optický ukazatel stavu (DBX TC 180).
lorem ipsum
Svorky push-in pro rychlé připojení bez použití nářadí (DBX TC B 180)
lorem ipsum

Další informace


DBX TC B 180

Prostorově úsporný kompaktní svodič přepětí umístěný v plastové skříňce, s připojením push-in a ukazatelem stavu. Svodič přepětí chrání jeden pár vedení bezpotenciálových symetrických rozhraní, zejména telekomunikační rozhraní VVDSL a G.fast (do 1 Gbit/s). Možnost přímého/nepřímého uzemnění stínění. Na výstup lze volitelně připojit jeden pár vedení nebo jedno Patch-vedení se zástrčkou RJ45.

Testy Deutsche Telekom Technik GmbH potvrzují kompatibilitu s Vectoring-VDSL (VVDSL), Super-Vectoring-VDSL (SVVDSL) a G.Fast.

1 Produkt

Obj. č. 922220 DBX TC B 180

GTIN 4013364433953, Číslo celního sazebníku (EU): 85363030, Váha brutto: 93.63 g, Balící jednotka: 1.00 ks

Staré provedení

Vyobrazení

Další informace

Kompaktní svodič bleskových proudů DEHNbox DBX TC B 180
Kompaktní svodiče je možno řadit vedle sebe
třída svodiče Typ 1/P2
chrání jeden pár vedení
telekomunikačních rozhraní
pružinové svorky bez použití nářadí,
integrované odlehčení tahu a ukazatel stavu
Jmenovitý proud při 40 °C: 1 A
D1 bleskový proud (10/350 µs) celkový: 7,5 kA
C2 jmenovitý impulzní proud (8/20 µs) celkový: 20 kA

Výrobek: DEHN
Typ: DBX TC B 180
Obj. č.: 922220
nebo rovnocenný.

Certifikáty

 

Technické informace

Třída svodiče L
Nejvyšší provozní napětí DC (UC ) 180 V
Jmenovitý proud při 40 °C (IL ) 1 A
D1 bleskový proud (10/350 µs) celkový (Iimp ) 7,5 kA
C2 jmenovitý impulzní proud (8/20 µs) celkový (In ) 20 kA
Sériová impedance/žíla 0 ohm
Mezní frekvence žíla-žíla (100 ohmů) (fG ) 425 MHz

Produkt 922220 byl přidán na seznam.

K seznamu

Produkt 922220 byl přidán do nákupního košíku.


DBX U4 KT BD S 0-180

Kompaktní kombinovaný svodič přepětí s technologií actiVsense umístěný v plastové skříňce určené pro montáž na stěnu. Chrání 2 páry žil se stejným nebo rozdílným signálovým napětím symetrických rozhraní s galvanickým oddělením. Volitelně je možné přímé nebo nepřímé uzemnění stínění.

1 Produkt

Obj. č. 922400 DBX U4 KT BD S 0-180

GTIN 4013364137349, Číslo celního sazebníku (EU): 85363010, Váha brutto: 251.70 g, Balící jednotka: 1.00 ks


Vyobrazení

Další informace

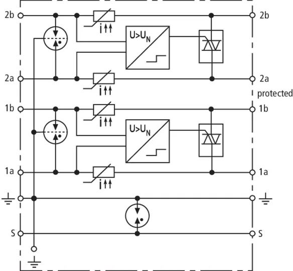
Kompaktní kombinovaný svodič DEHNbox DBX U4 KT BD S 0-180
Univerzální svodič bleskových proudů a svodič přepětí
třída svodiče Typ 1/P1 s technologií actiVsense
pro automatické rozpoznání provozního napětí
a optimální nastavení ochranné úrovně;
zkoušený podle ČSN EN 61643-21 a energeticky
zkoordinovaný podle ČSN EN 61643-22,
chrání dva páry vedení pro symetrická
rozhraní s galvanickým oddělením obvodu,
volitelně nepřímé nebo přímé uzemnění stínění.
Provozní napětí UN: 0-180 V
Přípustné napětí superponovaného signálu: ≤ +/- 5 V
Jmenovitý proud (odpovídá max. zkratovému proudu): 100 mA
D1 bleskový proud (10/350 µs) celkový: 10 kA
C2 jmenovitý impulzní proud (8/20 µs) celkový: 20 kA

Výrobek: DEHN
Typ: DBX U4 KT BD S 0-180
Obj. č.: 922400
nebo rovnocenný.

Certifikáty

 

Technické informace

Třída svodiče M
Nejvyšší provozní napětí DC (UC ) 180 V
Přípustné napětí superponovaného signálu (USignal ) ≤ +/- 5 V
Mezní frekvence žíla-žíla (USignal, symetrická 100 ohmů) (fG ) 50 MHz
Jmenovitý proud (odpovídá max. zkratovému proudu) (IL ) 100 mA
D1 bleskový proud (10/350 µs) celkový (Iimp ) 10 kA
C2 jmenovitý impulzní proud (8/20 µs) celkový (In ) 20 kA
Sériová impedance/žíla ≤ 9 ohmů; typicky 7,9 ohm
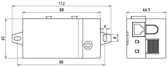
Rozměry (d x š x v) 93 x 93 x 55 mm

Produkt 922400 byl přidán na seznam.

K seznamu

Produkt 922400 byl přidán do nákupního košíku.


back to top