DEHNpipe
:quality(98)/www.dehn.cz/store/f/63043442/HDVORSCHAU/929952a1_16-9.jpg)
:quality(98)/www.dehn.cz/store/f/63043442/HDVORSCHAU/929952a1_16-9.jpg)
- Pro paralelní nebo sériové zapojení
- Provedení z korozivzdorné oceli
- K dispozici jsou svodiče pro ochranu jednoho dvojitého rozhraní (datová nebo napájecí strana)
- Pro ochranu jiskrově bezpečných měřicích a BUS-systémů Ex (i)
- Provedení s pevným uzávěrem Ex (d)
Details
:quality(98)/www.dehn.cz/store/f/63043444/HDVORSCHAU/929952a2_Kat.jpg)
:quality(98)/www.dehn.cz/store/f/63043444/HDVORSCHAU/929952a2_Kat.jpg)
:quality(98)/www.dehn.cz/store/f/63043443/HDVORSCHAU/929921_941_Kat.jpg)
:quality(98)/www.dehn.cz/store/f/63043443/HDVORSCHAU/929921_941_Kat.jpg)
:quality(98)/www.dehn.cz/store/f/63043445/HDVORSCHAU/929952a3_Kat.jpg)
:quality(98)/www.dehn.cz/store/f/63043445/HDVORSCHAU/929952a3_Kat.jpg)
:quality(98)/www.dehn.cz/store/f/63043446/HDVORSCHAU/929952a4_Kat.jpg)
:quality(98)/www.dehn.cz/store/f/63043446/HDVORSCHAU/929952a4_Kat.jpg)
DPI MD
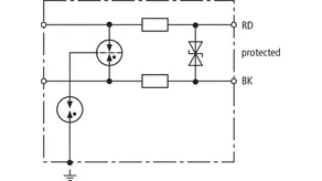
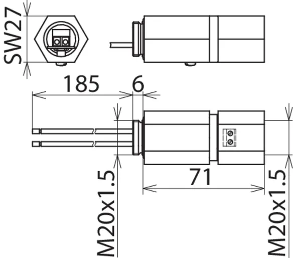
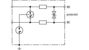
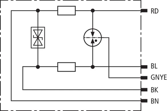
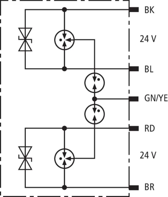
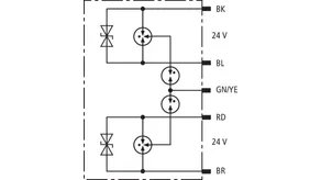
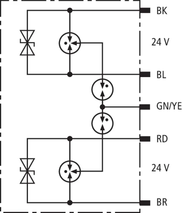
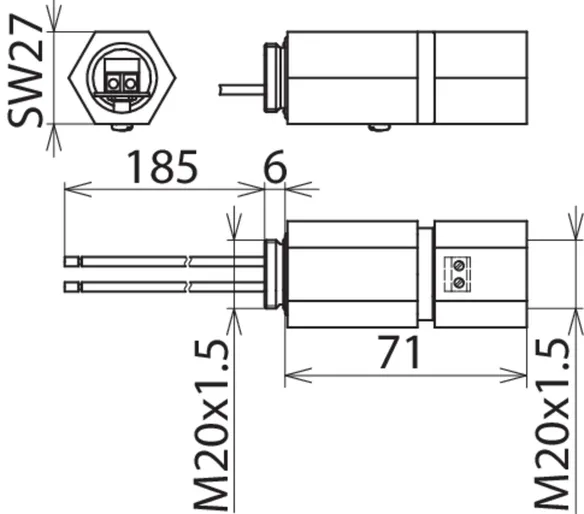
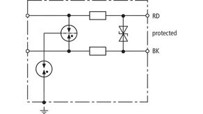
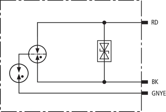
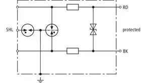
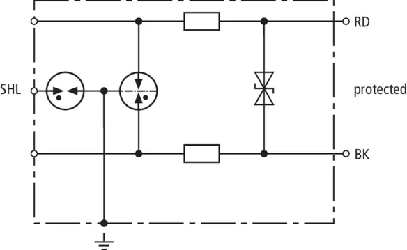
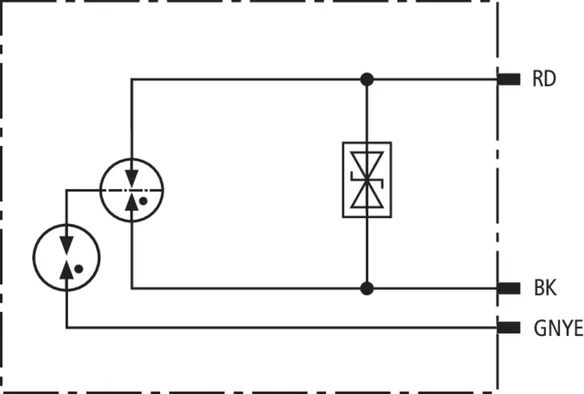
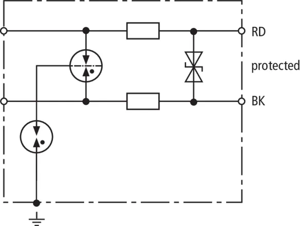
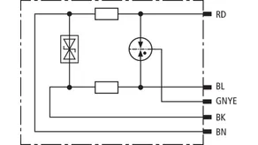
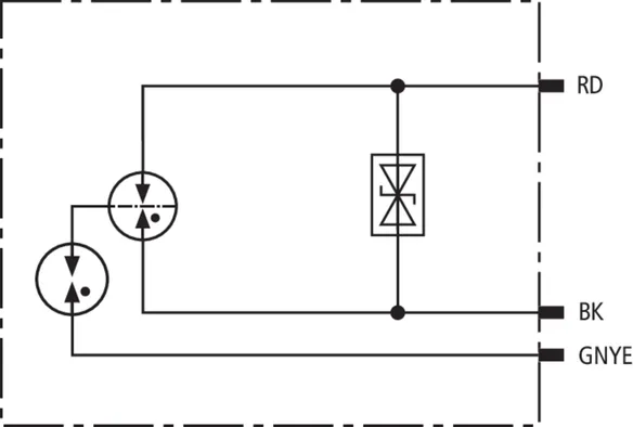
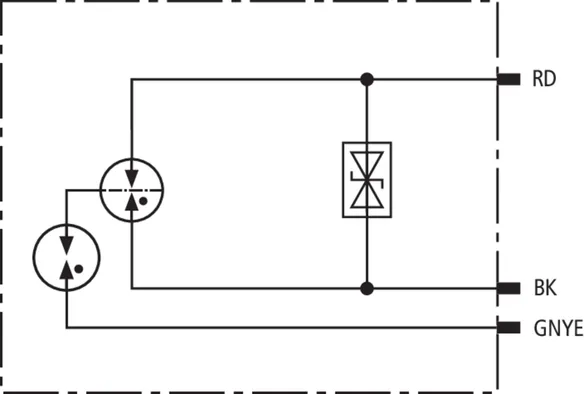
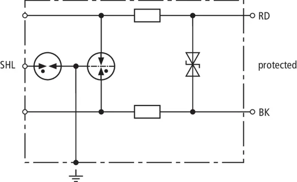
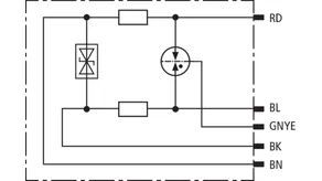
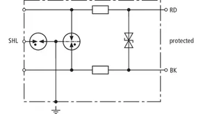
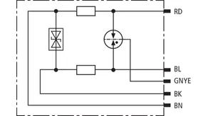
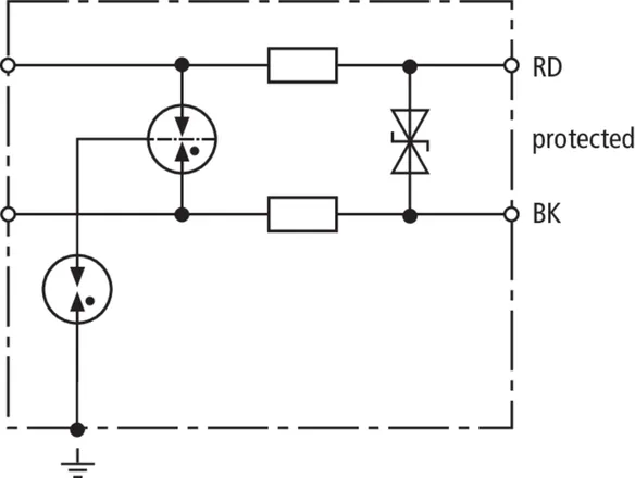
Energeticky zkoordinovaný dvoustupňový svodič přepětí bez unikajících proudů proti zemi. Chrání proudové smyčky 4-20 mA připojené přes šroubení M20 x 1,5 (vnitřní/vnější). Možnost přímého/nepřímého připojení stínění, případně zcela bez připojení. Kabelové průchodky jsou k dispozici jako příslušenství.
1 Produkt
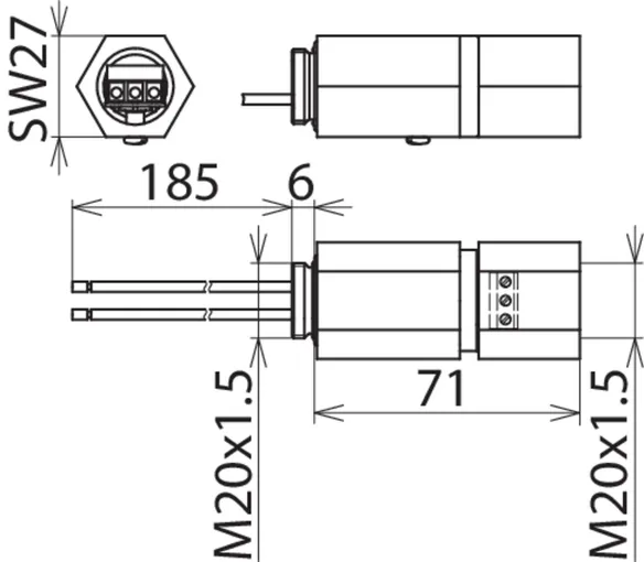
Obj. č. 929941 DPI MD 24 M 2S
GTIN 4013364098152, Číslo celního sazebníku (EU): 85363010, Váha brutto: 187.40 g, Balící jednotka: 1.00 ks
Technické informace
Třída svodiče | Q |
Nejvyšší provozní napětí DC (UC ) | 34,8 V |
Jmenovitý proud (IL ) | 0,5 A |
D1 bleskový proud (10/350 µs)/žíla (Iimp ) | 1 kA |
C2 jmenovitý impulzní proud (8/20 µs) celkový (In ) | 10 kA |
Mezní frekvence žíla-žíla (fG ) | 14 MHz |
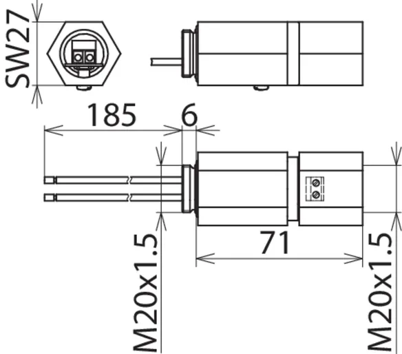
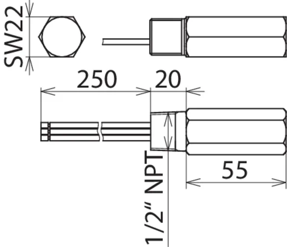
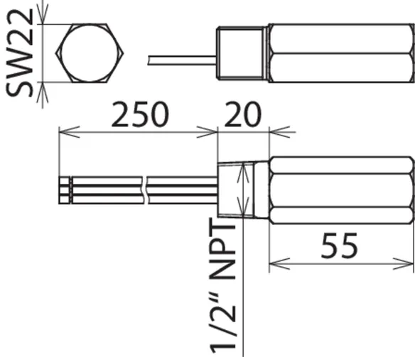
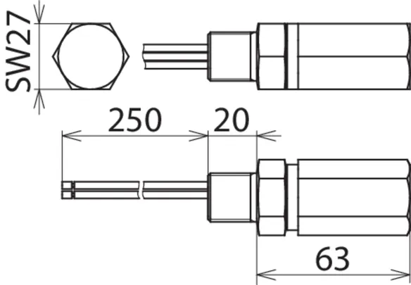
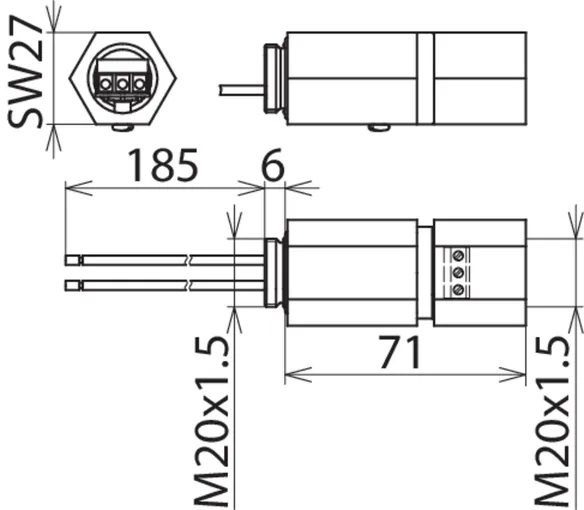
Montáž na terénní straně/straně přístroje | vnitřní/vnější závit M20 x 1,5 |
Certifikace | SIL |
*) detaily viz: www.dehn.de |
Obj. č. 929960 DPI MD EX 24 M 2
GTIN 4013364098145, Číslo celního sazebníku (EU): 85363010, Váha brutto: 185.80 g, Balící jednotka: 1.00 ks
Technické informace
Třída svodiče | T |
Nejvyšší provozní napětí DC (UC ) | 34,8 V |
Jmenovitý proud (IL ) | 0,5 A |
D1 bleskový proud (10/350 µs)/žíla (Iimp ) | 1 kA |
C2 jmenovitý impulzní proud (8/20 µs) celkový (In ) | 10 kA |
Mezní frekvence žíla-žíla (fG ) | 7 MHz |
Montáž na terénní straně/straně přístroje | vnitřní/vnější závit M20 x 1,5 |
Certifikace | ATEX, IECEx, CCC, CSA & USA Hazloc, SIL |
*) detaily viz: www.dehn.de |
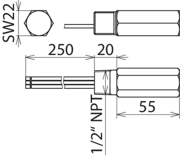
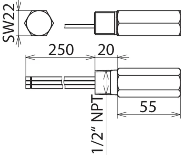
Obj. č. 929965 DPI MD EX 24 N 2
GTIN 4013364360778, Číslo celního sazebníku (EU): 85363010, Váha brutto: 185.00 g, Balící jednotka: 1.00 ks
Technické informace
Třída svodiče | T |
Nejvyšší provozní napětí DC (UC ) | 34,8 V |
Jmenovitý proud (IL ) | 0,5 A |
D1 bleskový proud (10/350 µs)/žíla (Iimp ) | 1 kA |
C2 jmenovitý impulzní proud (8/20 µs) celkový (In ) | 10 kA |
Mezní frekvence žíla-žíla (fG ) | 7 MHz |
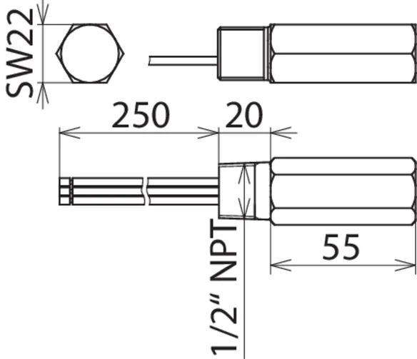
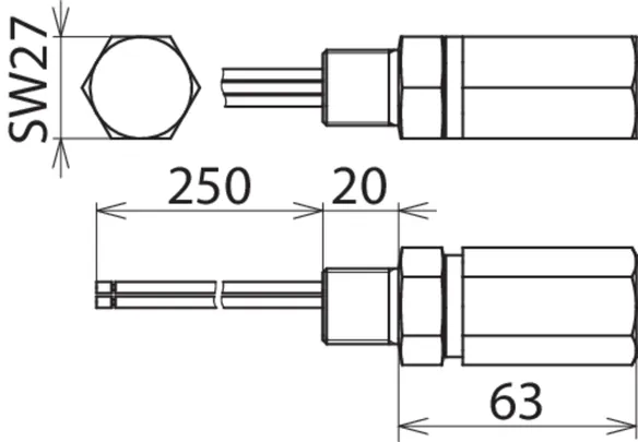
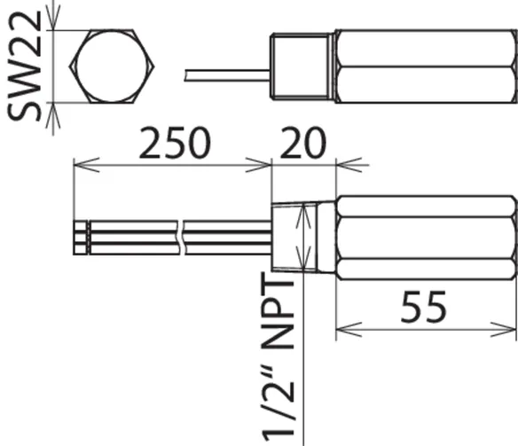
Montáž na terénní straně/straně přístroje | vnitřní/vnější závit 1/2-14 NPT |
Certifikace | ATEX, IECEx, CCC, SIL |
*) detaily viz: www.dehn.de |
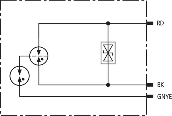
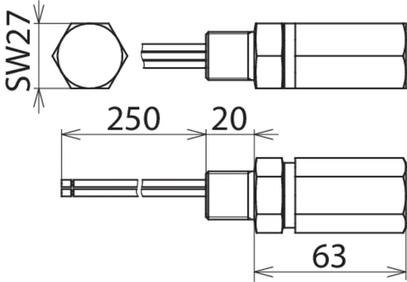
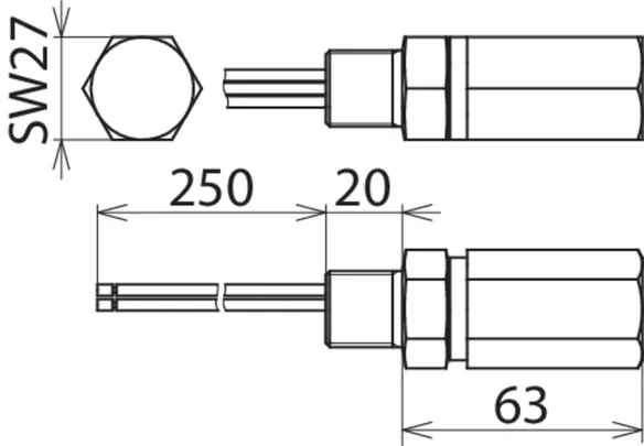
Obj. č. 929961 DPI CD EXI 24 M
GTIN 4013364101784, Číslo celního sazebníku (EU): 85363010, Váha brutto: 183.00 g, Balící jednotka: 1.00 ks
Technické informace
Třída svodiče | T |
Nejvyšší provozní napětí DC (UC ) | 32 V |
Jmenovitý proud (IL ) | 0,55 A |
D1 bleskový proud (10/350 µs)/žíla-zem (Iimp ) | 1 kA |
C2 jmenovitý impulzní proud (8/20 µs) celkový (In ) | 10 kA |
Mezní frekvence žíla-žíla (fG ) | 67 MHz |
Montáž na terénní straně/straně přístroje | vnější závit M20 x 1,5 |
Certifikace | ATEX, IECEx, CCC, CSA & USA Hazloc, SIL |
*) detaily viz: www.dehn.de |
Obj. č. 929963 DPI CD EXI 24 N
GTIN 4013364101807, Číslo celního sazebníku (EU): 85363010, Váha brutto: 196.00 g, Balící jednotka: 1.00 ks
Technické informace
Třída svodiče | T |
Nejvyšší provozní napětí DC (UC ) | 32 V |
Jmenovitý proud (IL ) | 0,55 A |
D1 bleskový proud (10/350 µs)/žíla-zem (Iimp ) | 1 kA |
C2 jmenovitý impulzní proud (8/20 µs) celkový (In ) | 10 kA |
Mezní frekvence žíla-žíla (fG ) | 67 MHz |
Montáž na terénní straně/straně přístroje | vnější závit 1/2-14 NPT |
Certifikace | ATEX, IECEx, CCC, CSA & USA Hazloc, SIL |
*) detaily viz: www.dehn.de |
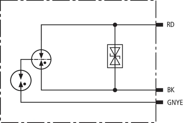
Obj. č. 929962 DPI CD EXD 24 M
GTIN 4013364101791, Číslo celního sazebníku (EU): 85363010, Váha brutto: 183.00 g, Balící jednotka: 1.00 ks
Technické informace
Třída svodiče | T |
Nejvyšší provozní napětí DC (UC ) | 32 V |
Jmenovitý proud (IL ) | 0,55 A |
D1 bleskový proud (10/350 µs)/žíla-zem (Iimp ) | 1 kA |
C2 jmenovitý impulzní proud (8/20 µs) celkový (In ) | 10 kA |
Mezní frekvence žíla-žíla (fG ) | 67 MHz |
Montáž na terénní straně/straně přístroje | vnější závit M20 x 1,5 |
Certifikace | ATEX, IECEx, CCC, CSA & USA Hazloc, SIL |
*) detaily viz: www.dehn.de |
Obj. č. 929964 DPI CD EXD 24 N
GTIN 4013364101814, Číslo celního sazebníku (EU): 85363010, Váha brutto: 183.00 g, Balící jednotka: 1.00 ks
Technické informace
Třída svodiče | T |
Nejvyšší provozní napětí DC (UC ) | 32 V |
Jmenovitý proud (IL ) | 0,55 A |
D1 bleskový proud (10/350 µs)/žíla-zem (Iimp ) | 1 kA |
C2 jmenovitý impulzní proud (8/20 µs) celkový (In ) | 10 kA |
Mezní frekvence žíla-žíla (fG ) | 67 MHz |
Montáž na terénní straně/straně přístroje | vnější závit 1/2-14 NPT |
Certifikace | ATEX, IECEx, CCC, CSA & USA Hazloc, SIL |
*) detaily viz: www.dehn.de |
Obj. č. 929971 DPI CD HF EXD 5 M
GTIN 4013364120761, Číslo celního sazebníku (EU): 85363010, Váha brutto: 285.60 g, Balící jednotka: 1.00 ks
Technické informace
Třída svodiče | T |
Nejvyšší provozní napětí DC (UC ) | 6 V |
Jmenovitý proud při 80 °C (IL ) | 0,1 A |
C2 jmenovitý impulzní proud (8/20 µs) celkový (In ) | 20 kA |
Mezní frekvence žíla-žíla (fG ) | 100 MHz |
Montáž na terénní straně/straně přístroje | vnější závit M20 x 1,5 |
Certifikace | ATEX, IECEx, CCC, CSA & USA Hazloc, SIL |
*) detaily viz: www.dehn.de |
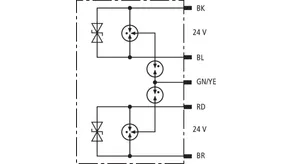
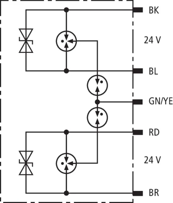
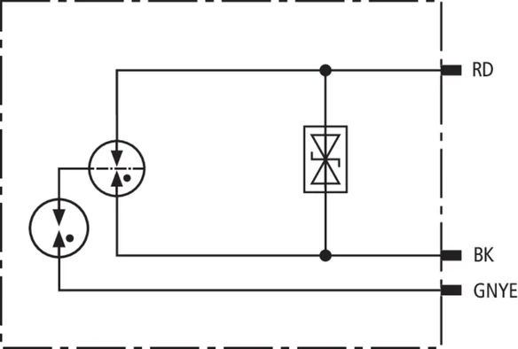
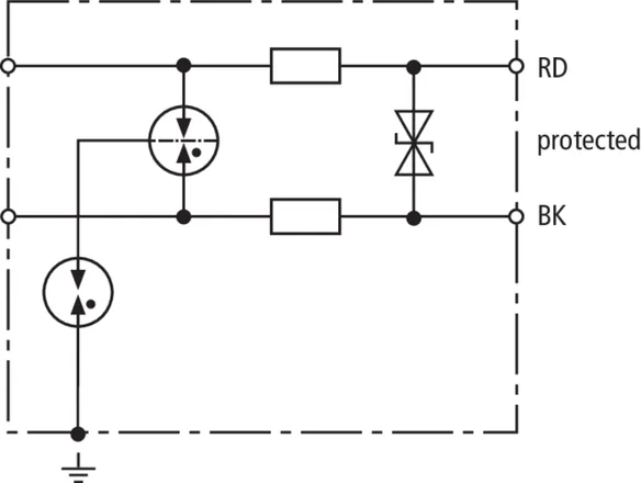
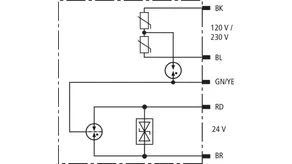
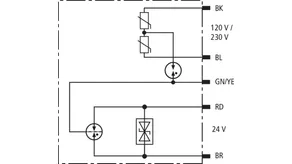
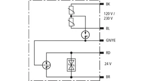
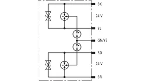
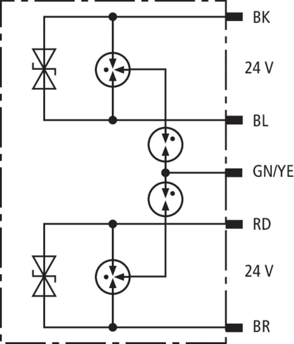
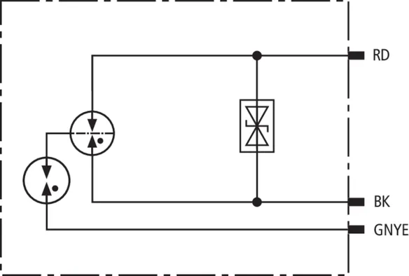
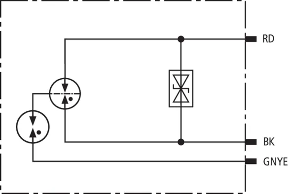
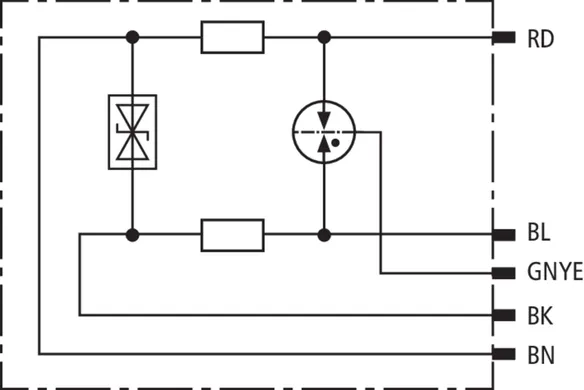
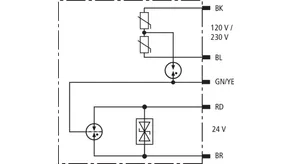
DPI CD EXD 230 24
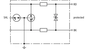
Kombinovaný svodič přepětí pro napájecí a datovou stranu v provedení s pevným uzávěrem je určen pro zařízení v prostředí s nebezpečím výbuchu v zónách 1 a 2. Chrání napájení 120/230 V a datová rozhraní 24 V polních zařízení.
Zvýšená bezpečnost je zajištěna osvědčeným zapojením do Y, zabraňujícím přepólování napájení 120/230 V.
Provedení II 2 G Ex d IIC T5/T6 má univerzální použití v zónách 1 a 2. Certifikace CSA a USA Hazloc.
2 Produkty
Obj. č. 929969 DPI CD EXD 230 24 M
GTIN 4013364127418, Číslo celního sazebníku (EU): 85363010, Váha brutto: 280.00 g, Balící jednotka: 1.00 ks
Technické informace
Ochrana datové strany | |
Třída svodiče | U |
Nejvyšší provozní napětí DC (UC ) | 32 V |
Jmenovitý proud při 80 °C (IL ) | 0,55 A |
D1 bleskový proud (10/350 µs)/žíla-zem (Iimp ) | 1 kA |
C2 jmenovitý impulzní proud (8/20 µs) celkový (In ) | 10 kA |
Montáž na polní straně/straně přístroje | vnější závit M20 x 1,5 |
Certifikace | ATEX, IECEx, CCC, CSA & USA Hazloc, SIL |
*) detaily viz: www.dehn.de | |
Ochrana výkonové strany | |
SPD podle ČSN EN 61643-11/... IEC 61643-11 | typ 2/Třída II |
Nejvyšší provozní napětí AC (UC ) | 255 V |
Celkový impulzní proud (8/20 µs) L+N-PE (Itotal ) | 5 kA |
Ochranná úroveň [L-N] (UP ) | ≤ 1,4 kV |
Max. nadproudová ochrana ze strany sítě | 16 A gG nebo B 16 A |
Obj. č. 929970 DPI CD EXD 230 24 N
GTIN 4013364127425, Číslo celního sazebníku (EU): 85363010, Váha brutto: 273.00 g, Balící jednotka: 1.00 ks
Technické informace
Ochrana datové strany | |
Třída svodiče | U |
Nejvyšší provozní napětí DC (UC ) | 32 V |
Jmenovitý proud při 80 °C (IL ) | 0,55 A |
D1 bleskový proud (10/350 µs)/žíla-zem (Iimp ) | 1 kA |
C2 jmenovitý impulzní proud (8/20 µs) celkový (In ) | 10 kA |
Montáž na polní straně/straně přístroje | vnější závit 1/2-14 NPT |
Certifikace | ATEX, IECEx, CCC, CSA & USA Hazloc, SIL |
*) detaily viz: www.dehn.de | |
Ochrana výkonové strany | |
SPD podle ČSN EN 61643-11/... IEC 61643-11 | typ 2/Třída II |
Nejvyšší provozní napětí AC (UC ) | 255 V |
Celkový impulzní proud (8/20 µs) L+N-PE (Itotal ) | 5 kA |
Ochranná úroveň [L-N] (UP ) | ≤ 1,4 kV |
Max. nadproudová ochrana ze strany sítě | 16 A gG nebo B 16 A |
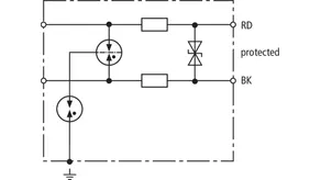
Obj. č. 929950 DPI CD EXI+D 2X24 M
GTIN 4013364137387, Číslo celního sazebníku (EU): 85363010, Váha brutto: 247.00 g, Balící jednotka: 1.00 ks
Technické informace
Třída svodiče | T |
Nejvyšší provozní napětí DC (UC ) | 36 V |
Jmenovitý proud (IL ) | 0,55 A |
D1 bleskový proud (10/350 µs)/žíla-zem (Iimp ) | 1,5 kA |
C2 jmenovitý impulzní proud (8/20 µs) celkový (In ) | 20 kA |
Montáž na terénní straně/straně přístroje | vnější závit M20 x 1,5 |
Certifikace | ATEX, IECEx, CCC, CSA & USA Hazloc, SIL |
*) detaily viz: www.dehn.de |
Obj. č. 929951 DPI CD EXI+D 2X24 N
GTIN 4013364137394, Číslo celního sazebníku (EU): 85363010, Váha brutto: 247.00 g, Balící jednotka: 1.00 ks
Technické informace
Třída svodiče | T |
Nejvyšší provozní napětí DC (UC ) | 36 V |
Jmenovitý proud (IL ) | 0,55 A |
D1 bleskový proud (10/350 µs)/žíla-zem (Iimp ) | 1,5 kA |
C2 jmenovitý impulzní proud (8/20 µs) celkový (In ) | 20 kA |
Montáž na terénní straně/straně přístroje | vnější závit 1/2-14 NPT |
Certifikace | ATEX, IECEx, CCC, CSA & USA Hazloc, SIL |
*) detaily viz: www.dehn.de |