FS/USD
:quality(98)/www.dehn.cz/store/f/58355263/HDVORSCHAU/924017a1_16-9.jpg)
:quality(98)/www.dehn.cz/store/f/58355263/HDVORSCHAU/924017a1_16-9.jpg)
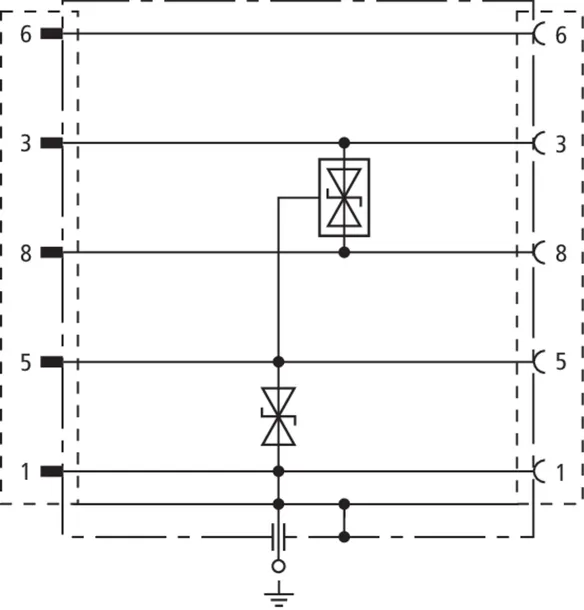
- Svodič přepětí v technologii připojení SUB-D pro snadné dovybavení
- 9pólová standardní přípojka
- Standardní Profibus DP
Details
:quality(98)/www.dehn.cz/store/f/58355265/HDVORSCHAU/924017a2_Kat.jpg)
:quality(98)/www.dehn.cz/store/f/58355265/HDVORSCHAU/924017a2_Kat.jpg)
:quality(98)/www.dehn.cz/store/f/58355264/HDVORSCHAU/924017_Kat.jpg)
:quality(98)/www.dehn.cz/store/f/58355264/HDVORSCHAU/924017_Kat.jpg)
Obj. č. 924017 FS 9E PB 6
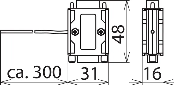
GTIN 4013364045934, Číslo celního sazebníku (EU): 85363010, Váha brutto: 38.40 g, Balící jednotka: 1.00 ks
Technické informace
Třída svodiče | [ |
Nejvyšší provozní napětí DC (UC ) | 7 V |
C1 jmenovitý impulzní proud (8/20 µs) žíla-žíla (In ) | 0,2 kA |
C1 jmenovitý impulzní proud (8/20 µs) žíla-signál. zem (In ) | 0,2 kA |
C1 jmenovitý impulzní proud (8/20 µs) signál. zem-zem (In ) | 0,4 kA |
Mezní frekvence (fG ) | 90 MHz |
Připojení vstupu/výstupu | D-SUB 9 zástrčka/D-SUB 9 zásuvka |