DEHNpatch – svodiče přepětí pro datové sítě a Ethernet

  • Ochrana před přepětím pro ethernetovou infrastrukturu
  • do 10Gbit/s (do třídy EA/500 MHz)
  • Patchkabel s přepěťovou ochranou CAT 6A pro kanál
  • Varianta IP66 pro venkovní použití
  • Power over Ethernet IEEE 802.3 konformita (do PoE++/4PPoE)
  • Snadné dovybavení

Details

Montážní sada jako příslušenství pro 19" Patch-Rack"
lorem ipsum
"Outdoor" varianta s krytím IP66
lorem ipsum
Varianta jako Patchkabel, plně stíněné provedení (délka 3m)
lorem ipsum
Jednoduchá, systematická údržba prostřednictvím ukazatele a dálkové signalizace
lorem ipsum

DPA CLE IP66

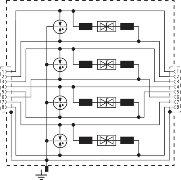
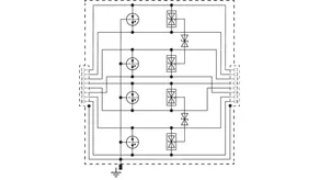
Univerzální svodič přepětí pro aplikace GBit Ethernet, Power ower Ethernet (IEEE 802.3 konformita do PoE++/4PPoE) a podobné aplikace se strukturovanou kabeláží do Třídy E ve vnitřním i venkovním prostředí ve skříni s krytím IP 66 pro ochranu před vniknutím prachu a vody. Chrání všechny páry žil prostřednictvím výkonných plynových bleskojistek a maticí filtrů nastavenou pro každý pár žil. Plně stíněné řešení ochrany před přepětím s konektory RJ 45. Univerzální úchytka pro montáž na stožár nebo na stěnu.
Externí příslušenství: upínací pásky pro montáž na stožár

1 Produkt

Obj. č. 929221 DPA CLE IP66

GTIN 4013364342866, Číslo celního sazebníku (EU): 85363010, Váha brutto: 745.00 g, Balící jednotka: 1.00 ks


Vyobrazení

Další informace

Svodič přepětí třídy E DEHNpatch DPA CLE IP66
venkovní svodič přepětí pro Gbit Ethernet aplikace,
Power over Ethernet (do PoE++/4PPoE) a podobné
Aplikace, v celostíněném provedení skříně s krytím IP 66
třída svodiče typ 2/P1
DEHNpatch CLE IP66, testován podle
ČSN EN 61643-21, univerzální
použití podle ČSN EN 50173
pro všechny datové sítě do 60 V DC (PoE++/4PPoE)
pro ochranu 4 párů žil
na rozhraní datových sítí,
se zásuvkami RJ 45, pro použití ve
vnitřních a venkovních prostorech

Výrobek: DEHN
Typ: DPA CLE IP66
Obj. č.: 929221
nebo rovnocenný.

Certifikáty

 

Technické informace

Třída svodiče T
Nejvyšší provozní napětí DC Pa-Pa (PoE) (Uc ) 60 V
Jmenovitý proud (IL ) 1 A
D1 bleskový proud (10/350 µs)/žíla (Iimp ) 0,8 kA
D1 bleskový proud (10/350 µs) celkový (Iimp ) 4 kA
Jmenovitý impulzní proud (8/20 µs) celkový (In ) 10 kA
Mezní frekvence (fG ) 250 MHz
Krytí (s připojeným vedením) IP 66
Připojení vstupu/výstupu zásuvka RJ45/zásuvka RJ45
Certifikace UL 497B, CSA

Produkt 929221 byl přidán na seznam.

K seznamu

Produkt 929221 byl přidán do nákupního košíku.


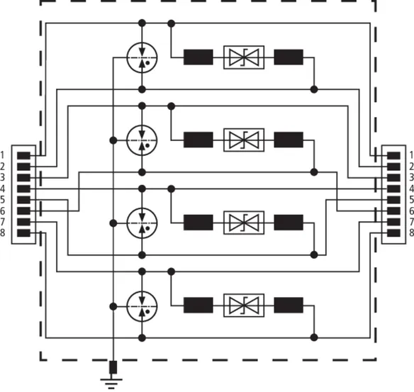
DPA M CAT 6

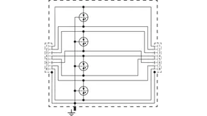
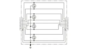
Univerzální svodič pro sítě Industrial Ethernet, Power ower Ethernet (IEEE 802.3 konformita do PoE++/4PPoE) a podobné aplikace se strukturovanou kabeláží podle Cat 6 a třídy EA do 500 MHz. Plně stíněné provedení s patchkabely pro uchycení na instalační lištu (pro ethernet do 10 Gbit).

1 Produkt

Obj. č. 929100 DPA M CAT6 RJ45S 48

GTIN 4013364102170, Číslo celního sazebníku (EU): 85363010, Váha brutto: 244.00 g, Balící jednotka: 1.00 ks

Staré provedení

Vyobrazení

Další informace



Výrobek: DEHN
Typ: DPA M CAT6 RJ45S 48
Obj. č.: 929100
nebo rovnocenný.

Certifikáty

 

Technické informace

Třída svodiče T
Nejvyšší provozní napětí DC (Uc ) 48 V
Nejvyšší provozní napětí DC Pa-Pa (PoE) (Uc ) 57 V
Jmenovitý proud (IL ) 1 A
D1 bleskový proud (10/350 µs)/žíla (Iimp ) 1 kA
Jmenovitý impulzní proud (8/20 µs) celkový (In ) 10 kA
Mezní frekvence (fG ) 250 MHz
Připojení vstupu/výstupu připojovací kabel s RJ45/připojovací kabel s RJ45

Produkt 929100 byl přidán na seznam.

K seznamu

Produkt 929100 byl přidán do nákupního košíku.


DEHNpatch Class EA (novinka)

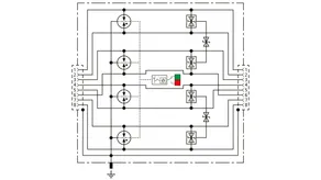
Univerzální, prostorově úsporný kombinovaný svodič o šířce 19 mm a konektory RJ45 s ukazatelem stavu pro snadnou údržbu. Chrání aplikace se strukturovanou kabeláží podle třídy EA do 500 MHz, např. Industrial Ethernet, datové distributory, digitální kamerové systémy, Power over Ethernet (IEEE 802.3 konformita do 4PPoE) a rozhraní na bázi Ethernetu obecně. Všechny páry vodičů jsou chráněny výkonnými bleskojistkami a ochrannými diodami mezi signálovými vodiči resp. páry vodičů. Plně stíněný design adaptéru se zásuvkami RJ45, montáž na DIN lištu. S přídavným připojením pomocí šroubu na boku krytu pro volitelné uzemnění.

1 Produkt

Obj. č. 929161 DPA CL8 EA 4PPOE

GTIN 4013364472921, Číslo celního sazebníku (EU): 85363010, Váha brutto: 188.70 g, Balící jednotka: 1.00 ks


Vyobrazení

Další informace

Přepěťová ochrana DEHNpatch CL8 EA 4PPOE
kompaktní kombinovaný svodič
třídy EA podle ISO/IEC 11801
pro ochranu datových rozhraní
před bleskem a přepětím
v ethernetových aplikacích do 10 GBit
a Power over Ethernet (až 4PPoE).
Ochrana 4 párů vedení přes zásuvky RJ45
plně stíněné provedení,
testováno podle ČSN EN/IEC 61643-21.
Třída ochrany Typ 1/P2
kategorie impulsů: D1, C1, C2, C3, B2
integrovaný ukazatel stavu
monitorování pomocí samostatné jednotky
dálkové signalizace
prostorově úsporný modul, šířka 19 mm
uzemnění přes 35mm DIN lištu popř.
přes šroubový spoj na boku pouzdra
nejvyšší provozní napětí: 3,3 V DC
jmenovitý proud při 70 °C: 1,5 A
mezní frekvence: 500 MHz
C2 jmenovitý impulzní proud/žíla (8/20): 2,5 kA
C2 jmenovitý impulzní proud celkový (8/20): 10 kA
D1 bleskový proud (10/350 µs)/žíla: 0,5 kA
D1 bleskový proud (10/350 µs) celkový: 4 kA
připojení vedení: zásuvky RJ45

Výrobek: DEHN
Typ: DPA CL8 EA 4PPOE
Obj. č.: 929161
nebo rovnocenný.

Certifikáty

 

Technické informace

Třída svodiče L
Nejvyšší provozní napětí DC (Uc ) 3,3 V
Nejvyšší provozní napětí DC Pa-Pa (PoE) (Uc ) 58 V
Jmenovitý proud (IL ) 1,5 A
D1 bleskový proud (10/350 µs)/žíla (Iimp ) 0,5 kA
Jmenovitý impulzní proud (8/20 µs) celkový (In ) 10 kA
Mezní frekvence (fG ) 500 MHz
Připojení vstupu/výstupu zásuvka RJ45/zásuvka RJ45
Certifikace GHMT, UL 497B

Produkt 929161 byl přidán na seznam.

K seznamu

Produkt 929161 byl přidán do nákupního košíku.


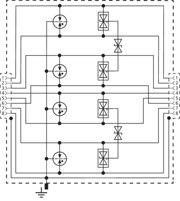
DEHNpatch Class E

Univerzální svodič pro sítě Industrial Ethernet, Power ower Ethernet (PoE+ podle IEEE 802.3at do 57 V) a podobné aplikace se strukturovanou kabeláží podle třídy E do 250 MHz. Chrání všechny páry žil prostřednictvím výkonných plynových bleskojistek a maticí filtrů nastavenou pro každý pár žil. Plně stíněné provedení s patchkabely pro uchycení na instalační lištu (pro ethernet do 1 Gbit).

1 Produkt

Obj. č. 929121 DPA M CLE RJ45B 48

GTIN 4013364118935, Číslo celního sazebníku (EU): 85363010, Váha brutto: 122.00 g, Balící jednotka: 1.00 ks

Staré provedení

Vyobrazení

Další informace



Výrobek: DEHN
Typ: DPA M CLE RJ45B 48
Obj. č.: 929121
nebo rovnocenný.

Certifikáty

 

Technické informace

Třída svodiče T
Nejvyšší provozní napětí DC (Uc ) 48 V
Nejvyšší provozní napětí DC Pa-Pa (PoE) (Uc ) 57 V
Jmenovitý proud (IL ) 1 A
D1 bleskový proud (10/350 µs)/žíla (Iimp ) 0,5 kA
Jmenovitý impulzní proud (8/20 µs) celkový (In ) 10 kA
Mezní frekvence (fG ) 250 MHz
Připojení vstupu/výstupu zásuvka RJ45/zásuvka RJ45
Certifikace CSA, UL 497B

Produkt 929121 byl přidán na seznam.

K seznamu

Produkt 929121 byl přidán do nákupního košíku.


DEHNpatch Class D (novinka)

Univerzální, prostorově úsporný svodič bleskových proudů o šířce 19 mm a konektory RJ45 pro vyrovnání potenciálů v ochraně před bleskem. Chrání aplikace se strukturovanou kabeláží podle třídy D do 100 MHz, např. Industrial Ethernet, datové distributory, digitální kamerové systémy, Power over Ethernet (IEEE 802.3 konformita do 4PPoE) a rozhraní na bázi Ethernetu obecně. Všechny páry vodičů jsou chráněny výkonnými bleskojistkami. Plně stíněný design adaptéru se zásuvkami RJ45, montáž na DIN lištu. S přídavným připojením pomocí šroubu na boku krytu pro volitelné uzemnění.

1 Produkt

Obj. č. 929166 DPA C8 D 4PPOE

GTIN 4013364472914, Číslo celního sazebníku (EU): 85363010, Váha brutto: 178.25 g, Balící jednotka: 1.00 ks


Vyobrazení

Další informace

Přepěťová ochrana DEHNpatch C8 D 4PPOE
kompaktní svodič bleskových proudů
třídy D podle ISO/IEC 11801
pro ochranu datových rozhraní
před bleskem a přepětím
v ethernetových aplikacích do 1 GBit
a Power over Ethernet (až 4PPoE).
Ochrana 4 párů vedení přes zásuvky RJ45
plně stíněné provedení,
testováno podle ČSN EN/IEC 61643-21.
Třída ochrany Typ 1
kategorie impulsů: D1, C2, C3
prostorově úsporný modul, šířka 19 mm
uzemnění přes 35mm DIN lištu popř.
přes šroubový spoj na boku pouzdra
nejvyšší provozní napětí: 3,3 V DC
jmenovitý proud při 70 °C: 1,5 A
mezní frekvence: 100 MHz
C2 jmenovitý impulzní proud/žíla (8/20): 2,5 kA
C2 jmenovitý impulzní proud celkový (8/20): 10 kA
D1 bleskový proud (10/350 µs)/žíla: 0,5 kA
D1 bleskový proud (10/350 µs) celkový: 4 kA
připojení vedení: zásuvky RJ45

Výrobek: DEHN
Typ: DPA C8 D 4PPOE
Obj. č.: 929166
nebo rovnocenný.

Certifikáty

 

Technické informace

Třída svodiče A
Nejvyšší provozní napětí DC (Uc ) 3,3 V
Nejvyšší provozní napětí DC Pa-Pa (PoE) (Uc ) 58 V
Jmenovitý proud (IL ) 1,5 A
D1 bleskový proud (10/350 µs)/žíla (Iimp ) 0,5 kA
Jmenovitý impulzní proud (8/20 µs) celkový (In ) 10 kA
Mezní frekvence (fG ) 100 MHz
Připojení vstupu/výstupu zdířka RJ45/zdířka RJ45
Certifikace UL 497B

Produkt 929166 byl přidán na seznam.

K seznamu

Produkt 929166 byl přidán do nákupního košíku.


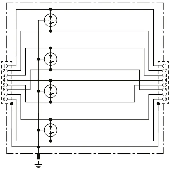
DEHNpatch Class D

Univerzální svodič pro sítě Industrial Ethernet, Power ower Ethernet (IEEE 802.3 konformita do PoE++/4PPoE) a podobné aplikace se strukturovanou kabeláží podle třídy D do 100 MHz. Chrání všechny páry žil prostřednictvím výkonných plynových bleskojistek. Provedení se zdířkami, pro montáž na instalační lištu.

1 Produkt

Obj. č. 929126 DPA M CLD RJ45B 48

GTIN 4013364242258, Číslo celního sazebníku (EU): 85363010, Váha brutto: 102.00 g, Balící jednotka: 1.00 ks


Vyobrazení

Další informace



Výrobek: DEHN
Typ: DPA M CLD RJ45B 48
Obj. č.: 929126
nebo rovnocenný.

Certifikáty

 

Technické informace

Třída svodiče U
Nejvyšší provozní napětí DC (Uc ) 48 V
Nejvyšší provozní napětí DC Pa-Pa (PoE) (Uc ) 57 V
Jmenovitý proud (IL ) 1 A
D1 bleskový proud (10/350 µs)/žíla (Iimp ) 0,5 kA
Jmenovitý impulzní proud (8/20 µs) celkový (In ) 10 kA
Mezní frekvence (fG ) 100 MHz
Připojení vstupu/výstupu zdířka RJ45/zdířka RJ45
Certifikace UL 497B

Produkt 929126 byl přidán na seznam.

K seznamu

Produkt 929126 byl přidán do nákupního košíku.


back to top