DEHNrapid LSA – svodiče bleskových proudů/svodiče přepětí

  • Variabilní ochrana 1 - 10 párů vedení pro systémy LSA řady 2/10
  • Funkce rozpojení LSA, integrovaná v bloku svodičů bleskových proudů, poskytuje ochranu při testování, rozpojení nebo propojování
  • Modulární systém, složený ze svodičů bleskových proudů a svodičů přepětí, umožňuje sestavení do jednoho kombinovaného svodiče

Details

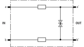
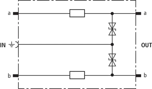
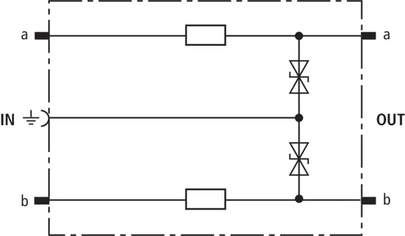
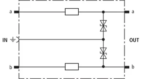
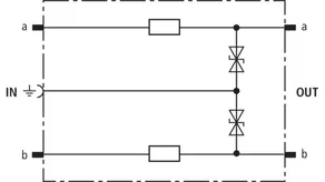
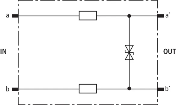
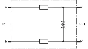
Zásuvný blok odolný bleskovým proudům, osazený výbojkovými bleskojistkami, volitelně s funkcí „fail safe“ a optickou signalizací.
lorem ipsum
Modulární stavebnice je složená z modulu DRL, osazeného výbojkovými bleskojistkami, uzemňovacího rámu a modulů svodičů přepětí, rozlišených podle použití.
lorem ipsum
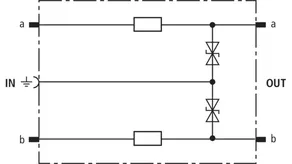
Kombinovaný svodič bleskových proudů/svodič přepětí pro zářezové svorkovnice systému LSA.
lorem ipsum
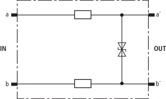
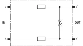
Moduly svodičů přepětí, přizpůsobené pro ochranu různých koncových zařízení.
lorem ipsum
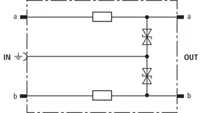
Zásuvné svodiče přepětí jsou ochranné bloky, které mohou být zasunuty do připojovacích nebo rozpojovacích svorkovnic.
lorem ipsum

DRL 10 B

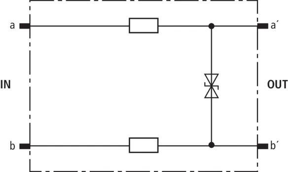
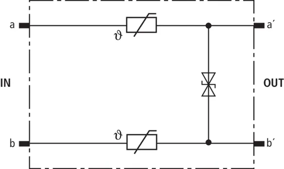
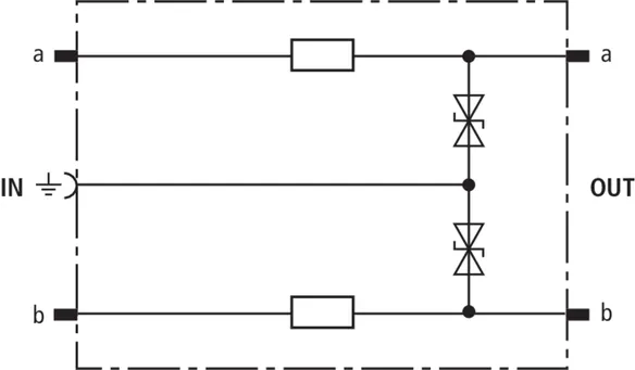
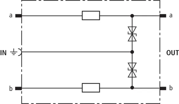
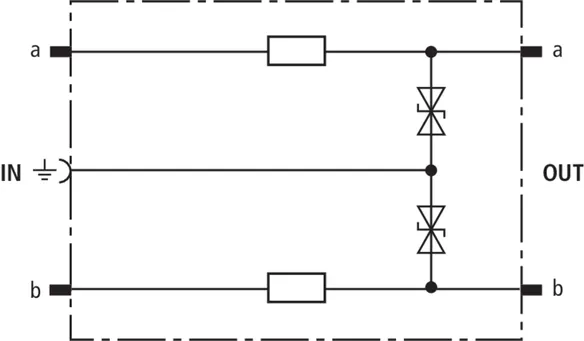
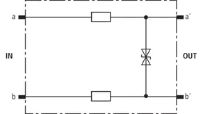
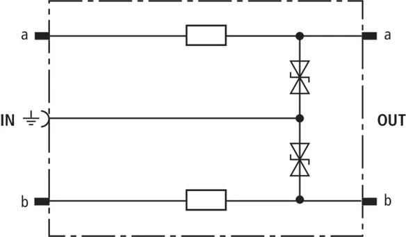
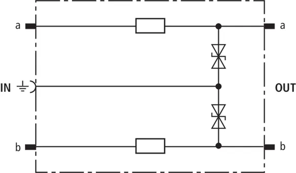
Zásuvný blok DRL 10 DA odolný bleskovým proudům, osazený třípólovými výbojkovými bleskojistkami, je vhodný pro téměř všechna použití. Lze jej rozšířit pomocí modulů DRL na kombinovaný svodič. Integrované rozpojovací kontakty umožňují při zasunutém modulu ochrany kontrolu, měření nebo propojování párů vedení.

1 Produkt

Obj. č. 907400 DRL 10 B 180

GTIN 4013364107557, Číslo celního sazebníku (EU): 85363010, Váha brutto: 69.90 g, Balící jednotka: 1.00 ks

Staré provedení

Vyobrazení

Další informace


Nejvyšší provozní napětí DC: 180 V
Jmenovitý proud: 0,4 A

Výrobek: DEHN
Typ: DRL 10 B 180
Obj. č.: 907400
nebo rovnocenný.

Certifikáty

 

Technické informace

Třída svodiče G
Nejvyšší provozní napětí DC (UC ) 180 V
Jmenovitý proud (IL ) 0,4 A
D1 bleskový proud (10/350 µs) celkový (Iimp ) 5 kA
C2 jmenovitý impulzní proud (8/20 µs) celkový (In ) 10 kA
Sériová impedance/žíla ≤ 0,005 ohmu
Zasunutí do rozpojovací lišty LSA 2/10

Produkt 907400 byl přidán na seznam.

K seznamu

Produkt 907400 byl přidán do nákupního košíku.


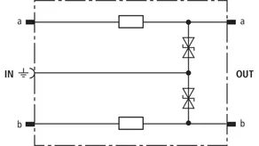
DRL 10 B FSD

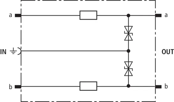
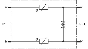
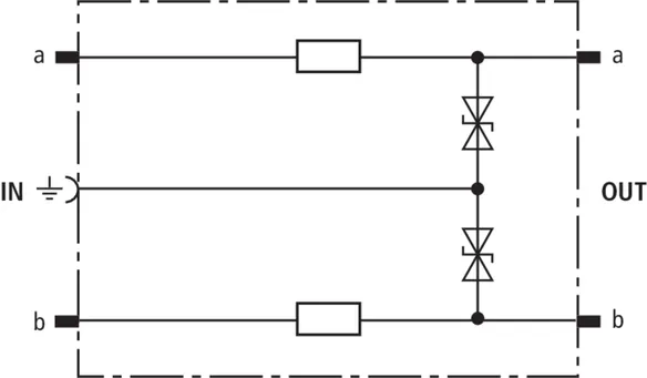
Zásuvný blok DRL 10 DA odolný bleskovým proudům, osazený třípólovými výbojkovými bleskojistkami, je vhodný pro téměř všechna použití. Lze jej rozšířit pomocí modulů DRL na kombinovaný svodič. Integrované rozpojovací kontakty umožňují při zasunutém modulu ochrany kontrolu, měření nebo propojování párů vedení. Třípólové výbojkové bleskojistky s funkcí fail safe s optickým ukazatelem poruchy.

1 Produkt

Obj. č. 907401 DRL 10 B 180 FSD

GTIN 4013364107564, Číslo celního sazebníku (EU): 85363010, Váha brutto: 74.30 g, Balící jednotka: 1.00 ks


Vyobrazení

Další informace


Nejvyšší provozní napětí DC: 180 V
Jmenovitý proud: 0,4 A

Výrobek: DEHN
Typ: DRL 10 B 180 FSD
Obj. č.: 907401
nebo rovnocenný.

Certifikáty

 

Technické informace

Třída svodiče G
Ukazatel poruchy optický, změna barvy
Nejvyšší provozní napětí DC (UC ) 180 V
Jmenovitý proud (IL ) 0,4 A
D1 bleskový proud (10/350 µs) celkový (Iimp ) 5 kA
C2 jmenovitý impulzní proud (8/20 µs) celkový (In ) 10 kA
Sériová impedance/žíla ≤ 0,005 ohmu
Zasunutí do rozpojovací lišty LSA 2/10

Produkt 907401 byl přidán na seznam.

K seznamu

Produkt 907401 byl přidán do nákupního košíku.


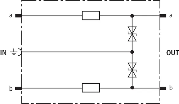
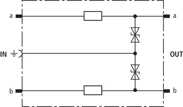
DRL RE

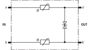
Zásuvný modul pro jeden pár vedení, energeticky zkoordinovaný s blokem DRL. Je vhodný pro použití jako jednostupňová ochrana s oddělovací impedancí pro koncová zařízení. Chrání 2 žíly signálních obvodů se společným vztažným potenciálem. Uzemnění svodičů přes uzemňovací rám EF 10 DRL. Instalace pouze do rozpojovací svorkovnice nebo do bloku DRL 10.

5 Produkty

Obj. č. 907421 DRL RE 12

GTIN 4013364107618, Číslo celního sazebníku (EU): 85363010, Váha brutto: 5.40 g, Balící jednotka: 10.00 ks

Staré provedení

Vyobrazení

Další informace


Nejvyšší provozní napětí DC: 14 V
Jmenovitý proud: 0,4 A

Výrobek: DEHN
Typ: DRL RE 12
Obj. č.: 907421
nebo rovnocenný.

Certifikáty

 

Technické informace

Třída svodiče O
Nejvyšší provozní napětí DC (UC ) 14 V
Jmenovitý proud (IL ) 0,4 A
D1 bleskový proud (10/350 µs) celkový v kombinaci s DRL 10 B... (Iimp ) 5 kA
C2 jmenovitý impulzní proud (8/20 µs) celkový v kombinaci s DRL 10 B... (In ) 10 kA
Sériová impedance/žíla 4,7 ohmu
Mezní frekvence žíla-zem (fG ) 2,7 MHz
Zasunutí do rozpojovací lišty LSA 2/10 nebo bloku DRL 10 B...

Produkt 907421 byl přidán na seznam.

K seznamu

Produkt 907421 byl přidán do nákupního košíku.

Obj. č. 907422 DRL RE 24

GTIN 4013364107625, Číslo celního sazebníku (EU): 85363010, Váha brutto: 5.40 g, Balící jednotka: 10.00 ks

Staré provedení

Vyobrazení

Další informace


Nejvyšší provozní napětí DC: 28 V
Jmenovitý proud: 0,4 A

Výrobek: DEHN
Typ: DRL RE 24
Obj. č.: 907422
nebo rovnocenný.

Certifikáty

 

Technické informace

Třída svodiče O
Nejvyšší provozní napětí DC (UC ) 28 V
Jmenovitý proud (IL ) 0,4 A
D1 bleskový proud (10/350 µs) celkový v kombinaci s DRL 10 B... (Iimp ) 5 kA
C2 jmenovitý impulzní proud (8/20 µs) celkový v kombinaci s DRL 10 B... (In ) 10 kA
Sériová impedance/žíla 4,7 ohmu
Mezní frekvence žíla-zem (fG ) 4,5 MHz
Zasunutí do rozpojovací lišty LSA 2/10 nebo bloku DRL 10 B...

Produkt 907422 byl přidán na seznam.

K seznamu

Produkt 907422 byl přidán do nákupního košíku.

Obj. č. 907423 DRL RE 48

GTIN 4013364107632, Číslo celního sazebníku (EU): 85363010, Váha brutto: 5.40 g, Balící jednotka: 10.00 ks

Staré provedení

Vyobrazení

Další informace


Nejvyšší provozní napětí DC: 54 V
Jmenovitý proud: 0,4 A

Výrobek: DEHN
Typ: DRL RE 48
Obj. č.: 907423
nebo rovnocenný.

Certifikáty

 

Technické informace

Třída svodiče O
Nejvyšší provozní napětí DC (UC ) 54 V
Jmenovitý proud (IL ) 0,4 A
D1 bleskový proud (10/350 µs) celkový v kombinaci s DRL 10 B... (Iimp ) 5 kA
C2 jmenovitý impulzní proud (8/20 µs) celkový v kombinaci s DRL 10 B... (In ) 10 kA
Sériová impedance/žíla 6,8 ohmu
Mezní frekvence žíla-zem (fG ) 7,35 MHz
Zasunutí do rozpojovací lišty LSA 2/10 nebo bloku DRL 10 B...

Produkt 907423 byl přidán na seznam.

K seznamu

Produkt 907423 byl přidán do nákupního košíku.

Obj. č. 907424 DRL RE 60

GTIN 4013364107649, Číslo celního sazebníku (EU): 85363010, Váha brutto: 5.40 g, Balící jednotka: 10.00 ks

Staré provedení

Vyobrazení

Další informace


Nejvyšší provozní napětí DC: 70 V
Jmenovitý proud: 0,4 A

Výrobek: DEHN
Typ: DRL RE 60
Obj. č.: 907424
nebo rovnocenný.

Certifikáty

 

Technické informace

Třída svodiče O
Nejvyšší provozní napětí DC (UC ) 70 V
Jmenovitý proud (IL ) 0,4 A
D1 bleskový proud (10/350 µs) celkový v kombinaci s DRL 10 B... (Iimp ) 5 kA
C2 jmenovitý impulzní proud (8/20 µs) celkový v kombinaci s DRL 10 B... (In ) 10 kA
Sériová impedance/žíla 6,8 ohmu
Mezní frekvence žíla-zem (fG ) 10,5 MHz
Zasunutí do rozpojovací lišty LSA 2/10 nebo bloku DRL 10 B...

Produkt 907424 byl přidán na seznam.

K seznamu

Produkt 907424 byl přidán do nákupního košíku.

Obj. č. 907425 DRL RE 180

GTIN 4013364107656, Číslo celního sazebníku (EU): 85363010, Váha brutto: 5.40 g, Balící jednotka: 10.00 ks

Staré provedení

Vyobrazení

Další informace


Nejvyšší provozní napětí DC: 180 V
Jmenovitý proud: 0,1 A

Výrobek: DEHN
Typ: DRL RE 180
Obj. č.: 907425
nebo rovnocenný.

Certifikáty

 

Technické informace

Třída svodiče O
Nejvyšší provozní napětí DC (UC ) 180 V
Jmenovitý proud (IL ) 0,1 A
D1 bleskový proud (10/350 µs) celkový v kombinaci s DRL 10 B... (Iimp ) 5 kA
C2 jmenovitý impulzní proud (8/20 µs) celkový v kombinaci s DRL 10 B... (In ) 10 kA
Sériová impedance/žíla 4,7 ohmu
Mezní frekvence žíla-zem (fG ) 42 MHz
Zasunutí do rozpojovací lišty LSA 2/10 nebo bloku DRL 10 B...

Produkt 907425 byl přidán na seznam.

K seznamu

Produkt 907425 byl přidán do nákupního košíku.


DRL RD

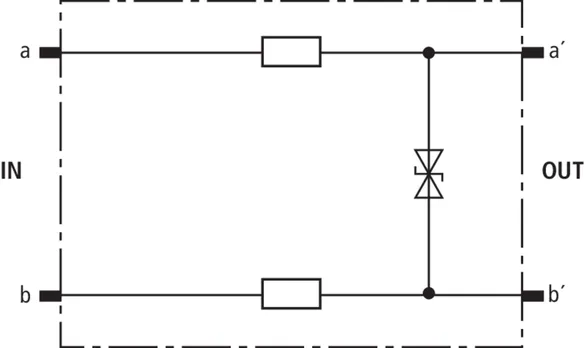
Zásuvný modul pro jeden pár vedení, energeticky zkoordinovaný s blokem DRL. Je vhodný pro použití jako jednostupňová ochrana. Nízká ochranná úroveň pro 1 pár žil s galvanickým oddělením. Zasunuje se do uzemňovacího rámu EF 10 DRL. Instalace je doporučená do bloku DRL 10.

5 Produkty

Obj. č. 907441 DRL RD 12

GTIN 4013364107694, Číslo celního sazebníku (EU): 85363010, Váha brutto: 5.40 g, Balící jednotka: 10.00 ks

Staré provedení

Vyobrazení

Další informace


Nejvyšší provozní napětí DC: 14 V
Jmenovitý proud: 0,4 A

Výrobek: DEHN
Typ: DRL RD 12
Obj. č.: 907441
nebo rovnocenný.

Certifikáty

 

Technické informace

Třída svodiče O
Nejvyšší provozní napětí DC (UC ) 14 V
Jmenovitý proud (IL ) 0,4 A
D1 bleskový proud (10/350 µs) celkový v kombinaci s DRL 10 B... (Iimp ) 5 kA
C2 jmenovitý impulzní proud (8/20 µs) celkový v kombinaci s DRL 10 B... (In ) 10 kA
Sériová impedance/žíla 2,2 ohmu
Mezní frekvence žíla-žíla (fG ) 2,7 MHz
Zasunutí do rozpojovací lišty LSA 2/10 nebo bloku DRL 10 B...

Produkt 907441 byl přidán na seznam.

K seznamu

Produkt 907441 byl přidán do nákupního košíku.

Obj. č. 907442 DRL RD 24

GTIN 4013364107700, Číslo celního sazebníku (EU): 85363010, Váha brutto: 5.40 g, Balící jednotka: 10.00 ks


Vyobrazení

Další informace


Nejvyšší provozní napětí DC: 28 V
Jmenovitý proud: 0,4 A

Výrobek: DEHN
Typ: DRL RD 24
Obj. č.: 907442
nebo rovnocenný.

Certifikáty

 

Technické informace

Třída svodiče O
Nejvyšší provozní napětí DC (UC ) 28 V
Jmenovitý proud (IL ) 0,4 A
D1 bleskový proud (10/350 µs) celkový v kombinaci s DRL 10 B... (Iimp ) 5 kA
C2 jmenovitý impulzní proud (8/20 µs) celkový v kombinaci s DRL 10 B... (In ) 10 kA
Sériová impedance/žíla 2,2 ohmu
Mezní frekvence žíla-žíla (fG ) 5,4 MHz
Zasunutí do rozpojovací lišty LSA 2/10 nebo bloku DRL 10 B...

Produkt 907442 byl přidán na seznam.

K seznamu

Produkt 907442 byl přidán do nákupního košíku.

Obj. č. 907443 DRL RD 48

GTIN 4013364107717, Číslo celního sazebníku (EU): 85363010, Váha brutto: 5.40 g, Balící jednotka: 10.00 ks


Vyobrazení

Další informace


Nejvyšší provozní napětí DC: 54 V
Jmenovitý proud: 0,4 A

Výrobek: DEHN
Typ: DRL RD 48
Obj. č.: 907443
nebo rovnocenný.

Certifikáty

 

Technické informace

Třída svodiče O
Nejvyšší provozní napětí DC (UC ) 54 V
Jmenovitý proud (IL ) 0,4 A
D1 bleskový proud (10/350 µs) celkový v kombinaci s DRL 10 B... (Iimp ) 5 kA
C2 jmenovitý impulzní proud (8/20 µs) celkový v kombinaci s DRL 10 B... (In ) 10 kA
Sériová impedance/žíla 4,7 ohmu
Mezní frekvence žíla-žíla (fG ) 7,8 MHz
Zasunutí do rozpojovací lišty LSA 2/10 nebo bloku DRL 10 B...

Produkt 907443 byl přidán na seznam.

K seznamu

Produkt 907443 byl přidán do nákupního košíku.

Obj. č. 907444 DRL RD 60

GTIN 4013364107724, Číslo celního sazebníku (EU): 85363010, Váha brutto: 5.40 g, Balící jednotka: 10.00 ks


Vyobrazení

Další informace


Nejvyšší provozní napětí DC: 70 V
Jmenovitý proud: 0,4 A

Výrobek: DEHN
Typ: DRL RD 60
Obj. č.: 907444
nebo rovnocenný.

Certifikáty

 

Technické informace

Třída svodiče O
Nejvyšší provozní napětí DC (UC ) 70 V
Jmenovitý proud (IL ) 0,4 A
D1 bleskový proud (10/350 µs) celkový v kombinaci s DRL 10 B... (Iimp ) 5 kA
C2 jmenovitý impulzní proud (8/20 µs) celkový v kombinaci s DRL 10 B... (In ) 10 kA
Sériová impedance/žíla 4,7 ohmu
Mezní frekvence žíla-žíla (fG ) 11 MHz
Zasunutí do rozpojovací lišty LSA 2/10 nebo bloku DRL 10 B...

Produkt 907444 byl přidán na seznam.

K seznamu

Produkt 907444 byl přidán do nákupního košíku.

Obj. č. 907445 DRL RD 110

GTIN 4013364118461, Číslo celního sazebníku (EU): 85363010, Váha brutto: 3.30 g, Balící jednotka: 10.00 ks


Vyobrazení

Další informace


Nejvyšší provozní napětí DC: 180 V
Jmenovitý proud: 0,4 A

Výrobek: DEHN
Typ: DRL RD 110
Obj. č.: 907445
nebo rovnocenný.

Certifikáty

 

Technické informace

Třída svodiče O
Nejvyšší provozní napětí DC (UC ) 180 V
Jmenovitý proud (IL ) 0,4 A
D1 bleskový proud (10/350 µs) celkový v kombinaci s DRL 10 B... (Iimp ) 5 kA
C2 jmenovitý impulzní proud (8/20 µs) celkový v kombinaci s DRL 10 B... (In ) 10 kA
Sériová impedance/žíla 4,7 ohmu
Mezní frekvence žíla-žíla (fG ) 20 MHz
Zasunutí do rozpojovací lišty LSA 2/10 nebo bloku DRL 10 B...

Produkt 907445 byl přidán na seznam.

K seznamu

Produkt 907445 byl přidán do nákupního košíku.


DRL PD

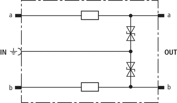
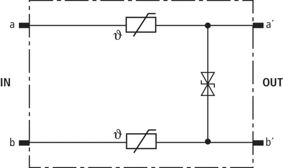
Zásuvný modul pro jeden pár vedení, energeticky zkoordinovaný s blokem DRL. Je vhodný pro použití jako jednostupňová ochrana. Nízká ochranná úroveň a integrovaná nadproudová ochrana pro vedení ADSL, ISDN UK0 nebo analogové telefonní linky a/b. Zasunuje se do uzemňovacího rámu EF 10 DRL. Instalace je doporučená do bloku DRL 10.

1 Produkt

Obj. č. 907430 DRL PD 180

GTIN 4013364107670, Číslo celního sazebníku (EU): 85363010, Váha brutto: 3.90 g, Balící jednotka: 10.00 ks

Staré provedení

Vyobrazení

Další informace

Zásuvný modul s přepěťovou ochranou 1 DA DRL PD 180
zásuvný modul s přepěťovou ochranou,
třídy svodičů typ 3/P1
DEHNrapid LSA, kombinovaný
S nadproudovou ochranou
zkoušený podle ČSN EN 61643-21
a energeticky koordinovaný
podle IEC 61643-22
se zásuvným blokem DRL Type 1,
pro ochranu jednoho páru žil.
Zasunuje se do uzemňovacího rámu
LSA řady 2/10 nebo přímo do
zásuvného bloku DRL jako rozšíření
na kombinovaný svodič.
Nejvyšší provozní napětí DC: 180 V
Jmenovitý proud: 0,1 A

Výrobek: DEHN
Typ: DRL PD 180
Obj. č.: 907430
nebo rovnocenný.

Certifikáty

 

Technické informace

Třída svodiče O
Nejvyšší provozní napětí DC (UC ) 180 V
Jmenovitý proud (IL ) 0,1 A
D1 bleskový proud (10/350 µs) celkový v kombinaci s DRL 10 B... (Iimp ) 5 kA
C2 jmenovitý impulzní proud (8/20 µs) celkový v kombinaci s DRL 10 B... (In ) 10 kA
Sériová impedance/žíla 10 ohmů +/- 15%
Mezní frekvence žíla-žíla (fG ) 61 MHz
Zasunutí do rozpojovací lišty LSA 2/10 nebo bloku DRL 10 B...

Produkt 907430 byl přidán na seznam.

K seznamu

Produkt 907430 byl přidán do nákupního košíku.


DRL HD

Zásuvný modul pro jeden pár vedení, energeticky zkoordinovaný s blokem DRL. Je vhodný pro použití jako jednostupňová ochrana pro vysokofrekvenční přenosy G.703 nebo ISDN U2m, S2m a S0. Zasunuje se do uzemňovacího rámu EF 10 DRL. Instalace je doporučená do bloku DRL 10.

1 Produkt

Obj. č. 907470 DRL HD 24

GTIN 4013364107663, Číslo celního sazebníku (EU): 85363010, Váha brutto: 5.40 g, Balící jednotka: 10.00 ks

Staré provedení

Vyobrazení

Další informace


Nejvyšší provozní napětí DC: 28 V
Jmenovitý proud: 0,4 A

Výrobek: DEHN
Typ: DRL HD 24
Obj. č.: 907470
nebo rovnocenný.

Certifikáty

 

Technické informace

Třída svodiče O
Nejvyšší provozní napětí DC (UC ) 28 V
Jmenovitý proud (IL ) 0,4 A
D1 bleskový proud (10/350 µs) celkový v kombinaci s DRL 10 B... (Iimp ) 5 kA
C2 jmenovitý impulzní proud (8/20 µs) celkový v kombinaci s DRL 10 B... (In ) 10 kA
Sériová impedance/žíla 4,7 ohmu
Zasunutí do rozpojovací lišty LSA 2/10 nebo bloku DRL 10 B...

Produkt 907470 byl přidán na seznam.

K seznamu

Produkt 907470 byl přidán do nákupního košíku.


back to top