BLITZDUCTOR XT – moduly svodičů přepětí

Kombinovaný svodič bleskových proudů/svodič přepětí
  • Nejvyšší svodový výkon pro dvou-, tří- nebo čtyřpólová rozhraní
  • Schopnost svádět bleskové proudy až 10 kA (10/350 µs)
  • Nízká ochranná úroveň, svodič je vhodný i pro ochranu koncových zařízení
Integrovaná monitorovací jednotka LifeCheck
  • Umožňuje kontrolu svodičů za provozu
  • Rozezná přetížení svodiče
  • Preventivní výměnou svodiče je zajištěna vysoká spolehlivost chráněných obvodů
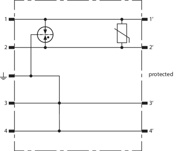
Svodič je rozdělen na ochranný modul a základní díl
  • Pro zajištění spolehlivého provozu jsou svodiče testovány vibrací a otřesem
  • Všechny ochranné součástky jsou integrovány v zásuvném modulu
  • K dispozici jsou dva univerzální základní díly s nebo bez rozpojení signálu
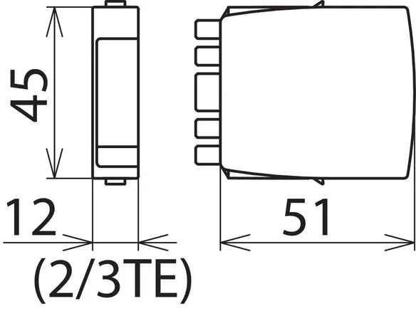
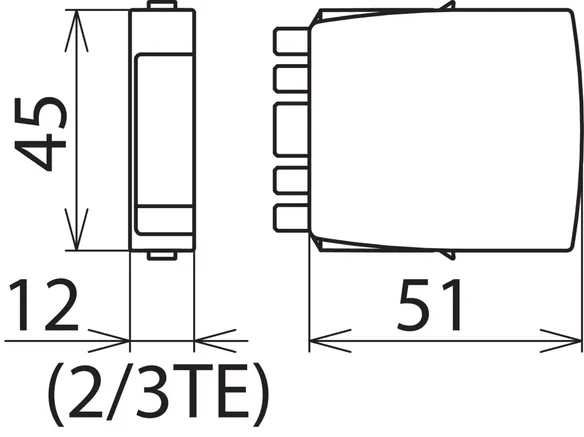
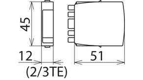
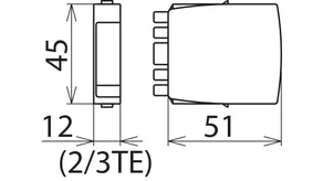
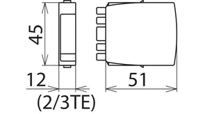
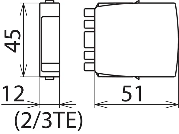
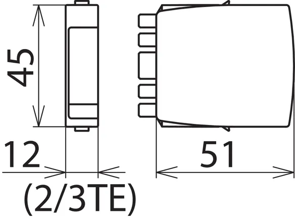
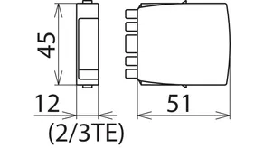
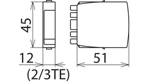
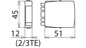
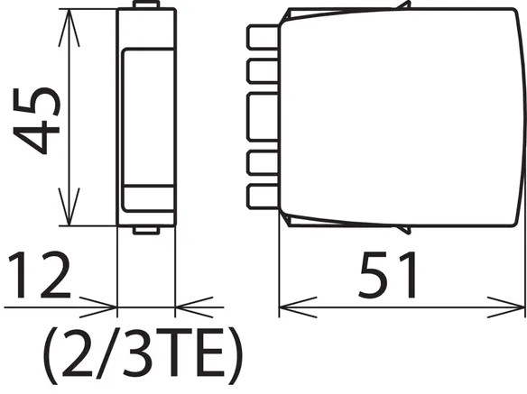
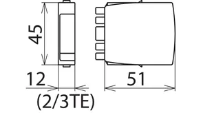
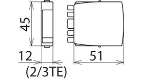
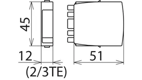
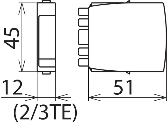
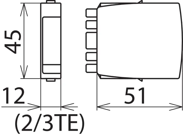
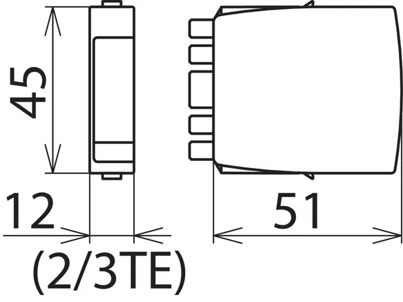
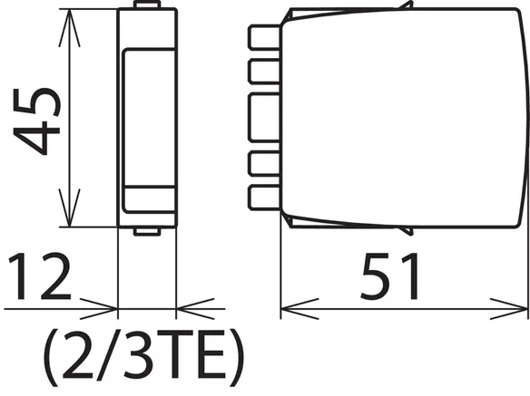
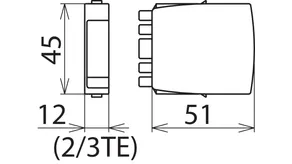
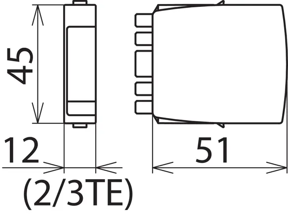
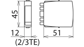
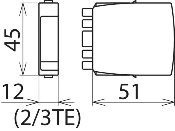
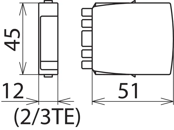
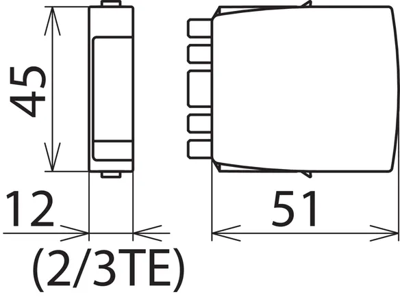
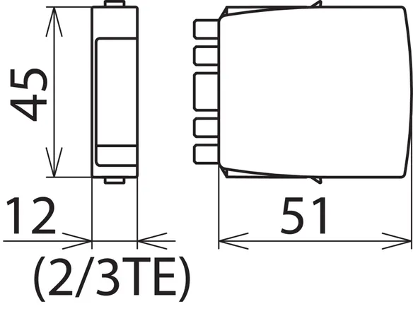
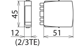
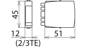
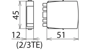
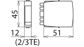
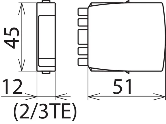
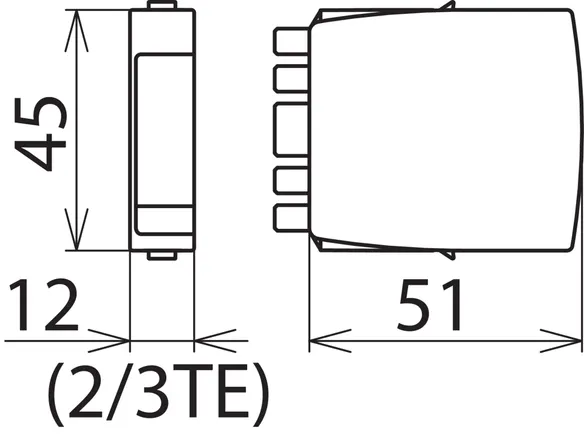
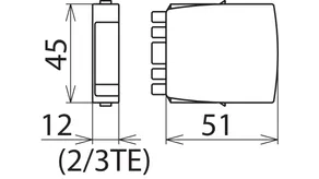
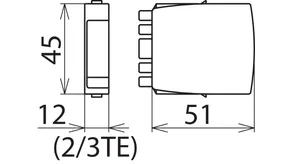
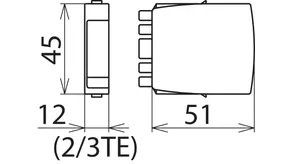
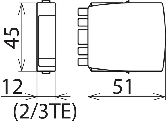
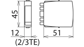
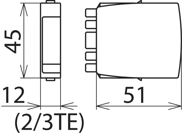
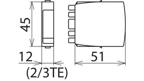
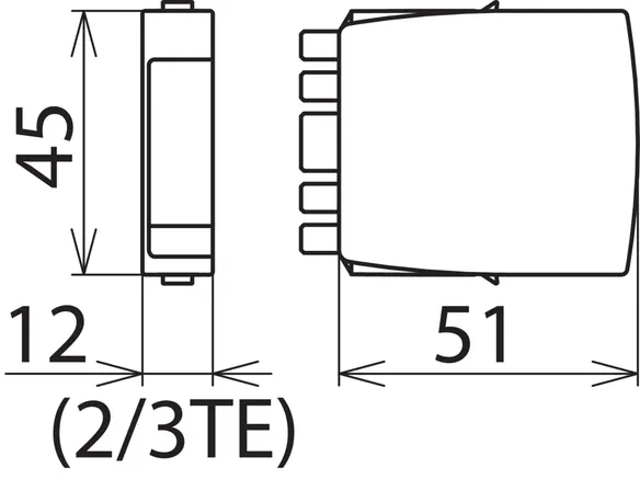
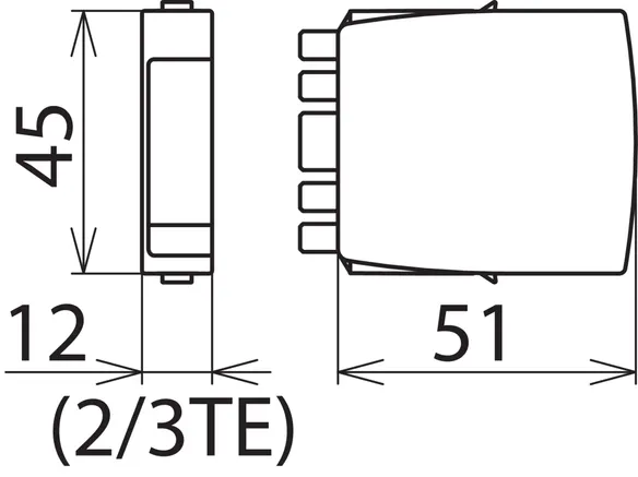
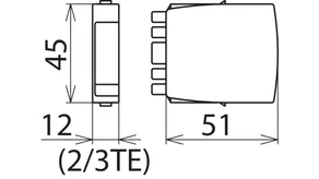
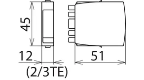
  • Minimální rozměry, 4 samostatné žíly nebo 2 páry vedení jsou v modulu o šířce 12 mm

Details

Všechny ochranné součástky, integrované pouze v zásuvném modulu, jsou kontrolovány čipem LifeCheck.
lorem ipsum
Aretace modulu zabraňuje jeho uvolnění vibracemi a zároveň přepólování (otočení).
lorem ipsum
Dvoudílné provedení s univerzálním základním dílem a aplikačně přizpůsobeným ochranným modulem.
lorem ipsum
Příslušenstvím jsou pružinové "EMC" svorky, zajišťující trvalé nízkoimpedanční připojení stínění.
lorem ipsum

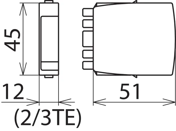
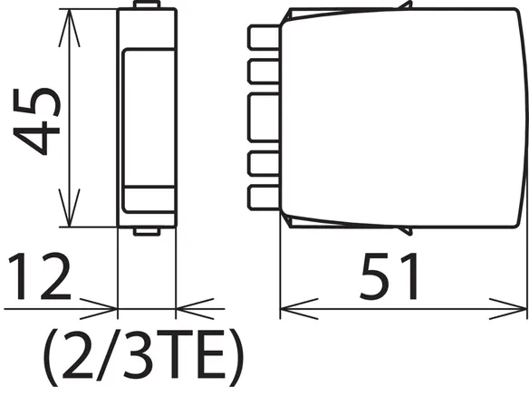
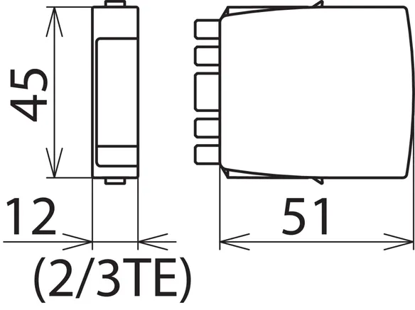
BXT ML4 B 180

Prostorově úsporný čtyřpólový svodič bleskových proudů s čipem RFID-LifeCheck. Použití v kombinaci s navazujícím svodičem přepětí Q nebo s kombinovaným svodičem přepětí stejné nebo nižší úrovně napětí. LifeCheck zaznamenává tepelné nebo elektrické přetížení svodiče, po kterém je třeba svodič vyměnit. Kontrola je prováděna bezdotykově prostřednictvím přístrojů DEHNrecord LC / SCM / MCM.

1 Produkt

Obj. č. 920310 BXT ML4 B 180

GTIN 4013364109124, Číslo celního sazebníku (EU): 85363010, Váha brutto: 31.60 g, Balící jednotka: 1.00 ks

Staré provedení

Vyobrazení

Další informace

Modul svodiče bleskových proudů s čipem LifeCheck BLITZDUCTOR XT BXT ML4 B 180
ochranný modul se svodičem bleskových proudů
třída svodiče Typ 1/P1 BLITZDUCTOR XT,
zkoušený podle ČSN EN/IEC 61643-21 a energeticky
zkoordinovaný podle IEC 61643-22,
pro ochranu 4 samostatných vodičů,
s integrovaným čipem LifeCheck
pro bezdotykovou kontrolu svodičů,
zasunutí do základního dílu BXT BAS/BSP BAS 4.
Nejvyšší provozní napětí DC: 180 V
Jmenovitý proud při 45 °C: 1,2 A
D1 bleskový proud (10/350 µs) celkový: 10 kA
D1 bleskový proud (10/350 µs)/žíla: 2,5 kA

Výrobek: DEHN
Typ: BXT ML4 B 180
Obj. č.: 920310
nebo rovnocenný.

Certifikáty

 

Technické informace

Třída svodiče H
Nejvyšší provozní napětí DC (UC ) 180 V
Jmenovitý proud při 45 °C (IL ) 1,2 A
D1 bleskový proud (10/350 µs) celkový (Iimp ) 10 kA
C2 jmenovitý impulzní proud (8/20 µs) celkový (In ) 20 kA
Sériová impedance/žíla 0,4 ohm
Certifikace CSA, ATEX, IECEx, CSA & USA Hazloc, SIL
*) Detaily viz.: www.dehn.de

Produkt 920310 byl přidán na seznam.

K seznamu

Produkt 920310 byl přidán do nákupního košíku.


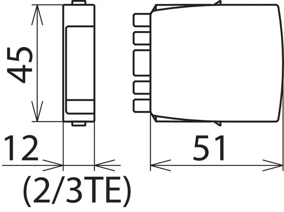
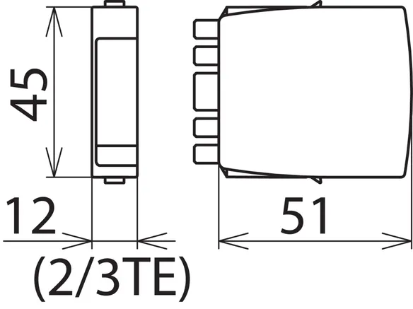
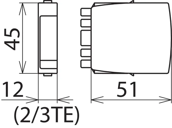
BXT ML4 BE 5 – BE 180

Prostorově úsporný modul kombinovaného svodiče s čipem RFID-LifeCheck chrání 4 samostatné žíly se společným vztažným potenciálem a nesymetrická rozhraní. LifeCheck zaznamenává tepelné nebo elektrické přetížení svodiče, po kterém je třeba svodič vyměnit. Kontrola je prováděna bezdotykově prostřednictvím přístrojů DEHNrecord LC / SCM / MCM.

7 Produkty

Obj. č. 920320 BXT ML4 BE 5

GTIN 4013364109032, Číslo celního sazebníku (EU): 85363010, Váha brutto: 31.00 g, Balící jednotka: 1.00 ks

Staré provedení

Vyobrazení

Další informace

Modul kombinovaného svodiče s čipem LifeCheck BLITZDUCTOR XT BE 5
ochranný modul s kombinovaným svodičem
třída svodiče Typ 1/P1 BLITZDUCTOR XT,
zkoušený podle ČSN EN/IEC 61643-21 a energeticky
zkoordinovaný podle IEC 61643-22,
pro ochranu 4 samostatných vodičů,
s integrovaným čipem LifeCheck
pro bezdotykovou kontrolu svodičů,
zasunutí do základního dílu BXT BAS/BSP BAS 4.
Nejvyšší provozní napětí DC: 6 V
Jmenovitý proud při 45 °C: 1,0 A
D1 bleskový proud (10/350 µs) celkový: 10 kA
D1 bleskový proud (10/350 µs)/žíla: 2,5 kA

Výrobek: DEHN
Typ: BXT ML4 BE 5
Obj. č.: 920320
nebo rovnocenný.

Certifikáty

 

Technické informace

Třída svodiče M
Nejvyšší provozní napětí DC (UC ) 6 V
Jmenovitý proud při 45 °C (IL ) 1,0 A
D1 bleskový proud (10/350 µs) celkový (Iimp ) 10 kA
C2 jmenovitý impulzní proud (8/20 µs) celkový (In ) 20 kA
Sériová impedance/žíla 1,0 ohm
Mezní frekvence žíla-zem (fG ) 1,0 MHz
Certifikace CSA, UL 497B, ATEX, IECEx, CSA & USA Hazloc, SIL
*) Detaily viz.: www.dehn.de

Produkt 920320 byl přidán na seznam.

K seznamu

Produkt 920320 byl přidán do nákupního košíku.

Obj. č. 920322 BXT ML4 BE 12

GTIN 4013364109049, Číslo celního sazebníku (EU): 85363010, Váha brutto: 30.70 g, Balící jednotka: 1.00 ks

Staré provedení

Vyobrazení

Další informace

Modul kombinovaného svodiče s čipem LifeCheck BLITZDUCTOR XT BE 12
ochranný modul s kombinovaným svodičem
třída svodiče Typ 1/P1 BLITZDUCTOR XT,
zkoušený podle ČSN EN/IEC 61643-21 a energeticky
zkoordinovaný podle IEC 61643-22,
pro ochranu 4 samostatných vodičů,
s integrovaným čipem LifeCheck
pro bezdotykovou kontrolu svodičů,
zasunutí do základního dílu BXT BAS/BSP BAS 4.
Nejvyšší provozní napětí DC: 15 V
Jmenovitý proud při 45 °C: 0,75 A
D1 bleskový proud (10/350 µs) celkový: 10 kA
D1 bleskový proud (10/350 µs)/žíla: 2,5 kA

Výrobek: DEHN
Typ: BXT ML4 BE 12
Obj. č.: 920322
nebo rovnocenný.

Certifikáty

 

Technické informace

Třída svodiče M
Nejvyšší provozní napětí DC (UC ) 15 V
Jmenovitý proud při 45 °C (IL ) 0,75 A
D1 bleskový proud (10/350 µs) celkový (Iimp ) 10 kA
C2 jmenovitý impulzní proud (8/20 µs) celkový (In ) 20 kA
Sériová impedance/žíla 1,8 ohm
Mezní frekvence žíla-zem (fG ) 2,7 MHz
Certifikace CSA, UL 497B, ATEX, IECEx, CSA & USA Hazloc, SIL
*) Detaily viz.: www.dehn.de

Produkt 920322 byl přidán na seznam.

K seznamu

Produkt 920322 byl přidán do nákupního košíku.

Obj. č. 920324 BXT ML4 BE 24

GTIN 4013364109056, Číslo celního sazebníku (EU): 85363010, Váha brutto: 45.00 g, Balící jednotka: 1.00 ks

Staré provedení

Vyobrazení

Další informace

Modul kombinovaného svodiče s čipem LifeCheck BLITZDUCTOR XT BE 24
ochranný modul s kombinovaným svodičem
třída svodiče Typ 1/P1 BLITZDUCTOR XT,
zkoušený podle ČSN EN/IEC 61643-21 a energeticky
zkoordinovaný podle IEC 61643-22,
pro ochranu 4 samostatných vodičů,
s integrovaným čipem LifeCheck
pro bezdotykovou kontrolu svodičů,
zasunutí do základního dílu BXT BAS/BSP BAS 4.
Nejvyšší provozní napětí DC: 33 V
Jmenovitý proud při 45 °C: 0,75 A
D1 bleskový proud (10/350 µs) celkový: 10 kA
D1 bleskový proud (10/350 µs)/žíla: 2,5 kA

Výrobek: DEHN
Typ: BXT ML4 BE 24
Obj. č.: 920324
nebo rovnocenný.

Certifikáty

 

Technické informace

Třída svodiče M
Nejvyšší provozní napětí DC (UC ) 33 V
Jmenovitý proud při 45 °C (IL ) 0,75 A
D1 bleskový proud (10/350 µs) celkový (Iimp ) 10 kA
C2 jmenovitý impulzní proud (8/20 µs) celkový (In ) 20 kA
Sériová impedance/žíla 1,8 ohm
Mezní frekvence žíla-zem (fG ) 6,8 MHz
Certifikace CSA, UL 497B, ATEX, IECEx, CCC, CSA & USA Hazloc, SIL
*) Detaily viz.: www.dehn.de

Produkt 920324 byl přidán na seznam.

K seznamu

Produkt 920324 byl přidán do nákupního košíku.

Obj. č. 920336 BXT ML4 BE 36

GTIN 4013364118539, Číslo celního sazebníku (EU): 85363010, Váha brutto: 47.50 g, Balící jednotka: 1.00 ks


Vyobrazení

Další informace

Modul kombinovaného svodiče s čipem LifeCheck BLITZDUCTOR XT BE 36
ochranný modul s kombinovaným svodičem
třída svodiče Typ 1/P1 BLITZDUCTOR XT,
zkoušený podle ČSN EN/IEC 61643-21 a energeticky
zkoordinovaný podle IEC 61643-22,
pro ochranu 4 samostatných vodičů,
s integrovaným čipem LifeCheck
pro bezdotykovou kontrolu svodičů,
zasunutí do základního dílu BXT BAS/BSP BAS 4.
Nejvyšší provozní napětí DC: 45 V
Jmenovitý proud při 45 °C: 1,8 A
D1 bleskový proud (10/350 µs) celkový: 10 kA
D1 bleskový proud (10/350 µs)/žíla: 2,5 kA

Výrobek: DEHN
Typ: BXT ML4 BE 36
Obj. č.: 920336
nebo rovnocenný.

Certifikáty

 

Technické informace

Třída svodiče M
Nejvyšší provozní napětí DC (UC ) 45 V
Jmenovitý proud při 45 °C (IL ) 1,8 A
D1 bleskový proud (10/350 µs) celkový (Iimp ) 10 kA
C2 jmenovitý impulzní proud (8/20 µs) celkový (In ) 20 kA
Sériová impedance/žíla 0,43 ohm
Mezní frekvence žíla-zem (fG ) 3,8 MHz
Certifikace UL 497B, ATEX, IECEx, CSA & USA Hazloc, SIL
*) Detaily viz.: www.dehn.de

Produkt 920336 byl přidán na seznam.

K seznamu

Produkt 920336 byl přidán do nákupního košíku.

Obj. č. 920325 BXT ML4 BE 48

GTIN 4013364109063, Číslo celního sazebníku (EU): 85363010, Váha brutto: 31.20 g, Balící jednotka: 1.00 ks

Staré provedení

Vyobrazení

Další informace

Modul kombinovaného svodiče s čipem LifeCheck BLITZDUCTOR XT BE 48
ochranný modul s kombinovaným svodičem
třída svodiče Typ 1/P1 BLITZDUCTOR XT,
zkoušený podle ČSN EN/IEC 61643-21 a energeticky
zkoordinovaný podle IEC 61643-22,
pro ochranu 4 samostatných vodičů,
s integrovaným čipem LifeCheck
pro bezdotykovou kontrolu svodičů,
zasunutí do základního dílu BXT BAS/BSP BAS 4.
Nejvyšší provozní napětí DC: 54 V
Jmenovitý proud při 45 °C: 0,75 A
D1 bleskový proud (10/350 µs) celkový: 10 kA
D1 bleskový proud (10/350 µs)/žíla: 2,5 kA

Výrobek: DEHN
Typ: BXT ML4 BE 48
Obj. č.: 920325
nebo rovnocenný.

Certifikáty

 

Technické informace

Třída svodiče M
Nejvyšší provozní napětí DC (UC ) 54 V
Jmenovitý proud při 45 °C (IL ) 0,75 A
D1 bleskový proud (10/350 µs) celkový (Iimp ) 10 kA
C2 jmenovitý impulzní proud (8/20 µs) celkový (In ) 20 kA
Sériová impedance/žíla 1,8 ohm
Mezní frekvence žíla-zem (fG ) 8,7 MHz
Certifikace CSA, UL 497B, ATEX, IECEx, CSA & USA Hazloc, SIL
*) Detaily viz.: www.dehn.de

Produkt 920325 byl přidán na seznam.

K seznamu

Produkt 920325 byl přidán do nákupního košíku.

Obj. č. 920326 BXT ML4 BE 60

GTIN 4013364109070, Číslo celního sazebníku (EU): 85363010, Váha brutto: 31.00 g, Balící jednotka: 1.00 ks

Staré provedení

Vyobrazení

Další informace

Modul kombinovaného svodiče s čipem LifeCheck BLITZDUCTOR XT BE 60
ochranný modul s kombinovaným svodičem
třída svodiče Typ 2/P1 BLITZDUCTOR XT,
zkoušený podle ČSN EN/IEC 61643-21 a energeticky
zkoordinovaný podle IEC 61643-22,
pro ochranu 4 samostatných vodičů,
s integrovaným čipem LifeCheck
pro bezdotykovou kontrolu svodičů,
zasunutí do základního dílu BXT BAS/BSP BAS 4.
Nejvyšší provozní napětí DC: 70 V
Jmenovitý proud při 45 °C: 1,0 A
D1 bleskový proud (10/350 µs) celkový: 10 kA
D1 bleskový proud (10/350 µs)/žíla: 2,5 kA

Výrobek: DEHN
Typ: BXT ML4 BE 60
Obj. č.: 920326
nebo rovnocenný.

Certifikáty

 

Technické informace

Třída svodiče M
Nejvyšší provozní napětí DC (UC ) 70 V
Jmenovitý proud při 45 °C (IL ) 1,0 A
D1 bleskový proud (10/350 µs) celkový (Iimp ) 10 kA
C2 jmenovitý impulzní proud (8/20 µs) celkový (In ) 20 kA
Sériová impedance/žíla 1,0 ohm
Mezní frekvence žíla-zem (fG ) 9,0 MHz
Certifikace CSA, UL 497B, ATEX, IECEx, CSA & USA Hazloc, SIL
*) Detaily viz.: www.dehn.de

Produkt 920326 byl přidán na seznam.

K seznamu

Produkt 920326 byl přidán do nákupního košíku.

Obj. č. 920327 BXT ML4 BE 180

GTIN 4013364109087, Číslo celního sazebníku (EU): 85363010, Váha brutto: 31.30 g, Balící jednotka: 1.00 ks

Staré provedení

Vyobrazení

Další informace

Modul kombinovaného svodiče s čipem LifeCheck BLITZDUCTOR XT BE 180
ochranný modul s kombinovaným svodičem
třída svodiče Typ 1/P2 BLITZDUCTOR XT,
zkoušený podle ČSN EN/IEC 61643-21 a energeticky
zkoordinovaný podle IEC 61643-22,
pro ochranu 4 samostatných vodičů,
s integrovaným čipem LifeCheck
pro bezdotykovou kontrolu svodičů,
zasunutí do základního dílu BXT BAS/BSP BAS 4.
Nejvyšší provozní napětí DC: 180 V
Jmenovitý proud při 45 °C: 1,0 A
D1 bleskový proud (10/350 µs) celkový: 10 kA
D1 bleskový proud (10/350 µs)/žíla: 2,5 kA

Výrobek: DEHN
Typ: BXT ML4 BE 180
Obj. č.: 920327
nebo rovnocenný.

Certifikáty

 

Technické informace

Třída svodiče L
Nejvyšší provozní napětí DC (UC ) 180 V
Jmenovitý proud při 45 °C (IL ) 1,0 A
D1 bleskový proud (10/350 µs) celkový (Iimp ) 10 kA
C2 jmenovitý impulzní proud (8/20 µs) celkový (In ) 20 kA
Sériová impedance/žíla 1,0 ohm
Mezní frekvence žíla-zem (fG ) 25,0 MHz
Certifikace CSA, UL 497B, ATEX, IECEx, CSA & USA Hazloc, SIL
*) Detaily viz.: www.dehn.de

Produkt 920327 byl přidán na seznam.

K seznamu

Produkt 920327 byl přidán do nákupního košíku.


BXT ML4 BD 5 – BD 180

Prostorově úsporný modul kombinovaného svodiče s čipem RFID-LifeCheck chrání 2 páry žil neuzemněného symetrického rozhraní. LifeCheck zaznamenává tepelné nebo elektrické přetížení svodiče, po kterém je třeba svodič vyměnit. Kontrola je prováděna bezdotykově prostřednictvím přístrojů DEHNrecord LC / SCM / MCM.

6 Produkty

Obj. č. 920340 BXT ML4 BD 5

GTIN 4013364108967, Číslo celního sazebníku (EU): 85363010, Váha brutto: 30.10 g, Balící jednotka: 1.00 ks

Staré provedení

Vyobrazení

Další informace

Modul kombinovaného svodiče s čipem LifeCheck BLITZDUCTOR XT BD 5
ochranný modul s kombinovaným svodičem
třída svodiče Typ 1/P1 BLITZDUCTOR XT,
zkoušený podle ČSN EN/IEC 61643-21 a energeticky
zkoordinovaný podle IEC 61643-22,
pro ochranu dvou párů vedení,
s integrovaným čipem LifeCheck
pro bezdotykovou kontrolu svodičů,
zasunutí do základního dílu BXT BAS/BSP BAS 4.
Nejvyšší provozní napětí DC: 6,0 V
Jmenovitý proud při 45 °C: 1,0 A
D1 bleskový proud (10/350 µs) celkový: 10 kA
D1 bleskový proud (10/350 µs)/žíla: 2,5 kA

Výrobek: DEHN
Typ: BXT ML4 BD 5
Obj. č.: 920340
nebo rovnocenný.

Certifikáty

 

Technické informace

Třída svodiče M
Nejvyšší provozní napětí DC (UC ) 6,0 V
Jmenovitý proud při 45 °C (IL ) 1,0 A
D1 bleskový proud (10/350 µs) celkový (Iimp ) 10 kA
C2 jmenovitý impulzní proud (8/20 µs) celkový (In ) 20 kA
Sériová impedance/žíla 1,0 ohm
Mezní frekvence žíla-žíla (fG ) 1,0 MHz
Certifikace CSA, UL 497B, ATEX, IECEx, CSA & USA Hazloc, SIL
*) Detaily viz.: www.dehn.de

Produkt 920340 byl přidán na seznam.

K seznamu

Produkt 920340 byl přidán do nákupního košíku.

Obj. č. 920342 BXT ML4 BD 12

GTIN 4013364108974, Číslo celního sazebníku (EU): 85363010, Váha brutto: 30.30 g, Balící jednotka: 1.00 ks

Staré provedení

Vyobrazení

Další informace

Modul kombinovaného svodiče s čipem LifeCheck BLITZDUCTOR XT BD 12
ochranný modul s kombinovaným svodičem
třída svodiče Typ 1/P1 BLITZDUCTOR XT,
zkoušený podle ČSN EN/IEC 61643-21 a energeticky
zkoordinovaný podle IEC 61643-22,
pro ochranu dvou párů vedení,
s integrovaným čipem LifeCheck
pro bezdotykovou kontrolu svodičů,
zasunutí do základního dílu BXT BAS/BSP BAS 4.
Nejvyšší provozní napětí DC: 15 V
Jmenovitý proud při 45 °C: 1,0 A
D1 bleskový proud (10/350 µs) celkový: 10 kA
D1 bleskový proud (10/350 µs)/žíla: 2,5 kA

Výrobek: DEHN
Typ: BXT ML4 BD 12
Obj. č.: 920342
nebo rovnocenný.

Certifikáty

 

Technické informace

Třída svodiče M
Nejvyšší provozní napětí DC (UC ) 15 V
Jmenovitý proud při 45 °C (IL ) 1,0 A
D1 bleskový proud (10/350 µs) celkový (Iimp ) 10 kA
C2 jmenovitý impulzní proud (8/20 µs) celkový (In ) 20 kA
Sériová impedance/žíla 1,0 ohm
Mezní frekvence žíla-žíla (fG ) 2,8 MHz
Certifikace CSA, UL 497B, ATEX, IECEx, CSA & USA Hazloc, SIL
*) Detaily viz.: www.dehn.de

Produkt 920342 byl přidán na seznam.

K seznamu

Produkt 920342 byl přidán do nákupního košíku.

Obj. č. 920344 BXT ML4 BD 24

GTIN 4013364108981, Číslo celního sazebníku (EU): 85363010, Váha brutto: 45.30 g, Balící jednotka: 1.00 ks

Staré provedení

Vyobrazení

Další informace

Modul kombinovaného svodiče s čipem LifeCheck BLITZDUCTOR XT BD 24
ochranný modul s kombinovaným svodičem
třída svodiče Typ 1/P1 BLITZDUCTOR XT,
zkoušený podle ČSN EN/IEC 61643-21 a energeticky
zkoordinovaný podle IEC 61643-22,
pro ochranu dvou párů vedení,
s integrovaným čipem LifeCheck
pro bezdotykovou kontrolu svodičů,
zasunutí do základního dílu BXT BAS/BSP BAS 4.
Nejvyšší provozní napětí DC: 33 V
Jmenovitý proud při 45 °C: 1,0 A
D1 bleskový proud (10/350 µs) celkový: 10 kA
D1 bleskový proud (10/350 µs)/žíla: 2,5 kA

Výrobek: DEHN
Typ: BXT ML4 BD 24
Obj. č.: 920344
nebo rovnocenný.

Certifikáty

 

Technické informace

Třída svodiče M
Nejvyšší provozní napětí DC (UC ) 33 V
Jmenovitý proud při 45 °C (IL ) 1,0 A
D1 bleskový proud (10/350 µs) celkový (Iimp ) 10 kA
C2 jmenovitý impulzní proud (8/20 µs) celkový (In ) 20 kA
Sériová impedance/žíla 1,0 ohm
Mezní frekvence žíla-žíla (fG ) 7,8 MHz
Certifikace CSA, UL 497B, ATEX, IECEx, CCC, CSA & USA Hazloc, SIL
*) Detaily viz.: www.dehn.de

Produkt 920344 byl přidán na seznam.

K seznamu

Produkt 920344 byl přidán do nákupního košíku.

Obj. č. 920345 BXT ML4 BD 48

GTIN 4013364108998, Číslo celního sazebníku (EU): 85363010, Váha brutto: 30.50 g, Balící jednotka: 1.00 ks

Staré provedení

Vyobrazení

Další informace

Modul kombinovaného svodiče s čipem LifeCheck BLITZDUCTOR XT BD 48
ochranný modul s kombinovaným svodičem
třída svodiče Typ 1/P1 BLITZDUCTOR XT,
zkoušený podle ČSN EN/IEC 61643-21 a energeticky
zkoordinovaný podle IEC 61643-22,
pro ochranu dvou párů vedení,
s integrovaným čipem LifeCheck
pro bezdotykovou kontrolu svodičů,
zasunutí do základního dílu BXT BAS/BSP BAS 4.
Nejvyšší provozní napětí DC: 54 V
Jmenovitý proud při 45 °C: 1,0 A
D1 bleskový proud (10/350 µs) celkový: 10 kA
D1 bleskový proud (10/350 µs)/žíla: 2,5 kA

Výrobek: DEHN
Typ: BXT ML4 BD 48
Obj. č.: 920345
nebo rovnocenný.

Certifikáty

 

Technické informace

Třída svodiče M
Nejvyšší provozní napětí DC (UC ) 54 V
Jmenovitý proud při 45 °C (IL ) 1,0 A
D1 bleskový proud (10/350 µs) celkový (Iimp ) 10 kA
C2 jmenovitý impulzní proud (8/20 µs) celkový (In ) 20 kA
Sériová impedance/žíla 1,0 ohm
Mezní frekvence žíla-žíla (fG ) 8,7 MHz
Certifikace CSA, UL 497B, ATEX, IECEx, CSA & USA Hazloc, SIL
*) Detaily viz.: www.dehn.de

Produkt 920345 byl přidán na seznam.

K seznamu

Produkt 920345 byl přidán do nákupního košíku.

Obj. č. 920346 BXT ML4 BD 60

GTIN 4013364109001, Číslo celního sazebníku (EU): 85363010, Váha brutto: 30.70 g, Balící jednotka: 1.00 ks

Staré provedení

Vyobrazení

Další informace

Modul kombinovaného svodiče s čipem LifeCheck BLITZDUCTOR XT BD 60
ochranný modul s kombinovaným svodičem
třída svodiče Typ 1/P1 BLITZDUCTOR XT,
zkoušený podle ČSN EN/IEC 61643-21 a energeticky
zkoordinovaný podle IEC 61643-22,
pro ochranu dvou párů vedení,
s integrovaným čipem LifeCheck
pro bezdotykovou kontrolu svodičů,
zasunutí do základního dílu BXT BAS/BSP BAS 4.
Nejvyšší provozní napětí DC: 70 V
Jmenovitý proud při 45 °C: 1,0 A
D1 bleskový proud (10/350 µs) celkový: 10 kA
D1 bleskový proud (10/350 µs)/žíla: 2,5 kA

Výrobek: DEHN
Typ: BXT ML4 BD 60
Obj. č.: 920346
nebo rovnocenný.

Certifikáty

 

Technické informace

Třída svodiče M
Nejvyšší provozní napětí DC (UC ) 70 V
Jmenovitý proud při 45 °C (IL ) 1,0 A
D1 bleskový proud (10/350 µs) celkový (Iimp ) 10 kA
C2 jmenovitý impulzní proud (8/20 µs) celkový (In ) 20 kA
Sériová impedance/žíla 1,0 ohm
Mezní frekvence žíla-žíla (fG ) 11,0 MHz
Certifikace CSA, UL 497B, ATEX, IECEx, CSA & USA Hazloc, SIL
*) Detaily viz.: www.dehn.de

Produkt 920346 byl přidán na seznam.

K seznamu

Produkt 920346 byl přidán do nákupního košíku.

Obj. č. 920347 BXT ML4 BD 180

GTIN 4013364109018, Číslo celního sazebníku (EU): 85363010, Váha brutto: 30.50 g, Balící jednotka: 1.00 ks

Staré provedení

Vyobrazení

Další informace

Modul kombinovaného svodiče s čipem LifeCheck BLITZDUCTOR XT BD 180
ochranný modul s kombinovaným svodičem
třída svodiče Typ 1/P1 BLITZDUCTOR XT,
zkoušený podle ČSN EN/IEC 61643-21 a energeticky
zkoordinovaný podle IEC 61643-22,
pro ochranu dvou párů vedení,
s integrovaným čipem LifeCheck
pro bezdotykovou kontrolu svodičů,
zasunutí do základního dílu BXT BAS/BSP BAS 4.
Nejvyšší provozní napětí DC: 180 V
Jmenovitý proud při 45 °C: 0,75 A
D1 bleskový proud (10/350 µs) celkový: 10 kA
D1 bleskový proud (10/350 µs)/žíla: 2,5 kA

Výrobek: DEHN
Typ: BXT ML4 BD 180
Obj. č.: 920347
nebo rovnocenný.

Certifikáty

 

Technické informace

Třída svodiče L
Nejvyšší provozní napětí DC (UC ) 180 V
Jmenovitý proud při 45 °C (IL ) 0,75 A
D1 bleskový proud (10/350 µs) celkový (Iimp ) 10 kA
C2 jmenovitý impulzní proud (8/20 µs) celkový (In ) 20 kA
Sériová impedance/žíla 1,8 ohm
Mezní frekvence žíla-žíla (fG ) 25,0 MHz
Certifikace CSA, UL 497B, ATEX, IECEx, CSA & USA Hazloc, SIL
*) Detaily viz.: www.dehn.de

Produkt 920347 byl přidán na seznam.

K seznamu

Produkt 920347 byl přidán do nákupního košíku.


BXT ML4 BPD 24

Prostorově úsporný modul kombinovaného svodiče s čipem RFID-LifeCheck chrání 2 páry vedení v systémech 24 V DC. Použití rovněž v obvodech s uzemněným mínusovým pólem. Integrovaná nadproudová ochrana umožňuje bezpečné vyresetování svodiče po průchodu zkratového proudu až 40 A.

1 Produkt

Obj. č. 920314 BXT ML4 BPD 24

GTIN 4013364261396, Číslo celního sazebníku (EU): 85363010, Váha brutto: 39.66 g, Balící jednotka: 1.00 ks


Vyobrazení

Další informace

Modul kombinovaného svodiče s čipem LifeCheck BLITZDUCTOR XT BPD 24
ochranný modul s kombinovaným svodičem
třída svodiče Typ 1/P1 BLITZDUCTOR XT,
zkoušený podle ČSN EN/IEC 61643-21 a energeticky
zkoordinovaný podle IEC 61643-22,
pro ochranu dvou párů vedení v systémech 24 V DC,
použití i v obvodech s uzemněným mínusovým pólem,
s integrovanou nadproudovou ochranou pro proudy až do 40 A,
s integrovaným čipem LifeCheck pro bezdotykovou kontrolu svodiče,
zasunutí do základního dílu BXT BAS/BSP BAS 4.
Nejvyšší provozní napětí DC: 33 V
Jmenovitý proud při 70 °C: 0,1 A
D1 bleskový proud (10/350 µs) celkový: 10 kA
D1 bleskový proud (10/350 µs)/žíla: 2,5 kA

Výrobek: DEHN
Typ: BXT ML4 BPD 24
Obj. č.: 920314
nebo rovnocenný.

Certifikáty

 

Technické informace

Třída svodiče M
Nejvyšší provozní napětí DC (UC ) 33 V
Jmenovitý proud při 70 °C (IL ) 0,1 A
D1 bleskový proud (10/350 µs) celkový (Iimp ) 10 kA
C2 jmenovitý impulzní proud (8/20 µs) celkový (In ) 20 kA
Sériová impedance/žíla typ. 10 ohm
Mezní frekvence žíla-žíla (fG ) 4 MHz
Certifikace SIL

Produkt 920314 byl přidán na seznam.

K seznamu

Produkt 920314 byl přidán do nákupního košíku.


BXT ML4 BC 5 / 24

Prostorově úsporný modul kombinovaného svodiče s čipem RFID-LifeCheck chrání 4 samostatné žíly se společným vztažným potenciálem. LifeCheck zaznamenává tepelné nebo elektrické přetížení svodiče, po kterém je třeba svodič vyměnit. Kontrola je prováděna bezdotykově prostřednictvím přístrojů DEHNrecord LC / SCM / MCM.

2 Produkty

Obj. č. 920350 BXT ML4 BC 5

GTIN 4013364109131, Číslo celního sazebníku (EU): 85363010, Váha brutto: 30.60 g, Balící jednotka: 1.00 ks


Vyobrazení

Další informace

Modul kombinovaného svodiče s čipem LifeCheck BLITZDUCTOR XT BXT ML4 BC 5
ochranný modul s kombinovaným svodičem
třída svodiče Typ 1/P1 BLITZDUCTOR XT,
zkoušený podle ČSN EN/IEC 61643-21 a energeticky
zkoordinovaný podle IEC 61643-22,
pro ochranu 4 samostatných vodičů se společným vztažným potenciálem,
s integrovaným čipem LifeCheck pro bezdotykovou kontrolu svodičů,
zasunutí do základního dílu BXT BAS/BSP BAS 4.
Nejvyšší provozní napětí DC: 6,0 V
Jmenovitý proud při 45 °C: 1,0 A
D1 bleskový proud (10/350 µs) celkový: 10 kA
D1 bleskový proud (10/350 µs)/žíla: 2,5 kA

Výrobek: DEHN
Typ: BXT ML4 BC 5
Obj. č.: 920350
nebo rovnocenný.

Certifikáty

 

Technické informace

Třída svodiče M
Nejvyšší provozní napětí DC (UC ) 6,0 V
Jmenovitý proud při 45 °C (IL ) 1,0 A
D1 bleskový proud (10/350 µs) celkový (Iimp ) 10 kA
C2 jmenovitý impulzní proud (8/20 µs) celkový (In ) 20 kA
Sériová impedance/žíla 1,0 ohm
Mezní frekvence žíla-žíla (fG ) 1,0 MHz
Certifikace CSA, ATEX, IECEx, CSA & USA Hazloc, SIL
*) Detail viz. : www.dehn.de

Produkt 920350 byl přidán na seznam.

K seznamu

Produkt 920350 byl přidán do nákupního košíku.

Obj. č. 920354 BXT ML4 BC 24

GTIN 4013364109148, Číslo celního sazebníku (EU): 85363010, Váha brutto: 30.90 g, Balící jednotka: 1.00 ks


Vyobrazení

Další informace

Modul kombinovaného svodiče s čipem LifeCheck BLITZDUCTOR XT BXT ML4 BC 24
ochranný modul s kombinovaným svodičem
třída svodiče Typ 1/P1 BLITZDUCTOR XT,
zkoušený podle ČSN EN/IEC 61643-21 a energeticky
zkoordinovaný podle IEC 61643-22,
pro ochranu 4 samostatných vodičů se společným vztažným potenciálem,
s integrovaným čipem LifeCheck pro bezdotykovou kontrolu svodičů,
zasunutí do základního dílu BXT BAS/BSP BAS 4.
Nejvyšší provozní napětí DC: 33 V
Jmenovitý proud při 45 °C: 0,75 A
D1 bleskový proud (10/350 µs) celkový: 10 kA
D1 bleskový proud (10/350 µs)/žíla: 2,5 kA

Výrobek: DEHN
Typ: BXT ML4 BC 24
Obj. č.: 920354
nebo rovnocenný.

Certifikáty

 

Technické informace

Třída svodiče M
Nejvyšší provozní napětí DC (UC ) 33 V
Jmenovitý proud při 45 °C (IL ) 0,75 A
D1 bleskový proud (10/350 µs) celkový (Iimp ) 10 kA
C2 jmenovitý impulzní proud (8/20 µs) celkový (In ) 20 kA
Sériová impedance/žíla 1,8 ohm
Mezní frekvence žíla-žíla (fG ) 5,7 MHz
Certifikace CSA, ATEX, IECEx, CSA & USA Hazloc, SIL
*) Detail viz. : www.dehn.de

Produkt 920354 byl přidán na seznam.

K seznamu

Produkt 920354 byl přidán do nákupního košíku.


BXT ML4 BE C 12 / 24

Prostorově úsporný modul kombinovaného svodiče s čipem RFID-LifeCheck chrání 2 páry symetrických rozhraní se vstupním diodovým obvodem, proudové smyčky (TTY) a optické převodníky na vstupu. LifeCheck zaznamenává tepelné nebo elektrické přetížení svodiče, po kterém je třeba svodič vyměnit. Kontrola je prováděna bezdotykově prostřednictvím přístrojů DEHNrecord LC / SCM / MCM.

2 Produkty

Obj. č. 920362 BXT ML4 BE C 12

GTIN 4013364120587, Číslo celního sazebníku (EU): 85363010, Váha brutto: 31.20 g, Balící jednotka: 1.00 ks

Staré provedení

Vyobrazení

Další informace

Modul kombinovaného svodiče s čipem LifeCheck BLITZDUCTOR XT BXT ML4 BE C 12
ochranný modul s kombinovaným svodičem
třída svodiče Typ 1/P1 BLITZDUCTOR XT, čtyřpólový
zkoušený podle ČSN EN/IEC 61643-21 a energeticky
zkoordinovaný podle IEC 61643-22,
pro ochranu symetrických rozhraní se vstupním ochranným diodovým obvodem,
proudové smyčky a optické převodníky na vstupu,
s integrovaným čipem LifeCheck pro bezdotykovou kontrolu svodičů,
zasunutí do základního dílu BXT BAS/BSP BAS 4.
Nejvyšší provozní napětí DC: 15 V
Jmenovitý proud při 80 °C: 0,1 A
D1 bleskový proud (10/350 µs) celkový: 10 kA
D1 bleskový proud (10/350 µs)/žíla: 2,5 kA

Výrobek: DEHN
Typ: BXT ML4 BE C 12
Obj. č.: 920362
nebo rovnocenný.

Certifikáty

 

Technické informace

Třída svodiče M
Nejvyšší provozní napětí DC (UC ) 15 V
Jmenovitý proud při 80 °C (IL ) 0,1 A
D1 bleskový proud (10/350 µs) celkový (Iimp ) 10 kA
C2 jmenovitý impulzní proud (8/20 µs) celkový (In ) 20 kA
Sériová impedance/žíla 13,8 ohm
Mezní frekvence žíla-zem (fG ) 0,85 MHz
Certifikace ATEX, IECEx, CSA & USA Hazloc, SIL
*) Detail viz. : www.dehn.de

Produkt 920362 byl přidán na seznam.

K seznamu

Produkt 920362 byl přidán do nákupního košíku.

Obj. č. 920364 BXT ML4 BE C 24

GTIN 4013364109155, Číslo celního sazebníku (EU): 85363010, Váha brutto: 31.70 g, Balící jednotka: 1.00 ks

Staré provedení

Vyobrazení

Další informace

Modul kombinovaného svodiče s čipem LifeCheck BLITZDUCTOR XT BXT ML4 BE C 24
ochranný modul s kombinovaným svodičem
třída svodiče Typ 1/P1 BLITZDUCTOR XT, čtyřpólový
zkoušený podle ČSN EN/IEC 61643-21 a energeticky
zkoordinovaný podle IEC 61643-22,
pro ochranu symetrických rozhraní se vstupním ochranným diodovým obvodem,
proudové smyčky a optické převodníky na vstupu,
s integrovaným čipem LifeCheck pro bezdotykovou kontrolu svodičů,
zasunutí do základního dílu BXT BAS/BSP BAS 4.
Nejvyšší provozní napětí DC: 33 V
Jmenovitý proud při 80 °C: 0,1 A
D1 bleskový proud (10/350 µs) celkový: 10 kA
D1 bleskový proud (10/350 µs)/žíla: 2,5 kA

Výrobek: DEHN
Typ: BXT ML4 BE C 24
Obj. č.: 920364
nebo rovnocenný.

Certifikáty

 

Technické informace

Třída svodiče M
Nejvyšší provozní napětí DC (UC ) 33 V
Jmenovitý proud při 80 °C (IL ) 0,1 A
D1 bleskový proud (10/350 µs) celkový (Iimp ) 10 kA
C2 jmenovitý impulzní proud (8/20 µs) celkový (In ) 20 kA
Sériová impedance/žíla 28,8 ohm
Mezní frekvence žíla-zem (fG ) 1,7 MHz
Certifikace CSA, ATEX, IECEx, CSA & USA Hazloc, SIL
*) Detail viz. : www.dehn.de

Produkt 920364 byl přidán na seznam.

K seznamu

Produkt 920364 byl přidán do nákupního košíku.


BXT ML4 BE HF 5

Prostorově úsporný modul kombinovaného svodiče s čipem RFID-LifeCheck chrání 4 žíly se společným vztažným potenciálem, případně vysokofrekvenční přenosy bez galvanického oddělení. LifeCheck zaznamenává tepelné nebo elektrické přetížení svodiče, po kterém je třeba svodič vyměnit. Kontrola je prováděna bezdotykově prostřednictvím přístrojů DEHNrecord LC / SCM / MCM.

1 Produkt

Obj. č. 920370 BXT ML4 BE HF 5

GTIN 4013364109117, Číslo celního sazebníku (EU): 85363010, Váha brutto: 31.00 g, Balící jednotka: 1.00 ks

Staré provedení

Vyobrazení

Další informace

Modul kombinovaného svodiče s čipem LifeCheck BLITZDUCTOR XT BXT ML4 BE HF 5
ochranný modul s kombinovaným svodičem
třída svodiče Typ 1/P1 BLITZDUCTOR XT,
zkoušený podle ČSN EN/IEC 61643-21 a energeticky
zkoordinovaný podle IEC 61643-22,
pro ochranu 4 samostatných vodičů s vysokou přenosovou rychlostí,
s integrovaným čipem LifeCheck pro bezdotykovou kontrolu svodičů,
zasunutí do základního dílu BXT BAS/BSP BAS 4.
Nejvyšší provozní napětí DC: 6,0 V
Jmenovitý proud při 45 °C: 1,0 A
D1 bleskový proud (10/350 µs) celkový: 10 kA
D1 bleskový proud (10/350 µs)/žíla: 2,5 kA

Výrobek: DEHN
Typ: BXT ML4 BE HF 5
Obj. č.: 920370
nebo rovnocenný.

Certifikáty

 

Technické informace

Třída svodiče M
Nejvyšší provozní napětí DC (UC ) 6,0 V
Jmenovitý proud při 45 °C (IL ) 1,0 A
D1 bleskový proud (10/350 µs) celkový (Iimp ) 10 kA
C2 jmenovitý impulzní proud (8/20 µs) celkový (In ) 20 kA
Sériová impedance/žíla 1,0 ohm
Mezní frekvence žíla-zem (fG ) 100,0 MHz
Certifikace CSA, UL 497B, ATEX, IECEx, CCC, CSA & USA Hazloc, SIL
*) Detaily viz. : www.dehn.de

Produkt 920370 byl přidán na seznam.

K seznamu

Produkt 920370 byl přidán do nákupního košíku.


BXT ML4 BD HF 5 / 24

Prostorově úsporný modul kombinovaného svodiče s čipem RFID-LifeCheck chrání 2 páry žil vysokofrekvenčních Bus - systémů nebo videosignálu s galvanickým oddělením. LifeCheck zaznamenává tepelné nebo elektrické přetížení svodiče, po kterém je třeba svodič vyměnit. Kontrola je prováděna bezdotykově prostřednictvím přístrojů DEHNrecord LC / SCM / MCM.

2 Produkty

Obj. č. 920371 BXT ML4 BD HF 5

GTIN 4013364109094, Číslo celního sazebníku (EU): 85363010, Váha brutto: 30.80 g, Balící jednotka: 1.00 ks

Staré provedení

Vyobrazení

Další informace

Modul kombinovaného svodiče s čipem LifeCheck BLITZDUCTOR XT BXT ML4 BD HF 5
ochranný modul s kombinovaným svodičem
třída svodiče Typ 1/P1 BLITZDUCTOR XT,
zkoušený podle ČSN EN/IEC 61643-21 a energeticky
zkoordinovaný podle IEC 61643-22,
pro ochranu dvou párů vedení s vysokou přenosovou rychlostí,
s integrovaným čipem LifeCheck pro bezdotykovou kontrolu svodičů,
zasunutí do základního dílu BXT BAS/BSP BAS 4.
Nejvyšší provozní napětí DC: 6,0 V
Jmenovitý proud při 45 °C: 1,0 A
D1 bleskový proud (10/350 µs) celkový: 10 kA
D1 bleskový proud (10/350 µs)/žíla: 2,5 kA

Výrobek: DEHN
Typ: BXT ML4 BD HF 5
Obj. č.: 920371
nebo rovnocenný.

Certifikáty

 

Technické informace

Třída svodiče M
Nejvyšší provozní napětí DC (UC ) 6,0 V
Jmenovitý proud při 45 °C (IL ) 1,0 A
D1 bleskový proud (10/350 µs) celkový (Iimp ) 10 kA
C2 jmenovitý impulzní proud (8/20 µs) celkový (In ) 20 kA
Sériová impedance/žíla 1,0 ohm
Mezní frekvence žíla-žíla (fG ) 100,0 MHz
Certifikace CSA, UL 497B, ATEX, IECEx, CCC, CSA & USA Hazloc, SIL
*) Detaily viz. : www.dehn.de

Produkt 920371 byl přidán na seznam.

K seznamu

Produkt 920371 byl přidán do nákupního košíku.

Obj. č. 920375 BXT ML4 BD HF 24

GTIN 4013364109100, Číslo celního sazebníku (EU): 85363010, Váha brutto: 31.00 g, Balící jednotka: 1.00 ks

Staré provedení

Vyobrazení

Další informace

Modul kombinovaného svodiče s čipem LifeCheck BLITZDUCTOR XT BXT ML4 BD HF 24
ochranný modul s kombinovaným svodičem
třída svodiče Typ 1/P1 BLITZDUCTOR XT,
zkoušený podle ČSN EN/IEC 61643-21 a energeticky
zkoordinovaný podle IEC 61643-22,
pro ochranu dvou párů vedení s vysokou přenosovou rychlostí,
s integrovaným čipem LifeCheck pro bezdotykovou kontrolu svodičů,
zasunutí do základního dílu BXT BAS/BSP BAS 4.
Nejvyšší provozní napětí DC: 33 V
Jmenovitý proud při 45 °C: 1,0 A
D1 bleskový proud (10/350 µs) celkový: 10 kA
D1 bleskový proud (10/350 µs)/žíla: 2,5 kA

Výrobek: DEHN
Typ: BXT ML4 BD HF 24
Obj. č.: 920375
nebo rovnocenný.

Certifikáty

 

Technické informace

Třída svodiče M
Nejvyšší provozní napětí DC (UC ) 33 V
Jmenovitý proud při 45 °C (IL ) 1,0 A
D1 bleskový proud (10/350 µs) celkový (Iimp ) 10 kA
C2 jmenovitý impulzní proud (8/20 µs) celkový (In ) 20 kA
Sériová impedance/žíla 1,0 ohm
Mezní frekvence žíla-žíla (fG ) 100,0 MHz
Certifikace CSA, UL 497B, ATEX, IECEx, CSA & USA Hazloc, SIL
*) Detaily viz. : www.dehn.de

Produkt 920375 byl přidán na seznam.

K seznamu

Produkt 920375 byl přidán do nákupního košíku.


BXT ML4 MY 110 / 250

Prostorově úsporný modul svodiče přepětí s čipem RFID-LifeCheck chrání 4 žíly vícevodičových rozhraní. LifeCheck zaznamenává tepelné nebo elektrické přetížení svodiče, po kterém je třeba svodič vyměnit. Kontrola je prováděna bezdotykově prostřednictvím přístrojů DEHNrecord LC / SCM / MCM.

2 Produkty

Obj. č. 920388 BXT ML4 MY 110

GTIN 4013364137370, Číslo celního sazebníku (EU): 85363010, Váha brutto: 34.70 g, Balící jednotka: 1.00 ks


Vyobrazení

Další informace

Modul kombinovaného svodiče s čipem LifeCheck BLITZDUCTOR XT BXT ML4 MY 110
ochranný modul se svodičem přepětí
třída svodiče Typ 2/P2 BLITZDUCTOR XT,
zkoušený podle ČSN EN/IEC 61643-21 a energeticky
zkoordinovaný podle IEC 61643-22,
pro ochranu dvou symetrických rozhraní s galvanickým oddělením,
s integrovaným čipem LifeCheck pro bezdotykovou kontrolu svodičů,
zasunutí do základního dílu BXT BAS/BSP BAS 4.
Jmenovitý proud při 80 °C: 3,0 A

Výrobek: DEHN
Typ: BXT ML4 MY 110
Obj. č.: 920388
nebo rovnocenný.

Certifikáty

 

Technické informace

Třída svodiče U
Nejvyšší provozní napětí DC žíla-žíla (UC ) 170 V
Nejvyšší provozní napětí DC žíla-zem (UC ) 85 V
Jmenovitý proud při 80 °C (IL ) 3,0 A
C2 jmenovitý impulzní proud (8/20 µs) celkový (In ) 10 kA
Mezní frekvence žíla-žíla (fG ) 4,5 MHz
Certifikace SIL
*) Detaily viz. : www.dehn.de

Produkt 920388 byl přidán na seznam.

K seznamu

Produkt 920388 byl přidán do nákupního košíku.

Obj. č. 920389 BXT ML4 MY 250

GTIN 4013364118447, Číslo celního sazebníku (EU): 85363010, Váha brutto: 36.70 g, Balící jednotka: 1.00 ks

Staré provedení

Vyobrazení

Další informace

Modul kombinovaného svodiče s čipem LifeCheck BLITZDUCTOR XT BXT ML4 MY 250
ochranný modul se svodičem přepětí
třída svodiče Typ 2/P3 BLITZDUCTOR XT,
zkoušený podle ČSN EN/IEC 61643-21 a energeticky
zkoordinovaný podle IEC 61643-22,
pro ochranu dvou symetrických rozhraní s galvanickým oddělením,
s integrovaným čipem LifeCheck pro bezdotykovou kontrolu svodičů,
zasunutí do základního dílu BXT BAS/BSP BAS 4.
Jmenovitý proud při 80 °C: 3,0 A

Výrobek: DEHN
Typ: BXT ML4 MY 250
Obj. č.: 920389
nebo rovnocenný.

Certifikáty

 

Technické informace

Třída svodiče V
Nejvyšší provozní napětí DC žíla-žíla (UC ) 620 V
Nejvyšší provozní napětí DC žíla-zem (UC ) 320 V
Jmenovitý proud při 80 °C (IL ) 3,0 A
C2 jmenovitý impulzní proud (8/20 µs) celkový (In ) 10 kA
Mezní frekvence žíla-žíla (fG ) 20,0 MHz
Certifikace SIL
*) Detaily viz. : www.dehn.de

Produkt 920389 byl přidán na seznam.

K seznamu

Produkt 920389 byl přidán do nákupního košíku.


BXT ML4 BE BD 24

Prostorově úsporný modul kombinovaného svodiče s čipem RFID-LifeCheck chrání 2 samostatné žíly se společným vztažným potenciálem, stejně jako nesymetrická rozhraní a 1 pár žil neuzemněného symetrického rozhraní. LifeCheck zaznamenává tepelné nebo elektrické přetížení svodiče, po kterém je třeba svodič vyměnit. Kontrola je prováděna bezdotykově prostřednictvím přístrojů DEHNrecord LC / MCM.

1 Produkt

Obj. č. 920334 BXT ML4 BE BD 24

GTIN 4013364152229, Číslo celního sazebníku (EU): 85363010, Váha brutto: 29.59 g, Balící jednotka: 1.00 ks


Vyobrazení

Další informace

Modul kombinovaného svodiče s čipem LifeCheck BLITZDUCTOR XT BXT ML4 BE BD 24
ochranný modul se svodičem přepětí
třída svodiče Typ 1/P1 BLITZDUCTOR XT,
zkoušený podle ČSN EN/IEC 61643-21 a energeticky
zkoordinovaný podle IEC 61643-22,
pro ochranu dvou samostatných vodičů se společným
vztažným potenciálem stejně jako nesymetrická rozhraní
a jeden pár bezpotenciálového symetrického rozhraní,
s integrovaným čipem LifeCheck
pro bezdotykovou kontrolu svodičů,
zasunutí do základního dílu BXT BAS/BSP BAS 4.
Nejvyšší provozní napětí DC: 33 V
Jmenovitý proud při 45 °C: 0,75 A
D1 bleskový proud (10/350 µs) celkový: 10 kA
D1 bleskový proud (10/350 µs)/žíla: 2,5 kA

Výrobek: DEHN
Typ: BXT ML4 BE BD 24
Obj. č.: 920334
nebo rovnocenný.

 

Technické informace

Třída svodiče M
Nejvyšší provozní napětí DC (UC ) 33 V
Jmenovitý proud při 45 °C (IL ) 0,75 A
D1 bleskový proud (10/350 µs) celkový (Iimp ) 10 kA
C2 jmenovitý impulzní proud (8/20 µs) celkový (In ) 20 kA

Produkt 920334 byl přidán na seznam.

K seznamu

Produkt 920334 byl přidán do nákupního košíku.


BXT ML2 BD 180

Kompaktní modul kombinovaného svodiče přepětí s technologií RFID-LifeCheck pro ochranu jednoho páru žil bezpotenciálového symetrického rozhraní. LifeCheck zaznamenává tepelné nebo elektrické přetížení svodiče, po kterém je třeba svodič vyměnit. Kontrola je prováděna bezdotykově prostřednictvím DEHNrecord LC / SCM / MCM.

1 Produkt

Obj. č. 920247 BXT ML2 BD 180

GTIN 4013364116078, Číslo celního sazebníku (EU): 85363010, Váha brutto: 49.60 g, Balící jednotka: 1.00 ks

Staré provedení

Vyobrazení

Další informace

Modul svodiče bleskových proudů s čipem LifeCheck BLITZDUCTOR XT BXT ML2 BD 180
ochranný modul se svodičem bleskových proudů
třída svodiče Typ 1/P2 BLITZDUCTOR XT,
zkoušený podle ČSN EN/IEC 61643-21 a energeticky
zkoordinovaný podle IEC 61643-22,
pro ochranu jednoho páru vedení,
s integrovaným čipem LifeCheck
pro bezdotykovou kontrolu svodičů,
zasunutí do základního dílu BXT BAS/BSP BAS 4.
Nejvyšší provozní napětí DC: 180 V
Jmenovitý proud při 45 °C: 0,75 A
D1 bleskový proud (10/350 µs) celkový: 5 kA
D1 bleskový proud (10/350 µs)/žíla: 2,5 kA

Výrobek: DEHN
Typ: BXT ML2 BD 180
Obj. č.: 920247
nebo rovnocenný.

Certifikáty

 

Technické informace

Třída svodiče L
Nejvyšší provozní napětí DC (UC ) 180 V
Jmenovitý proud při 45 °C (IL ) 0,75 A
D1 bleskový proud (10/350 µs) celkový (Iimp ) 5 kA
C2 jmenovitý impulzní proud (8/20 µs) celkový (In ) 20 kA
Sériová impedance/žíla 1,8 ohm
Mezní frekvence žíla-žíla (fG ) 25,0 MHz
Certifikace CSA, ATEX, IECEx, CSA & USA Hazloc, SIL
*) Detaily viz. : www.dehn.de

Produkt 920247 byl přidán na seznam.

K seznamu

Produkt 920247 byl přidán do nákupního košíku.


BXT ML2 BD S 5 – BD S 48

Prostorově úsporný modul kombinovaného svodiče s čipem RFID-LifeCheck chrání 1 pár žil neuzemněného symetrického rozhraní, s možností volby přímého nebo nepřímého uzemnění stínění. LifeCheck zaznamenává tepelné nebo elektrické přetížení svodiče, po kterém je třeba svodič vyměnit. Kontrola je prováděna bezdotykově prostřednictvím přístrojů DEHNrecord LC / SCM / MCM.

4 Produkty

Obj. č. 920240 BXT ML2 BD S 5

GTIN 4013364118348, Číslo celního sazebníku (EU): 85363010, Váha brutto: 27.50 g, Balící jednotka: 1.00 ks

Staré provedení

Vyobrazení

Další informace

Modul kombinovaného svodiče s čipem LifeCheck BLITZDUCTOR XT BD S 5
ochranný modul s kombinovaným svodičem
třída svodiče Typ 1/P1 BLITZDUCTOR XT,
zkoušený podle ČSN EN/IEC 61643-21 a energeticky
zkoordinovaný podle IEC 61643-22,
pro ochranu jednoho páru vedení,
volitelně přímé nebo nepřímé uzemnění stínění,
s integrovaným čipem LifeCheck
pro bezdotykovou kontrolu svodičů,
zasunutí do základního dílu BXT BAS/BSP BAS 4.
Nejvyšší provozní napětí DC: 6,0 V
Jmenovitý proud při 45 °C: 1,0 A
D1 bleskový proud (10/350 µs) celkový: 9 kA
D1 bleskový proud (10/350 µs)/žíla: 2,5 kA

Výrobek: DEHN
Typ: BXT ML2 BD S 5
Obj. č.: 920240
nebo rovnocenný.

Certifikáty

 

Technické informace

Třída svodiče M
Nejvyšší provozní napětí DC (UC ) 6,0 V
Jmenovitý proud při 45 °C (IL ) 1,0 A
D1 bleskový proud (10/350 µs) celkový (Iimp ) 9 kA
C2 jmenovitý impulzní proud (8/20 µs) celkový (In ) 20 kA
Sériová impedance/žíla 1,0 ohm
Mezní frekvence žíla-žíla (fG ) 1,0 MHz
Certifikace CSA, ATEX, IECEx, CSA & USA Hazloc, SIL
*) Detaily viz. : www.dehn.de

Produkt 920240 byl přidán na seznam.

K seznamu

Produkt 920240 byl přidán do nákupního košíku.

Obj. č. 920242 BXT ML2 BD S 12

GTIN 4013364118362, Číslo celního sazebníku (EU): 85363010, Váha brutto: 27.60 g, Balící jednotka: 1.00 ks

Staré provedení

Vyobrazení

Další informace

Modul kombinovaného svodiče s čipem LifeCheck BLITZDUCTOR XT BD S 12
ochranný modul s kombinovaným svodičem
třída svodiče Typ 1/P1 BLITZDUCTOR XT,
zkoušený podle ČSN EN/IEC 61643-21 a energeticky
zkoordinovaný podle IEC 61643-22,
pro ochranu jednoho páru vedení,
volitelně přímé nebo nepřímé uzemnění stínění,
s integrovaným čipem LifeCheck
pro bezdotykovou kontrolu svodičů,
zasunutí do základního dílu BXT BAS/BSP BAS 4.
Nejvyšší provozní napětí DC: 15 V
Jmenovitý proud při 45 °C: 1,0 A
D1 bleskový proud (10/350 µs) celkový: 9 kA
D1 bleskový proud (10/350 µs)/žíla: 2,5 kA

Výrobek: DEHN
Typ: BXT ML2 BD S 12
Obj. č.: 920242
nebo rovnocenný.

Certifikáty

 

Technické informace

Třída svodiče M
Nejvyšší provozní napětí DC (UC ) 15 V
Jmenovitý proud při 45 °C (IL ) 1,0 A
D1 bleskový proud (10/350 µs) celkový (Iimp ) 9 kA
C2 jmenovitý impulzní proud (8/20 µs) celkový (In ) 20 kA
Sériová impedance/žíla 1,0 ohm
Mezní frekvence žíla-žíla (fG ) 2,8 MHz
Certifikace CSA, ATEX, IECEx, CSA & USA Hazloc, SIL
*) Detaily viz. : www.dehn.de

Produkt 920242 byl přidán na seznam.

K seznamu

Produkt 920242 byl přidán do nákupního košíku.

Obj. č. 920244 BXT ML2 BD S 24

GTIN 4013364117792, Číslo celního sazebníku (EU): 85363010, Váha brutto: 27.80 g, Balící jednotka: 1.00 ks

Staré provedení

Vyobrazení

Další informace

Modul kombinovaného svodiče s čipem LifeCheck BLITZDUCTOR XT BD S 24
ochranný modul s kombinovaným svodičem
třída svodiče Typ 1/P1 BLITZDUCTOR XT,
zkoušený podle ČSN EN/IEC 61643-21 a energeticky
zkoordinovaný podle IEC 61643-22,
pro ochranu jednoho páru vedení,
volitelně přímé nebo nepřímé uzemnění stínění,
s integrovaným čipem LifeCheck
pro bezdotykovou kontrolu svodičů,
zasunutí do základního dílu BXT BAS/BSP BAS 4.
Nejvyšší provozní napětí DC: 33 V
Jmenovitý proud při 45 °C: 1,0 A
D1 bleskový proud (10/350 µs) celkový: 9 kA
D1 bleskový proud (10/350 µs)/žíla: 2,5 kA

Výrobek: DEHN
Typ: BXT ML2 BD S 24
Obj. č.: 920244
nebo rovnocenný.

Certifikáty

 

Technické informace

Třída svodiče M
Nejvyšší provozní napětí DC (UC ) 33 V
Jmenovitý proud při 45 °C (IL ) 1,0 A
D1 bleskový proud (10/350 µs) celkový (Iimp ) 9 kA
C2 jmenovitý impulzní proud (8/20 µs) celkový (In ) 20 kA
Sériová impedance/žíla 1,0 ohm
Mezní frekvence žíla-žíla (fG ) 7,8 MHz
Certifikace CSA, ATEX, IECEx, CCC, CSA & USA Hazloc, SIL
*) Detaily viz. : www.dehn.de

Produkt 920244 byl přidán na seznam.

K seznamu

Produkt 920244 byl přidán do nákupního košíku.

Obj. č. 920245 BXT ML2 BD S 48

GTIN 4013364118386, Číslo celního sazebníku (EU): 85363010, Váha brutto: 43.20 g, Balící jednotka: 1.00 ks

Staré provedení

Vyobrazení

Další informace

Modul kombinovaného svodiče s čipem LifeCheck BLITZDUCTOR XT BD S 48
ochranný modul s kombinovaným svodičem
třída svodiče Typ 1/P1 BLITZDUCTOR XT,
zkoušený podle ČSN EN/IEC 61643-21 a energeticky
zkoordinovaný podle IEC 61643-22,
pro ochranu jednoho páru vedení,
volitelně přímé nebo nepřímé uzemnění stínění,
s integrovaným čipem LifeCheck
pro bezdotykovou kontrolu svodičů,
zasunutí do základního dílu BXT BAS/BSP BAS 4.
Nejvyšší provozní napětí DC: 54 V
Jmenovitý proud při 45 °C: 1,0 A
D1 bleskový proud (10/350 µs) celkový: 9 kA
D1 bleskový proud (10/350 µs)/žíla: 2,5 kA

Výrobek: DEHN
Typ: BXT ML2 BD S 48
Obj. č.: 920245
nebo rovnocenný.

Certifikáty

 

Technické informace

Třída svodiče M
Nejvyšší provozní napětí DC (UC ) 54 V
Jmenovitý proud při 45 °C (IL ) 1,0 A
D1 bleskový proud (10/350 µs) celkový (Iimp ) 9 kA
C2 jmenovitý impulzní proud (8/20 µs) celkový (In ) 20 kA
Sériová impedance/žíla 1,0 ohm
Mezní frekvence žíla-žíla (fG ) 8,7 MHz
Certifikace CSA, ATEX, IECEx, CSA & USA Hazloc, SIL
*) Detaily viz. : www.dehn.de

Produkt 920245 byl přidán na seznam.

K seznamu

Produkt 920245 byl přidán do nákupního košíku.


BXT ML2 BE S 5 – BE S 48

Prostorově úsporný modul kombinovaného svodiče s čipem RFID-LifeCheck chrání 2 samostatné vodiče se společným vztažným potenciálem nebo nesymetrická rozhraní, s možností volby přímého nebo nepřímého uzemnění stínění. LifeCheck zaznamenává tepelné nebo elektrické přetížení svodiče, po kterém je třeba svodič vyměnit. Kontrola je prováděna bezdotykově prostřednictvím přístrojů DEHNrecord LC / SCM / MCM.

5 Produkty

Obj. č. 920220 BXT ML2 BE S 5

GTIN 4013364118331, Číslo celního sazebníku (EU): 85363010, Váha brutto: 43.40 g, Balící jednotka: 1.00 ks

Staré provedení

Vyobrazení

Další informace

Modul kombinovaného svodiče s čipem LifeCheck BLITZDUCTOR XT BXT ML2 BE S 5
ochranný modul s kombinovaným svodičem
třída svodiče Typ 1/P1 BLITZDUCTOR XT,
zkoušený podle ČSN EN/IEC 61643-21 a energeticky
zkoordinovaný podle IEC 61643-22,
pro ochranu dvou samostatných vodičů,
volitelně přímé nebo nepřímé uzemnění stínění,
s integrovaným čipem LifeCheck
pro bezdotykovou kontrolu svodičů,
zasunutí do základního dílu BXT BAS/BSP BAS 4.
Nejvyšší provozní napětí DC: 6,0 V
Jmenovitý proud při 45 °C: 1,0 A
D1 bleskový proud (10/350 µs) celkový: 9 kA
D1 bleskový proud (10/350 µs)/žíla: 2,5 kA

Výrobek: DEHN
Typ: BXT ML2 BE S 5
Obj. č.: 920220
nebo rovnocenný.

Certifikáty

 

Technické informace

Třída svodiče M
Nejvyšší provozní napětí DC (UC ) 6,0 V
Jmenovitý proud při 45 °C (IL ) 1,0 A
D1 bleskový proud (10/350 µs) celkový (Iimp ) 9 kA
C2 jmenovitý impulzní proud (8/20 µs) celkový (In ) 20 kA
Sériová impedance/žíla 1,0 ohm
Mezní frekvence žíla-zem (fG ) 1,0 MHz
Certifikace CSA, ATEX, IECEx, CSA & USA Hazloc, SIL
*) Detaily viz. : www.dehn.de

Produkt 920220 byl přidán na seznam.

K seznamu

Produkt 920220 byl přidán do nákupního košíku.

Obj. č. 920222 BXT ML2 BE S 12

GTIN 4013364118355, Číslo celního sazebníku (EU): 85363010, Váha brutto: 27.90 g, Balící jednotka: 1.00 ks

Staré provedení

Vyobrazení

Další informace

Modul kombinovaného svodiče s čipem LifeCheck BLITZDUCTOR XT BXT ML2 BE S 12
ochranný modul s kombinovaným svodičem
třída svodiče Typ 1/P1 BLITZDUCTOR XT,
zkoušený podle ČSN EN/IEC 61643-21 a energeticky
zkoordinovaný podle IEC 61643-22,
pro ochranu dvou samostatných vodičů,
volitelně přímé nebo nepřímé uzemnění stínění,
s integrovaným čipem LifeCheck
pro bezdotykovou kontrolu svodičů,
zasunutí do základního dílu BXT BAS/BSP BAS 4.
Nejvyšší provozní napětí DC: 15 V
Jmenovitý proud při 45 °C: 0,75 A
D1 bleskový proud (10/350 µs) celkový: 9 kA
D1 bleskový proud (10/350 µs)/žíla: 2,5 kA

Výrobek: DEHN
Typ: BXT ML2 BE S 12
Obj. č.: 920222
nebo rovnocenný.

Certifikáty

 

Technické informace

Třída svodiče M
Nejvyšší provozní napětí DC (UC ) 15 V
Jmenovitý proud při 45 °C (IL ) 0,75 A
D1 bleskový proud (10/350 µs) celkový (Iimp ) 9 kA
C2 jmenovitý impulzní proud (8/20 µs) celkový (In ) 20 kA
Sériová impedance/žíla 1,8 ohm
Mezní frekvence žíla-zem (fG ) 2,7 MHz
Certifikace CSA, ATEX, IECEx, CCC, CSA & USA Hazloc, SIL
*) Detaily viz. : www.dehn.de

Produkt 920222 byl přidán na seznam.

K seznamu

Produkt 920222 byl přidán do nákupního košíku.

Obj. č. 920224 BXT ML2 BE S 24

GTIN 4013364117785, Číslo celního sazebníku (EU): 85363010, Váha brutto: 44.00 g, Balící jednotka: 1.00 ks

Staré provedení

Vyobrazení

Další informace

Modul kombinovaného svodiče s čipem LifeCheck BLITZDUCTOR XT BXT ML2 BE S 24
ochranný modul s kombinovaným svodičem
třída svodiče Typ 1/P1 BLITZDUCTOR XT,
zkoušený podle ČSN EN/IEC 61643-21 a energeticky
zkoordinovaný podle IEC 61643-22,
pro ochranu dvou samostatných vodičů,
volitelně přímé nebo nepřímé uzemnění stínění,
s integrovaným čipem LifeCheck
pro bezdotykovou kontrolu svodičů,
zasunutí do základního dílu BXT BAS/BSP BAS 4.
Nejvyšší provozní napětí DC: 33 V
Jmenovitý proud při 45 °C: 0,75 A
D1 bleskový proud (10/350 µs) celkový: 9 kA
D1 bleskový proud (10/350 µs)/žíla: 2,5 kA

Výrobek: DEHN
Typ: BXT ML2 BE S 24
Obj. č.: 920224
nebo rovnocenný.

Certifikáty

 

Technické informace

Třída svodiče M
Nejvyšší provozní napětí DC (UC ) 33 V
Jmenovitý proud při 45 °C (IL ) 0,75 A
D1 bleskový proud (10/350 µs) celkový (Iimp ) 9 kA
C2 jmenovitý impulzní proud (8/20 µs) celkový (In ) 20 kA
Sériová impedance/žíla 1,8 ohm
Mezní frekvence žíla-zem (fG ) 6,8 MHz
Certifikace CSA, ATEX, IECEx, CCC, CSA & USA Hazloc, SIL
*) Detaily viz. : www.dehn.de

Produkt 920224 byl přidán na seznam.

K seznamu

Produkt 920224 byl přidán do nákupního košíku.

Obj. č. 920226 BXT ML2 BE S 36

GTIN 4013364142121, Číslo celního sazebníku (EU): 85363010, Váha brutto: 30.10 g, Balící jednotka: 1.00 ks


Vyobrazení

Další informace

Modul kombinovaného svodiče s čipem LifeCheck BLITZDUCTOR XT BXT ML2 BE S 36
ochranný modul s kombinovaným svodičem
třída svodiče Typ 1/P1 BLITZDUCTOR XT,
zkoušený podle ČSN EN/IEC 61643-21 a energeticky
zkoordinovaný podle IEC 61643-22,
pro ochranu dvou samostatných vodičů,
volitelně přímé nebo nepřímé uzemnění stínění,
s integrovaným čipem LifeCheck
pro bezdotykovou kontrolu svodičů,
zasunutí do základního dílu BXT BAS/BSP BAS 4.
Nejvyšší provozní napětí DC: 45 V
Jmenovitý proud při 45 °C: 1,8 A
D1 bleskový proud (10/350 µs) celkový: 9 kA
D1 bleskový proud (10/350 µs)/žíla: 2,5 kA

Výrobek: DEHN
Typ: BXT ML2 BE S 36
Obj. č.: 920226
nebo rovnocenný.

Certifikáty

 

Technické informace

Třída svodiče M
Nejvyšší provozní napětí DC (UC ) 45 V
Jmenovitý proud při 45 °C (IL ) 1,8 A
D1 bleskový proud (10/350 µs) celkový (Iimp ) 9 kA
C2 jmenovitý impulzní proud (8/20 µs) celkový (In ) 20 kA
Sériová impedance/žíla 0,43 ohm
Mezní frekvence žíla-zem (fG ) 3,8 MHz
Certifikace UL 497B, SIL
*) Detaily viz. : www.dehn.de

Produkt 920226 byl přidán na seznam.

K seznamu

Produkt 920226 byl přidán do nákupního košíku.

Obj. č. 920225 BXT ML2 BE S 48

GTIN 4013364118379, Číslo celního sazebníku (EU): 85363010, Váha brutto: 27.60 g, Balící jednotka: 1.00 ks

Staré provedení

Vyobrazení

Další informace

Modul kombinovaného svodiče s čipem LifeCheck BLITZDUCTOR XT BXT ML2 BE S 48
ochranný modul s kombinovaným svodičem
třída svodiče Typ 1/P1 BLITZDUCTOR XT,
zkoušený podle ČSN EN/IEC 61643-21 a energeticky
zkoordinovaný podle IEC 61643-22,
pro ochranu dvou samostatných vodičů,
volitelně přímé nebo nepřímé uzemnění stínění,
s integrovaným čipem LifeCheck
pro bezdotykovou kontrolu svodičů,
zasunutí do základního dílu BXT BAS/BSP BAS 4.
Nejvyšší provozní napětí DC: 54 V
Jmenovitý proud při 45 °C: 0,75 A
D1 bleskový proud (10/350 µs) celkový: 9 kA
D1 bleskový proud (10/350 µs)/žíla: 2,5 kA

Výrobek: DEHN
Typ: BXT ML2 BE S 48
Obj. č.: 920225
nebo rovnocenný.

Certifikáty

 

Technické informace

Třída svodiče M
Nejvyšší provozní napětí DC (UC ) 54 V
Jmenovitý proud při 45 °C (IL ) 0,75 A
D1 bleskový proud (10/350 µs) celkový (Iimp ) 9 kA
C2 jmenovitý impulzní proud (8/20 µs) celkový (In ) 20 kA
Sériová impedance/žíla 1,8 ohm
Mezní frekvence žíla-zem (fG ) 8,7 MHz
Certifikace CSA, UL 497B, ATEX, IECEx, CSA & USA Hazloc, SIL
*) Detaily viz. : www.dehn.de

Produkt 920225 byl přidán na seznam.

K seznamu

Produkt 920225 byl přidán do nákupního košíku.


BXT ML2 BE HFS 5

Prostorově úsporný modul kombinovaného svodiče s čipem RFID-LifeCheck chrání 1 pár žil vysokofrekvenčního přenosu bez galvanického oddělení, s možností volby přímého nebo nepřímého uzemnění stínění. LifeCheck zaznamenává tepelné nebo elektrické přetížení svodiče, po kterém je třeba svodič vyměnit. Kontrola je prováděna bezdotykově prostřednictvím přístrojů DEHNrecord LC / SCM / MCM.

1 Produkt

Obj. č. 920270 BXT ML2 BE HFS 5

GTIN 4013364117549, Číslo celního sazebníku (EU): 85363010, Váha brutto: 28.60 g, Balící jednotka: 1.00 ks

Staré provedení

Vyobrazení

Další informace

Modul kombinovaného svodiče s čipem LifeCheck BLITZDUCTOR XT BXT ML2 BE HFS 5
ochranný modul s kombinovaným svodičem
třída svodiče Typ 1/P1 BLITZDUCTOR XT,
zkoušený podle ČSN EN/IEC 61643-21 a energeticky
zkoordinovaný podle IEC 61643-22,
pro ochranu 2 samostatných vodičů,
volitelně přímé nebo nepřímé uzemnění stínění,
s integrovaným čipem LifeCheck pro bezdotykovou kontrolu svodičů,
zasunutí do základního dílu BXT BAS/BSP BAS 4.
Nejvyšší provozní napětí DC: 6,0 V
Jmenovitý proud při 45 °C: 1,0 A
D1 bleskový proud (10/350 µs) celkový: 9 kA
D1 bleskový proud (10/350 µs)/žíla: 2,5 kA

Výrobek: DEHN
Typ: BXT ML2 BE HFS 5
Obj. č.: 920270
nebo rovnocenný.

Certifikáty

 

Technické informace

Třída svodiče M
Nejvyšší provozní napětí DC (UC ) 6,0 V
Jmenovitý proud při 45 °C (IL ) 1,0 A
D1 bleskový proud (10/350 µs) celkový (Iimp ) 9 kA
C2 jmenovitý impulzní proud (8/20 µs) celkový (In ) 20 kA
Sériová impedance/žíla 1,0 ohm
Mezní frekvence žíla-zem (fG ) 100,0 MHz
Certifikace CSA, UL 497B, ATEX, IECEx, CCC, CSA & USA Hazloc, SIL
*) Detaily viz. : www.dehn.de

Produkt 920270 byl přidán na seznam.

K seznamu

Produkt 920270 byl přidán do nákupního košíku.


BXT ML2 BD HFS 5

Prostorově úsporný modul kombinovaného svodiče s čipem RFID-LifeCheck chrání 1 pár žil vysokofrekvenčních Bus – systémů nebo videosignálu s galvanickým oddělením, s možností volby přímého nebo nepřímého uzemnění stínění. LifeCheck zaznamenává tepelné nebo elektrické přetížení svodiče, po kterém je třeba svodič vyměnit. Kontrola je prováděna bezdotykově prostřednictvím přístrojů DEHNrecord LC / SCM / MCM.

1 Produkt

Obj. č. 920271 BXT ML2 BD HFS 5

GTIN 4013364117556, Číslo celního sazebníku (EU): 85363010, Váha brutto: 28.60 g, Balící jednotka: 1.00 ks

Staré provedení

Vyobrazení

Další informace

Modul kombinovaného svodiče s čipem LifeCheck BLITZDUCTOR XT BXT ML2 BD HFS 5
ochranný modul s kombinovaným svodičem
třída svodiče Typ 1/P1 BLITZDUCTOR XT,
zkoušený podle ČSN EN/IEC 61643-21 a energeticky
zkoordinovaný podle IEC 61643-22,
pro ochranu jednoho páru vedení s vysokou přenosovou rychlostí,
volitelně přímé nebo nepřímé uzemnění stínění,
s integrovaným čipem LifeCheck pro bezdotykovou kontrolu svodičů,
zasunutí do základního dílu BXT BAS/BSP BAS 4.
Nejvyšší provozní napětí DC: 6,0 V
Jmenovitý proud při 45 °C: 1,0 A
D1 bleskový proud (10/350 µs) celkový: 9 kA
D1 bleskový proud (10/350 µs)/žíla: 2,5 kA

Výrobek: DEHN
Typ: BXT ML2 BD HFS 5
Obj. č.: 920271
nebo rovnocenný.

Certifikáty

 

Technické informace

Třída svodiče M
Nejvyšší provozní napětí DC (UC ) 6,0 V
Jmenovitý proud při 45 °C (IL ) 1,0 A
D1 bleskový proud (10/350 µs) celkový (Iimp ) 9 kA
C2 jmenovitý impulzní proud (8/20 µs) celkový (In ) 20 kA
Sériová impedance/žíla 1,0 ohm
Mezní frekvence žíla-žíla (fG ) 100,0 MHz
Certifikace CSA, UL 497B, ATEX, IECEx, CCC, CSA & USA Hazloc, SIL
*) Detaily viz. : www.dehn.de

Produkt 920271 byl přidán na seznam.

K seznamu

Produkt 920271 byl přidán do nákupního košíku.


BXT ML2 B 180

Prostorově úsporný dvoupólový svodič bleskových proudů s čipem RFID-LifeCheck a možností uzemnění stínění, vhodný pro téměř všechny aplikace. Použití v kombinaci s navazujícím svodičem přepětí Q nebo s kombinovaným svodičem přepětí stejné nebo nižší úrovně napětí. LifeCheck zaznamenává tepelné nebo elektrické přetížení svodiče, po kterém je třeba svodič vyměnit. Kontrola je prováděna bezdotykově prostřednictvím přístrojů DEHNrecord LC / SCM / MCM.

1 Produkt

Obj. č. 920211 BXT ML2 B 180

GTIN 4013364120570, Číslo celního sazebníku (EU): 85363010, Váha brutto: 30.40 g, Balící jednotka: 1.00 ks

Staré provedení

Vyobrazení

Další informace

Modul svodiče bleskových proudů s čipem LifeCheck BLITZDUCTOR XT BXT ML2 B 180
ochranný modul se svodičem bleskových proudů
třída svodiče Typ 1, BLITZDUCTOR XT,
zkoušený podle ČSN EN/IEC 61643-21 a energeticky
zkoordinovaný podle IEC 61643-22,
pro ochranu 2 samostatných vodičů,
s integrovaným čipem LifeCheck
pro bezdotykovou kontrolu svodičů,
zasunutí do základního dílu BXT BAS/BSP BAS 4.
Nejvyšší provozní napětí DC: 180 V
Jmenovitý proud při 45 °C: 1,2 A
D1 bleskový proud (10/350 µs) celkový: 10 kA
D1 bleskový proud (10/350 µs)/žíla: 2,5 kA

Výrobek: DEHN
Typ: BXT ML2 B 180
Obj. č.: 920211
nebo rovnocenný.

Certifikáty

 

Technické informace

Třída svodiče H
Nejvyšší provozní napětí DC (UC ) 180 V
Jmenovitý proud při 45 °C (IL ) 1,2 A
D1 bleskový proud (10/350 µs) celkový (Iimp ) 10 kA
C2 jmenovitý impulzní proud (8/20 µs) celkový (In ) 20 kA
Sériová impedance/žíla 0,4 ohm
Certifikace CSA, ATEX, IECEx, CSA & USA Hazloc, SIL
*) Detaily viz. : www.dehn.de

Produkt 920211 byl přidán na seznam.

K seznamu

Produkt 920211 byl přidán do nákupního košíku.


BXT ML2 BD DL S 15

Prostorově úsporný modul kombinovaného svodiče s čipem RFID-LifeCheck chrání 1 pár žil neuzemněného symetrického rozhraní, zvláště koordinovaný s požadavky na sběrnice Dupline, s možností volby přímého nebo nepřímého uzemnění stínění. LifeCheck zaznamenává tepelné nebo elektrické přetížení svodiče, po kterém je třeba svodič vyměnit. Kontrola je prováděna bezdotykově prostřednictvím přístrojů DEHNrecord LC / SCM / MCM.

1 Produkt

Obj. č. 920243 BXT ML2 BD DL S 15

GTIN 4013364126732, Číslo celního sazebníku (EU): 85363010, Váha brutto: 28.30 g, Balící jednotka: 1.00 ks


Vyobrazení

Další informace

Modul kombinovaného svodiče s čipem LifeCheck BLITZDUCTOR XT BXT ML2 BD DL S 15
ochranný modul s kombinovaným svodičem
třída svodiče Typ 1/P1 BLITZDUCTOR XT,
zkoušený podle ČSN EN/IEC 61643-21 a energeticky
zkoordinovaný podle IEC 61643-22,
pro ochranu jednoho páru vedení symetrických rozhraní,
speciálně nastavený pro Dupline-Bus,
volitelně přímé nebo nepřímé uzemnění stínění,
s integrovaným čipem LifeCheck
pro bezdotykovou kontrolu svodičů,
zasunutí do základního dílu BXT BAS/BSP BAS 4.
Nejvyšší provozní napětí DC: 17 V
Jmenovitý proud při 70 °C: 0,4 A
D1 bleskový proud (10/350 µs) celkový: 9 kA
D1 bleskový proud (10/350 µs)/žíla: 2,5 kA

Výrobek: DEHN
Typ: BXT ML2 BD DL S 15
Obj. č.: 920243
nebo rovnocenný.

Certifikáty

 

Technické informace

Třída svodiče M
Nejvyšší provozní napětí DC (UC ) 17 V
Jmenovitý proud při 70 °C (IL ) 0,4 A
D1 bleskový proud (10/350 µs) celkový (Iimp ) 9 kA
C2 jmenovitý impulzní proud (8/20 µs) celkový (In ) 20 kA
Sériová impedance/žíla 2,2 ohm
Mezní frekvence žíla-žíla (fG ) 2,7 MHz
Certifikace ATEX, IECEx, CSA & USA Hazloc, SIL
*) Detaily viz. : www.dehn.de

Produkt 920243 byl přidán na seznam.

K seznamu

Produkt 920243 byl přidán do nákupního košíku.


BXT ML2 MY 250

Prostorově úsporný modul svodiče přepětí s čipem RFID-LifeCheck chrání 2 žíly vícevodičových rozhraní až do 250 V AC. LifeCheck zaznamenává tepelné nebo elektrické přetížení svodiče, po kterém je třeba svodič vyměnit. Kontrola je prováděna bezdotykově prostřednictvím přístrojů DEHNrecord LC / SCM / MCM.

1 Produkt

Obj. č. 920289 BXT ML2 MY 250

GTIN 4013364135840, Číslo celního sazebníku (EU): 85363010, Váha brutto: 29.20 g, Balící jednotka: 1.00 ks

Staré provedení

Vyobrazení

Další informace

Modul kombinovaného svodiče s čipem LifeCheck BLITZDUCTOR XT ML2 MY 250
ochranný modul se svodičem přepětí
třída svodiče Typ 2/P3 BLITZDUCTOR XT,
zkoušený podle ČSN EN/IEC 61643-21 a energeticky
zkoordinovaný podle IEC 61643-22,
pro ochranu jednoho symetrického rozhraní s galvanickým oddělením,
s integrovaným čipem LifeCheck pro bezdotykovou kontrolu svodičů,
zasunutí do základního dílu BXT BAS/BSP BAS 4.
Jmenovitý proud při 80 °C: 3,0 A

Výrobek: DEHN
Typ: BXT ML2 MY 250
Obj. č.: 920289
nebo rovnocenný.

Certifikáty

 

Technické informace

Třída svodiče V
Nejvyšší provozní napětí DC žíla-žíla (UC ) 620 V
Nejvyšší provozní napětí DC žíla-zem (UC ) 320 V
Jmenovitý proud při 80 °C (IL ) 3,0 A
C2 jmenovitý impulzní proud (8/20 µs) celkový (In ) 5 kA
Mezní frekvence žíla-žíla (fG ) 20,0 MHz
Certifikace SIL
*) Detaily viz. : www.dehn.de

Produkt 920289 byl přidán na seznam.

K seznamu

Produkt 920289 byl přidán do nákupního košíku.


BXT ML2 MY E 110

Prostorově úsporný modul svodiče přepětí s čipem RFID-LifeCheck chrání 2 žíly vícevodičových rozhraní. LifeCheck zaznamenává tepelné nebo elektrické přetížení svodiče, po kterém je třeba svodič vyměnit. Kontrola je prováděna bezdotykově prostřednictvím přístrojů DEHNrecord LC / SCM / MCM.

1 Produkt

Obj. č. 920288 BXT ML2 MY E 110

GTIN 4013364137363, Číslo celního sazebníku (EU): 85363010, Váha brutto: 31.60 g, Balící jednotka: 1.00 ks


Vyobrazení

Další informace

Modul kombinovaného svodiče s čipem LifeCheck BLITZDUCTOR XT ML2 MY E 110
ochranný modul se svodičem přepětí
třída svodiče Typ 2/P2 BLITZDUCTOR XT,
zkoušený podle ČSN EN/IEC 61643-21 a energeticky
zkoordinovaný podle IEC 61643-22,
pro ochranu dvou symetrických rozhraní s galvanickým oddělením,
s integrovaným čipem LifeCheck pro bezdotykovou kontrolu svodičů,
zasunutí do základního dílu BXT BAS/BSP BAS 4.
Jmenovitý proud při 80 °C: 3,0 A

Výrobek: DEHN
Typ: BXT ML2 MY E 110
Obj. č.: 920288
nebo rovnocenný.

 

Technické informace

Třída svodiče U
Nejvyšší provozní napětí DC žíla-žíla (UC ) 170 V
Nejvyšší provozní napětí DC žíla-zem (UC ) 85 V
Jmenovitý proud při 80 °C (IL ) 3,0 A
C2 jmenovitý impulzní proud (8/20 µs) celkový (In ) 5 kA
Sériová impedance/žíla 0 ohm
Mezní frekvence žíla-žíla (fG ) 4,5 MHz
Certifikace SIL
*) Detaily viz. : www.dehn.de

Produkt 920288 byl přidán na seznam.

K seznamu

Produkt 920288 byl přidán do nákupního košíku.


BXT M2 BD HC5A 24

Kompaktní modul kombinovaného svodiče přepětí pro ochranu 1 páru žil bezpotenciálového symetrického rozhraní. Modul je přizpůsoben pro rozhraní se stejnosměrnými proudy do 5 A, např. pro motoricky řízené pohony s vysokým náběhovým a provozním proudem.

1 Produkt

Obj. č. 920296 BXT M2 BD HC5A 24

GTIN 4013364340015, Číslo celního sazebníku (EU): 85363010, Váha brutto: 28.00 g, Balící jednotka: 1.00 ks


Vyobrazení

Další informace

Modul kombinovaného svodiče BLITZDUCTOR XT BXT M2 BD HC5A 24
ochranný modul svodiče přepětí třídy svodičů Typ 1/P1 BLITZDUCTOR XT,
zkoušený podle ČSN EN 61643-21 a energeticky zkoordinovaný
podle IEC 61643-22, chrání jeden pár vedení,
pro zasunutí do základního dílu BXT BAS/BSP BAS 4.
Nejvyšší provozní napětí DC: 36 V
Jmenovitý proud: 5 A
D1 bleskový proud (10/350 µs) celkový: 5 kA
D1 bleskový proud (10/350 µs)/žíla: 2,5 kA

Výrobek: DEHN
Typ: BXT M2 BD HC5A 24
Obj. č.: 920296
nebo rovnocenný.

Certifikáty

 

Technické informace

Třída svodiče M
Nejvyšší provozní napětí DC (UC ) 36 V
Jmenovitý proud (IL ) 5 A
D1 bleskový proud (10/350 µs) celkový (Iimp ) 5 kA
C2 jmenovitý impulzní proud (8/20 µs) celkový (In ) 20 kA
Sériová impedance/žíla 0 ohm
Mezní frekvence žíla-žíla (fG ) 1,56 MHz
Certifikace SIL
*) detaily viz: www.dehn.de; www.dehn.cy

Produkt 920296 byl přidán na seznam.

K seznamu

Produkt 920296 byl přidán do nákupního košíku.


back to top