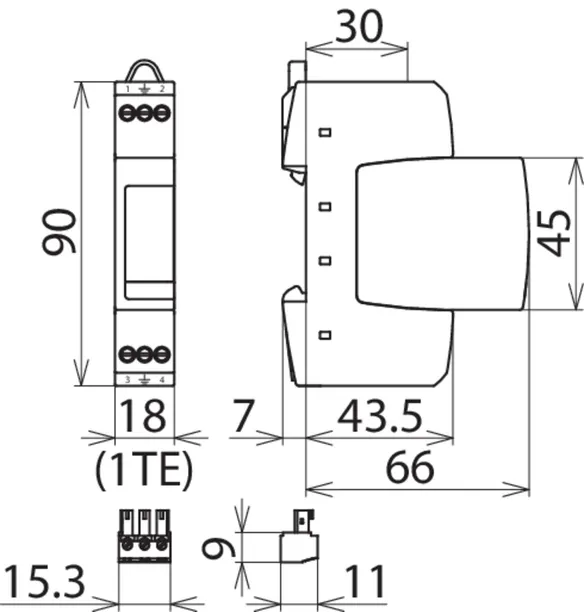
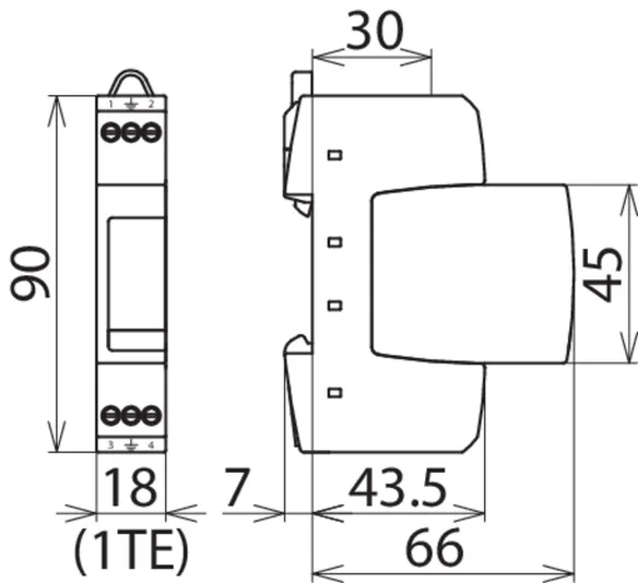
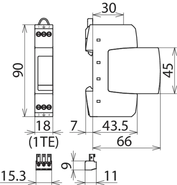
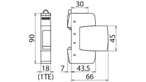
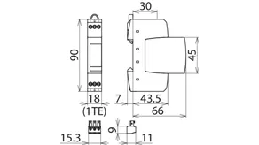
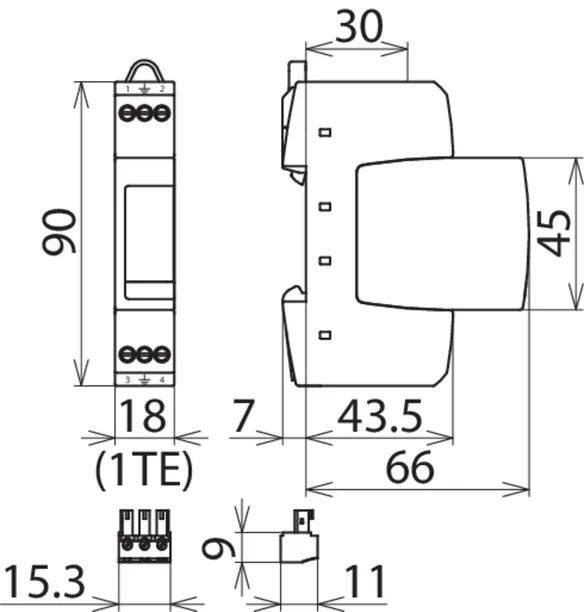
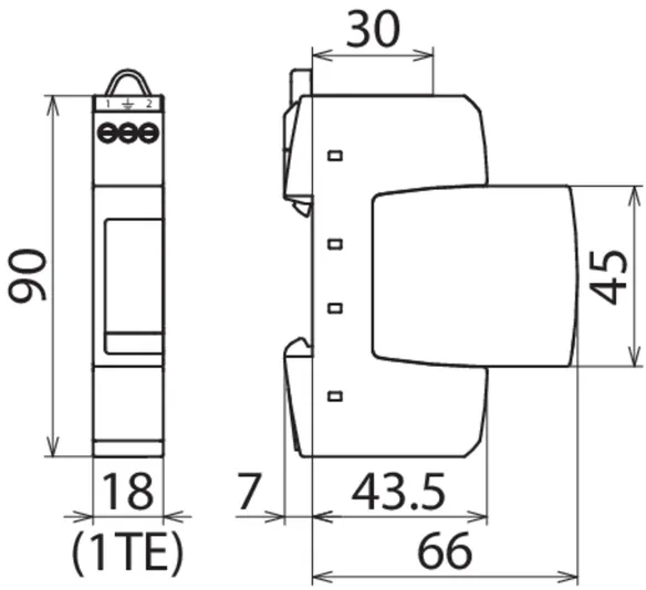
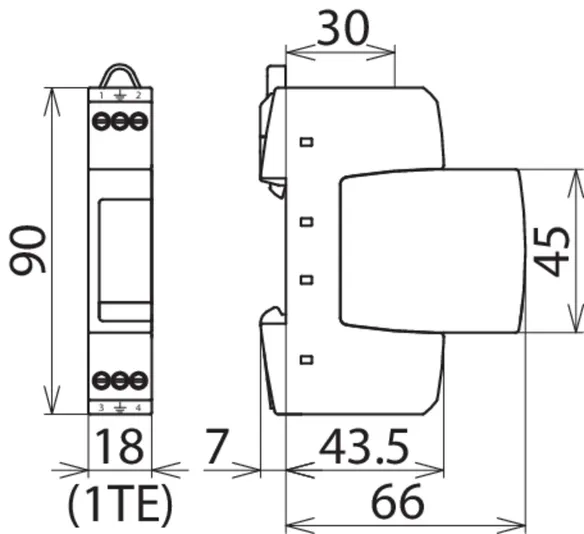
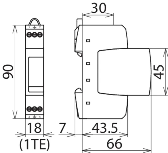
DEHNrail modular

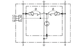
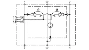
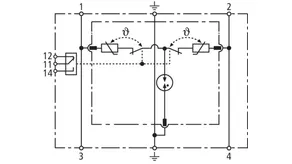
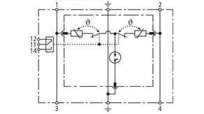
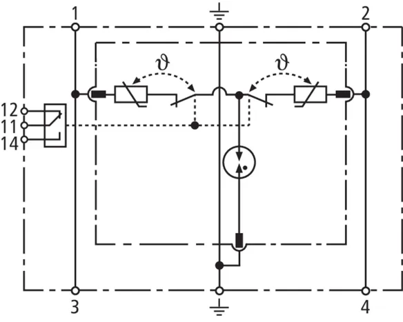
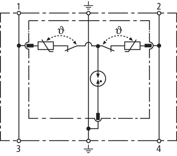
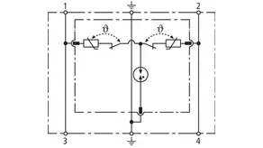
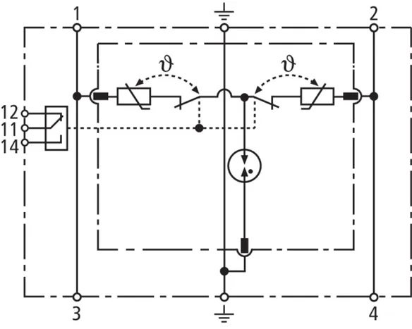
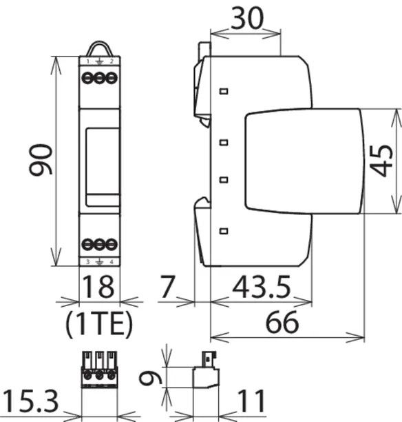
  • Dvoupólový svodič přepětí složený ze základního dílu a zásuvného ochranného modulu
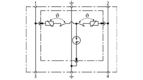
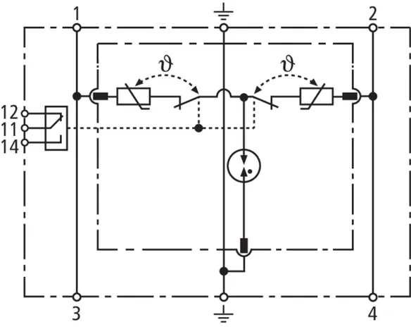
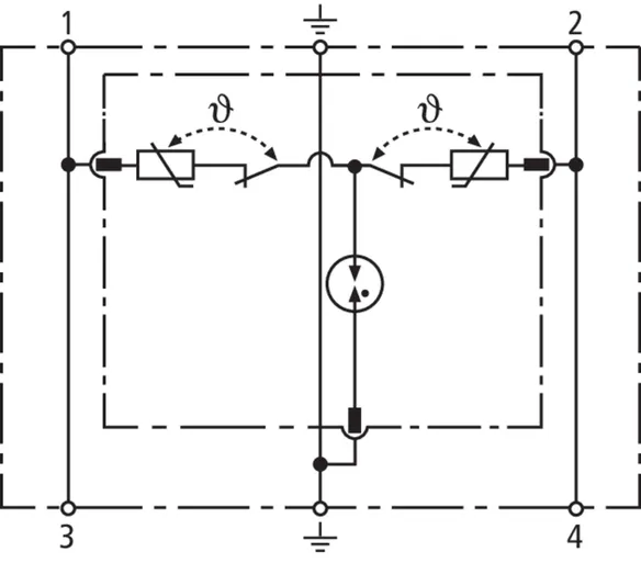
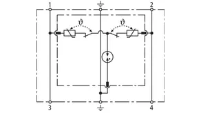
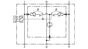
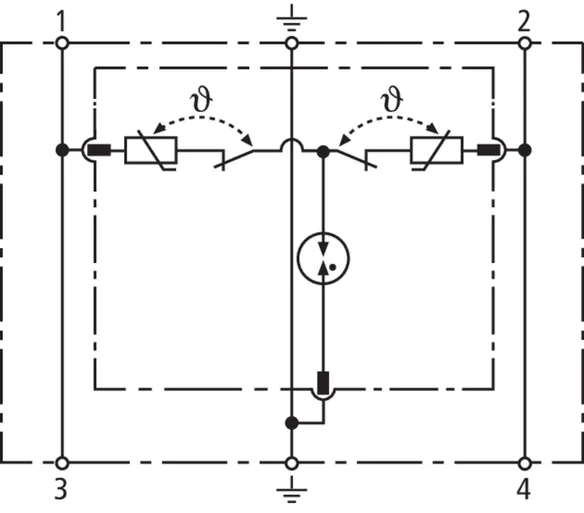
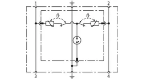
  • Kombinace výkonného varistoru a jiskřiště se schopností odvést vysoký impulzní proud
  • Energeticky zkoordinovaný v rámci skupiny produktů Red/Line
  • Funkční stav nebo porucha je signalizována zeleným/červeným terčíkem v signalizačním poli
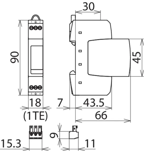
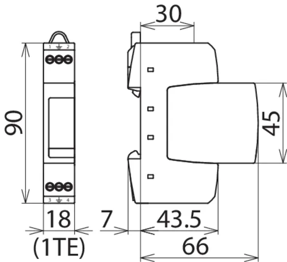
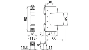
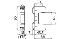
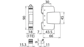
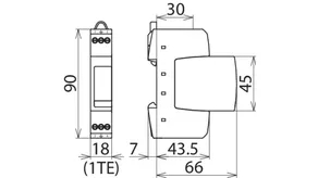
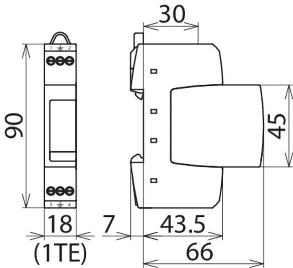
  • Úzká konstrukce (šířka jednoho modulu) podle DIN 43380
  • Snadná výměna ochranného modulu pomocí aretovacích tlačítek na ochranném modulu
  • Zkoušeno vibrací a rázem podle ČSN EN 60068-2

Details

lorem ipsum

DEHNrail M 2P ...

Dvoupólový svodič přepětí složený ze základního dílu a zásuvného ochranného modulu.

5 Produkty

Obj. č. 953201 DR M 2P 30

GTIN 4013364109674, Číslo celního sazebníku (EU): 85363030, Váha brutto: 90.60 g, Balící jednotka: 1.00 ks

Staré provedení

Vyobrazení

Další informace

Svodič přepětí DEHNrail M 2P 30
2-pólový, modulární, zásuvný svodič přepětí
pro ochranu koncových zařízení průmyslové elektroniky
šířka 1 TE, ukazatel poruchy
svodič typ 3 podle ČSN EN 61643-11
nejvyšší provozní napětí: 30 V ac/dc
celkový impulzní proud: 2 kA
ochranná úroveň L/N: < 0,18 kV
předjištění: 25 A gG nebo B 25 A
energetická koordinace podle ČSN EN 62305-4
svodič řady Red/Line

Výrobek: DEHN
Typ: DR M 2P 30
Obj. č.: 953201
nebo rovnocenný.

Certifikáty

 

Technické informace

SPD podle ČSN EN 61643-11/... IEC 61643-11 typ 3/Třída III
Maximální provozní napětí AC (UC ) 30 V (50/60 Hz)
Maximální provozní napětí DC (UC ) 30 V
Jmenovitý impulzní proud (8/20 µs) (In ) 1 kA
Celkový impulzní proud (8/20 µs) [L+N-PE] (Itotal ) 2 kA
Ochranná úroveň [L-N]/[L/N-PE] (UP ) ≤ 180/≤ 630 V
Max. nadproudová ochrana ze strany sítě 25 A gG nebo B 25 A
Certifikace KEMA, VDE, UL, CSA, ATEX, IECEx

Produkt 953201 byl přidán na seznam.

K seznamu

Produkt 953201 byl přidán do nákupního košíku.

Obj. č. 953202 DR M 2P 60

GTIN 4013364109681, Číslo celního sazebníku (EU): 85363030, Váha brutto: 91.80 g, Balící jednotka: 1.00 ks

Staré provedení

Vyobrazení

Další informace

Svodič přepětí DEHNrail M 2P 60
2-pólový, modulární, zásuvný svodič přepětí
pro ochranu koncových zařízení průmyslové elektroniky
šířka 1 TE, ukazatel poruchy
svodič typ 3 podle ČSN EN 61643-11
nejvyšší provozní napětí: 60 V ac/dc
celkový impulzní proud: 2 kA
ochranná úroveň L/N: < 0,35 kV
předjištění: 25 A gG nebo B 25 A
energetická koordinace podle ČSN EN 62305-4
svodič řady Red/Line

Výrobek: DEHN
Typ: DR M 2P 60
Obj. č.: 953202
nebo rovnocenný.

Certifikáty

 

Technické informace

SPD podle ČSN EN 61643-11/... IEC 61643-11 typ 3/Třída III
Maximální provozní napětí AC (UC ) 60 V (50/60 Hz)
Maximální provozní napětí DC (UC ) 60 V
Jmenovitý impulzní proud (8/20 µs) (In ) 1 kA
Celkový impulzní proud (8/20 µs) [L+N-PE] (Itotal ) 2 kA
Ochranná úroveň [L-N]/[L/N-PE] (UP ) ≤ 350/≤ 730 V
Max. nadproudová ochrana ze strany sítě 25 A gG nebo B 25 A
Certifikace KEMA, VDE, UL, CSA, ATEX, IECEx

Produkt 953202 byl přidán na seznam.

K seznamu

Produkt 953202 byl přidán do nákupního košíku.

Obj. č. 953203 DR M 2P 75

GTIN 4013364109698, Číslo celního sazebníku (EU): 85363030, Váha brutto: 89.80 g, Balící jednotka: 1.00 ks

Staré provedení

Vyobrazení

Další informace

Svodič přepětí DEHNrail M 2P 75
2-pólový, modulární, zásuvný svodič přepětí
pro ochranu koncových zařízení průmyslové elektroniky
šířka 1 TE, ukazatel poruchy
svodič typ 3 podle ČSN EN 61643-11
nejvyšší provozní napětí: 75 V ac/dc
celkový impulzní proud: 4 kA
ochranná úroveň L/N: < 0,4 kV
předjištění: 25 A gG nebo B 25 A
energetická koordinace podle ČSN EN 62305-4
svodič řady Red/Line

Výrobek: DEHN
Typ: DR M 2P 75
Obj. č.: 953203
nebo rovnocenný.

Certifikáty

 

Technické informace

SPD podle ČSN EN 61643-11/... IEC 61643-11 typ 3/Třída III
Maximální provozní napětí AC (UC ) 75 V (50/60 Hz)
Maximální provozní napětí DC (UC ) 75 V
Jmenovitý impulzní proud (8/20 µs) (In ) 2 kA
Celkový impulzní proud (8/20 µs) [L+N-PE] (Itotal ) 4 kA
Ochranná úroveň [L-N]/[L/N-PE] (UP ) ≤ 400/≤ 730 V
Max. nadproudová ochrana ze strany sítě 25 A gG nebo B 25 A
Certifikace KEMA, VDE, UL, CSA, ATEX, IECEx

Produkt 953203 byl přidán na seznam.

K seznamu

Produkt 953203 byl přidán do nákupního košíku.

Obj. č. 953204 DR M 2P 150

GTIN 4013364109704, Číslo celního sazebníku (EU): 85363030, Váha brutto: 90.00 g, Balící jednotka: 1.00 ks

Staré provedení

Vyobrazení

Další informace

Svodič přepětí DEHNrail M 2P 150
2-pólový, modulární, zásuvný svodič přepětí
pro ochranu koncových zařízení průmyslové elektroniky
šířka 1 TE, ukazatel poruchy
svodič typ 3 podle ČSN EN 61643-11
nejvyšší provozní napětí: 150 V ac/dc
celkový impulzní proud: 4 kA
ochranná úroveň L/N: < 0,64 kV
předjištění: 25 A gG nebo B 25 A
energetická koordinace podle ČSN EN 62305-4
svodič řady Red/Line

Výrobek: DEHN
Typ: DR M 2P 150
Obj. č.: 953204
nebo rovnocenný.

Certifikáty

 

Technické informace

SPD podle ČSN EN 61643-11/... IEC 61643-11 typ 3/Třída III
Maximální provozní napětí AC (UC ) 150 V (50/60 Hz)
Maximální provozní napětí DC (UC ) 150 V
Jmenovitý impulzní proud (8/20 µs) (In ) 2 kA
Celkový impulzní proud (8/20 µs) [L+N-PE] (Itotal ) 4 kA
Ochranná úroveň [L-N]/[L/N-PE] (UP ) ≤ 640/≤ 800 V
Max. nadproudová ochrana ze strany sítě 25 A gG nebo B 25 A
Certifikace KEMA, VDE, UL, CSA, ATEX, IECEx

Produkt 953204 byl přidán na seznam.

K seznamu

Produkt 953204 byl přidán do nákupního košíku.

Obj. č. 953200 DR M 2P 255

GTIN 4013364108301, Číslo celního sazebníku (EU): 85363030, Váha brutto: 91.70 g, Balící jednotka: 1.00 ks

Staré provedení

Vyobrazení

Další informace

Svodič přepětí DEHNrail M 2P 255
2-pólový, modulární, zásuvný svodič přepětí
pro ochranu koncových zařízení průmyslové elektroniky
šířka 1 TE, ukazatel poruchy
svodič typ 3 podle ČSN EN 61643-11
nejvyšší provozní napětí: 255 V ac/dc
celkový impulzní proud: 5 kA
ochranná úroveň L/N: < 1,25 kV
předjištění: 25 A gG nebo B 25 A
energetická koordinace podle ČSN EN 62305-4
svodič řady Red/Line

Výrobek: DEHN
Typ: DR M 2P 255
Obj. č.: 953200
nebo rovnocenný.

Certifikáty

 

Technické informace

SPD podle ČSN EN 61643-11/... IEC 61643-11 typ 3/Třída III
Maximální provozní napětí AC (UC ) 255 V (50/60 Hz)
Maximální provozní napětí DC (UC ) 255 V
Jmenovitý impulzní proud (8/20 µs) (In ) 3 kA
Celkový impulzní proud (8/20 µs) [L+N-PE] (Itotal ) 5 kA
Ochranná úroveň [L-N]/[L/N-PE] (UP ) ≤ 1250/≤ 1500 V
Max. nadproudová ochrana ze strany sítě 25 A gG nebo B 25 A
Certifikace KEMA, VDE, UL, CSA, ATEX, IECEx

Produkt 953200 byl přidán na seznam.

K seznamu

Produkt 953200 byl přidán do nákupního košíku.


DEHNrail M 2P ... FM

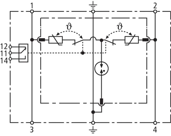
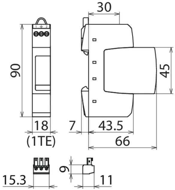
Dvoupólový svodič přepětí složený ze základního dílu a zásuvného ochranného modulu; s bezpotenciálovým kontaktem dálkové signalizace.

5 Produkty

Obj. č. 953206 DR M 2P 30 FM

GTIN 4013364109711, Číslo celního sazebníku (EU): 85363030, Váha brutto: 94.50 g, Balící jednotka: 1.00 ks

Staré provedení

Vyobrazení

Další informace

Svodič přepětí DEHNrail M 2P 30 FM
2-pólový, modulární, zásuvný svodič přepětí
pro ochranu koncových zařízení průmyslové elektroniky
šířka 1 TE, ukazatel poruchy
s kontaktem dálkové signalizace
svodič typ 3 podle ČSN EN 61643-11
nejvyšší provozní napětí: 30 V ac/dc
celkový impulzní proud: 2 kA
ochranná úroveň L/N: < 0,18 kV
předjištění: 25 A gG nebo B 25 A
energetická koordinace podle ČSN EN 62305-4
svodič řady Red/Line

Výrobek: DEHN
Typ: DR M 2P 30 FM
Obj. č.: 953206
nebo rovnocenný.

Certifikáty

 

Technické informace

SPD podle ČSN EN 61643-11/... IEC 61643-11 typ 3/Třída III
Maximální provozní napětí AC (UC ) 30 V (50/60 Hz)
Maximální provozní napětí DC (UC ) 30 V
Jmenovitý impulzní proud (8/20 µs) (In ) 1 kA
Celkový impulzní proud (8/20 µs) [L+N-PE] (Itotal ) 2 kA
Ochranná úroveň [L-N]/[L/N-PE] (UP ) ≤ 180/≤ 630 V
Max. nadproudová ochrana ze strany sítě 25 A gG nebo B 25 A
Certifikace KEMA, VDE, UL, CSA, ATEX, IECEx
Kontakty dálkové signalizace/typ kontaktů přepínač

Produkt 953206 byl přidán na seznam.

K seznamu

Produkt 953206 byl přidán do nákupního košíku.

Obj. č. 953207 DR M 2P 60 FM

GTIN 4013364109728, Číslo celního sazebníku (EU): 85363030, Váha brutto: 95.40 g, Balící jednotka: 1.00 ks

Staré provedení

Vyobrazení

Další informace

Svodič přepětí DEHNrail M 2P 60 FM
2-pólový, modulární, zásuvný svodič přepětí
pro ochranu koncových zařízení průmyslové elektroniky
šířka 1 TE, ukazatel poruchy
s kontaktem dálkové signalizace
svodič typ 3 podle ČSN EN 61643-11
nejvyšší provozní napětí: 60 V ac/dc
celkový impulzní proud: 2 kA
ochranná úroveň L/N: < 0,35 kV
předjištění: 25 A gG nebo B 25 A
energetická koordinace podle ČSN EN 62305-4
svodič řady Red/Line

Výrobek: DEHN
Typ: DR M 2P 60 FM
Obj. č.: 953207
nebo rovnocenný.

Certifikáty

 

Technické informace

SPD podle ČSN EN 61643-11/... IEC 61643-11 typ 3/Třída III
Maximální provozní napětí AC (UC ) 60 V (50/60 Hz)
Maximální provozní napětí DC (UC ) 60 V
Jmenovitý impulzní proud (8/20 µs) (In ) 1 kA
Celkový impulzní proud (8/20 µs) [L+N-PE] (Itotal ) 2 kA
Ochranná úroveň [L-N]/[L/N-PE] (UP ) ≤ 350/≤ 730 V
Max. nadproudová ochrana ze strany sítě 25 A gG nebo B 25 A
Certifikace KEMA, VDE, UL, CSA, ATEX, IECEx
Kontakty dálkové signalizace/typ kontaktů přepínač

Produkt 953207 byl přidán na seznam.

K seznamu

Produkt 953207 byl přidán do nákupního košíku.

Obj. č. 953208 DR M 2P 75 FM

GTIN 4013364109735, Číslo celního sazebníku (EU): 85363030, Váha brutto: 93.70 g, Balící jednotka: 1.00 ks

Staré provedení

Vyobrazení

Další informace

Svodič přepětí DEHNrail M 2P 75 FM
2-pólový, modulární, zásuvný svodič přepětí
pro ochranu koncových zařízení průmyslové elektroniky
šířka 1 TE, ukazatel poruchy
s kontaktem dálkové signalizace
svodič typ 3 podle ČSN EN 61643-11
nejvyšší provozní napětí: 75 V ac/dc
celkový impulzní proud: 4 kA
ochranná úroveň L/N: < 0,4 kV
předjištění: 25 A gG nebo B 25 A
energetická koordinace podle ČSN EN 62305-4
svodič řady Red/Line

Výrobek: DEHN
Typ: DR M 2P 75 FM
Obj. č.: 953208
nebo rovnocenný.

Certifikáty

 

Technické informace

SPD podle ČSN EN 61643-11/... IEC 61643-11 typ 3/Třída III
Maximální provozní napětí AC (UC ) 75 V (50/60 Hz)
Maximální provozní napětí DC (UC ) 75 V
Jmenovitý impulzní proud (8/20 µs) (In ) 2 kA
Celkový impulzní proud (8/20 µs) [L+N-PE] (Itotal ) 4 kA
Ochranná úroveň [L-N]/[L/N-PE] (UP ) ≤ 400/≤ 730 V
Max. nadproudová ochrana ze strany sítě 25 A gG nebo B 25 A
Certifikace KEMA, VDE, UL, CSA, ATEX, IECEx
Kontakty dálkové signalizace/typ kontaktů přepínač

Produkt 953208 byl přidán na seznam.

K seznamu

Produkt 953208 byl přidán do nákupního košíku.

Obj. č. 953209 DR M 2P 150 FM

GTIN 4013364109742, Číslo celního sazebníku (EU): 85363030, Váha brutto: 93.00 g, Balící jednotka: 1.00 ks

Staré provedení

Vyobrazení

Další informace

Svodič přepětí DEHNrail M 2P 150 FM
2-pólový, modulární, zásuvný svodič přepětí
pro ochranu koncových zařízení průmyslové elektroniky
šířka 1 TE, ukazatel poruchy
s kontaktem dálkové signalizace
svodič typ 3 podle ČSN EN 61643-11
nejvyšší provozní napětí: 150 V ac/dc
celkový impulzní proud: 4 kA
ochranná úroveň L/N: < 0,64 kV
předjištění: 25 A gG nebo B 25 A
energetická koordinace podle ČSN EN 62305-4
svodič řady Red/Line

Výrobek: DEHN
Typ: DR M 2P 150 FM
Obj. č.: 953209
nebo rovnocenný.

Certifikáty

 

Technické informace

SPD podle ČSN EN 61643-11/... IEC 61643-11 typ 3/Třída III
Maximální provozní napětí AC (UC ) 150 V (50/60 Hz)
Maximální provozní napětí DC (UC ) 150 V
Jmenovitý impulzní proud (8/20 µs) (In ) 2 kA
Celkový impulzní proud (8/20 µs) [L+N-PE] (Itotal ) 4 kA
Ochranná úroveň [L-N]/[L/N-PE] (UP ) ≤ 640/≤ 800 V
Max. nadproudová ochrana ze strany sítě 25 A gG nebo B 25 A
Certifikace KEMA, VDE, UL, CSA, ATEX, IECEx
Kontakty dálkové signalizace/typ kontaktů přepínač

Produkt 953209 byl přidán na seznam.

K seznamu

Produkt 953209 byl přidán do nákupního košíku.

Obj. č. 953205 DR M 2P 255 FM

GTIN 4013364108318, Číslo celního sazebníku (EU): 85363030, Váha brutto: 98.88 g, Balící jednotka: 1.00 ks

Staré provedení

Vyobrazení

Další informace

Svodič přepětí DEHNrail M 2P 255 FM
2-pólový, modulární, zásuvný svodič přepětí
pro ochranu koncových zařízení průmyslové elektroniky
šířka 1 TE, ukazatel poruchy
s kontaktem dálkové signalizace
svodič typ 3 podle ČSN EN 61643-11
nejvyšší provozní napětí: 255 V ac/dc
celkový impulzní proud: 5 kA
ochranná úroveň L/N: < 1,25 kV
předjištění: 25 A gG nebo B 25 A
energetická koordinace podle ČSN EN 62305-4
svodič řady Red/Line

Výrobek: DEHN
Typ: DR M 2P 255 FM
Obj. č.: 953205
nebo rovnocenný.

Certifikáty

 

Technické informace

SPD podle ČSN EN 61643-11/... IEC 61643-11 typ 3/Třída III
Maximální provozní napětí AC (UC ) 255 V (50/60 Hz)
Maximální provozní napětí DC (UC ) 255 V
Jmenovitý impulzní proud (8/20 µs) (In ) 3 kA
Celkový impulzní proud (8/20 µs) [L+N-PE] (Itotal ) 5 kA
Ochranná úroveň [L-N]/[L/N-PE] (UP ) ≤ 1250/≤ 1500 V
Max. nadproudová ochrana ze strany sítě 25 A gG nebo B 25 A
Certifikace KEMA, VDE, UL, CSA, ATEX, IECEx
Kontakty dálkové signalizace/typ kontaktů přepínač

Produkt 953205 byl přidán na seznam.

K seznamu

Produkt 953205 byl přidán do nákupního košíku.


DEHNrail M 2P SN1802

Dvoupólový svodič přepětí složený ze základního dílu a zásuvného ochranného modulu. Možnost použití v obvodech s jištěním 32 A.

1 Produkt

Obj. č. 953228 DR M 2P 255 SN1802

GTIN 4013364158986, Číslo celního sazebníku (EU): 85363030, Váha brutto: 89.70 g, Balící jednotka: 1.00 ks


Vyobrazení

Další informace

Svodič přepětí DEHNrail M 2P 255 SN1802
2-pólový, modulární, zásuvný svodič přepětí
pro ochranu koncových zařízení průmyslové elektroniky
šířka 1 TE, ukazatel poruchy
svodič typ 3 podle ČSN EN 61643-11
nejvyšší provozní napětí: 255 V ac/dc
celkový impulzní proud: 5 kA
ochranná úroveň L/N: < 1,25 kV
předjištění: 32 A gG nebo B 32 A
energetická koordinace podle ČSN EN 62305-4
svodič řady Red/Line

Výrobek: DEHN
Typ: DR M 2P 255 SN1802
Obj. č.: 953228
nebo rovnocenný.

 

Technické informace

SPD podle ČSN EN 61643-11/... IEC 61643-11 typ 3/Třída III
Maximální provozní napětí AC (UC ) 255 V (50/60 Hz)
Maximální provozní napětí DC (UC ) 255 V
Jmenovitý impulzní proud (8/20 µs) (In ) 3 kA
Celkový impulzní proud (8/20 µs) [L+N-PE] (Itotal ) 5 kA
Ochranná úroveň [L-N]/[L/N-PE] (UP ) ≤ 1250/≤ 1500 V
Max. nadproudová ochrana ze strany sítě 32 A gG nebo B 32 A
Ochranný modul na dotaz

Produkt 953228 byl přidán na seznam.

K seznamu

Produkt 953228 byl přidán do nákupního košíku.


DEHNrail M 2P SN1803FM

Dvoupólový svodič přepětí složený ze základního dílu a zásuvného ochranného modulu; s bezpotenciálovým kontaktem dálkové signalizace. Možnost použití v obvodech s jištěním 32 A.

1 Produkt

Obj. č. 953229 DR M 2P 255 SN1803FM

GTIN 4013364158993, Číslo celního sazebníku (EU): 85363030, Váha brutto: 93.40 g, Balící jednotka: 1.00 ks


Vyobrazení

Další informace

Svodič přepětí DEHNrail M 2P 255 SN1803FM
2-pólový, modulární, zásuvný svodič přepětí
pro ochranu koncových zařízení průmyslové elektroniky
šířka 1 TE, ukazatel poruchy
s kontaktem dálkové signalizace
svodič typ 3 podle ČSN EN 61643-11
nejvyšší provozní napětí: 255 V ac/dc
celkový impulzní proud: 5 kA
ochranná úroveň L/N: < 1,25 kV
předjištění: 32 A gG nebo B 32 A
energetická koordinace podle ČSN EN 62305-4
svodič řady Red/Line

Výrobek: DEHN
Typ: DR M 2P 255 SN1803FM
Obj. č.: 953229
nebo rovnocenný.

Certifikáty

 

Technické informace

SPD podle ČSN EN 61643-11/... IEC 61643-11 typ 3/Třída III
Maximální provozní napětí AC (UC ) 255 V (50/60 Hz)
Maximální provozní napětí DC (UC ) 255 V
Jmenovitý impulzní proud (8/20 µs) (In ) 3 kA
Celkový impulzní proud (8/20 µs) [L+N-PE] (Itotal ) 5 kA
Ochranná úroveň [L-N]/[L/N-PE] (UP ) ≤ 1250/≤ 1500 V
Max. nadproudová ochrana ze strany sítě 32 A gG nebo B 32 A
Kontakty dálkové signalizace/typ kontaktů přepínač
Ochranný modul na dotaz

Produkt 953229 byl přidán na seznam.

K seznamu

Produkt 953229 byl přidán do nákupního košíku.


back to top