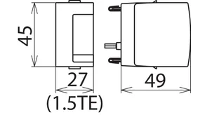
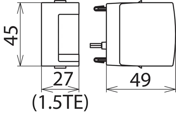
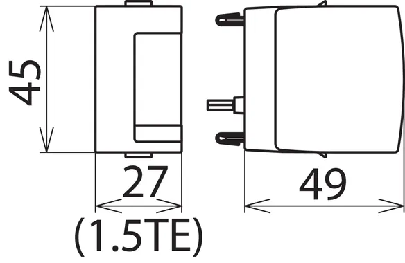
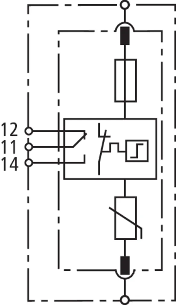
Ochranný modul pro DEHNguard M, ... S a DEHNgap C S

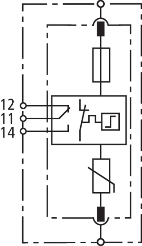
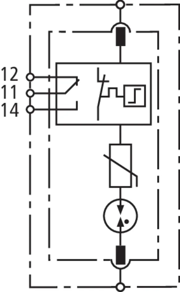
  • Vysoký svodový výkon je zajištěn výkonným zinkooxidovým varistorem / jiskřištěm
  • Vysoký stupeň bezpečnosti je zajištěn monitorováním „Thermo-Dynamic-Control“
  • Svodič je energeticky zkoordinovaný v rámci produktové řady Red/Line
  • Ukazatel funkce/poruchy prostřednictvím zeleného/červeného terčíku v signalizačním poli
  • Snadná výměna ochranného modulu bez použití nářadí pomocí uvolňovacího tlačítka modulu
  • Zkoušeno vibrací a otřesem podle EN 60068-2

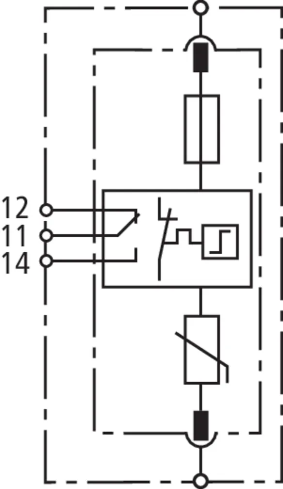
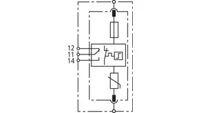
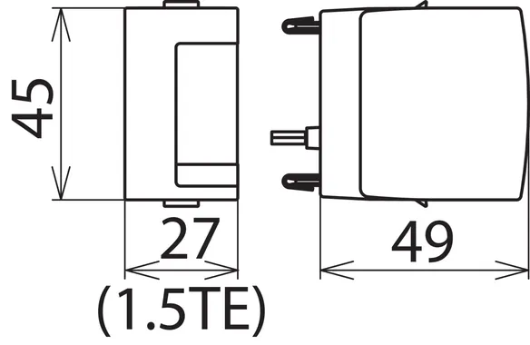
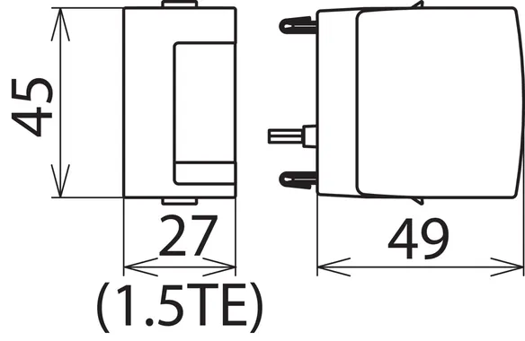
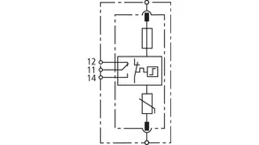
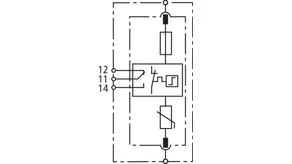
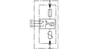
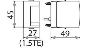
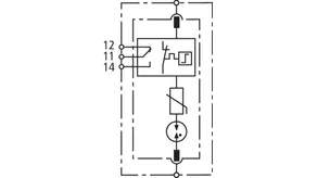
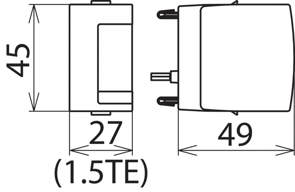
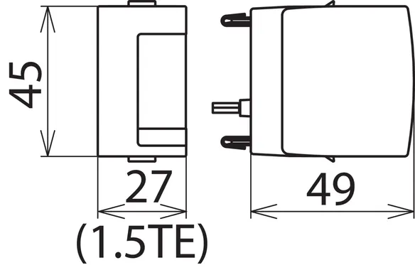
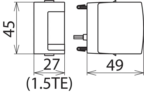
Ochranný modul v zapojení vypínač-jiskřiště pro DEHNguard M ACI

2 Produkty

Obj. č. 952024 DG MOD ACI 275

GTIN 4013364377356, Číslo celního sazebníku (EU): 85363030, Váha brutto: 55.00 g, Balící jednotka: 1.00 ks


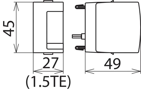
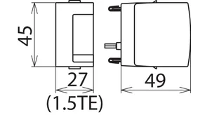
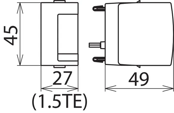
Vyobrazení

Další informace

Ochranný modul v zapojení vypínač - jiskřiště pro DG MOD A 275
zásuvný ochranný modul pro DEHNguard M ACI ...
svodič přepětí typ 2 podle ČSN EN 61643-11
řady svodičů Red/Line
nejvyšší provozní napětí: 275 V ac/350 V dc
jmenovitý impulzní proud: 20 kA
ukazatel poruchy

Výrobek: DEHN
Typ: DG MOD ACI 275
Obj. č.: 952024
nebo rovnocenný.

Certifikáty

 

Technologie ACI

Jedná se o evoluci CI technologie, která stojí na kombinaci jiskřiště a odpínače zapojené v sérii s výkonným varistorem. To umožňuje jednoduché řešení a bezpečný provoz svodiče přepětí. Dalšími výhodami jsou jistota při dimenzování, odolnost TOV, připojovací průměr vodičů Cu pouhých 6 mm2 a absence unikajícího proudu. Svodiče přepětí s technologií ACI tak zaručují maximální bezpečí a provozuschopnost zařízení.

Integrované předjištění

Předjištění je plně integrováno. To přináší minimální potřebu místa, nižší náklady na montáž a rychlejší instalaci a kratší připojovací vodiče. Tyto vlastnosti mají skupiny produktů DEHNvenCI, DEHNbloc Maxi S, DEHNguard ... CI a V(A) NH.

Direct Current-Disconnection

Při použití svodičů přepětí ve stejnosměrných instalacích je nutné zajistit, aby odpojovací mechanismus spolehlivě odpojil i při chybějícím průchodu nulou. Námi vyvinutá technologie rozpojení DC-Disconnection (DCD) působí podobně jako klín uzavíracího ventilu, aby přerušila stejnosměrný proud. Svodiče skupiny DEHNguard SE DC jsou tak schopny bezpečně přerušit stejnosměrný proud, čímž eliminují riziko vzniku požáru způsobeného stejnosměrným elektrickým obloukem.

Technologie SCI

Patentovaná technologie SCI od firmy DEHN zajišťuje aktivní, rychlé a bezpečné uhašení elektrického oblouku v případě přetížení. Pojistka integrovaná ve zkratovacím impulzu vybaví ihned po přerušení vzniklého oblouku a zajistí bezpečné elektrické odpojení. Díky tomu poskytují všechny vodiče pro fotovoltaiku od firmy DEHN ochranu před účinky přepětí, požárem a zdraví v jednom přístroji.

Technické informace

Jmenovitý impulzní proud (8/20 µs) (In ) 20 kA
Maximální provozní napětí AC (UC ) 275 V

Produkt 952024 byl přidán na seznam.

K seznamu

Produkt 952024 byl přidán do nákupního košíku.

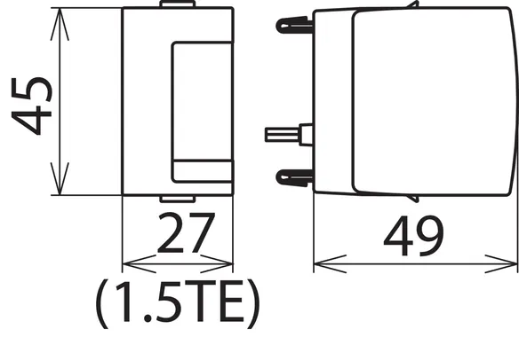
Obj. č. 952028 DG MOD ACI 385

GTIN 4013364387843, Číslo celního sazebníku (EU): 85363030, Váha brutto: 66.00 g, Balící jednotka: 1.00 ks


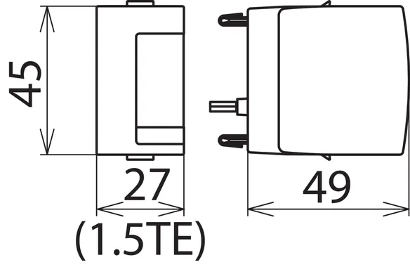
Vyobrazení

Další informace

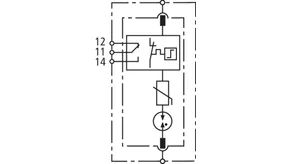
Ochranný modul v zapojení vypínač-jiskřiště pro DG MOD A 275
zásuvný ochranný modul pro DEHNguard M ACI ...
svodič přepětí typ 2 podle ČSN EN 61643-11
řady svodičů Red/Line
nejvyšší provozní napětí: 275 V ac/350 V dc
jmenovitý impulzní proud: 20 kA
ukazatel poruchy

Výrobek: DEHN
Typ: DG MOD ACI 385
Obj. č.: 952028
nebo rovnocenný.

 

Technologie ACI

Jedná se o evoluci CI technologie, která stojí na kombinaci jiskřiště a odpínače zapojené v sérii s výkonným varistorem. To umožňuje jednoduché řešení a bezpečný provoz svodiče přepětí. Dalšími výhodami jsou jistota při dimenzování, odolnost TOV, připojovací průměr vodičů Cu pouhých 6 mm2 a absence unikajícího proudu. Svodiče přepětí s technologií ACI tak zaručují maximální bezpečí a provozuschopnost zařízení.

Integrované předjištění

Předjištění je plně integrováno. To přináší minimální potřebu místa, nižší náklady na montáž a rychlejší instalaci a kratší připojovací vodiče. Tyto vlastnosti mají skupiny produktů DEHNvenCI, DEHNbloc Maxi S, DEHNguard ... CI a V(A) NH.

Direct Current-Disconnection

Při použití svodičů přepětí ve stejnosměrných instalacích je nutné zajistit, aby odpojovací mechanismus spolehlivě odpojil i při chybějícím průchodu nulou. Námi vyvinutá technologie rozpojení DC-Disconnection (DCD) působí podobně jako klín uzavíracího ventilu, aby přerušila stejnosměrný proud. Svodiče skupiny DEHNguard SE DC jsou tak schopny bezpečně přerušit stejnosměrný proud, čímž eliminují riziko vzniku požáru způsobeného stejnosměrným elektrickým obloukem.

Technologie SCI

Patentovaná technologie SCI od firmy DEHN zajišťuje aktivní, rychlé a bezpečné uhašení elektrického oblouku v případě přetížení. Pojistka integrovaná ve zkratovacím impulzu vybaví ihned po přerušení vzniklého oblouku a zajistí bezpečné elektrické odpojení. Díky tomu poskytují všechny vodiče pro fotovoltaiku od firmy DEHN ochranu před účinky přepětí, požárem a zdraví v jednom přístroji.

Technické informace

Jmenovitý impulzní proud (8/20 µs) (In ) 20 kA
Maximální provozní napětí AC (UC ) 385 V

Produkt 952028 byl přidán na seznam.

K seznamu

Produkt 952028 byl přidán do nákupního košíku.


Ochranný modul s jiskřištěm pro DEHNguard M ACI

1 Produkt

Obj. č. 952022 DG MOD A NPE

GTIN 4013364376533, Číslo celního sazebníku (EU): 85363030, Váha brutto: 46.00 g, Balící jednotka: 1.00 ks


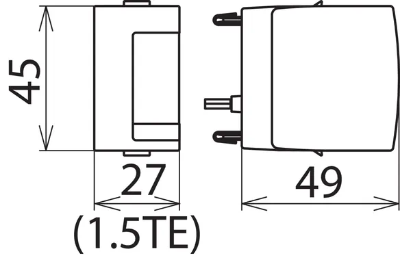
Vyobrazení

Další informace

Ochranný modul s N-PE jiskřištěm DG MOD A NPE
zásuvný ochranný modul DEHNguard M ACI ...
svodič přepětí typ 2 podle ČSN EN 61643-11
řady svodičů Red/Line
nejvyšší provozní napětí:: 275 V ac/350 V dc
jmenovitý impulzní proud: 20 kA
ukazatel poruchy

Výrobek: DEHN
Typ: DG MOD A NPE
Obj. č.: 952022
nebo rovnocenný.

Certifikáty

 

Technologie ACI

Jedná se o evoluci CI technologie, která stojí na kombinaci jiskřiště a odpínače zapojené v sérii s výkonným varistorem. To umožňuje jednoduché řešení a bezpečný provoz svodiče přepětí. Dalšími výhodami jsou jistota při dimenzování, odolnost TOV, připojovací průměr vodičů Cu pouhých 6 mm2 a absence unikajícího proudu. Svodiče přepětí s technologií ACI tak zaručují maximální bezpečí a provozuschopnost zařízení.

Integrované předjištění

Předjištění je plně integrováno. To přináší minimální potřebu místa, nižší náklady na montáž a rychlejší instalaci a kratší připojovací vodiče. Tyto vlastnosti mají skupiny produktů DEHNvenCI, DEHNbloc Maxi S, DEHNguard ... CI a V(A) NH.

Direct Current-Disconnection

Při použití svodičů přepětí ve stejnosměrných instalacích je nutné zajistit, aby odpojovací mechanismus spolehlivě odpojil i při chybějícím průchodu nulou. Námi vyvinutá technologie rozpojení DC-Disconnection (DCD) působí podobně jako klín uzavíracího ventilu, aby přerušila stejnosměrný proud. Svodiče skupiny DEHNguard SE DC jsou tak schopny bezpečně přerušit stejnosměrný proud, čímž eliminují riziko vzniku požáru způsobeného stejnosměrným elektrickým obloukem.

Technologie SCI

Patentovaná technologie SCI od firmy DEHN zajišťuje aktivní, rychlé a bezpečné uhašení elektrického oblouku v případě přetížení. Pojistka integrovaná ve zkratovacím impulzu vybaví ihned po přerušení vzniklého oblouku a zajistí bezpečné elektrické odpojení. Díky tomu poskytují všechny vodiče pro fotovoltaiku od firmy DEHN ochranu před účinky přepětí, požárem a zdraví v jednom přístroji.

Technické informace

Jmenovitý impulzní proud (8/20 µs) (In ) 20 kA
Maximální impulzní proud (8/20 µs) (Imax ) 40 kA
Maximální provozní napětí AC (UC ) 255 V

Produkt 952022 byl přidán na seznam.

K seznamu

Produkt 952022 byl přidán do nákupního košíku.


Ochranný modul s varistorem pro DEHNguard M CI

1 Produkt

Obj. č. 952020 DG MOD CI 275

GTIN 4013364127784, Číslo celního sazebníku (EU): 85363030, Váha brutto: 59.30 g, Balící jednotka: 1.00 ks


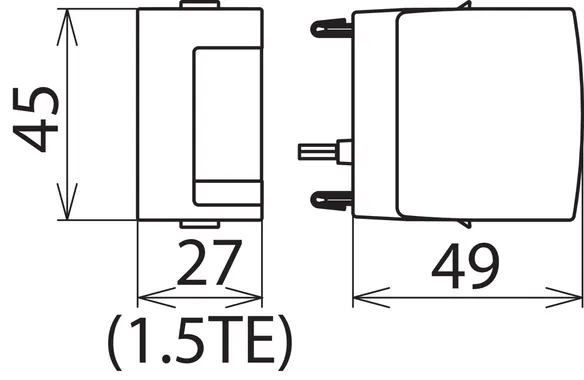
Vyobrazení

Další informace

Ochranný modul s varistorem DG MOD CI 275
zásuvný ochranný modul pro DEHNguard M CI
svodič přepětí typ 2 podle ČSN EN 61643-11
řady svodičů Red/Line
nejvyšší provozní napětí: 275 V ac
jmenovitý impulzní proud: 12,5 kA
ukazatel poruchy

Výrobek: DEHN
Typ: DG MOD CI 275
Obj. č.: 952020
nebo rovnocenný.

Certifikáty

 

Integrované předjištění

Předjištění je plně integrováno. To přináší minimální potřebu místa, nižší náklady na montáž a rychlejší instalaci a kratší připojovací vodiče. Tyto vlastnosti mají skupiny produktů DEHNvenCI, DEHNbloc Maxi S, DEHNguard ... CI a V(A) NH.

Direct Current-Disconnection

Při použití svodičů přepětí ve stejnosměrných instalacích je nutné zajistit, aby odpojovací mechanismus spolehlivě odpojil i při chybějícím průchodu nulou. Námi vyvinutá technologie rozpojení DC-Disconnection (DCD) působí podobně jako klín uzavíracího ventilu, aby přerušila stejnosměrný proud. Svodiče skupiny DEHNguard SE DC jsou tak schopny bezpečně přerušit stejnosměrný proud, čímž eliminují riziko vzniku požáru způsobeného stejnosměrným elektrickým obloukem.

Technologie SCI

Patentovaná technologie SCI od firmy DEHN zajišťuje aktivní, rychlé a bezpečné uhašení elektrického oblouku v případě přetížení. Pojistka integrovaná ve zkratovacím impulzu vybaví ihned po přerušení vzniklého oblouku a zajistí bezpečné elektrické odpojení. Díky tomu poskytují všechny vodiče pro fotovoltaiku od firmy DEHN ochranu před účinky přepětí, požárem a zdraví v jednom přístroji.

Technické informace

Jmenovitý impulzní proud (8/20 µs) (In ) 12,5 kA
Maximální impulzní proud (8/20 µs) (Imax ) 25 kA
Maximální provozní napětí AC (UC ) 275 V

Produkt 952020 byl přidán na seznam.

K seznamu

Produkt 952020 byl přidán do nákupního košíku.


Ochranný modul s varistorem pro DEHNguard SE CI ...

2 Produkty

Obj. č. 952926 DG MOD E CI 440

GTIN 4013364322646, Číslo celního sazebníku (EU): 85363030, Váha brutto: 83.00 g, Balící jednotka: 1.00 ks


Vyobrazení

Další informace

Ochranný modul s varistorem DG MOD E CI 440
zásuvný ochranný modul pro DEHNguard SE CI
svodič přepětí typ 2 podle ČSN EN 61643-11
řady svodičů Red/Line
nejvyšší provozní napětí: 440 V ac
jmenovitý impulzní proud: 12,5 kA
ukazatel poruchy

Výrobek: DEHN
Typ: DG MOD E CI 440
Obj. č.: 952926
nebo rovnocenný.

Certifikáty

 

Integrované předjištění

Předjištění je plně integrováno. To přináší minimální potřebu místa, nižší náklady na montáž a rychlejší instalaci a kratší připojovací vodiče. Tyto vlastnosti mají skupiny produktů DEHNvenCI, DEHNbloc Maxi S, DEHNguard ... CI a V(A) NH.

Direct Current-Disconnection

Při použití svodičů přepětí ve stejnosměrných instalacích je nutné zajistit, aby odpojovací mechanismus spolehlivě odpojil i při chybějícím průchodu nulou. Námi vyvinutá technologie rozpojení DC-Disconnection (DCD) působí podobně jako klín uzavíracího ventilu, aby přerušila stejnosměrný proud. Svodiče skupiny DEHNguard SE DC jsou tak schopny bezpečně přerušit stejnosměrný proud, čímž eliminují riziko vzniku požáru způsobeného stejnosměrným elektrickým obloukem.

Technologie SCI

Patentovaná technologie SCI od firmy DEHN zajišťuje aktivní, rychlé a bezpečné uhašení elektrického oblouku v případě přetížení. Pojistka integrovaná ve zkratovacím impulzu vybaví ihned po přerušení vzniklého oblouku a zajistí bezpečné elektrické odpojení. Díky tomu poskytují všechny vodiče pro fotovoltaiku od firmy DEHN ochranu před účinky přepětí, požárem a zdraví v jednom přístroji.

Technické informace

Jmenovitý impulzní proud (8/20 µs) (In ) 12,5 kA
Maximální provozní napětí AC (UC ) 440 V
Jmenovité napětí varistoru (Umov ) 440 V

Produkt 952926 byl přidán na seznam.

K seznamu

Produkt 952926 byl přidán do nákupního košíku.

Obj. č. 952927 DG MOD E CI WE 440

GTIN 4013364322653, Číslo celního sazebníku (EU): 85363030, Váha brutto: 82.00 g, Balící jednotka: 1.00 ks


Vyobrazení

Další informace

Ochranný modul s varistorem DG MOD E CI WE 440
zásuvný ochranný modul pro DEHNguard SE CI
svodič přepětí typ 2 podle ČSN EN 61643-11
řady svodičů Red/Line
nejvyšší provozní napětí: 440 V ac
měrné napětí varistoru: 750 V ac
jmenovitý impulzní proud: 12,5 kA
ukazatel poruchy

Výrobek: DEHN
Typ: DG MOD E CI WE 440
Obj. č.: 952927
nebo rovnocenný.

Certifikáty

 

Integrované předjištění

Předjištění je plně integrováno. To přináší minimální potřebu místa, nižší náklady na montáž a rychlejší instalaci a kratší připojovací vodiče. Tyto vlastnosti mají skupiny produktů DEHNvenCI, DEHNbloc Maxi S, DEHNguard ... CI a V(A) NH.

Direct Current-Disconnection

Při použití svodičů přepětí ve stejnosměrných instalacích je nutné zajistit, aby odpojovací mechanismus spolehlivě odpojil i při chybějícím průchodu nulou. Námi vyvinutá technologie rozpojení DC-Disconnection (DCD) působí podobně jako klín uzavíracího ventilu, aby přerušila stejnosměrný proud. Svodiče skupiny DEHNguard SE DC jsou tak schopny bezpečně přerušit stejnosměrný proud, čímž eliminují riziko vzniku požáru způsobeného stejnosměrným elektrickým obloukem.

Technologie SCI

Patentovaná technologie SCI od firmy DEHN zajišťuje aktivní, rychlé a bezpečné uhašení elektrického oblouku v případě přetížení. Pojistka integrovaná ve zkratovacím impulzu vybaví ihned po přerušení vzniklého oblouku a zajistí bezpečné elektrické odpojení. Díky tomu poskytují všechny vodiče pro fotovoltaiku od firmy DEHN ochranu před účinky přepětí, požárem a zdraví v jednom přístroji.

Technické informace

Jmenovitý impulzní proud (8/20 µs) (In ) 12,5 kA
Maximální provozní napětí AC (UC ) 440 V
Jmenovité napětí varistoru (Umov ) 750 V

Produkt 952927 byl přidán na seznam.

K seznamu

Produkt 952927 byl přidán do nákupního košíku.


Ochranný modul s varistorem pro DEHNguard M a DEHNguard S

8 Produkty

Obj. č. 952018 DG MOD 48

GTIN 4013364119482, Číslo celního sazebníku (EU): 85363030, Váha brutto: 43.50 g, Balící jednotka: 1.00 ks


Vyobrazení

Další informace

Ochranný modul s varistorem DG MOD 48
zásuvný ochranný modul pro DEHNguard S ...
svodič přepětí typ 2 podle ČSN EN 61643-11
řady svodičů Red/Line
technologie vysoce výkonného varistoru
nejvyšší provozní napětí: 48 V ac/60 V dc
jmenovitý impulzní proud: 7,5 kA
ukazatel poruchy

Výrobek: DEHN
Typ: DG MOD 48
Obj. č.: 952018
nebo rovnocenný.

Certifikáty

 

Integrované předjištění

Předjištění je plně integrováno. To přináší minimální potřebu místa, nižší náklady na montáž a rychlejší instalaci a kratší připojovací vodiče. Tyto vlastnosti mají skupiny produktů DEHNvenCI, DEHNbloc Maxi S, DEHNguard ... CI a V(A) NH.

Direct Current-Disconnection

Při použití svodičů přepětí ve stejnosměrných instalacích je nutné zajistit, aby odpojovací mechanismus spolehlivě odpojil i při chybějícím průchodu nulou. Námi vyvinutá technologie rozpojení DC-Disconnection (DCD) působí podobně jako klín uzavíracího ventilu, aby přerušila stejnosměrný proud. Svodiče skupiny DEHNguard SE DC jsou tak schopny bezpečně přerušit stejnosměrný proud, čímž eliminují riziko vzniku požáru způsobeného stejnosměrným elektrickým obloukem.

Technologie SCI

Patentovaná technologie SCI od firmy DEHN zajišťuje aktivní, rychlé a bezpečné uhašení elektrického oblouku v případě přetížení. Pojistka integrovaná ve zkratovacím impulzu vybaví ihned po přerušení vzniklého oblouku a zajistí bezpečné elektrické odpojení. Díky tomu poskytují všechny vodiče pro fotovoltaiku od firmy DEHN ochranu před účinky přepětí, požárem a zdraví v jednom přístroji.

Technické informace

Jmenovitý impulzní proud (8/20 µs) (In ) 7,5 kA
Maximální impulzní proud (8/20 µs) (Imax ) 25 kA
Maximální provozní napětí AC (UC ) 48 V

Produkt 952018 byl přidán na seznam.

K seznamu

Produkt 952018 byl přidán do nákupního košíku.

Obj. č. 952011 DG MOD 75

GTIN 4013364109773, Číslo celního sazebníku (EU): 85363030, Váha brutto: 39.30 g, Balící jednotka: 1.00 ks


Vyobrazení

Další informace

Ochranný modul s varistorem DG MOD 75
zásuvný ochranný modul pro DEHNguard S ...
svodič přepětí typ 2 podle ČSN EN 61643-11
řady svodičů Red/Line
technologie vysoce výkonného varistoru
nejvyšší provozní napětí: 75 V ac/100 V dc
jmenovitý impulzní proud: 10 kA
ukazatel poruchy

Výrobek: DEHN
Typ: DG MOD 75
Obj. č.: 952011
nebo rovnocenný.

Certifikáty

 

Integrované předjištění

Předjištění je plně integrováno. To přináší minimální potřebu místa, nižší náklady na montáž a rychlejší instalaci a kratší připojovací vodiče. Tyto vlastnosti mají skupiny produktů DEHNvenCI, DEHNbloc Maxi S, DEHNguard ... CI a V(A) NH.

Direct Current-Disconnection

Při použití svodičů přepětí ve stejnosměrných instalacích je nutné zajistit, aby odpojovací mechanismus spolehlivě odpojil i při chybějícím průchodu nulou. Námi vyvinutá technologie rozpojení DC-Disconnection (DCD) působí podobně jako klín uzavíracího ventilu, aby přerušila stejnosměrný proud. Svodiče skupiny DEHNguard SE DC jsou tak schopny bezpečně přerušit stejnosměrný proud, čímž eliminují riziko vzniku požáru způsobeného stejnosměrným elektrickým obloukem.

Technologie SCI

Patentovaná technologie SCI od firmy DEHN zajišťuje aktivní, rychlé a bezpečné uhašení elektrického oblouku v případě přetížení. Pojistka integrovaná ve zkratovacím impulzu vybaví ihned po přerušení vzniklého oblouku a zajistí bezpečné elektrické odpojení. Díky tomu poskytují všechny vodiče pro fotovoltaiku od firmy DEHN ochranu před účinky přepětí, požárem a zdraví v jednom přístroji.

Technické informace

Jmenovitý impulzní proud (8/20 µs) (In ) 10 kA
Maximální impulzní proud (8/20 µs) (Imax ) 40 kA
Maximální provozní napětí AC (UC ) 75 V

Produkt 952011 byl přidán na seznam.

K seznamu

Produkt 952011 byl přidán do nákupního košíku.

Obj. č. 952012 DG MOD 150

GTIN 4013364109780, Číslo celního sazebníku (EU): 85363030, Váha brutto: 42.23 g, Balící jednotka: 1.00 ks


Vyobrazení

Další informace

Ochranný modul s varistorem DG MOD 150
zásuvný ochranný modul pro DEHNguard S ...
svodič přepětí typ 2 podle ČSN EN 61643-11
řady svodičů Red/Line
technologie vysoce výkonného varistoru
nejvyšší provozní napětí: 150 V ac/200 V dc
jmenovitý impulzní proud: 15 kA
ukazatel poruchy

Výrobek: DEHN
Typ: DG MOD 150
Obj. č.: 952012
nebo rovnocenný.

Certifikáty

 

Integrované předjištění

Předjištění je plně integrováno. To přináší minimální potřebu místa, nižší náklady na montáž a rychlejší instalaci a kratší připojovací vodiče. Tyto vlastnosti mají skupiny produktů DEHNvenCI, DEHNbloc Maxi S, DEHNguard ... CI a V(A) NH.

Direct Current-Disconnection

Při použití svodičů přepětí ve stejnosměrných instalacích je nutné zajistit, aby odpojovací mechanismus spolehlivě odpojil i při chybějícím průchodu nulou. Námi vyvinutá technologie rozpojení DC-Disconnection (DCD) působí podobně jako klín uzavíracího ventilu, aby přerušila stejnosměrný proud. Svodiče skupiny DEHNguard SE DC jsou tak schopny bezpečně přerušit stejnosměrný proud, čímž eliminují riziko vzniku požáru způsobeného stejnosměrným elektrickým obloukem.

Technologie SCI

Patentovaná technologie SCI od firmy DEHN zajišťuje aktivní, rychlé a bezpečné uhašení elektrického oblouku v případě přetížení. Pojistka integrovaná ve zkratovacím impulzu vybaví ihned po přerušení vzniklého oblouku a zajistí bezpečné elektrické odpojení. Díky tomu poskytují všechny vodiče pro fotovoltaiku od firmy DEHN ochranu před účinky přepětí, požárem a zdraví v jednom přístroji.

Technické informace

Jmenovitý impulzní proud (8/20 µs) (In ) 15 kA
Maximální impulzní proud (8/20 µs) (Imax ) 40 kA
Maximální provozní napětí AC (UC ) 150 V

Produkt 952012 byl přidán na seznam.

K seznamu

Produkt 952012 byl přidán do nákupního košíku.

Obj. č. 952010 DG MOD 275

GTIN 4013364108356, Číslo celního sazebníku (EU): 85363030, Váha brutto: 49.80 g, Balící jednotka: 1.00 ks


Vyobrazení

Další informace

Ochranný modul s varistorem DG MOD 275
zásuvný ochranný modul pro DEHNguard M...
a DEHNguard S...
svodič přepětí Typ 2 produktové skupiny Red/Line
podle ČSN EN 61643-11
nejvyšší provozní napětí: 275 V ac/350 V dc
jmenovitý impulzní proud: 20 kA
ukazatel poruchy

Výrobek: DEHN
Typ: DG MOD 275
Obj. č.: 952010
nebo rovnocenný.

Certifikáty

 

Integrované předjištění

Předjištění je plně integrováno. To přináší minimální potřebu místa, nižší náklady na montáž a rychlejší instalaci a kratší připojovací vodiče. Tyto vlastnosti mají skupiny produktů DEHNvenCI, DEHNbloc Maxi S, DEHNguard ... CI a V(A) NH.

Direct Current-Disconnection

Při použití svodičů přepětí ve stejnosměrných instalacích je nutné zajistit, aby odpojovací mechanismus spolehlivě odpojil i při chybějícím průchodu nulou. Námi vyvinutá technologie rozpojení DC-Disconnection (DCD) působí podobně jako klín uzavíracího ventilu, aby přerušila stejnosměrný proud. Svodiče skupiny DEHNguard SE DC jsou tak schopny bezpečně přerušit stejnosměrný proud, čímž eliminují riziko vzniku požáru způsobeného stejnosměrným elektrickým obloukem.

Technologie SCI

Patentovaná technologie SCI od firmy DEHN zajišťuje aktivní, rychlé a bezpečné uhašení elektrického oblouku v případě přetížení. Pojistka integrovaná ve zkratovacím impulzu vybaví ihned po přerušení vzniklého oblouku a zajistí bezpečné elektrické odpojení. Díky tomu poskytují všechny vodiče pro fotovoltaiku od firmy DEHN ochranu před účinky přepětí, požárem a zdraví v jednom přístroji.

Technické informace

Jmenovitý impulzní proud (8/20 µs) (In ) 20 kA
Maximální impulzní proud (8/20 µs) (Imax ) 40 kA
Maximální provozní napětí AC (UC ) 275 V

Produkt 952010 byl přidán na seznam.

K seznamu

Produkt 952010 byl přidán do nákupního košíku.

Obj. č. 952013 DG MOD 320

GTIN 4013364109797, Číslo celního sazebníku (EU): 85363030, Váha brutto: 52.50 g, Balící jednotka: 1.00 ks


Vyobrazení

Další informace

Ochranný modul s varistorem DG MOD 320
zásuvný ochranný modul pro DEHNguard M ...
a DEHNguard S ...
svodič přepětí typ 2 podle ČSN EN 61643-11
řady svodičů Red/Line
technologie vysoce výkonného varistoru
nejvyšší provozní napětí: 320 V ac/420 V dc
jmenovitý impulzní proud: 20 kA
ukazatel poruchy

Výrobek: DEHN
Typ: DG MOD 320
Obj. č.: 952013
nebo rovnocenný.

Certifikáty

 

Integrované předjištění

Předjištění je plně integrováno. To přináší minimální potřebu místa, nižší náklady na montáž a rychlejší instalaci a kratší připojovací vodiče. Tyto vlastnosti mají skupiny produktů DEHNvenCI, DEHNbloc Maxi S, DEHNguard ... CI a V(A) NH.

Direct Current-Disconnection

Při použití svodičů přepětí ve stejnosměrných instalacích je nutné zajistit, aby odpojovací mechanismus spolehlivě odpojil i při chybějícím průchodu nulou. Námi vyvinutá technologie rozpojení DC-Disconnection (DCD) působí podobně jako klín uzavíracího ventilu, aby přerušila stejnosměrný proud. Svodiče skupiny DEHNguard SE DC jsou tak schopny bezpečně přerušit stejnosměrný proud, čímž eliminují riziko vzniku požáru způsobeného stejnosměrným elektrickým obloukem.

Technologie SCI

Patentovaná technologie SCI od firmy DEHN zajišťuje aktivní, rychlé a bezpečné uhašení elektrického oblouku v případě přetížení. Pojistka integrovaná ve zkratovacím impulzu vybaví ihned po přerušení vzniklého oblouku a zajistí bezpečné elektrické odpojení. Díky tomu poskytují všechny vodiče pro fotovoltaiku od firmy DEHN ochranu před účinky přepětí, požárem a zdraví v jednom přístroji.

Technické informace

Jmenovitý impulzní proud (8/20 µs) (In ) 20 kA
Maximální impulzní proud (8/20 µs) (Imax ) 40 kA
Maximální provozní napětí AC (UC ) 320 V

Produkt 952013 byl přidán na seznam.

K seznamu

Produkt 952013 byl přidán do nákupního košíku.

Obj. č. 952014 DG MOD 385

GTIN 4013364108363, Číslo celního sazebníku (EU): 85363030, Váha brutto: 56.80 g, Balící jednotka: 1.00 ks


Vyobrazení

Další informace

Ochranný modul s varistorem DG MOD 385
zásuvný ochranný modul pro DEHNguard M ...
a DEHNguard S ...
svodič přepětí typ 2 podle ČSN EN 61643-11
řady svodičů Red/Line
technologie vysoce výkonného varistoru
nejvyšší provozní napětí: 385 V ac/500 V dc
jmenovitý impulzní proud: 20 kA
ukazatel poruchy

Výrobek: DEHN
Typ: DG MOD 385
Obj. č.: 952014
nebo rovnocenný.

Certifikáty

 

Integrované předjištění

Předjištění je plně integrováno. To přináší minimální potřebu místa, nižší náklady na montáž a rychlejší instalaci a kratší připojovací vodiče. Tyto vlastnosti mají skupiny produktů DEHNvenCI, DEHNbloc Maxi S, DEHNguard ... CI a V(A) NH.

Direct Current-Disconnection

Při použití svodičů přepětí ve stejnosměrných instalacích je nutné zajistit, aby odpojovací mechanismus spolehlivě odpojil i při chybějícím průchodu nulou. Námi vyvinutá technologie rozpojení DC-Disconnection (DCD) působí podobně jako klín uzavíracího ventilu, aby přerušila stejnosměrný proud. Svodiče skupiny DEHNguard SE DC jsou tak schopny bezpečně přerušit stejnosměrný proud, čímž eliminují riziko vzniku požáru způsobeného stejnosměrným elektrickým obloukem.

Technologie SCI

Patentovaná technologie SCI od firmy DEHN zajišťuje aktivní, rychlé a bezpečné uhašení elektrického oblouku v případě přetížení. Pojistka integrovaná ve zkratovacím impulzu vybaví ihned po přerušení vzniklého oblouku a zajistí bezpečné elektrické odpojení. Díky tomu poskytují všechny vodiče pro fotovoltaiku od firmy DEHN ochranu před účinky přepětí, požárem a zdraví v jednom přístroji.

Technické informace

Jmenovitý impulzní proud (8/20 µs) (In ) 20 kA
Maximální impulzní proud (8/20 µs) (Imax ) 40 kA
Maximální provozní napětí AC (UC ) 385 V

Produkt 952014 byl přidán na seznam.

K seznamu

Produkt 952014 byl přidán do nákupního košíku.

Obj. č. 952015 DG MOD 440

GTIN 4013364109803, Číslo celního sazebníku (EU): 85363030, Váha brutto: 60.00 g, Balící jednotka: 1.00 ks


Vyobrazení

Další informace

Ochranný modul s varistorem DG MOD 440
zásuvný ochranný modul pro DEHNguard M ...
a DEHNguard S ...
svodič přepětí typ 2 podle ČSN EN 61643-11
řady svodičů Red/Line
technologie vysoce výkonného varistoru
nejvyšší provozní napětí: 440 V ac/585 V dc
jmenovitý impulzní proud: 20 kA
ukazatel poruchy

Výrobek: DEHN
Typ: DG MOD 440
Obj. č.: 952015
nebo rovnocenný.

Certifikáty

 

Integrované předjištění

Předjištění je plně integrováno. To přináší minimální potřebu místa, nižší náklady na montáž a rychlejší instalaci a kratší připojovací vodiče. Tyto vlastnosti mají skupiny produktů DEHNvenCI, DEHNbloc Maxi S, DEHNguard ... CI a V(A) NH.

Direct Current-Disconnection

Při použití svodičů přepětí ve stejnosměrných instalacích je nutné zajistit, aby odpojovací mechanismus spolehlivě odpojil i při chybějícím průchodu nulou. Námi vyvinutá technologie rozpojení DC-Disconnection (DCD) působí podobně jako klín uzavíracího ventilu, aby přerušila stejnosměrný proud. Svodiče skupiny DEHNguard SE DC jsou tak schopny bezpečně přerušit stejnosměrný proud, čímž eliminují riziko vzniku požáru způsobeného stejnosměrným elektrickým obloukem.

Technologie SCI

Patentovaná technologie SCI od firmy DEHN zajišťuje aktivní, rychlé a bezpečné uhašení elektrického oblouku v případě přetížení. Pojistka integrovaná ve zkratovacím impulzu vybaví ihned po přerušení vzniklého oblouku a zajistí bezpečné elektrické odpojení. Díky tomu poskytují všechny vodiče pro fotovoltaiku od firmy DEHN ochranu před účinky přepětí, požárem a zdraví v jednom přístroji.

Technické informace

Jmenovitý impulzní proud (8/20 µs) (In ) 20 kA
Maximální impulzní proud (8/20 µs) (Imax ) 40 kA
Maximální provozní napětí AC (UC ) 440 V

Produkt 952015 byl přidán na seznam.

K seznamu

Produkt 952015 byl přidán do nákupního košíku.

Obj. č. 952016 DG MOD 600

GTIN 4013364109810, Číslo celního sazebníku (EU): 85363030, Váha brutto: 70.60 g, Balící jednotka: 1.00 ks


Vyobrazení

Další informace

Ochranný modul s varistorem DG MOD 600
zásuvný ochranný modul pro DEHNguard S ...
svodič přepětí typ 2 podle ČSN EN 61643-11
řady svodičů Red/Line
technologie vysoce výkonného varistoru
nejvyšší provozní napětí: 600 V ac/600 V dc
jmenovitý impulzní proud: 15 kA
ukazatel poruchy

Výrobek: DEHN
Typ: DG MOD 600
Obj. č.: 952016
nebo rovnocenný.

Certifikáty

 

Integrované předjištění

Předjištění je plně integrováno. To přináší minimální potřebu místa, nižší náklady na montáž a rychlejší instalaci a kratší připojovací vodiče. Tyto vlastnosti mají skupiny produktů DEHNvenCI, DEHNbloc Maxi S, DEHNguard ... CI a V(A) NH.

Direct Current-Disconnection

Při použití svodičů přepětí ve stejnosměrných instalacích je nutné zajistit, aby odpojovací mechanismus spolehlivě odpojil i při chybějícím průchodu nulou. Námi vyvinutá technologie rozpojení DC-Disconnection (DCD) působí podobně jako klín uzavíracího ventilu, aby přerušila stejnosměrný proud. Svodiče skupiny DEHNguard SE DC jsou tak schopny bezpečně přerušit stejnosměrný proud, čímž eliminují riziko vzniku požáru způsobeného stejnosměrným elektrickým obloukem.

Technologie SCI

Patentovaná technologie SCI od firmy DEHN zajišťuje aktivní, rychlé a bezpečné uhašení elektrického oblouku v případě přetížení. Pojistka integrovaná ve zkratovacím impulzu vybaví ihned po přerušení vzniklého oblouku a zajistí bezpečné elektrické odpojení. Díky tomu poskytují všechny vodiče pro fotovoltaiku od firmy DEHN ochranu před účinky přepětí, požárem a zdraví v jednom přístroji.

Technické informace

Jmenovitý impulzní proud (8/20 µs) (In ) 15 kA
Maximální impulzní proud (8/20 µs) (Imax ) 30 kA
Maximální provozní napětí AC (UC ) 600 V

Produkt 952016 byl přidán na seznam.

K seznamu

Produkt 952016 byl přidán do nákupního košíku.


Ochranný modul s varistorem pro DEHNguard M (S) WE

1 Produkt

Obj. č. 952017 DG MOD 750

GTIN 4013364113329, Číslo celního sazebníku (EU): 85363030, Váha brutto: 69.70 g, Balící jednotka: 1.00 ks


Vyobrazení

Další informace

Ochranný modul s varistorem DG MOD 750
zásuvný ochranný modul pro DEHNguard S WE 600 (FM)
a DG M WE 600 (FM)
svodič přepětí typ 2 podle ČSN EN 61643-11
řady svodičů Red/Line
technologie vysoce výkonného varistoru
nejvyšší provozní napětí: 600 V ac/600 V dc
jmenovité napětí varistoru: 750 V ac
jmenovitý impulzní proud: 15 kA
ukazatel poruchy

Výrobek: DEHN
Typ: DG MOD 750
Obj. č.: 952017
nebo rovnocenný.

Certifikáty

 

Integrované předjištění

Předjištění je plně integrováno. To přináší minimální potřebu místa, nižší náklady na montáž a rychlejší instalaci a kratší připojovací vodiče. Tyto vlastnosti mají skupiny produktů DEHNvenCI, DEHNbloc Maxi S, DEHNguard ... CI a V(A) NH.

Direct Current-Disconnection

Při použití svodičů přepětí ve stejnosměrných instalacích je nutné zajistit, aby odpojovací mechanismus spolehlivě odpojil i při chybějícím průchodu nulou. Námi vyvinutá technologie rozpojení DC-Disconnection (DCD) působí podobně jako klín uzavíracího ventilu, aby přerušila stejnosměrný proud. Svodiče skupiny DEHNguard SE DC jsou tak schopny bezpečně přerušit stejnosměrný proud, čímž eliminují riziko vzniku požáru způsobeného stejnosměrným elektrickým obloukem.

Technologie SCI

Patentovaná technologie SCI od firmy DEHN zajišťuje aktivní, rychlé a bezpečné uhašení elektrického oblouku v případě přetížení. Pojistka integrovaná ve zkratovacím impulzu vybaví ihned po přerušení vzniklého oblouku a zajistí bezpečné elektrické odpojení. Díky tomu poskytují všechny vodiče pro fotovoltaiku od firmy DEHN ochranu před účinky přepětí, požárem a zdraví v jednom přístroji.

Technické informace

Jmenovitý impulzní proud (8/20 µs) (In ) 15 kA
Maximální impulzní proud (8/20 µs) (Imax ) 25 kA
Maximální provozní napětí AC (UC ) 600 V
Jmenovité napětí varistoru (Umov ) 750 V

Produkt 952017 byl přidán na seznam.

K seznamu

Produkt 952017 byl přidán do nákupního košíku.


Ochranný modul s jiskřištěm N-PE pro DEHNguard M ACI

Ochranný modul s N-PE jiskřištěm pro dvou- a čtyřpólové DEHNguard DG M TT (2P) ACI ... .

1 Produkt

Obj. č. 952083 DG MOD H A NPE

GTIN 4013364376540, Číslo celního sazebníku (EU): 85363030, Váha brutto: 55.00 g, Balící jednotka: 1.00 ks


Vyobrazení

Další informace

Ochranný modul s N-PE jiskřištěm DG MOD H A NPE
zásuvný ochranný modul s N-PE jiskřištěm
pro DEHNguard DG M TT (2P) ACI ...
pro N-PE svodiče přepětí typ 2
řady svodičů Red/Line podle ČSN EN 61643-11
nejvyšší provozní napětí: 255 V ac
jmenovitý impulzní proud: 80 kA
maximální impulzní proud: 120 kA
ukazatel poruchy

Výrobek: DEHN
Typ: DG MOD H A NPE
Obj. č.: 952083
nebo rovnocenný.

Certifikáty

 

Integrované předjištění

Předjištění je plně integrováno. To přináší minimální potřebu místa, nižší náklady na montáž a rychlejší instalaci a kratší připojovací vodiče. Tyto vlastnosti mají skupiny produktů DEHNvenCI, DEHNbloc Maxi S, DEHNguard ... CI a V(A) NH.

Direct Current-Disconnection

Při použití svodičů přepětí ve stejnosměrných instalacích je nutné zajistit, aby odpojovací mechanismus spolehlivě odpojil i při chybějícím průchodu nulou. Námi vyvinutá technologie rozpojení DC-Disconnection (DCD) působí podobně jako klín uzavíracího ventilu, aby přerušila stejnosměrný proud. Svodiče skupiny DEHNguard SE DC jsou tak schopny bezpečně přerušit stejnosměrný proud, čímž eliminují riziko vzniku požáru způsobeného stejnosměrným elektrickým obloukem.

Technologie SCI

Patentovaná technologie SCI od firmy DEHN zajišťuje aktivní, rychlé a bezpečné uhašení elektrického oblouku v případě přetížení. Pojistka integrovaná ve zkratovacím impulzu vybaví ihned po přerušení vzniklého oblouku a zajistí bezpečné elektrické odpojení. Díky tomu poskytují všechny vodiče pro fotovoltaiku od firmy DEHN ochranu před účinky přepětí, požárem a zdraví v jednom přístroji.

Technické informace

Jmenovitý impulzní proud (8/20 µs) (In ) 80 kA
Maximální impulzní proud (8/20 µs) (Imax ) 120 kA
Maximální provozní napětí AC (UC ) 275 V

Produkt 952083 byl přidán na seznam.

K seznamu

Produkt 952083 byl přidán do nákupního košíku.


Ochranný modul s jiskřištěm N-PE pro DEHNguard M H TT ...

1 Produkt

Obj. č. 952081 DG MOD H NPE

GTIN 4013364318182, Číslo celního sazebníku (EU): 85363030, Váha brutto: 44.50 g, Balící jednotka: 1.00 ks


Vyobrazení

Další informace

Ochranný modul s N-PE jiskřištěm DG MOD H NPE
zásuvný ochranný modul s N-PE jiskřištěm
pro DEHNguard DG M TT ...
pro N-PE svodiče přepětí typ 2
řady svodičů Red/Line podle ČSN EN 61643-11
nejvyšší provozní napětí: 255 V ac
jmenovitý impulzní proud: 80 kA
maximální impulzní proud: 120 kA
ukazatel poruchy

Výrobek: DEHN
Typ: DG MOD H NPE
Obj. č.: 952081
nebo rovnocenný.

Certifikáty

 

Integrované předjištění

Předjištění je plně integrováno. To přináší minimální potřebu místa, nižší náklady na montáž a rychlejší instalaci a kratší připojovací vodiče. Tyto vlastnosti mají skupiny produktů DEHNvenCI, DEHNbloc Maxi S, DEHNguard ... CI a V(A) NH.

Direct Current-Disconnection

Při použití svodičů přepětí ve stejnosměrných instalacích je nutné zajistit, aby odpojovací mechanismus spolehlivě odpojil i při chybějícím průchodu nulou. Námi vyvinutá technologie rozpojení DC-Disconnection (DCD) působí podobně jako klín uzavíracího ventilu, aby přerušila stejnosměrný proud. Svodiče skupiny DEHNguard SE DC jsou tak schopny bezpečně přerušit stejnosměrný proud, čímž eliminují riziko vzniku požáru způsobeného stejnosměrným elektrickým obloukem.

Technologie SCI

Patentovaná technologie SCI od firmy DEHN zajišťuje aktivní, rychlé a bezpečné uhašení elektrického oblouku v případě přetížení. Pojistka integrovaná ve zkratovacím impulzu vybaví ihned po přerušení vzniklého oblouku a zajistí bezpečné elektrické odpojení. Díky tomu poskytují všechny vodiče pro fotovoltaiku od firmy DEHN ochranu před účinky přepětí, požárem a zdraví v jednom přístroji.

Technické informace

Jmenovitý impulzní proud (8/20 µs) (In ) 80 kA
Maximální impulzní proud (8/20 µs) (Imax ) 120 kA
Maximální provozní napětí AC (UC ) 255 V

Produkt 952081 byl přidán na seznam.

K seznamu

Produkt 952081 byl přidán do nákupního košíku.


Ochranný modul s jiskřištěm N-PE pro DEHNguard M TT ...

1 Produkt

Obj. č. 952050 DG MOD NPE

GTIN 4013364108370, Číslo celního sazebníku (EU): 85363030, Váha brutto: 44.50 g, Balící jednotka: 1.00 ks


Vyobrazení

Další informace

Ochranný modul s N-PE jiskřištěm DG MOD NPE
zásuvný ochranný modul s N-PE jiskřištěm
pro DEHNguard DG M TT ...
N-PE svodič přepětí typ 2 podle ČSN EN 61643-11
řady svodičů Red/Line
nejvyšší provozní napětí:: 255 V ac
jmenovitý impulzní proud: 40 kA
ukazatel poruchy

Výrobek: DEHN
Typ: DG MOD NPE
Obj. č.: 952050
nebo rovnocenný.

Certifikáty

 

Integrované předjištění

Předjištění je plně integrováno. To přináší minimální potřebu místa, nižší náklady na montáž a rychlejší instalaci a kratší připojovací vodiče. Tyto vlastnosti mají skupiny produktů DEHNvenCI, DEHNbloc Maxi S, DEHNguard ... CI a V(A) NH.

Direct Current-Disconnection

Při použití svodičů přepětí ve stejnosměrných instalacích je nutné zajistit, aby odpojovací mechanismus spolehlivě odpojil i při chybějícím průchodu nulou. Námi vyvinutá technologie rozpojení DC-Disconnection (DCD) působí podobně jako klín uzavíracího ventilu, aby přerušila stejnosměrný proud. Svodiče skupiny DEHNguard SE DC jsou tak schopny bezpečně přerušit stejnosměrný proud, čímž eliminují riziko vzniku požáru způsobeného stejnosměrným elektrickým obloukem.

Technologie SCI

Patentovaná technologie SCI od firmy DEHN zajišťuje aktivní, rychlé a bezpečné uhašení elektrického oblouku v případě přetížení. Pojistka integrovaná ve zkratovacím impulzu vybaví ihned po přerušení vzniklého oblouku a zajistí bezpečné elektrické odpojení. Díky tomu poskytují všechny vodiče pro fotovoltaiku od firmy DEHN ochranu před účinky přepětí, požárem a zdraví v jednom přístroji.

Technické informace

Jmenovitý impulzní proud (8/20 µs) (In ) 20 kA
Maximální impulzní proud (8/20 µs) (Imax ) 40 kA
Maximální provozní napětí AC (UC ) 255 V

Produkt 952050 byl přidán na seznam.

K seznamu

Produkt 952050 byl přidán do nákupního košíku.


Ochranný modul s jiskřištěm N-PE pro DEHNgap C S

1 Produkt

Obj. č. 952060 DGP C MOD

GTIN 4013364108387, Číslo celního sazebníku (EU): 85363030, Váha brutto: 44.00 g, Balící jednotka: 1.00 ks


Vyobrazení

Další informace

Ochranný modul s N-PE jiskřištěm DGP C MOD
zásuvný ochranný modul s N-PE jiskřištěm
pro jednopólové N-PE svodiče přepětí DEHNgap C S ...
pro N-PE svodič přepětí typ 2 podle ČSN EN 61643-11
řady svodičů Red/Line
nejvyšší provozní napětí:: 255 V ac
jmenovitý impulzní proud: 40 kA
ukazatel poruchy

Výrobek: DEHN
Typ: DGP C MOD
Obj. č.: 952060
nebo rovnocenný.

Certifikáty

 

Integrované předjištění

Předjištění je plně integrováno. To přináší minimální potřebu místa, nižší náklady na montáž a rychlejší instalaci a kratší připojovací vodiče. Tyto vlastnosti mají skupiny produktů DEHNvenCI, DEHNbloc Maxi S, DEHNguard ... CI a V(A) NH.

Direct Current-Disconnection

Při použití svodičů přepětí ve stejnosměrných instalacích je nutné zajistit, aby odpojovací mechanismus spolehlivě odpojil i při chybějícím průchodu nulou. Námi vyvinutá technologie rozpojení DC-Disconnection (DCD) působí podobně jako klín uzavíracího ventilu, aby přerušila stejnosměrný proud. Svodiče skupiny DEHNguard SE DC jsou tak schopny bezpečně přerušit stejnosměrný proud, čímž eliminují riziko vzniku požáru způsobeného stejnosměrným elektrickým obloukem.

Technologie SCI

Patentovaná technologie SCI od firmy DEHN zajišťuje aktivní, rychlé a bezpečné uhašení elektrického oblouku v případě přetížení. Pojistka integrovaná ve zkratovacím impulzu vybaví ihned po přerušení vzniklého oblouku a zajistí bezpečné elektrické odpojení. Díky tomu poskytují všechny vodiče pro fotovoltaiku od firmy DEHN ochranu před účinky přepětí, požárem a zdraví v jednom přístroji.

Technické informace

Jmenovitý impulzní proud (8/20 µs) (In ) 20 kA
Maximální impulzní proud (8/20 µs) (Imax ) 40 kA
Maximální provozní napětí AC (UC ) 255 V

Produkt 952060 byl přidán na seznam.

K seznamu

Produkt 952060 byl přidán do nákupního košíku.


Ochranný modul se sériovým zapojením varistor - jiskřiště pro DEHNguard S ... VA

3 Produkty

Obj. č. 952025 DG MOD 75 VA

GTIN 4013364127357, Číslo celního sazebníku (EU): 85363030, Váha brutto: 41.00 g, Balící jednotka: 1.00 ks


Vyobrazení

Další informace

Ochranný modul s varistorem DG MOD 75 VA
zásuvný ochranný modul pro DEHNguard S ... VA
svodič přepětí typ 2 podle ČSN EN 61643-11
řady svodičů Red/Line
nejvyšší provozní napětí: 75 V ac/100 V dc
jmenovitý impulzní proud: 10 kA
ukazatel poruchy

Výrobek: DEHN
Typ: DG MOD 75 VA
Obj. č.: 952025
nebo rovnocenný.

Certifikáty

 

Integrované předjištění

Předjištění je plně integrováno. To přináší minimální potřebu místa, nižší náklady na montáž a rychlejší instalaci a kratší připojovací vodiče. Tyto vlastnosti mají skupiny produktů DEHNvenCI, DEHNbloc Maxi S, DEHNguard ... CI a V(A) NH.

Direct Current-Disconnection

Při použití svodičů přepětí ve stejnosměrných instalacích je nutné zajistit, aby odpojovací mechanismus spolehlivě odpojil i při chybějícím průchodu nulou. Námi vyvinutá technologie rozpojení DC-Disconnection (DCD) působí podobně jako klín uzavíracího ventilu, aby přerušila stejnosměrný proud. Svodiče skupiny DEHNguard SE DC jsou tak schopny bezpečně přerušit stejnosměrný proud, čímž eliminují riziko vzniku požáru způsobeného stejnosměrným elektrickým obloukem.

Technologie SCI

Patentovaná technologie SCI od firmy DEHN zajišťuje aktivní, rychlé a bezpečné uhašení elektrického oblouku v případě přetížení. Pojistka integrovaná ve zkratovacím impulzu vybaví ihned po přerušení vzniklého oblouku a zajistí bezpečné elektrické odpojení. Díky tomu poskytují všechny vodiče pro fotovoltaiku od firmy DEHN ochranu před účinky přepětí, požárem a zdraví v jednom přístroji.

Technické informace

Jmenovitý impulzní proud (8/20 µs) (In ) 10 kA
Maximální impulzní proud (8/20 µs) (Imax ) 20 kA
Maximální provozní napětí AC (UC ) 75 V
Maximální provozní napětí DC (UC ) 100 V

Produkt 952025 byl přidán na seznam.

K seznamu

Produkt 952025 byl přidán do nákupního košíku.

Obj. č. 952027 DG MOD 275 VA

GTIN 4013364127364, Číslo celního sazebníku (EU): 85363030, Váha brutto: 47.00 g, Balící jednotka: 1.00 ks


Vyobrazení

Další informace

Ochranný modul s varistorem DG MOD 75 VA
zásuvný ochranný modul pro DEHNguard S ... VA
svodič přepětí typ 2 podle ČSN EN 61643-11
řady svodičů Red/Line
nejvyšší provozní napětí: 275 V ac/350 V dc
jmenovitý impulzní proud: 10 kA
ukazatel poruchy

Výrobek: DEHN
Typ: DG MOD 275 VA
Obj. č.: 952027
nebo rovnocenný.

Certifikáty

 

Integrované předjištění

Předjištění je plně integrováno. To přináší minimální potřebu místa, nižší náklady na montáž a rychlejší instalaci a kratší připojovací vodiče. Tyto vlastnosti mají skupiny produktů DEHNvenCI, DEHNbloc Maxi S, DEHNguard ... CI a V(A) NH.

Direct Current-Disconnection

Při použití svodičů přepětí ve stejnosměrných instalacích je nutné zajistit, aby odpojovací mechanismus spolehlivě odpojil i při chybějícím průchodu nulou. Námi vyvinutá technologie rozpojení DC-Disconnection (DCD) působí podobně jako klín uzavíracího ventilu, aby přerušila stejnosměrný proud. Svodiče skupiny DEHNguard SE DC jsou tak schopny bezpečně přerušit stejnosměrný proud, čímž eliminují riziko vzniku požáru způsobeného stejnosměrným elektrickým obloukem.

Technologie SCI

Patentovaná technologie SCI od firmy DEHN zajišťuje aktivní, rychlé a bezpečné uhašení elektrického oblouku v případě přetížení. Pojistka integrovaná ve zkratovacím impulzu vybaví ihned po přerušení vzniklého oblouku a zajistí bezpečné elektrické odpojení. Díky tomu poskytují všechny vodiče pro fotovoltaiku od firmy DEHN ochranu před účinky přepětí, požárem a zdraví v jednom přístroji.

Technické informace

Jmenovitý impulzní proud (8/20 µs) (In ) 10 kA
Maximální impulzní proud (8/20 µs) (Imax ) 20 kA
Maximální provozní napětí AC (UC ) 275 V
Maximální provozní napětí DC (UC ) 350 V

Produkt 952027 byl přidán na seznam.

K seznamu

Produkt 952027 byl přidán do nákupního košíku.

Obj. č. 952029 DG MOD 385 VA

GTIN 4013364127371, Číslo celního sazebníku (EU): 85363030, Váha brutto: 51.00 g, Balící jednotka: 1.00 ks


Vyobrazení

Další informace

Ochranný modul s varistorem DG MOD 385 VA
zásuvný ochranný modul pro DEHNguard S ... VA
svodič přepětí typ 2 podle ČSN EN 61643-11
řady svodičů Red/Line
nejvyšší provozní napětí: 385 V ac/500 V dc
jmenovitý impulzní proud: 10 kA
ukazatel poruchy

Výrobek: DEHN
Typ: DG MOD 385 VA
Obj. č.: 952029
nebo rovnocenný.

Certifikáty

 

Integrované předjištění

Předjištění je plně integrováno. To přináší minimální potřebu místa, nižší náklady na montáž a rychlejší instalaci a kratší připojovací vodiče. Tyto vlastnosti mají skupiny produktů DEHNvenCI, DEHNbloc Maxi S, DEHNguard ... CI a V(A) NH.

Direct Current-Disconnection

Při použití svodičů přepětí ve stejnosměrných instalacích je nutné zajistit, aby odpojovací mechanismus spolehlivě odpojil i při chybějícím průchodu nulou. Námi vyvinutá technologie rozpojení DC-Disconnection (DCD) působí podobně jako klín uzavíracího ventilu, aby přerušila stejnosměrný proud. Svodiče skupiny DEHNguard SE DC jsou tak schopny bezpečně přerušit stejnosměrný proud, čímž eliminují riziko vzniku požáru způsobeného stejnosměrným elektrickým obloukem.

Technologie SCI

Patentovaná technologie SCI od firmy DEHN zajišťuje aktivní, rychlé a bezpečné uhašení elektrického oblouku v případě přetížení. Pojistka integrovaná ve zkratovacím impulzu vybaví ihned po přerušení vzniklého oblouku a zajistí bezpečné elektrické odpojení. Díky tomu poskytují všechny vodiče pro fotovoltaiku od firmy DEHN ochranu před účinky přepětí, požárem a zdraví v jednom přístroji.

Technické informace

Jmenovitý impulzní proud (8/20 µs) (In ) 10 kA
Maximální impulzní proud (8/20 µs) (Imax ) 20 kA
Maximální provozní napětí AC (UC ) 385 V
Maximální provozní napětí DC (UC ) 500 V

Produkt 952029 byl přidán na seznam.

K seznamu

Produkt 952029 byl přidán do nákupního košíku.


Ochranný modul s varistorem pro DEHNguard M YPV

2 Produkty

Obj. č. 952048 DG MOD H PV 600

GTIN 4013364327733, Číslo celního sazebníku (EU): 85363030, Váha brutto: 61.20 g, Balící jednotka: 1.00 ks


Vyobrazení

Další informace

Ochranný modul s varistorem DG MOD H PV 600
zásuvný ochranný modul pro DEHNguard M YPV
svodič přepětí typ 2 podle ČSN EN 61643-31
řady svodičů Red/Line
technologie vysoce výkonného varistoru
nejvyšší provozní napětí: 585 V dc
jmenovitý impulzní proud: 20 kA
ukazatel poruchy

Výrobek: DEHN
Typ: DG MOD H PV 600
Obj. č.: 952048
nebo rovnocenný.

Certifikáty

 

Integrované předjištění

Předjištění je plně integrováno. To přináší minimální potřebu místa, nižší náklady na montáž a rychlejší instalaci a kratší připojovací vodiče. Tyto vlastnosti mají skupiny produktů DEHNvenCI, DEHNbloc Maxi S, DEHNguard ... CI a V(A) NH.

Direct Current-Disconnection

Při použití svodičů přepětí ve stejnosměrných instalacích je nutné zajistit, aby odpojovací mechanismus spolehlivě odpojil i při chybějícím průchodu nulou. Námi vyvinutá technologie rozpojení DC-Disconnection (DCD) působí podobně jako klín uzavíracího ventilu, aby přerušila stejnosměrný proud. Svodiče skupiny DEHNguard SE DC jsou tak schopny bezpečně přerušit stejnosměrný proud, čímž eliminují riziko vzniku požáru způsobeného stejnosměrným elektrickým obloukem.

Technologie SCI

Patentovaná technologie SCI od firmy DEHN zajišťuje aktivní, rychlé a bezpečné uhašení elektrického oblouku v případě přetížení. Pojistka integrovaná ve zkratovacím impulzu vybaví ihned po přerušení vzniklého oblouku a zajistí bezpečné elektrické odpojení. Díky tomu poskytují všechny vodiče pro fotovoltaiku od firmy DEHN ochranu před účinky přepětí, požárem a zdraví v jednom přístroji.

Technické informace

Jmenovitý impulzní proud (8/20 µs) (In ) 20 kA
Maximální impulzní proud (8/20 µs) (Imax ) 40 kA
Maximální provozní napětí DC (UC ) 600 V

Produkt 952048 byl přidán na seznam.

K seznamu

Produkt 952048 byl přidán do nákupního košíku.

Obj. č. 952049 DG MOD H PV 750

GTIN 4013364327740, Číslo celního sazebníku (EU): 85363030, Váha brutto: 70.60 g, Balící jednotka: 1.00 ks


Vyobrazení

Další informace

Ochranný modul s varistorem DG MOD H PV 750
zásuvný ochranný modul pro DEHNguard M YPV
svodič přepětí typ 2 podle ČSN EN 61643-31
řady svodičů Red/Line
technologie vysoce výkonného varistoru
nejvyšší provozní napětí: 750 V dc
jmenovitý impulzní proud: 15 kA
ukazatel poruchy

Výrobek: DEHN
Typ: DG MOD H PV 750
Obj. č.: 952049
nebo rovnocenný.

Certifikáty

 

Integrované předjištění

Předjištění je plně integrováno. To přináší minimální potřebu místa, nižší náklady na montáž a rychlejší instalaci a kratší připojovací vodiče. Tyto vlastnosti mají skupiny produktů DEHNvenCI, DEHNbloc Maxi S, DEHNguard ... CI a V(A) NH.

Direct Current-Disconnection

Při použití svodičů přepětí ve stejnosměrných instalacích je nutné zajistit, aby odpojovací mechanismus spolehlivě odpojil i při chybějícím průchodu nulou. Námi vyvinutá technologie rozpojení DC-Disconnection (DCD) působí podobně jako klín uzavíracího ventilu, aby přerušila stejnosměrný proud. Svodiče skupiny DEHNguard SE DC jsou tak schopny bezpečně přerušit stejnosměrný proud, čímž eliminují riziko vzniku požáru způsobeného stejnosměrným elektrickým obloukem.

Technologie SCI

Patentovaná technologie SCI od firmy DEHN zajišťuje aktivní, rychlé a bezpečné uhašení elektrického oblouku v případě přetížení. Pojistka integrovaná ve zkratovacím impulzu vybaví ihned po přerušení vzniklého oblouku a zajistí bezpečné elektrické odpojení. Díky tomu poskytují všechny vodiče pro fotovoltaiku od firmy DEHN ochranu před účinky přepětí, požárem a zdraví v jednom přístroji.

Technické informace

Jmenovitý impulzní proud (8/20 µs) (In ) 15 kA
Maximální impulzní proud (8/20 µs) (Imax ) 40 kA
Maximální provozní napětí DC (UC ) 750 V

Produkt 952049 byl přidán na seznam.

K seznamu

Produkt 952049 byl přidán do nákupního košíku.


Ochranný modul s varistorem pro DEHNguard M YPV SCI a DEHNguard S PV SCI

3 Produkty

Obj. č. 952055 DG MOD PV SCI 75

GTIN 4013364136700, Číslo celního sazebníku (EU): 85363030, Váha brutto: 43.40 g, Balící jednotka: 1.00 ks


Vyobrazení

Další informace

Ochranný modul s varistorem DG MOD PV SCI 75
zásuvný ochranný modul pro DEHNguard M (Y)PV SCI
svodič přepětí typ 2 podle ČSN EN 50539-11
řady svodičů Red/Line
technologie vysoce výkonného varistoru
kombinované odpojovací a zkratovací zařízení
nejvyšší provozní napětí: 75 V dc
pro FV systémy až Ucpv <= 150 V
celkový impulzní proud: 40 kA
ukazatel poruchy

Výrobek: DEHN
Typ: DG MOD PV SCI 75
Obj. č.: 952055
nebo rovnocenný.

Certifikáty

 

Integrované předjištění

Předjištění je plně integrováno. To přináší minimální potřebu místa, nižší náklady na montáž a rychlejší instalaci a kratší připojovací vodiče. Tyto vlastnosti mají skupiny produktů DEHNvenCI, DEHNbloc Maxi S, DEHNguard ... CI a V(A) NH.

Direct Current-Disconnection

Při použití svodičů přepětí ve stejnosměrných instalacích je nutné zajistit, aby odpojovací mechanismus spolehlivě odpojil i při chybějícím průchodu nulou. Námi vyvinutá technologie rozpojení DC-Disconnection (DCD) působí podobně jako klín uzavíracího ventilu, aby přerušila stejnosměrný proud. Svodiče skupiny DEHNguard SE DC jsou tak schopny bezpečně přerušit stejnosměrný proud, čímž eliminují riziko vzniku požáru způsobeného stejnosměrným elektrickým obloukem.

Technologie SCI

Patentovaná technologie SCI od firmy DEHN zajišťuje aktivní, rychlé a bezpečné uhašení elektrického oblouku v případě přetížení. Pojistka integrovaná ve zkratovacím impulzu vybaví ihned po přerušení vzniklého oblouku a zajistí bezpečné elektrické odpojení. Díky tomu poskytují všechny vodiče pro fotovoltaiku od firmy DEHN ochranu před účinky přepětí, požárem a zdraví v jednom přístroji.

Technické informace

Jmenovitý impulzní proud (8/20 µs) (In ) 10 kA
Maximální impulzní proud (8/20 µs) (Imax ) 20 kA
Maximální provozní napětí DC (UC ) 75 V

Produkt 952055 byl přidán na seznam.

K seznamu

Produkt 952055 byl přidán do nákupního košíku.

Obj. č. 952051 DG MOD PV SCI 500

GTIN 4013364126442, Číslo celního sazebníku (EU): 85363030, Váha brutto: 56.15 g, Balící jednotka: 1.00 ks


Vyobrazení

Další informace

Ochranný modul s varistorem DG MOD PV SCI 500
zásuvný ochranný modul pro DEHNguard M (Y)PV SCI
svodič přepětí typ 2 podle ČSN EN 61643-31
řady svodičů Red/Line
technologie vysoce výkonného varistoru
kombinované odpojovací a zkratovací zařízení
nejvyšší provozní napětí: 500 V dc
pro FV systémy až Ucpv <= 1000 V
celkový impulzní proud: 40 kA
ukazatel poruchy

Výrobek: DEHN
Typ: DG MOD PV SCI 500
Obj. č.: 952051
nebo rovnocenný.

Certifikáty

 

Integrované předjištění

Předjištění je plně integrováno. To přináší minimální potřebu místa, nižší náklady na montáž a rychlejší instalaci a kratší připojovací vodiče. Tyto vlastnosti mají skupiny produktů DEHNvenCI, DEHNbloc Maxi S, DEHNguard ... CI a V(A) NH.

Direct Current-Disconnection

Při použití svodičů přepětí ve stejnosměrných instalacích je nutné zajistit, aby odpojovací mechanismus spolehlivě odpojil i při chybějícím průchodu nulou. Námi vyvinutá technologie rozpojení DC-Disconnection (DCD) působí podobně jako klín uzavíracího ventilu, aby přerušila stejnosměrný proud. Svodiče skupiny DEHNguard SE DC jsou tak schopny bezpečně přerušit stejnosměrný proud, čímž eliminují riziko vzniku požáru způsobeného stejnosměrným elektrickým obloukem.

Technologie SCI

Patentovaná technologie SCI od firmy DEHN zajišťuje aktivní, rychlé a bezpečné uhašení elektrického oblouku v případě přetížení. Pojistka integrovaná ve zkratovacím impulzu vybaví ihned po přerušení vzniklého oblouku a zajistí bezpečné elektrické odpojení. Díky tomu poskytují všechny vodiče pro fotovoltaiku od firmy DEHN ochranu před účinky přepětí, požárem a zdraví v jednom přístroji.

Technické informace

Jmenovitý impulzní proud (8/20 µs) (In ) 12,5 kA
Maximální impulzní proud (8/20 µs) (Imax ) 25 kA
Maximální provozní napětí DC (UC ) 500 V

Produkt 952051 byl přidán na seznam.

K seznamu

Produkt 952051 byl přidán do nákupního košíku.

Obj. č. 952054 DG MOD PV SCI 600

GTIN 4013364127975, Číslo celního sazebníku (EU): 85363030, Váha brutto: 58.80 g, Balící jednotka: 1.00 ks


Vyobrazení

Další informace

Ochranný modul s varistorem DG MOD PV SCI 600
zásuvný ochranný modul pro DEHNguard M (Y)PV SCI
svodič přepětí typ 2 podle ČSN EN 61643-31.
řady svodičů Red/Line
technologie vysoce výkonného varistoru
kombinované odpojovací a zkratovací zařízení
nejvyšší provozní napětí: 600 V dc
pro FV systémy až Ucpv <= 1200 V
celkový impulzní proud: 30 kA
ukazatel poruchy

Výrobek: DEHN
Typ: DG MOD PV SCI 600
Obj. č.: 952054
nebo rovnocenný.

Certifikáty

 

Integrované předjištění

Předjištění je plně integrováno. To přináší minimální potřebu místa, nižší náklady na montáž a rychlejší instalaci a kratší připojovací vodiče. Tyto vlastnosti mají skupiny produktů DEHNvenCI, DEHNbloc Maxi S, DEHNguard ... CI a V(A) NH.

Direct Current-Disconnection

Při použití svodičů přepětí ve stejnosměrných instalacích je nutné zajistit, aby odpojovací mechanismus spolehlivě odpojil i při chybějícím průchodu nulou. Námi vyvinutá technologie rozpojení DC-Disconnection (DCD) působí podobně jako klín uzavíracího ventilu, aby přerušila stejnosměrný proud. Svodiče skupiny DEHNguard SE DC jsou tak schopny bezpečně přerušit stejnosměrný proud, čímž eliminují riziko vzniku požáru způsobeného stejnosměrným elektrickým obloukem.

Technologie SCI

Patentovaná technologie SCI od firmy DEHN zajišťuje aktivní, rychlé a bezpečné uhašení elektrického oblouku v případě přetížení. Pojistka integrovaná ve zkratovacím impulzu vybaví ihned po přerušení vzniklého oblouku a zajistí bezpečné elektrické odpojení. Díky tomu poskytují všechny vodiče pro fotovoltaiku od firmy DEHN ochranu před účinky přepětí, požárem a zdraví v jednom přístroji.

Technické informace

Jmenovitý impulzní proud (8/20 µs) (In ) 12,5 kA
Maximální impulzní proud (8/20 µs) (Imax ) 25 kA
Maximální provozní napětí DC (UC ) 600 V

Produkt 952054 byl přidán na seznam.

K seznamu

Produkt 952054 byl přidán do nákupního košíku.


Ochranný modul s varistorem pro DEHNguard M YPV a DEHNguard S PV

3 Produkty

Obj. č. 952045 DG MOD PV 75

GTIN 4013364141827, Číslo celního sazebníku (EU): 85363030, Váha brutto: 40.20 g, Balící jednotka: 1.00 ks


Vyobrazení

Další informace

Ochranný modul s varistorem DG MOD PV 75
zásuvný ochranný modul pro DEHNguard
M YPV SCI a S PV SCI
svodič přepětí typ 2 podle ČSN EN 50539-11
řady svodičů Red/Line
technologie vysoce výkonného varistoru
nejvyšší provozní napětí: 75 V dc
jmenovitý impulzní proud: 10 kA
ukazatel poruchy

Výrobek: DEHN
Typ: DG MOD PV 75
Obj. č.: 952045
nebo rovnocenný.

Certifikáty

 

Integrované předjištění

Předjištění je plně integrováno. To přináší minimální potřebu místa, nižší náklady na montáž a rychlejší instalaci a kratší připojovací vodiče. Tyto vlastnosti mají skupiny produktů DEHNvenCI, DEHNbloc Maxi S, DEHNguard ... CI a V(A) NH.

Direct Current-Disconnection

Při použití svodičů přepětí ve stejnosměrných instalacích je nutné zajistit, aby odpojovací mechanismus spolehlivě odpojil i při chybějícím průchodu nulou. Námi vyvinutá technologie rozpojení DC-Disconnection (DCD) působí podobně jako klín uzavíracího ventilu, aby přerušila stejnosměrný proud. Svodiče skupiny DEHNguard SE DC jsou tak schopny bezpečně přerušit stejnosměrný proud, čímž eliminují riziko vzniku požáru způsobeného stejnosměrným elektrickým obloukem.

Technologie SCI

Patentovaná technologie SCI od firmy DEHN zajišťuje aktivní, rychlé a bezpečné uhašení elektrického oblouku v případě přetížení. Pojistka integrovaná ve zkratovacím impulzu vybaví ihned po přerušení vzniklého oblouku a zajistí bezpečné elektrické odpojení. Díky tomu poskytují všechny vodiče pro fotovoltaiku od firmy DEHN ochranu před účinky přepětí, požárem a zdraví v jednom přístroji.

Technické informace

Jmenovitý impulzní proud (8/20 µs) (In ) 10 kA
Maximální impulzní proud (8/20 µs) (Imax ) 40 kA
Maximální provozní napětí DC (UC ) 75 V

Produkt 952045 byl přidán na seznam.

K seznamu

Produkt 952045 byl přidán do nákupního košíku.

Obj. č. 952041 DG MOD PV 500

GTIN 4013364141841, Číslo celního sazebníku (EU): 85363030, Váha brutto: 60.19 g, Balící jednotka: 1.00 ks


Vyobrazení

Další informace

Ochranný modul s varistorem DG MOD PV 500
zásuvný ochranný modul pro DEHNguard
M YPV SCI a S PV SCI
svodič přepětí typ 2 podle ČSN EN 61643-31
řady svodičů Red/Line
technologie vysoce výkonného varistoru
nejvyšší provozní napětí: 500 V dc
jmenovitý impulzní proud: 20 kA
ukazatel poruchy

Výrobek: DEHN
Typ: DG MOD PV 500
Obj. č.: 952041
nebo rovnocenný.

Certifikáty

 

Integrované předjištění

Předjištění je plně integrováno. To přináší minimální potřebu místa, nižší náklady na montáž a rychlejší instalaci a kratší připojovací vodiče. Tyto vlastnosti mají skupiny produktů DEHNvenCI, DEHNbloc Maxi S, DEHNguard ... CI a V(A) NH.

Direct Current-Disconnection

Při použití svodičů přepětí ve stejnosměrných instalacích je nutné zajistit, aby odpojovací mechanismus spolehlivě odpojil i při chybějícím průchodu nulou. Námi vyvinutá technologie rozpojení DC-Disconnection (DCD) působí podobně jako klín uzavíracího ventilu, aby přerušila stejnosměrný proud. Svodiče skupiny DEHNguard SE DC jsou tak schopny bezpečně přerušit stejnosměrný proud, čímž eliminují riziko vzniku požáru způsobeného stejnosměrným elektrickým obloukem.

Technologie SCI

Patentovaná technologie SCI od firmy DEHN zajišťuje aktivní, rychlé a bezpečné uhašení elektrického oblouku v případě přetížení. Pojistka integrovaná ve zkratovacím impulzu vybaví ihned po přerušení vzniklého oblouku a zajistí bezpečné elektrické odpojení. Díky tomu poskytují všechny vodiče pro fotovoltaiku od firmy DEHN ochranu před účinky přepětí, požárem a zdraví v jednom přístroji.

Technické informace

Jmenovitý impulzní proud (8/20 µs) (In ) 20 kA
Maximální impulzní proud (8/20 µs) (Imax ) 40 kA
Maximální provozní napětí DC (UC ) 500 V

Produkt 952041 byl přidán na seznam.

K seznamu

Produkt 952041 byl přidán do nákupního košíku.

Obj. č. 952044 DG MOD PV 600

GTIN 4013364141858, Číslo celního sazebníku (EU): 85363030, Váha brutto: 69.49 g, Balící jednotka: 1.00 ks


Vyobrazení

Další informace

Ochranný modul s varistorem DG MOD PV 600
zásuvný ochranný modul pro DEHNguard
M YPV SCI a S PV SCI
svodič přepětí typ 2 podle ČSN EN 61643-31
řady svodičů Red/Line
technologie vysoce výkonného varistoru
nejvyšší provozní napětí: 600 V dc
jmenovitý impulzní proud: 15 kA
ukazatel poruchy

Výrobek: DEHN
Typ: DG MOD PV 600
Obj. č.: 952044
nebo rovnocenný.

Certifikáty

 

Integrované předjištění

Předjištění je plně integrováno. To přináší minimální potřebu místa, nižší náklady na montáž a rychlejší instalaci a kratší připojovací vodiče. Tyto vlastnosti mají skupiny produktů DEHNvenCI, DEHNbloc Maxi S, DEHNguard ... CI a V(A) NH.

Direct Current-Disconnection

Při použití svodičů přepětí ve stejnosměrných instalacích je nutné zajistit, aby odpojovací mechanismus spolehlivě odpojil i při chybějícím průchodu nulou. Námi vyvinutá technologie rozpojení DC-Disconnection (DCD) působí podobně jako klín uzavíracího ventilu, aby přerušila stejnosměrný proud. Svodiče skupiny DEHNguard SE DC jsou tak schopny bezpečně přerušit stejnosměrný proud, čímž eliminují riziko vzniku požáru způsobeného stejnosměrným elektrickým obloukem.

Technologie SCI

Patentovaná technologie SCI od firmy DEHN zajišťuje aktivní, rychlé a bezpečné uhašení elektrického oblouku v případě přetížení. Pojistka integrovaná ve zkratovacím impulzu vybaví ihned po přerušení vzniklého oblouku a zajistí bezpečné elektrické odpojení. Díky tomu poskytují všechny vodiče pro fotovoltaiku od firmy DEHN ochranu před účinky přepětí, požárem a zdraví v jednom přístroji.

Technické informace

Jmenovitý impulzní proud (8/20 µs) (In ) 15 kA
Maximální impulzní proud (8/20 µs) (Imax ) 30 kA
Maximální provozní napětí DC (UC ) 600 V

Produkt 952044 byl přidán na seznam.

K seznamu

Produkt 952044 byl přidán do nákupního košíku.


Ochranný modul s varistorem pro DEHNguard ME YPV SCI a DEHNguard SE PV SCI

1 Produkt

Obj. č. 952056 DG MOD E PV SCI 750

GTIN 4013364149106, Číslo celního sazebníku (EU): 85363030, Váha brutto: 82.70 g, Balící jednotka: 1.00 ks


Vyobrazení

Další informace

Ochranný modul s varistorem DG MOD E PV SCI 750
zásuvný ochranný modul pro DEHNguard
ME YPV SCI a SE PV SCI
svodič přepětí typ 2 podle ČSN EN 50539-11
řady svodičů Red/Line
technologie vysoce výkonného varistoru
nejvyšší provozní napětí: 750 V dc
celkový impulzní proud: 12,5 kA
ukazatel poruchy

Výrobek: DEHN
Typ: DG MOD E PV SCI 750
Obj. č.: 952056
nebo rovnocenný.

Certifikáty

 

Integrované předjištění

Předjištění je plně integrováno. To přináší minimální potřebu místa, nižší náklady na montáž a rychlejší instalaci a kratší připojovací vodiče. Tyto vlastnosti mají skupiny produktů DEHNvenCI, DEHNbloc Maxi S, DEHNguard ... CI a V(A) NH.

Direct Current-Disconnection

Při použití svodičů přepětí ve stejnosměrných instalacích je nutné zajistit, aby odpojovací mechanismus spolehlivě odpojil i při chybějícím průchodu nulou. Námi vyvinutá technologie rozpojení DC-Disconnection (DCD) působí podobně jako klín uzavíracího ventilu, aby přerušila stejnosměrný proud. Svodiče skupiny DEHNguard SE DC jsou tak schopny bezpečně přerušit stejnosměrný proud, čímž eliminují riziko vzniku požáru způsobeného stejnosměrným elektrickým obloukem.

Technologie SCI

Patentovaná technologie SCI od firmy DEHN zajišťuje aktivní, rychlé a bezpečné uhašení elektrického oblouku v případě přetížení. Pojistka integrovaná ve zkratovacím impulzu vybaví ihned po přerušení vzniklého oblouku a zajistí bezpečné elektrické odpojení. Díky tomu poskytují všechny vodiče pro fotovoltaiku od firmy DEHN ochranu před účinky přepětí, požárem a zdraví v jednom přístroji.

Technické informace

Jmenovitý impulzní proud (8/20 µs) (In ) 12,5 kA
Maximální impulzní proud (8/20 µs) (Imax ) 25 kA
Maximální provozní napětí DC (UC ) 750 V

Produkt 952056 byl přidán na seznam.

K seznamu

Produkt 952056 byl přidán do nákupního košíku.


Ochranný modul s varistorem pro DEHNguard SE H ...

4 Produkty

Obj. č. 952900 DG MOD E H LI 275

GTIN 4013364158801, Číslo celního sazebníku (EU): 85363030, Váha brutto: 90.00 g, Balící jednotka: 1.00 ks


Vyobrazení

Další informace

Ochranný modul s varistorem DG MOD E H LI 275
zásuvný ochranný modul pro DEHNguard
SE H LI 275 FM
s třístupňovým systémem včasné výstrahy
svodič přepětí typ 2 podle ČSN EN 61643-11
technologie vysoce výkonného varistoru
nejvyšší provozní napětí: 275 V dc
celkový impulzní proud: 30 kA
ukazatel životnosti

Výrobek: DEHN
Typ: DG MOD E H LI 275
Obj. č.: 952900
nebo rovnocenný.

 

Integrované předjištění

Předjištění je plně integrováno. To přináší minimální potřebu místa, nižší náklady na montáž a rychlejší instalaci a kratší připojovací vodiče. Tyto vlastnosti mají skupiny produktů DEHNvenCI, DEHNbloc Maxi S, DEHNguard ... CI a V(A) NH.

Direct Current-Disconnection

Při použití svodičů přepětí ve stejnosměrných instalacích je nutné zajistit, aby odpojovací mechanismus spolehlivě odpojil i při chybějícím průchodu nulou. Námi vyvinutá technologie rozpojení DC-Disconnection (DCD) působí podobně jako klín uzavíracího ventilu, aby přerušila stejnosměrný proud. Svodiče skupiny DEHNguard SE DC jsou tak schopny bezpečně přerušit stejnosměrný proud, čímž eliminují riziko vzniku požáru způsobeného stejnosměrným elektrickým obloukem.

Technologie SCI

Patentovaná technologie SCI od firmy DEHN zajišťuje aktivní, rychlé a bezpečné uhašení elektrického oblouku v případě přetížení. Pojistka integrovaná ve zkratovacím impulzu vybaví ihned po přerušení vzniklého oblouku a zajistí bezpečné elektrické odpojení. Díky tomu poskytují všechny vodiče pro fotovoltaiku od firmy DEHN ochranu před účinky přepětí, požárem a zdraví v jednom přístroji.

Technické informace

Jmenovitý impulzní proud (8/20 µs) (In ) 30 kA
Maximální impulzní proud (8/20 µs) (Imax ) 65 kA
Maximální provozní napětí AC (UC ) 275 V

Produkt 952900 byl přidán na seznam.

K seznamu

Produkt 952900 byl přidán do nákupního košíku.

Obj. č. 952907 DG MOD E H LI 1000

GTIN 4013364158856, Číslo celního sazebníku (EU): 85363030, Váha brutto: 130.00 g, Balící jednotka: 1.00 ks


Vyobrazení

Další informace

Ochranný modul s varistorem DG MOD E H LI 1000
zásuvný ochranný modul pro DEHNguard
SE H LI 1000 FM
s třístupňovým systémem včasné výstrahy
svodič přepětí typ 2 podle ČSN EN 61643-11
technologie vysoce výkonného varistoru
nejvyšší provozní napětí: 1000 V dc
celkový impulzní proud: 20 kA
kódování ochranného modulu

Výrobek: DEHN
Typ: DG MOD E H LI 1000
Obj. č.: 952907
nebo rovnocenný.

 

Integrované předjištění

Předjištění je plně integrováno. To přináší minimální potřebu místa, nižší náklady na montáž a rychlejší instalaci a kratší připojovací vodiče. Tyto vlastnosti mají skupiny produktů DEHNvenCI, DEHNbloc Maxi S, DEHNguard ... CI a V(A) NH.

Direct Current-Disconnection

Při použití svodičů přepětí ve stejnosměrných instalacích je nutné zajistit, aby odpojovací mechanismus spolehlivě odpojil i při chybějícím průchodu nulou. Námi vyvinutá technologie rozpojení DC-Disconnection (DCD) působí podobně jako klín uzavíracího ventilu, aby přerušila stejnosměrný proud. Svodiče skupiny DEHNguard SE DC jsou tak schopny bezpečně přerušit stejnosměrný proud, čímž eliminují riziko vzniku požáru způsobeného stejnosměrným elektrickým obloukem.

Technologie SCI

Patentovaná technologie SCI od firmy DEHN zajišťuje aktivní, rychlé a bezpečné uhašení elektrického oblouku v případě přetížení. Pojistka integrovaná ve zkratovacím impulzu vybaví ihned po přerušení vzniklého oblouku a zajistí bezpečné elektrické odpojení. Díky tomu poskytují všechny vodiče pro fotovoltaiku od firmy DEHN ochranu před účinky přepětí, požárem a zdraví v jednom přístroji.

Technické informace

Jmenovitý impulzní proud (8/20 µs) (In ) 20 kA
Maximální impulzní proud (8/20 µs) (Imax ) 40 kA
Maximální provozní napětí AC (UC ) 1000 V

Produkt 952907 byl přidán na seznam.

K seznamu

Produkt 952907 byl přidán do nákupního košíku.

Obj. č. 952908 DG MOD E H 1000

GTIN 4013364264526, Číslo celního sazebníku (EU): 85363030, Váha brutto: 123.00 g, Balící jednotka: 1.00 ks


Vyobrazení

Další informace

Ochranný modul s varistorem DG MOD E H 1000
zásuvný ochranný modul pro
DEHNguard SE H 1000 FM
svodič přepětí typ 2 podle ČSN EN 61643-11
technologie vysoce výkonného varistoru
nejvyšší provozní napětí: 1000 V DC
jmenovitý impulzní proud: 20 kA
ukazatel poruchy

Výrobek: DEHN
Typ: DG MOD E H 1000
Obj. č.: 952908
nebo rovnocenný.

Certifikáty

 

Integrované předjištění

Předjištění je plně integrováno. To přináší minimální potřebu místa, nižší náklady na montáž a rychlejší instalaci a kratší připojovací vodiče. Tyto vlastnosti mají skupiny produktů DEHNvenCI, DEHNbloc Maxi S, DEHNguard ... CI a V(A) NH.

Direct Current-Disconnection

Při použití svodičů přepětí ve stejnosměrných instalacích je nutné zajistit, aby odpojovací mechanismus spolehlivě odpojil i při chybějícím průchodu nulou. Námi vyvinutá technologie rozpojení DC-Disconnection (DCD) působí podobně jako klín uzavíracího ventilu, aby přerušila stejnosměrný proud. Svodiče skupiny DEHNguard SE DC jsou tak schopny bezpečně přerušit stejnosměrný proud, čímž eliminují riziko vzniku požáru způsobeného stejnosměrným elektrickým obloukem.

Technologie SCI

Patentovaná technologie SCI od firmy DEHN zajišťuje aktivní, rychlé a bezpečné uhašení elektrického oblouku v případě přetížení. Pojistka integrovaná ve zkratovacím impulzu vybaví ihned po přerušení vzniklého oblouku a zajistí bezpečné elektrické odpojení. Díky tomu poskytují všechny vodiče pro fotovoltaiku od firmy DEHN ochranu před účinky přepětí, požárem a zdraví v jednom přístroji.

Technické informace

Jmenovitý impulzní proud (8/20 µs) (In ) 20 kA
Maximální impulzní proud (8/20 µs) (Imax ) 40 kA
Maximální provozní napětí AC (UC ) 1000 V

Produkt 952908 byl přidán na seznam.

K seznamu

Produkt 952908 byl přidán do nákupního košíku.

Obj. č. 952918 DG MOD E H 1000 VA

GTIN 4013364308336, Číslo celního sazebníku (EU): 85363030, Váha brutto: 130.00 g, Balící jednotka: 1.00 ks


Vyobrazení

Další informace

Ochranný modul s varistorem DG MOD E 1000 VA
zásuvný ochranný modul pro DEHNguard
SE H 1000 VA FM
svodič přepětí typ 2 podle ČSN EN 61643-11
technologie vysoce výkonného varistoru
nejvyšší provozní napětí: 1000 V DC
jmenovitý impulzní proud: 15 kA
ukazatel poruchy

Výrobek: DEHN
Typ: DG MOD E H 1000 VA
Obj. č.: 952918
nebo rovnocenný.

Certifikáty

 

Integrované předjištění

Předjištění je plně integrováno. To přináší minimální potřebu místa, nižší náklady na montáž a rychlejší instalaci a kratší připojovací vodiče. Tyto vlastnosti mají skupiny produktů DEHNvenCI, DEHNbloc Maxi S, DEHNguard ... CI a V(A) NH.

Direct Current-Disconnection

Při použití svodičů přepětí ve stejnosměrných instalacích je nutné zajistit, aby odpojovací mechanismus spolehlivě odpojil i při chybějícím průchodu nulou. Námi vyvinutá technologie rozpojení DC-Disconnection (DCD) působí podobně jako klín uzavíracího ventilu, aby přerušila stejnosměrný proud. Svodiče skupiny DEHNguard SE DC jsou tak schopny bezpečně přerušit stejnosměrný proud, čímž eliminují riziko vzniku požáru způsobeného stejnosměrným elektrickým obloukem.

Technologie SCI

Patentovaná technologie SCI od firmy DEHN zajišťuje aktivní, rychlé a bezpečné uhašení elektrického oblouku v případě přetížení. Pojistka integrovaná ve zkratovacím impulzu vybaví ihned po přerušení vzniklého oblouku a zajistí bezpečné elektrické odpojení. Díky tomu poskytují všechny vodiče pro fotovoltaiku od firmy DEHN ochranu před účinky přepětí, požárem a zdraví v jednom přístroji.

Technické informace

Jmenovitý impulzní proud (8/20 µs) (In ) 15 kA
Maximální impulzní proud (8/20 µs) (Imax ) 40 kA
Maximální provozní napětí AC (UC ) 1000 V

Produkt 952918 byl přidán na seznam.

K seznamu

Produkt 952918 byl přidán do nákupního košíku.


Ochranný modul s varistorem pro DEHNguard SE DC

4 Produkty

Obj. č. 972010 DG MOD E DC 60

GTIN 4013364158672, Číslo celního sazebníku (EU): 85363030, Váha brutto: 65.00 g, Balící jednotka: 1.00 ks


Vyobrazení

Další informace

Ochranný modul s varistorem DG MOD E DC 60
zásuvný ochranný modul pro DEHNguard SE DC ... (FM)
svodič přepětí typ 2 podle ČSN EN 61643-11
technologie vysoce výkonného varistoru
určený speciálně pro použití v DC obvodech
nejvyšší provozní napětí: 60 V DC
jmenovitý impulzní proud: 12,5 kA
ukazatel poruchy

Výrobek: DEHN
Typ: DG MOD E DC 60
Obj. č.: 972010
nebo rovnocenný.

 

Integrované předjištění

Předjištění je plně integrováno. To přináší minimální potřebu místa, nižší náklady na montáž a rychlejší instalaci a kratší připojovací vodiče. Tyto vlastnosti mají skupiny produktů DEHNvenCI, DEHNbloc Maxi S, DEHNguard ... CI a V(A) NH.

Direct Current-Disconnection

Při použití svodičů přepětí ve stejnosměrných instalacích je nutné zajistit, aby odpojovací mechanismus spolehlivě odpojil i při chybějícím průchodu nulou. Námi vyvinutá technologie rozpojení DC-Disconnection (DCD) působí podobně jako klín uzavíracího ventilu, aby přerušila stejnosměrný proud. Svodiče skupiny DEHNguard SE DC jsou tak schopny bezpečně přerušit stejnosměrný proud, čímž eliminují riziko vzniku požáru způsobeného stejnosměrným elektrickým obloukem.

Technologie SCI

Patentovaná technologie SCI od firmy DEHN zajišťuje aktivní, rychlé a bezpečné uhašení elektrického oblouku v případě přetížení. Pojistka integrovaná ve zkratovacím impulzu vybaví ihned po přerušení vzniklého oblouku a zajistí bezpečné elektrické odpojení. Díky tomu poskytují všechny vodiče pro fotovoltaiku od firmy DEHN ochranu před účinky přepětí, požárem a zdraví v jednom přístroji.

Technické informace

Jmenovitý impulzní proud (8/20 µs) (In ) 12,5 kA
Maximální provozní napětí DC (UC ) 60 V

Produkt 972010 byl přidán na seznam.

K seznamu

Produkt 972010 byl přidán do nákupního košíku.

Obj. č. 972020 DG MOD E DC 242

GTIN 4013364158702, Číslo celního sazebníku (EU): 85363030, Váha brutto: 75.00 g, Balící jednotka: 1.00 ks


Vyobrazení

Další informace

Ochranný modul s varistorem DG MOD E DC 242
zásuvný ochranný modul pro DEHNguard SE DC ... (FM)
svodič přepětí typ 2 podle ČSN EN 61643-11
technologie vysoce výkonného varistoru
určený speciálně pro použití v DC obvodech
nejvyšší provozní napětí: 242 V DC
jmenovitý impulzní proud: 12,5 kA
ukazatel poruchy

Výrobek: DEHN
Typ: DG MOD E DC 242
Obj. č.: 972020
nebo rovnocenný.

Certifikáty

 

Integrované předjištění

Předjištění je plně integrováno. To přináší minimální potřebu místa, nižší náklady na montáž a rychlejší instalaci a kratší připojovací vodiče. Tyto vlastnosti mají skupiny produktů DEHNvenCI, DEHNbloc Maxi S, DEHNguard ... CI a V(A) NH.

Direct Current-Disconnection

Při použití svodičů přepětí ve stejnosměrných instalacích je nutné zajistit, aby odpojovací mechanismus spolehlivě odpojil i při chybějícím průchodu nulou. Námi vyvinutá technologie rozpojení DC-Disconnection (DCD) působí podobně jako klín uzavíracího ventilu, aby přerušila stejnosměrný proud. Svodiče skupiny DEHNguard SE DC jsou tak schopny bezpečně přerušit stejnosměrný proud, čímž eliminují riziko vzniku požáru způsobeného stejnosměrným elektrickým obloukem.

Technologie SCI

Patentovaná technologie SCI od firmy DEHN zajišťuje aktivní, rychlé a bezpečné uhašení elektrického oblouku v případě přetížení. Pojistka integrovaná ve zkratovacím impulzu vybaví ihned po přerušení vzniklého oblouku a zajistí bezpečné elektrické odpojení. Díky tomu poskytují všechny vodiče pro fotovoltaiku od firmy DEHN ochranu před účinky přepětí, požárem a zdraví v jednom přístroji.

Technické informace

Jmenovitý impulzní proud (8/20 µs) (In ) 12,5 kA
Maximální provozní napětí DC (UC ) 242 V

Produkt 972020 byl přidán na seznam.

K seznamu

Produkt 972020 byl přidán do nákupního košíku.

Obj. č. 972030 DG MOD E DC 550

GTIN 4013364158719, Číslo celního sazebníku (EU): 85363030, Váha brutto: 89.00 g, Balící jednotka: 1.00 ks


Vyobrazení

Další informace

Ochranný modul s varistorem DG MOD E DC 550
zásuvný ochranný modul pro DEHNguard SE DC ... (FM)
svodič přepětí typ 2 podle ČSN EN 61643-11
technologie vysoce výkonného varistoru
určený speciálně pro použití v DC obvodech
nejvyšší provozní napětí: 550 V DC
jmenovitý impulzní proud: 12,5 kA
ukazatel poruchy

Výrobek: DEHN
Typ: DG MOD E DC 550
Obj. č.: 972030
nebo rovnocenný.

Certifikáty

 

Integrované předjištění

Předjištění je plně integrováno. To přináší minimální potřebu místa, nižší náklady na montáž a rychlejší instalaci a kratší připojovací vodiče. Tyto vlastnosti mají skupiny produktů DEHNvenCI, DEHNbloc Maxi S, DEHNguard ... CI a V(A) NH.

Direct Current-Disconnection

Při použití svodičů přepětí ve stejnosměrných instalacích je nutné zajistit, aby odpojovací mechanismus spolehlivě odpojil i při chybějícím průchodu nulou. Námi vyvinutá technologie rozpojení DC-Disconnection (DCD) působí podobně jako klín uzavíracího ventilu, aby přerušila stejnosměrný proud. Svodiče skupiny DEHNguard SE DC jsou tak schopny bezpečně přerušit stejnosměrný proud, čímž eliminují riziko vzniku požáru způsobeného stejnosměrným elektrickým obloukem.

Technologie SCI

Patentovaná technologie SCI od firmy DEHN zajišťuje aktivní, rychlé a bezpečné uhašení elektrického oblouku v případě přetížení. Pojistka integrovaná ve zkratovacím impulzu vybaví ihned po přerušení vzniklého oblouku a zajistí bezpečné elektrické odpojení. Díky tomu poskytují všechny vodiče pro fotovoltaiku od firmy DEHN ochranu před účinky přepětí, požárem a zdraví v jednom přístroji.

Technické informace

Jmenovitý impulzní proud (8/20 µs) (In ) 12,5 kA
Maximální provozní napětí DC (UC ) 550 V

Produkt 972030 byl přidán na seznam.

K seznamu

Produkt 972030 byl přidán do nákupního košíku.

Obj. č. 972040 DG MOD E DC 900

GTIN 4013364158764, Číslo celního sazebníku (EU): 85363030, Váha brutto: 95.00 g, Balící jednotka: 1.00 ks


Vyobrazení

Další informace

Ochranný modul s varistorem DG MOD E DC 900
zásuvný ochranný modul pro DEHNguard SE DC ... (FM)
svodič přepětí typ 2 podle ČSN EN 61643-11
technologie vysoce výkonného varistoru
určený speciálně pro použití v DC obvodech
nejvyšší provozní napětí: 900 V DC
jmenovitý impulzní proud: 12,5 kA
ukazatel poruchy

Výrobek: DEHN
Typ: DG MOD E DC 900
Obj. č.: 972040
nebo rovnocenný.

Certifikáty

 

Integrované předjištění

Předjištění je plně integrováno. To přináší minimální potřebu místa, nižší náklady na montáž a rychlejší instalaci a kratší připojovací vodiče. Tyto vlastnosti mají skupiny produktů DEHNvenCI, DEHNbloc Maxi S, DEHNguard ... CI a V(A) NH.

Direct Current-Disconnection

Při použití svodičů přepětí ve stejnosměrných instalacích je nutné zajistit, aby odpojovací mechanismus spolehlivě odpojil i při chybějícím průchodu nulou. Námi vyvinutá technologie rozpojení DC-Disconnection (DCD) působí podobně jako klín uzavíracího ventilu, aby přerušila stejnosměrný proud. Svodiče skupiny DEHNguard SE DC jsou tak schopny bezpečně přerušit stejnosměrný proud, čímž eliminují riziko vzniku požáru způsobeného stejnosměrným elektrickým obloukem.

Technologie SCI

Patentovaná technologie SCI od firmy DEHN zajišťuje aktivní, rychlé a bezpečné uhašení elektrického oblouku v případě přetížení. Pojistka integrovaná ve zkratovacím impulzu vybaví ihned po přerušení vzniklého oblouku a zajistí bezpečné elektrické odpojení. Díky tomu poskytují všechny vodiče pro fotovoltaiku od firmy DEHN ochranu před účinky přepětí, požárem a zdraví v jednom přístroji.

Technické informace

Jmenovitý impulzní proud (8/20 µs) (In ) 12,5 kA
Maximální provozní napětí DC (UC ) 900 V

Produkt 972040 byl přidán na seznam.

K seznamu

Produkt 972040 byl přidán do nákupního košíku.


back to top