DEHNgap
:quality(98)/www.dehn.cz/store/f/62257301/HDVORSCHAU/961101a1_16-9.jpg)
:quality(98)/www.dehn.cz/store/f/62257301/HDVORSCHAU/961101a1_16-9.jpg)
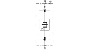
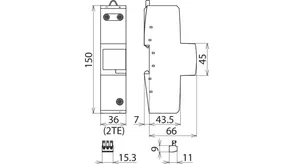
- Schopnost svádět bleskové proudy 100 kA (10/350 µs)
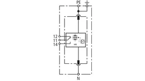
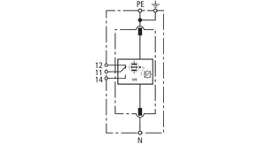
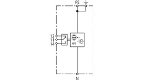
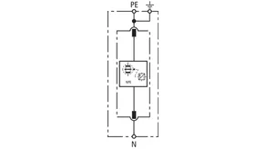
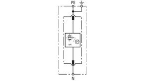
- Svodič se schopností odvést součtové proudy tekoucí mezi vodičem N a PE, určený speciálně pro instalaci mezi vodiče N a PE v sítích TT pro zapojení 3+1 a 1+1 podle ČSN EN 33 2000-5-534
- Technologie klouzavého jiskřiště
- Funkční stav nebo porucha je signalizována zeleným/červeným terčíkem v signalizačním poli
Details
:quality(98)/www.dehn.cz/store/f/62257302/HDVORSCHAU/900050a2_Kat.jpg)
:quality(98)/www.dehn.cz/store/f/62257302/HDVORSCHAU/900050a2_Kat.jpg)
Obj. č. 961101 DGP M 255
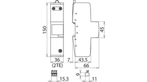
GTIN 4013364118676, Číslo celního sazebníku (EU): 85363030, Váha brutto: 331.00 g, Balící jednotka: 1.00 ks
Staré provedeníTechnické informace
SPD podle ČSN EN 61643-11 / ... IEC 61643-11 | typ 1/Třída I |
Nejvyšší provozní napětí AC (UC ) | 255 V (50/60 Hz) |
Bleskový proud (10/350 µs) (Iimp ) | 100 kA |
Ochranná úroveň (UP ) | ≤ 1,5 kV |
Certifikace | VDE, KEMA, UL |
Obj. č. 961105 DGP M 255 FM
GTIN 4013364118683, Číslo celního sazebníku (EU): 85363030, Váha brutto: 336.00 g, Balící jednotka: 1.00 ks
Staré provedeníTechnické informace
SPD podle ČSN EN 61643-11 / ... IEC 61643-11 | typ 1/Třída I |
Nejvyšší provozní napětí AC (UC ) | 255 V (50/60 Hz) |
Bleskový proud (10/350 µs) (Iimp ) | 100 kA |
Ochranná úroveň (UP ) | ≤ 1,5 kV |
Certifikace | VDE, KEMA, UL |
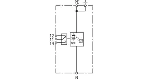
Kontakt dálkové signalizace/typ kontaktu | přepínač |
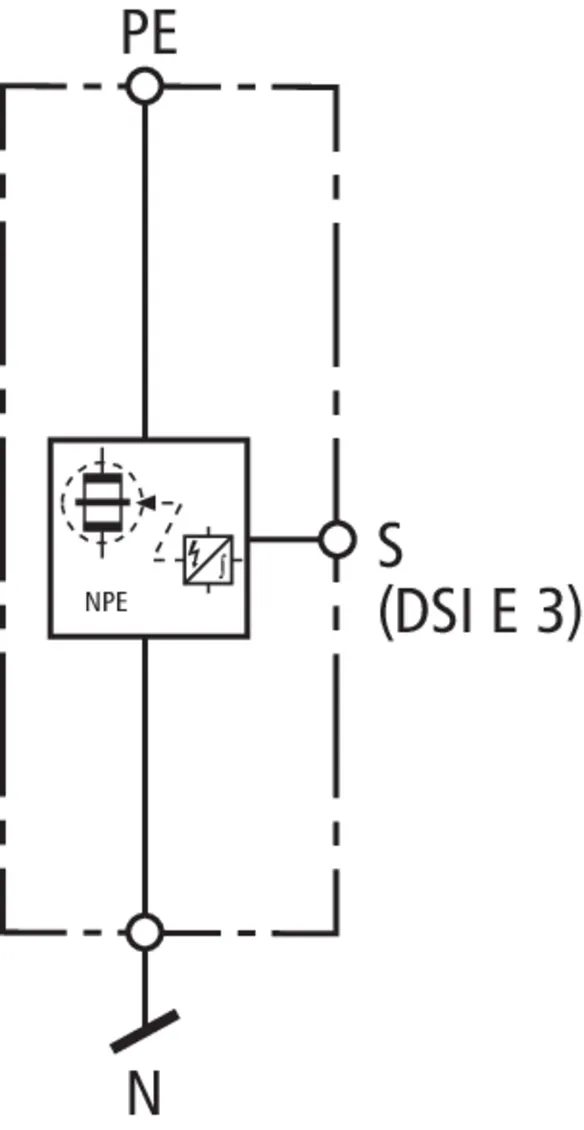
Obj. č. 900050 DGPM 1 255 S
GTIN 4013364107496, Číslo celního sazebníku (EU): 85363090, Váha brutto: 539.00 g, Balící jednotka: 1.00 ks
Technické informace
SPD podle ČSN EN 61643-11 / ... IEC 61643-11 | typ 1/Třída I |
Nejvyšší provozní napětí AC (UC ) | 255 V (50/60 Hz) |
Bleskový proud (10/350 µs) (Iimp ) | 100 kA |
Ochranná úroveň (UP ) | ≤ 2,5 kV (včetně délky přívodu 80 cm) |
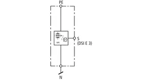
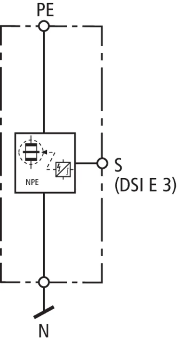
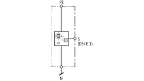
Kontrola funkce | prostřednictvím DEHNsignal DSI E 3 |
Obj. č. 961180 DGPM 1 255
GTIN 4013364157323, Číslo celního sazebníku (EU): 85363090, Váha brutto: 460.00 g, Balící jednotka: 1.00 ks
Technické informace
SPD podle ČSN EN 61643-11 / ... IEC 61643-11 | typ 1 + typ 2/Třída I + Třída II |
Nejvyšší provozní napětí AC (UC ) | 255 V (50/60 Hz) |
Bleskový proud (10/350 µs) (Iimp ) | 100 kA |
Ochranná úroveň (UP ) | ≤ 1,5 kV |
Certifikace | KEMA |
Obj. č. 961185 DGPM 1 255 FM
GTIN 4013364157330, Číslo celního sazebníku (EU): 85363090, Váha brutto: 460.00 g, Balící jednotka: 1.00 ks
Technické informace
SPD podle ČSN EN 61643-11 / ... IEC 61643-11 | typ 1 + typ 2/Třída I + Třída II |
Nejvyšší provozní napětí AC (UC ) | 255 V (50/60 Hz) |
Bleskový proud (10/350 µs) (Iimp ) | 100 kA |
Ochranná úroveň (UP ) | ≤ 1,5 kV |
Certifikace | KEMA |
Kontakt dálkové signalizace/typ kontaktu | přepínač |
Obj. č. 961160 DGPM 440
GTIN 4013364116290, Číslo celního sazebníku (EU): 85363030, Váha brutto: 415.00 g, Balící jednotka: 1.00 ks
Technické informace
SPD podle ČSN EN 61643-11 / ... IEC 61643-11 | typ 1/Třída I |
Nejvyšší provozní napětí AC (UC ) | 440 V (50/60 Hz) |
Bleskový proud (10/350 µs) (Iimp ) | 100 kA |
Ochranná úroveň (UP ) | ≤ 2,5 kV |
Certifikace | UL |
Obj. č. 961165 DGPM 440 FM
GTIN 4013364116306, Číslo celního sazebníku (EU): 85363030, Váha brutto: 418.00 g, Balící jednotka: 1.00 ks
Technické informace
SPD podle ČSN EN 61643-11 / ... IEC 61643-11 | typ 1/Třída I |
Nejvyšší provozní napětí AC (UC ) | 440 V (50/60 Hz) |
Bleskový proud (10/350 µs) (Iimp ) | 100 kA |
Ochranná úroveň (UP ) | ≤ 2,5 kV |
Certifikace | UL |
Kontakt dálkové signalizace/typ kontaktu | přepínač |
Obj. č. 961102 DGPH M 255
GTIN 4013364118690, Číslo celního sazebníku (EU): 85363030, Váha brutto: 300.00 g, Balící jednotka: 1.00 ks
Staré provedeníTechnické informace
SPD podle ČSN EN 61643-11 / ... IEC 61643-11 | typ 1/Třída I |
Nejvyšší provozní napětí AC (UC ) | 255 V (50/60 Hz) |
Bleskový proud (10/350 µs) (Iimp ) | 100 kA |
Ochranná úroveň (UP ) | ≤ 4 kV |