DEHNsecure modular

  • Koordinovaný svodič bleskových proudů na bázi jiskřiště, složený ze základního dílu a zásuvného ochranného modulu
  • Technologie jiskřiště je speciálně vyvinutá pro zapojení v DC obvodech
  • Schopnost svádět vysoké bleskové proudy až 25 kA (10/350 µs)
  • Přímá koordinace se svodičem přepětí DEHNguard SE DC ...
  • Nízká ochranná úroveň
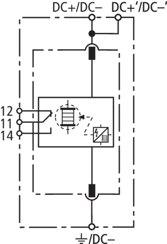
  • Funkční stav nebo porucha je signalizována zeleným/červeným terčíkem v signalizačním poli
  • Snadná výměna ochranných modulů pomocí aretovacích tlačítek na ochranném modulu

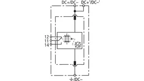
DEHNsecure M 1 ...

Jednopólový, modulární, koordinovaný svodič bleskových proudů pro použití v obvodech stejnosměrných proudů.

3 Produkty

Obj. č. 971121 DSE M 1 60

GTIN 4013364138582, Číslo celního sazebníku (EU): 85363090, Váha brutto: 300.00 g, Balící jednotka: 1.00 ks


Vyobrazení

Další informace

Koordinovaný svodič bleskových proudů DEHNsecure M 1 60
1 pólový, modulární, zásuvný, koordinovaný svodič bleskových proudů
pro použití v obvodech stejnosměrných proudů, šířka 2TE
svodič typ 1 podle ČSN EN 61643-11
technologie jiskřiště je speciálně vyvinutá
pro zapojení v DC obvodech
ukazatel poruchy
nejvyšší provozní napětí: 60 V dc
ochranná úroveň: <= 1,5 kV
bleskový proud (10/350): 25 kA
zkratová pevnost DC: 25 kA
energetická koordinace podle ČSN EN 62305-4
svodič řady Red/Line

Výrobek: DEHN
Typ: DSE M 1 60
Obj. č.: 971121
nebo rovnocenný.

Certifikáty

 

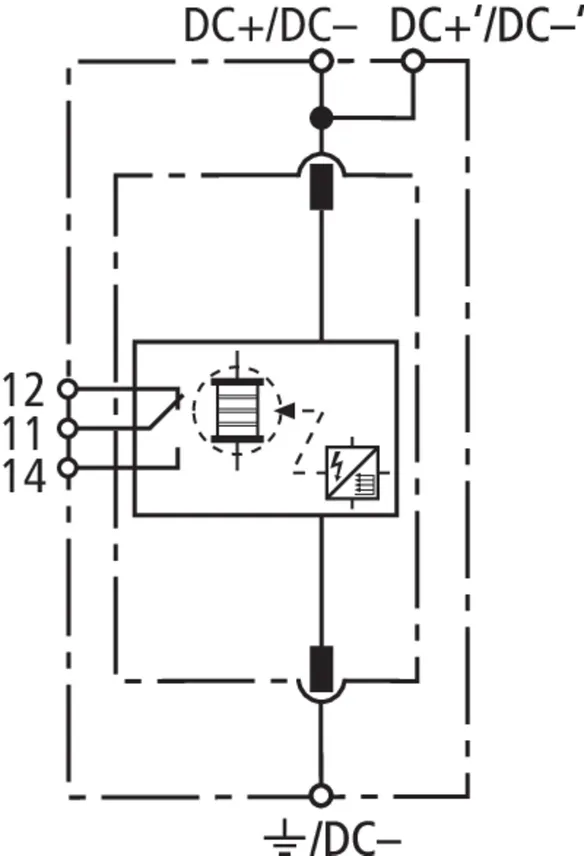
Funkce vlnolamu

V průběhu svádění protéká svodičem typ 1 na bázi jiskřiště celý bleskový proud. Jako při vlnolamu je příchozí energie velmi silně zlomena a tím je odlehčeno následujícímu svodiči přepětí. Všechny svodiče typ 1 řady Red/Line zajišťují funkci vlnolamu WBF.

Technické informace

Klasifikace SPD podle ČSN EN 61643-11 / ... IEC 61643-11 typ 1/Třída I
Maximální provozní napětí DC (UC ) 60 V
Bleskový proud (10/350 µs) (Iimp ) 25 kA
Ochranná úroveň (UP ) ≤ 1,5 kV
Max. nadproudová ochrana ze strany sítě 250 A gG
Certifikace UL
Rozšířená technická data: Použití v obvodech nouzového osvětlení

Produkt 971121 byl přidán na seznam.

K seznamu

Produkt 971121 byl přidán do nákupního košíku.

Obj. č. 971120 DSE M 1 220

GTIN 4013364133631, Číslo celního sazebníku (EU): 85363090, Váha brutto: 268.20 g, Balící jednotka: 1.00 ks


Vyobrazení

Další informace

Koordinovaný svodič bleskových proudů DEHNsecure M 1 220
1 pólový, modulární, zásuvný, koordinovaný svodič bleskových proudů
pro použití v obvodech stejnosměrných proudů, šířka 2TE
svodič typ 1 podle ČSN EN 61643-11
technologie jiskřiště je speciálně vyvinutá
pro zapojení v DC obvodech
ukazatel poruchy
nejvyšší provozní napětí: 220 V dc
ochranná úroveň: <= 2,5 kV
bleskový proud (10/350): 25 kA
zkratová pevnost DC: 25 kA
energetická koordinace podle ČSN EN 62305-4
svodič řady Red/Line

Výrobek: DEHN
Typ: DSE M 1 220
Obj. č.: 971120
nebo rovnocenný.

Certifikáty

 

Funkce vlnolamu

V průběhu svádění protéká svodičem typ 1 na bázi jiskřiště celý bleskový proud. Jako při vlnolamu je příchozí energie velmi silně zlomena a tím je odlehčeno následujícímu svodiči přepětí. Všechny svodiče typ 1 řady Red/Line zajišťují funkci vlnolamu WBF.

Technické informace

Klasifikace SPD podle ČSN EN 61643-11 / ... IEC 61643-11 typ 1/Třída I
Maximální provozní napětí DC (UC ) 220 V
Bleskový proud (10/350 µs) (Iimp ) 25 kA
Ochranná úroveň (UP ) ≤ 2,5 kV
Max. nadproudová ochrana ze strany sítě 250 A gG
Rozšířená technická data: Použití v obvodech nouzového osvětlení

Produkt 971120 byl přidán na seznam.

K seznamu

Produkt 971120 byl přidán do nákupního košíku.

Obj. č. 971122 DSE M 1 242

GTIN 4013364144477, Číslo celního sazebníku (EU): 85363090, Váha brutto: 273.70 g, Balící jednotka: 1.00 ks


Vyobrazení

Další informace

Koordinovaný svodič bleskových proudů DEHNsecure M 1 242
1 pólový, modulární, zásuvný, koordinovaný svodič bleskových proudů
pro použití v obvodech stejnosměrných proudů, šířka 2TE
svodič typ 1 podle ČSN EN 61643-11
technologie jiskřiště je speciálně vyvinutá
pro zapojení v DC obvodech
ukazatel poruchy
nejvyšší provozní napětí: 242 V dc
ochranná úroveň: <= 2,5 kV
bleskový proud (10/350): 25 kA
zkratová pevnost DC: 25 kA
energetická koordinace podle ČSN EN 62305-4
svodič řady Red/Line

Výrobek: DEHN
Typ: DSE M 1 242
Obj. č.: 971122
nebo rovnocenný.

Certifikáty

 

Funkce vlnolamu

V průběhu svádění protéká svodičem typ 1 na bázi jiskřiště celý bleskový proud. Jako při vlnolamu je příchozí energie velmi silně zlomena a tím je odlehčeno následujícímu svodiči přepětí. Všechny svodiče typ 1 řady Red/Line zajišťují funkci vlnolamu WBF.

Technické informace

Klasifikace SPD podle ČSN EN 61643-11 / ... IEC 61643-11 typ 1/Třída I
Maximální provozní napětí DC (UC ) 242 V
Bleskový proud (10/350 µs) (Iimp ) 25 kA
Ochranná úroveň (UP ) ≤ 2,5 kV
Max. nadproudová ochrana ze strany sítě 250 A gG
Rozšířená technická data: Použití v obvodech nouzového osvětlení
– maximální přípustné trvalé napětí AC (UC ) 255 V

Produkt 971122 byl přidán na seznam.

K seznamu

Produkt 971122 byl přidán do nákupního košíku.


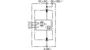
DEHNsecure M 1 ... FM

Jednopólový, modulární, koordinovaný svodič bleskových proudů pro použití v obvodech stejnosměrných proudů; s kontaktem dálkové signalizace pro systém monitorování stavu (bezpotenciálový přepínač).

3 Produkty

Obj. č. 971126 DSE M 1 60 FM

GTIN 4013364138599, Číslo celního sazebníku (EU): 85363090, Váha brutto: 304.00 g, Balící jednotka: 1.00 ks


Vyobrazení

Další informace

Koordinovaný svodič bleskových proudů DEHNsecure M 1 60 FM
1 pólový, modulární, steckbarer, koordinovaný svodič bleskových proudů
pro použití v obvodech stejnosměrných proudů, šířka 2TE
s kontaktem dálkové signalizace
svodič typ 1 podle ČSN EN 61643-11
technologie jiskřiště je speciálně vyvinutá
pro zapojení v DC obvodech
ukazatel poruchy
nejvyšší provozní napětí: 60 V dc
ochranná úroveň: <= 1,5 kV
bleskový proud (10/350): 25 kA
zkratová pevnost DC: 25 kA
energetická koordinace podle ČSN EN 62305-4
svodič řady Red/Line


Výrobek: DEHN
Typ: DSE M 1 60 FM
Obj. č.: 971126
nebo rovnocenný.

Certifikáty

 

Funkce vlnolamu

V průběhu svádění protéká svodičem typ 1 na bázi jiskřiště celý bleskový proud. Jako při vlnolamu je příchozí energie velmi silně zlomena a tím je odlehčeno následujícímu svodiči přepětí. Všechny svodiče typ 1 řady Red/Line zajišťují funkci vlnolamu WBF.

Technické informace

Klasifikace SPD podle ČSN EN 61643-11 / ... IEC 61643-11 typ 1/Třída I
Maximální provozní napětí DC (UC ) 60 V
Bleskový proud (10/350 µs) (Iimp ) 25 kA
Ochranná úroveň (UP ) ≤ 1,5 kV
Max. nadproudová ochrana ze strany sítě 250 A gG
Certifikace UL
Kontakt dálkové signalizace/typ kontaktu přepínač
Rozšířená technická data: Použití v obvodech nouzového osvětlení

Produkt 971126 byl přidán na seznam.

K seznamu

Produkt 971126 byl přidán do nákupního košíku.

Obj. č. 971125 DSE M 1 220 FM

GTIN 4013364133648, Číslo celního sazebníku (EU): 85363090, Váha brutto: 241.90 g, Balící jednotka: 1.00 ks


Vyobrazení

Další informace

Koordinovaný svodič bleskových proudů DEHNsecure M 1 220 FM
1 pólový, modulární, steckbarer, koordinovaný svodič bleskových proudů
pro použití v obvodech stejnosměrných proudů, šířka 2TE
s kontaktem dálkové signalizace
svodič typ 1 podle ČSN EN 61643-11
technologie jiskřiště je speciálně vyvinutá
pro zapojení v DC obvodech
ukazatel poruchy
nejvyšší provozní napětí: 220 V dc
ochranná úroveň: <= 2,5 kV
bleskový proud (10/350): 25 kA
zkratová pevnost DC: 25 kA
energetická koordinace podle ČSN EN 62305-4
svodič řady Red/Line

Výrobek: DEHN
Typ: DSE M 1 220 FM
Obj. č.: 971125
nebo rovnocenný.

Certifikáty

 

Funkce vlnolamu

V průběhu svádění protéká svodičem typ 1 na bázi jiskřiště celý bleskový proud. Jako při vlnolamu je příchozí energie velmi silně zlomena a tím je odlehčeno následujícímu svodiči přepětí. Všechny svodiče typ 1 řady Red/Line zajišťují funkci vlnolamu WBF.

Technické informace

Klasifikace SPD podle ČSN EN 61643-11 / ... IEC 61643-11 typ 1/Třída I
Maximální provozní napětí DC (UC ) 220 V
Bleskový proud (10/350 µs) (Iimp ) 25 kA
Ochranná úroveň (UP ) ≤ 2,5 kV
Max. nadproudová ochrana ze strany sítě 250 A gG
Kontakt dálkové signalizace/typ kontaktu přepínač
Rozšířená technická data: Použití v obvodech nouzového osvětlení

Produkt 971125 byl přidán na seznam.

K seznamu

Produkt 971125 byl přidán do nákupního košíku.

Obj. č. 971127 DSE M 1 242 FM

GTIN 4013364144484, Číslo celního sazebníku (EU): 85363090, Váha brutto: 269.50 g, Balící jednotka: 1.00 ks


Vyobrazení

Další informace

Koordinovaný svodič bleskových proudů DEHNsecure M 1 242 FM
1 pólový, modulární, steckbarer, koordinovaný svodič bleskových proudů
pro použití v obvodech stejnosměrných proudů, šířka 2TE
s kontaktem dálkové signalizace
svodič typ 1 podle ČSN EN 61643-11
technologie jiskřiště je speciálně vyvinutá
pro zapojení v DC obvodech
ukazatel poruchy
nejvyšší provozní napětí: 242 V dc
ochranná úroveň: <= 2,5 kV
bleskový proud (10/350): 25 kA
zkratová pevnost DC: 25 kA
energetická koordinace podle ČSN EN 62305-4
svodič řady Red/Line

Výrobek: DEHN
Typ: DSE M 1 242 FM
Obj. č.: 971127
nebo rovnocenný.

Certifikáty

 

Funkce vlnolamu

V průběhu svádění protéká svodičem typ 1 na bázi jiskřiště celý bleskový proud. Jako při vlnolamu je příchozí energie velmi silně zlomena a tím je odlehčeno následujícímu svodiči přepětí. Všechny svodiče typ 1 řady Red/Line zajišťují funkci vlnolamu WBF.

Technické informace

Klasifikace SPD podle ČSN EN 61643-11 / ... IEC 61643-11 typ 1/Třída I
Maximální provozní napětí DC (UC ) 242 V
Bleskový proud (10/350 µs) (Iimp ) 25 kA
Ochranná úroveň (UP ) ≤ 2,5 kV
Max. nadproudová ochrana ze strany sítě 250 A gG
Kontakt dálkové signalizace/typ kontaktu přepínač
Rozšířená technická data: Použití v obvodech nouzového osvětlení
– maximální přípustné trvalé napětí AC (UC ) 255 V

Produkt 971127 byl přidán na seznam.

K seznamu

Produkt 971127 byl přidán do nákupního košíku.


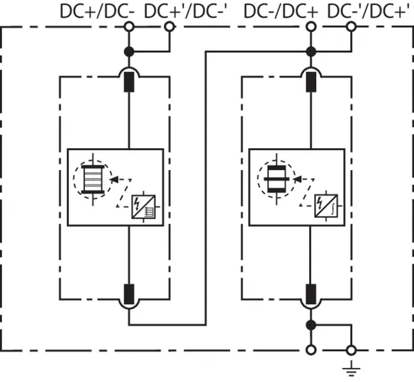
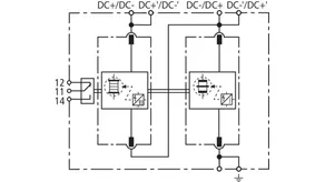
DEHNsecure M 2P ... (FM)

Dvoupólový, modulární, koordinovaný svodič bleskových proudů pro použití v obvodech stejnosměrných proudů o napětí do 60 V (zapojení 1+1); v provedení FM s bezpotenciálovým kontaktem dálkové signalizace.

2 Produkty

Obj. č. 971221 DSE M 2P 60

GTIN 4013364138612, Číslo celního sazebníku (EU): 85363090, Váha brutto: 638.00 g, Balící jednotka: 1.00 ks


Vyobrazení

Další informace

Koordinovaný svodič bleskových proudů DEHNsecure M 2P 60
2 pólový, modulární, zásuvný, koordinovaný svodič bleskových proudů
pro použití v obvodech stejnosměrných proudů, šířka 4TE
svodič typ 1 podle ČSN EN 61643-11
technologie jiskřiště je speciálně vyvinutá
pro zapojení v DC obvodech
ukazatel poruchy
nejvyšší provozní napětí: 60 V dc
ochranná úroveň: <= 1,5 kV
bleskový proud (10/350): 50 kA
zkratová pevnost DC: 25 kA
energetická koordinace podle ČSN EN 62305-4
svodič řady Red/Line

Výrobek: DEHN
Typ: DSE M 2P 60
Obj. č.: 971221
nebo rovnocenný.

Certifikáty

 

Funkce vlnolamu

V průběhu svádění protéká svodičem typ 1 na bázi jiskřiště celý bleskový proud. Jako při vlnolamu je příchozí energie velmi silně zlomena a tím je odlehčeno následujícímu svodiči přepětí. Všechny svodiče typ 1 řady Red/Line zajišťují funkci vlnolamu WBF.

Technické informace

Klasifikace SPD podle ČSN EN 61643-11 / ... IEC 61643-11 typ 1/Třída I
Maximální provozní napětí DC (UC ) 60 V
Bleskový proud (10/350 µs) (DC+/DC- -> DC-/DC+) / (DC-/DC+ -> 9) (Iimp ) 25/50 kA
Ochranná úroveň (DC+/DC- -> DC-/DC+) / (DC-/DC+ -> 9) (UP ) ≤ 1,5/≤ 1,5 kV
Max. nadproudová ochrana ze strany sítě 250 A gG
Certifikace UL

Produkt 971221 byl přidán na seznam.

K seznamu

Produkt 971221 byl přidán do nákupního košíku.

Obj. č. 971226 DSE M 2P 60 FM

GTIN 4013364138629, Číslo celního sazebníku (EU): 85363090, Váha brutto: 675.00 g, Balící jednotka: 1.00 ks


Vyobrazení

Další informace

Koordinovaný svodič bleskových proudů DEHNsecure M 2P 60 FM
2 pólový, modulární, zásuvný, koordinovaný svodič bleskových proudů
pro použití v obvodech stejnosměrných proudů, šířka 4TE
s kontaktem dálkové signalizace
svodič typ 1 podle ČSN EN 61643-11
technologie jiskřiště je speciálně vyvinutá
pro zapojení v DC obvodech
ukazatel poruchy
nejvyšší provozní napětí: 60 V dc
ochranná úroveň: <= 1,5 kV
bleskový proud (10/350): 50 kA
zkratová pevnost DC: 25 kA
energetická koordinace podle ČSN EN 62305-4
svodič řady Red/Line

Výrobek: DEHN
Typ: DSE M 2P 60 FM
Obj. č.: 971226
nebo rovnocenný.

Certifikáty

 

Funkce vlnolamu

V průběhu svádění protéká svodičem typ 1 na bázi jiskřiště celý bleskový proud. Jako při vlnolamu je příchozí energie velmi silně zlomena a tím je odlehčeno následujícímu svodiči přepětí. Všechny svodiče typ 1 řady Red/Line zajišťují funkci vlnolamu WBF.

Technické informace

Klasifikace SPD podle ČSN EN 61643-11 / ... IEC 61643-11 typ 1/Třída I
Maximální provozní napětí DC (UC ) 60 V
Bleskový proud (10/350 µs) (DC+/DC- -> DC-/DC+) / (DC-/DC+ -> 9) (Iimp ) 25/50 kA
Ochranná úroveň (DC+/DC- -> DC-/DC+) / (DC-/DC+ -> 9) (UP ) ≤ 1,5/≤ 1,5 kV
Max. nadproudová ochrana ze strany sítě 250 A gG
Certifikace UL
Kontakt dálkové signalizace/typ kontaktu přepínač

Produkt 971226 byl přidán na seznam.

K seznamu

Produkt 971226 byl přidán do nákupního košíku.


DEHNsecure NG 2P 60 FM

Dvoupólový, modulární, koordinovaný svodič bleskových proudů pro použití v obvodech stejnosměrných proudů o napětí do 60 V (zapojení 1+1); v provedení FM s bezpotenciálovým kontaktem dálkové signalizace.

1 Produkt

Obj. č. 971222 DSE NG 2P 60 FM

GTIN 4013364489523, Číslo celního sazebníku (EU): 85363090, Váha brutto: 507.00 g, Balící jednotka: 1.00 ks


Vyobrazení

Další informace

Koordinovaný svodič bleskových proudů DEHNsecure M 2P 60 FM
2 pólový, modulární, zásuvný, koordinovaný svodič bleskových proudů
pro použití v obvodech stejnosměrných proudů, šířka 4TE
s kontaktem dálkové signalizace
svodič typ 1 podle ČSN EN 61643-11
technologie jiskřiště je speciálně vyvinutá
pro zapojení v DC obvodech
ukazatel poruchy
nejvyšší provozní napětí: 60 V dc
ochranná úroveň: <= 1,5 kV
bleskový proud (10/350): 50 kA
zkratová pevnost DC: 10 kA
energetická koordinace podle ČSN EN 62305-4
svodič řady Red/Line

Výrobek: DEHN
Typ: DSE NG 2P 60 FM
Obj. č.: 971222
nebo rovnocenný.

 

Funkce vlnolamu

V průběhu svádění protéká svodičem typ 1 na bázi jiskřiště celý bleskový proud. Jako při vlnolamu je příchozí energie velmi silně zlomena a tím je odlehčeno následujícímu svodiči přepětí. Všechny svodiče typ 1 řady Red/Line zajišťují funkci vlnolamu WBF.

Technické informace

Klasifikace SPD podle ČSN EN 61643-11 / ... IEC 61643-11 typ 1 + typ 2 / Třída I + Třída II
Maximální provozní napětí DC (UC ) 60 V
Bleskový proud (10/350 µs) (DC+/DC- -> DC-/DC+) / (DC-/DC+ -> 9) (Iimp ) 25/50 kA
Ochranná úroveň (DC+/DC- -> DC-/DC+) / (DC-/DC+ -> 9) (UP ) ≤ 1,5/≤ 1,5 kV
Max. nadproudová ochrana ze strany sítě 250 A gG
Kontakt dálkové signalizace/typ kontaktu přepínač

Produkt 971222 byl přidán na seznam.

K seznamu

Produkt 971222 byl přidán do nákupního košíku.


back to top