DEHNbloc modular
:quality(98)/www.dehn.cz/store/f/61847222/HDVORSCHAU/961125a1_16-9.jpg)
:quality(98)/www.dehn.cz/store/f/61847222/HDVORSCHAU/961125a1_16-9.jpg)
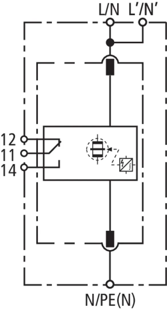
- Koordinovaný svodič bleskových proudů na bázi jiskřiště, složený ze základního dílu a zásuvného ochranného modulu
- Vysoká provozní spolehlivost chráněných zařízení je zajištěna omezením následného proudu technologií RADAX-Flow
- Jiskřiště je selektivní, do velikosti zkratového proudu 50 kAeff nezpůsobuje vybavení pojistek od hodnoty 35 A gG
- Schopnost svádět bleskové proudy až do 50 kA (10/350 µs)
- Přímá koordinace se svodičem přepětí DEHNguard bez nutnosti vkládat oddělovací tlumivku nebo zajistit délku vedení
- Nízká ochranná úroveň
- Funkční stav nebo porucha je signalizována zeleným/červeným terčíkem v signalizačním poli
- Snadná výměna ochranného modulu pomocí aretovacích tlačítek na ochranném modulu
Details
:quality(98)/www.dehn.cz/store/f/61847223/HDVORSCHAU/961125a2_Kat.jpg)
:quality(98)/www.dehn.cz/store/f/61847223/HDVORSCHAU/961125a2_Kat.jpg)
Obj. č. 961110 DB M 1 150
GTIN 4013364118560, Číslo celního sazebníku (EU): 85363090, Váha brutto: 333.40 g, Balící jednotka: 1.00 ks
Staré provedeníTechnické informace
SPD podle ČSN EN 61643-11 / ... IEC 61643-11 | typ 1/Třída I |
Nejvyšší provozní napětí AC (UC ) | 150 V (50/60 Hz) |
Bleskový proud (10/350 µs) (Iimp ) | 35 kA |
Ochranná úroveň (UP ) | ≤ 1,5 kV |
Max. předjištění (L) do IK = 35 kAeff (ta ≤ 0,2 s) | 500 A gG |
Max. předjištění (L) do IK = 35 kAeff (ta ≤ 5 s) | 315 A gG |
Certifikace | UL, CSA |
Obj. č. 961120 DB M 1 255
GTIN 4013364118614, Číslo celního sazebníku (EU): 85363090, Váha brutto: 355.80 g, Balící jednotka: 1.00 ks
Staré provedeníTechnické informace
SPD podle ČSN EN 61643-11 / ... IEC 61643-11 | typ 1/Třída I |
Nejvyšší provozní napětí AC (UC ) | 255 V (50/60 Hz) |
Bleskový proud (10/350 µs) (Iimp ) | 50 kA |
Ochranná úroveň (UP ) | ≤ 2,5 kV |
Max. předjištění (L) do IK = 50 kAeff (ta ≤ 0,2 s) | 500 A gG |
Max. předjištění (L) do IK = 50 kAeff (ta ≤ 5 s) | 315 A gG |
Certifikace | VDE, KEMA, UL |
Obj. č. 961130 DB M 1 320
GTIN 4013364118638, Číslo celního sazebníku (EU): 85363090, Váha brutto: 341.00 g, Balící jednotka: 1.00 ks
Staré provedeníTechnické informace
SPD podle ČSN EN 61643-11 / ... IEC 61643-11 | typ 1/Třída I |
Nejvyšší provozní napětí AC (UC ) | 320 V (50/60 Hz) |
Bleskový proud (10/350 µs) (Iimp ) | 25 kA |
Ochranná úroveň (UP ) | ≤ 2,5 kV |
Max. předjištění (L) do IK = 50 kAeff (ta ≤ 0,2 s) | 315 A gG |
Max. předjištění (L) do IK = 50 kAeff (ta ≤ 5 s) | 315 A gG |
Certifikace | UL |
Obj. č. 961115 DB M 1 150 FM
GTIN 4013364118577, Číslo celního sazebníku (EU): 85363090, Váha brutto: 337.30 g, Balící jednotka: 1.00 ks
Staré provedeníTechnické informace
SPD podle ČSN EN 61643-11 / ... IEC 61643-11 | typ 1/Třída I |
Nejvyšší provozní napětí AC (UC ) | 150 V (50/60 Hz) |
Bleskový proud (10/350 µs) (Iimp ) | 35 kA |
Ochranná úroveň (UP ) | ≤ 1,5 kV |
Max. předjištění (L) do IK = 35 kAeff (ta ≤ 0,2 s) | 500 A gG |
Max. předjištění (L) do IK = 35 kAeff (ta ≤ 5 s) | 315 A gG |
Certifikace | UL, CSA |
Obj. č. 961125 DB M 1 255 FM
GTIN 4013364118621, Číslo celního sazebníku (EU): 85363090, Váha brutto: 359.30 g, Balící jednotka: 1.00 ks
Staré provedeníTechnické informace
SPD podle ČSN EN 61643-11 / ... IEC 61643-11 | typ 1/Třída I |
Nejvyšší provozní napětí AC (UC ) | 255 V (50/60 Hz) |
Bleskový proud (10/350 µs) (Iimp ) | 50 kA |
Ochranná úroveň (UP ) | ≤ 2,5 kV |
Max. předjištění (L) do IK = 50 kAeff (ta ≤ 0,2 s) | 500 A gG |
Max. předjištění (L) do IK = 50 kAeff (ta ≤ 5 s) | 315 A gG |
Certifikace | VDE, KEMA, UL |
Obj. č. 961135 DB M 1 320 FM
GTIN 4013364118645, Číslo celního sazebníku (EU): 85363090, Váha brutto: 346.00 g, Balící jednotka: 1.00 ks
Staré provedeníTechnické informace
SPD podle ČSN EN 61643-11 / ... IEC 61643-11 | typ 1/Třída I |
Nejvyšší provozní napětí AC (UC ) | 320 V (50/60 Hz) |
Bleskový proud (10/350 µs) (Iimp ) | 25 kA |
Ochranná úroveň (UP ) | ≤ 2,5 kV |
Max. předjištění (L) do IK = 50 kAeff (ta ≤ 0,2 s) | 315 A gG |
Max. předjištění (L) do IK = 50 kAeff (ta ≤ 5 s) | 315 A gG |
Certifikace | UL |