DEHNventil modular

  • Kompletně zapojený kombinovaný svodič typ 1 + typ 2 + typ 3 na bázi jiskřiště, složený ze základního dílu a jednoho zásuvného ochranného modulu
  • Výkonná RAC technologie jiskřiště pro ochranu koncových zařízení
  • Jiskřiště je selektivní, do velikosti zkratového proudu 50 kAeff nezpůsobuje vybavení pojistek od hodnoty 20 A gG a výše
  • Schopnost svádět bleskové proudy až do 100 kA (10/350 µs)
  • Umožňuje ochranu koncového zařízení
  • Nízká zbytková energie umožňuje ochranu koncových zařízení a výrazně zvyšuje životnost koncových zařízení
  • Ukazatel provoz/porucha prostřednictvím zeleno-červeného terčíku v signalizačním poli a kontrola všech ochranných cest
  • Jednoduchá výměna ochranného modulu bez použití nářadí díky uzamykacímu modulu s tlačítkem pro uvolnění modulu

Details

lorem ipsum

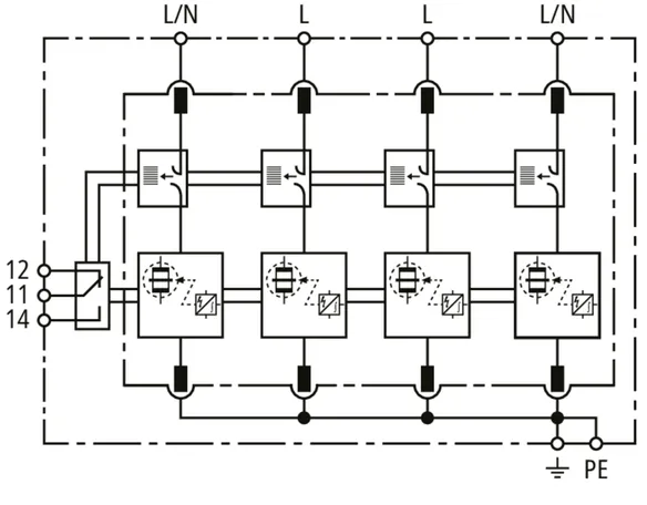
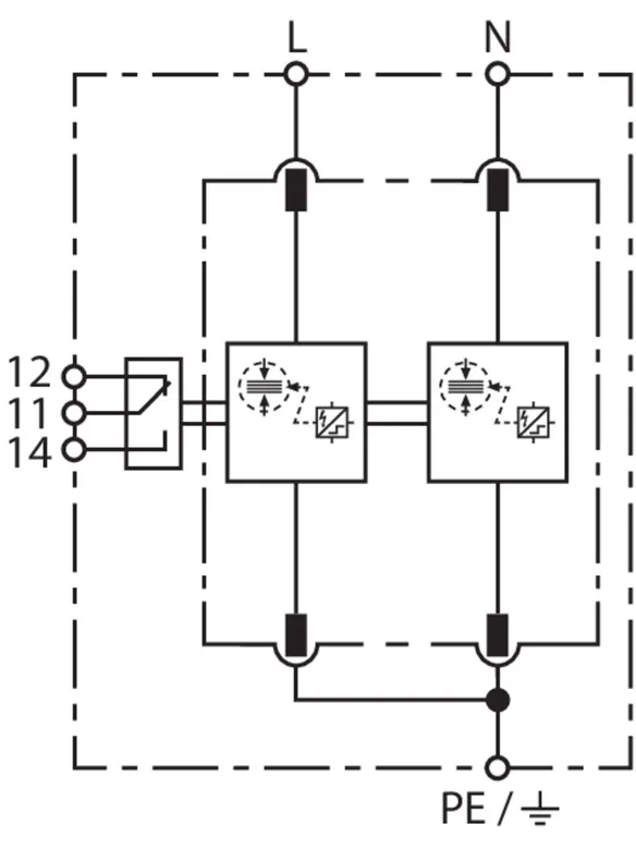
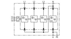
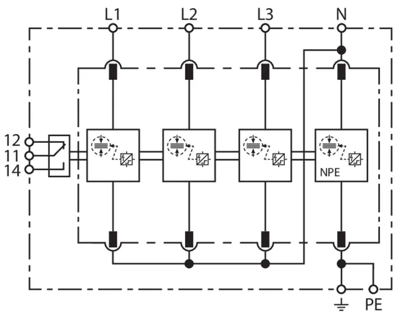
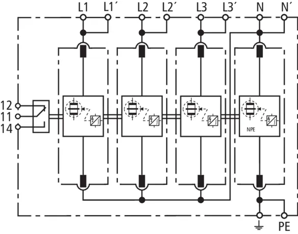
DEHNventil M2 TNC FM

Modulární kombinovaný svodič pro sítě TN-C.

1 Produkt

Obj. č. 956305 DV M2 TNC 255 FM

GTIN 4013364510586, Číslo celního sazebníku (EU): 85363090, Váha brutto: 519.19 g, Balící jednotka: 1.00 ks

Staré provedení

Vyobrazení

Další informace

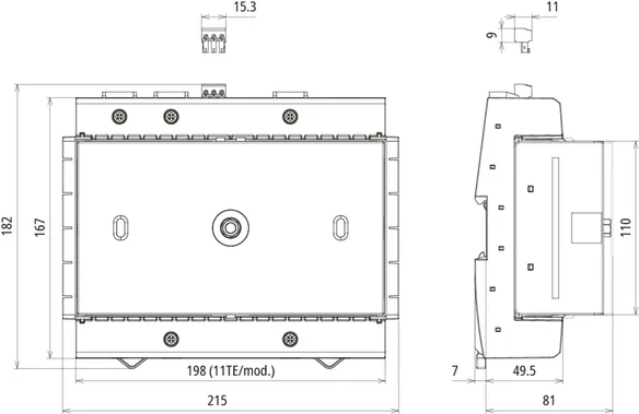
Modulární kombinovaný svodič DEHNventil M2 TNC 255 FM
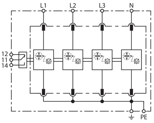
3pólový, modulární, zásuvný kombinovaný svodič pro
230/400 V systémy TN-C, šířka 4 TE
s kontaktem pro dálkovou signalizaci
Svodič typ 1 + typ 2 + typ 3 podle ČSN EN 61643-11, ed. 2
RAC technologie jiskřiště
s omezovací schopností následného proudu
Max. přípustné trvalé napětí: 255 V AC
Ochranná úroveň: <= 1,5 kV
Bleskový impulzní proud (10/350): 75 kA
Schopnost zhášet následný proud: do 100 kAeff.
Certifikace podle VDE, KEMA
Energetická koordinace podle DIN CLC/TS 61643-12
Svodič řady Red/Line, chrání i koncová zařízení

Výrobek: DEHN
Typ: DV M2 TNC 255 FM
Obj. č.: 956305
nebo rovnocenný.

Certifikáty

 

Použití při 16,7 Hz

Svodiče používané v síti německých drah DB AG musí kromě splnění požadavků normy DIN EN 61643-11 rovněž umožňovat použití na frekvenci 16,7 Hz. Rozšířené zkoušky potvrzují spolehlivost při použití v drážních napájecích systémech 16,7 Hz.

Technické informace

SPD podle ČSN EN 61643-11 / ... IEC 61643-11 typ 1 + typ 2 + typ 3/Třída I + Třída II + Třída 3
Bleskový proud (10/350 µs) [L1+L2+L3-PEN] (Itotal ) 75 kA
Bleskový proud (10/350 µs) [L-PEN] (Iimp ) 25 kA
Ochranná úroveň (UP ) ≤ 1,5 kV
Max. předjištění (L) do IK = 50 kAeff 250 A gG
Certifikace VDE, KEMA, UL
Kontakt dálkové signalizace/typ kontaktu ano/přepínač
Rozšířené technické údaje: Použití v rozvaděčích s prospektivními zkratovými proudy většími než 50 kAeff
– Max. prospektivní zkratový proud 100 kAeff (220 kApeak)

Produkt 956305 byl přidán na seznam.

K seznamu

Produkt 956305 byl přidán do nákupního košíku.


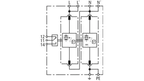
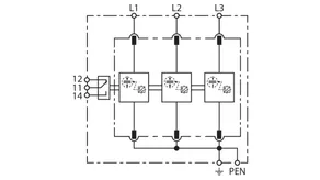
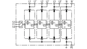
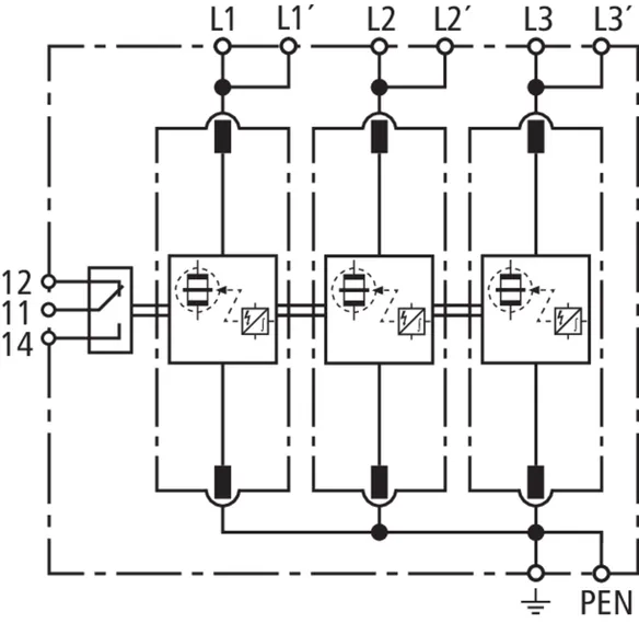
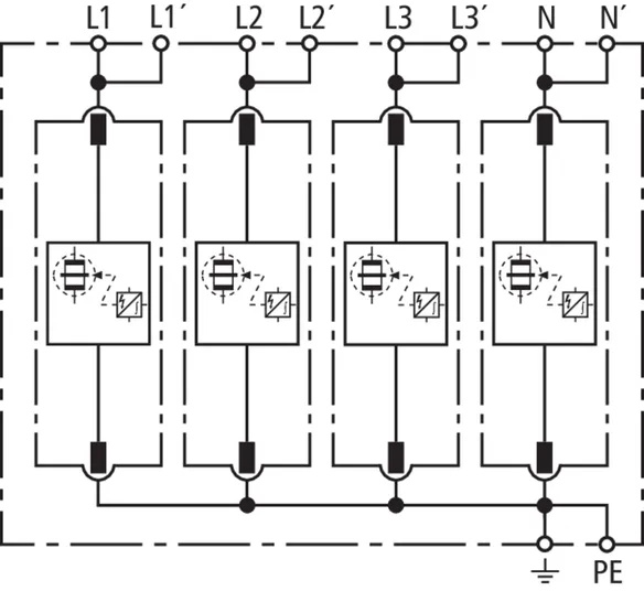
DEHNventil M2 TNS FM

Modulární kombinovaný svodič pro sítě TN-S.

1 Produkt

Obj. č. 956405 DV M2 TNS 255 FM

GTIN 4013364510562, Číslo celního sazebníku (EU): 85363090, Váha brutto: 583.68 g, Balící jednotka: 1.00 ks

Staré provedení

Vyobrazení

Další informace

Modulární kombinovaný svodič DEHNventil M2 TNS 255 FM
4pólový, modulární, zásuvný kombinovaný svodič pro
230/400 V systémy TN(C)-S, šířka 4 TE
s kontaktem pro dálkovou signalizaci
Svodič typ 1 + typ 2 + typ 3 podle ČSN EN 61643-11, ed. 2
RAC technologie jiskřiště
s omezovací schopností následného proudu
Max. přípustné trvalé napětí: 255 V AC
Ochranná úroveň: <= 1,5 kV
Bleskový impulzní proud (10/350): 100 kA
Schopnost zhášet následný proud: do 100 kAeff.
Certifikace podle VDE, KEMA
Energetická koordinace podle DIN CLC/TS 61643-12
Svodič řady Red/Line, chrání i koncová zařízení

Výrobek: DEHN
Typ: DV M2 TNS 255 FM
Obj. č.: 956405
nebo rovnocenný.

Certifikáty

 

Použití při 16,7 Hz

Svodiče používané v síti německých drah DB AG musí kromě splnění požadavků normy DIN EN 61643-11 rovněž umožňovat použití na frekvenci 16,7 Hz. Rozšířené zkoušky potvrzují spolehlivost při použití v drážních napájecích systémech 16,7 Hz.

Technické informace

SPD podle ČSN EN 61643-11 / ... IEC 61643-11 typ 1 + typ 2 + typ 3/Třída I + Třída II + Třída III
Bleskový proud (10/350 µs) [L1+L2+L3+N-PE] (Itotal ) 100 kA
Bleskový proud (10/350 µs) [L, N-PE] (Iimp ) 25 kA
Ochranná úroveň [L-PE]/[N-PE] (UP ) ≤ 1,5/≤ 1,5 kV
Max. předjištění (L) do IK = 50 kAeff 250 A gG
Certifikace VDE, KEMA, UL
Kontakt dálkové signalizace/typ kontaktu ano/přepínač
Rozšířené technické údaje: Použití v rozvaděčích s prospektivními zkratovými proudy většími než 50 kAeff
– Max. prospektivní zkratový proud 100 kAeff (220 kApeak)

Produkt 956405 byl přidán na seznam.

K seznamu

Produkt 956405 byl přidán do nákupního košíku.


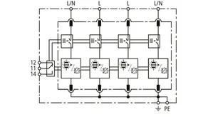
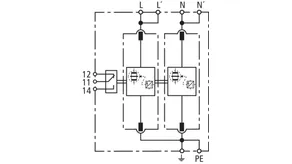
DEHNventil M2 TT FM

Modulární kombinovaný svodič pro systémy TT a TN-S (zapojení 3+1).

1 Produkt

Obj. č. 956315 DV M2 TT 255 FM

GTIN 4013364528963, Číslo celního sazebníku (EU): 85363090, Váha brutto: 616.00 g, Balící jednotka: 1.00 ks


Vyobrazení

Další informace

Modulární kombinovaný svodič DEHNventil M2 TT 255 FM
4pólový, modulární, zásuvný kombinovaný svodič pro
230/400 V systémy TT a TN(C)-S, šířka 4 TE
s kontaktem pro dálkovou signalizaci
Svodič typ 1 + typ 2 + typ 3 podle ČSN EN 61643-11, ed. 2
RAC technologie jiskřiště
s omezovací schopností následného proudu
Max. přípustné trvalé napětí: 255 V AC
Ochranná úroveň: <= 1,5 kV
Bleskový impulzní proud (10/350): 100 kA
Schopnost zhášet následný proud: do 100 kAeff.
Certifikace podle VDE, KEMA
Energetická koordinace podle DIN CLC/TS 61643-12
Svodič řady Red/Line, chrání i koncová zařízení

Výrobek: DEHN
Typ: DV M2 TT 255 FM
Obj. č.: 956315
nebo rovnocenný.

Certifikáty

 

Použití při 16,7 Hz

Svodiče používané v síti německých drah DB AG musí kromě splnění požadavků normy DIN EN 61643-11 rovněž umožňovat použití na frekvenci 16,7 Hz. Rozšířené zkoušky potvrzují spolehlivost při použití v drážních napájecích systémech 16,7 Hz.

Technické informace

SPD podle ČSN EN 61643-11 / ... IEC 61643-11 typ 1 + typ 2 + typ 3/Třída I + Třída II + Třída III
Bleskový proud (10/350 µs) [L1+L2+L3+N-PE] (Itotal ) 100 kA
Bleskový proud (10/350 µs) [L-N]/[N-PE] (Iimp ) 25/100 kA
Ochranná úroveň [L-N]/[N-PE] (UP ) ≤ 1,5/≤ 1,5 kV
Max. předjištění (L) do IK = 50 kAeff 250 A gG
Certifikace VDE, KEMA, UL
Kontakt dálkové signalizace/typ kontaktu ano/přepínač
Rozšířené technické údaje: Použití v rozvaděčích s prospektivními zkratovými proudy většími než 50 kAeff
– Max. prospektivní zkratový proud 100 kAeff (220 kApeak)
Doplňující údaje: ---------------------------------
– Ochranná úroveň [L-PE] (UP ) 1,8 kV

Produkt 956315 byl přidán na seznam.

K seznamu

Produkt 956315 byl přidán do nákupního košíku.


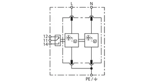
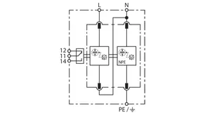
DEHNventil M2 TN FM

Modulární kombinovaný svodič pro jednofázové sítě TN.

1 Produkt

Obj. č. 956205 DV M2 TN 255 FM

GTIN 4013364510579, Číslo celního sazebníku (EU): 85363090, Váha brutto: 311.29 g, Balící jednotka: 1.00 ks

Staré provedení

Vyobrazení

Další informace

Modulární kombinovaný svodič DEHNventil M2 TN 255 FM
2pólový, modulární, zásuvný kombinovaný svodič pro
jednofázové systémy TN, šířka 2 TE
s kontaktem pro dálkovou signalizaci
Svodič typ 1 + typ 2 + typ 3 podle ČSN EN 61643-11, ed. 2
RAC technologie jiskřiště
s omezovací schopností následného proudu
Max. přípustné trvalé napětí: 255 V AC
Ochranná úroveň: <= 1,5 kV
Bleskový impulzní proud (10/350): 50 kA
Schopnost zhášet následný proud: do 100 kAeff.
Certifikace podle VDE, KEMA
Energetická koordinace podle DIN CLC/TS 61643-12
Svodič řady Red/Line, chrání i koncová zařízení

Výrobek: DEHN
Typ: DV M2 TN 255 FM
Obj. č.: 956205
nebo rovnocenný.

Certifikáty

 

Použití při 16,7 Hz

Svodiče používané v síti německých drah DB AG musí kromě splnění požadavků normy DIN EN 61643-11 rovněž umožňovat použití na frekvenci 16,7 Hz. Rozšířené zkoušky potvrzují spolehlivost při použití v drážních napájecích systémech 16,7 Hz.

Technické informace

SPD podle ČSN EN 61643-11 / ... IEC 61643-11 typ 1 + typ 2 + typ 3/Třída I + Třída II + Třída III
Bleskový proud (10/350 µs) [L+N-PE] (Itotal ) 50 kA
Bleskový proud (10/350 µs) [L, N-PE] (Iimp ) 25 kA
Ochranná úroveň [L-PE]/[N-PE] (UP ) ≤ 1,5/≤ 1,5 kV
Max. předjištění (L) do IK = 50 kAeff 250 A gG
Certifikace VDE, KEMA, UL
Kontakt dálkové signalizace/typ kontaktu ano/přepínač
Rozšířené technické údaje: Použití v rozvaděčích s prospektivními zkratovými proudy většími než 50 kAeff
– Max. prospektivní zkratový proud 100 kAeff (220 kApeak)

Produkt 956205 byl přidán na seznam.

K seznamu

Produkt 956205 byl přidán do nákupního košíku.


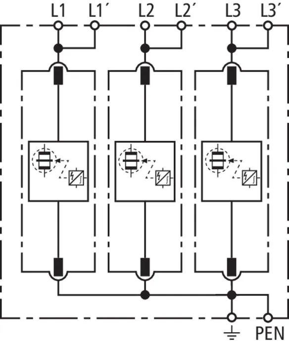
DEHNventil M2 TT 2P FM

Modulární kombinovaný svodič pro jednofázové systémy TT a TN (zapojení 1+1).

1 Produkt

Obj. č. 956115 DV M2 TT 2P 255 FM

GTIN 4013364546929, Číslo celního sazebníku (EU): 85363090, Váha brutto: 327.00 g, Balící jednotka: 1.00 ks


Vyobrazení

Další informace

Modulární kombinovaný svodič DEHNventil M2 TT 2P 255 FM
2pólový, modulární, zásuvný kombinovaný svodič pro
jednofázové systémy TT a TN, šířka 2 TE
s kontaktem pro dálkovou signalizaci
Svodič typ 1 + typ 2 + typ 3 podle ČSN EN 61643-11, ed. 2
RAC technologie jiskřiště
s omezovací schopností následného proudu
Max. přípustné trvalé napětí: 255 V AC
Ochranná úroveň: <= 1,5 kV
Bleskový impulzní proud (10/350): 50 kA
Schopnost zhášet následný proud: do 100 kAeff.
Certifikace podle VDE, KEMA
Energetická koordinace podle DIN CLC/TS 61643-12
Svodič řady Red/Line, chrání i koncová zařízení

Výrobek: DEHN
Typ: DV M2 TT 2P 255 FM
Obj. č.: 956115
nebo rovnocenný.

Certifikáty

 

Použití při 16,7 Hz

Svodiče používané v síti německých drah DB AG musí kromě splnění požadavků normy DIN EN 61643-11 rovněž umožňovat použití na frekvenci 16,7 Hz. Rozšířené zkoušky potvrzují spolehlivost při použití v drážních napájecích systémech 16,7 Hz.

Technické informace

SPD podle ČSN EN 61643-11 / ... IEC 61643-11 typ 1 + typ 2 + typ 3/Třída I + Třída II + Třída III
Bleskový proud (10/350 µs) [L+N-PE] (Itotal ) 50 kA
Bleskový proud (10/350 µs) [L-N]/[N-PE] (Iimp ) 25/50 kA
Ochranná úroveň [L-N]/[N-PE] (UP ) ≤ 1,5/≤ 1,5 kV
Max. předjištění (L) do IK = 50 kAeff 250 A gG
Certifikace VDE, KEMA, UL
Kontakt dálkové signalizace/typ kontaktu ano/přepínač
Rozšířené technické údaje: Použití v rozvaděčích s prospektivními zkratovými proudy většími než 50 kAeff
– Max. prospektivní zkratový proud 100 kAeff (220 kApeak)
Doplňující údaje: ---------------------------------
– Ochranná úroveň [L-PE] (UP ) 1,8 kV

Produkt 956115 byl přidán na seznam.

K seznamu

Produkt 956115 byl přidán do nákupního košíku.


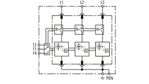
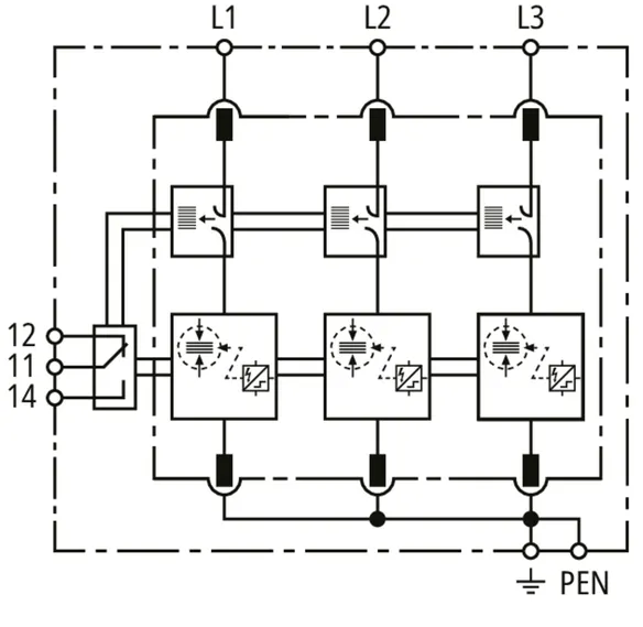
DEHNventil M TNC (FM)

Modulární kombinovaný svodič pro sítě TN-C 230/400 V (zapojení 3+0); v provedení FM s bezpotenciálovým kontaktem dálkové signalizace.

2 Produkty

Obj. č. 951300 DV M TNC 255

GTIN 4013364108134, Číslo celního sazebníku (EU): 85363090, Váha brutto: 1004.00 g, Balící jednotka: 1.00 ks

Staré provedení

Vyobrazení

Další informace

Modulární kombinovaný svodič DEHNventil M TNC 255
3-pólový kombinovaný svodič se zásuvným modulem
pro sítě 230/400 V TN-C, instalační šířka 6 jednotek
Svodič typ 1 + typ 2 podle ČSN EN 61643-11
s technologií RADAX-Flow
pro omezení následného proudu
nejvyšší provozní napětí: 264 V ac
ochranná úroveň: <= 1,5 kV
bleskový proud (10/350): 75 kA
Schopnost omezit následný proud: až 100 kAeff
energeticky zkoordinovaný podle ČSN EN 62350-4
se svodiči rodiny Red/line, nebo přímo s koncovým zařízením

Výrobek: DEHN
Typ: DV M TNC 255
Obj. č.: 951300
nebo rovnocenný.

Certifikáty

 

Technické informace

SPD podle ČSN EN 61643-11 / ... IEC 61643-11 typ 1 + typ 2/Třída I + Třída II
Bleskový proud (10/350 µs) [L1+L2+L3-PEN] (Itotal ) 75 kA
Bleskový proud (10/350 µs) [L-PEN] (Iimp ) 25 kA
Ochranná úroveň (UP ) ≤ 1,5 kV
Max. předjištění (L) do IK = 50 kAeff 315 A gG
Certifikace KEMA, VDE, UL
Rozšířené technické údaje: Použití v rozvaděčích s prospektivními zkratovými proudy většími než 50 kAeff
– Max. prospektivní zkratový proud 100 kAeff (220 kApeak)

Produkt 951300 byl přidán na seznam.

K seznamu

Produkt 951300 byl přidán do nákupního košíku.

Obj. č. 951305 DV M TNC 255 FM

GTIN 4013364108141, Číslo celního sazebníku (EU): 85363090, Váha brutto: 1020.00 g, Balící jednotka: 1.00 ks

Staré provedení

Vyobrazení

Další informace

Modulární kombinovaný svodič DEHNventil M TNC 255 FM
3-pólový kombinovaný svodič se zásuvným modulem
pro sítě 230/400 V TN-C, instalační šířka 6 jednotek
s kontaktem dálkové signalizace
Svodič typ 1 + typ 2 podle ČSN EN 61643-11
s technologií RADAX-Flow
pro omezení následného proudu
nejvyšší provozní napětí: 264 V ac
ochranná úroveň: <= 1,5 kV
bleskový proud (10/350): 75 kA
Schopnost omezit následný proud: až 100 kAeff
energeticky zkoordinovaný podle ČSN EN 62350-4
se svodiči rodiny Red/line, nebo přímo s koncovým zařízením

Výrobek: DEHN
Typ: DV M TNC 255 FM
Obj. č.: 951305
nebo rovnocenný.

Certifikáty

 

Technické informace

SPD podle ČSN EN 61643-11 / ... IEC 61643-11 typ 1 + typ 2/Třída I + Třída II
Bleskový proud (10/350 µs) [L1+L2+L3-PEN] (Itotal ) 75 kA
Bleskový proud (10/350 µs) [L-PEN] (Iimp ) 25 kA
Ochranná úroveň (UP ) ≤ 1,5 kV
Max. předjištění (L) do IK = 50 kAeff 315 A gG
Certifikace KEMA, VDE, UL
Kontakt dálkové signalizace/typ kontaktu přepínač
Rozšířené technické údaje: Použití v rozvaděčích s prospektivními zkratovými proudy většími než 50 kAeff
– Max. prospektivní zkratový proud 100 kAeff (220 kApeak)

Produkt 951305 byl přidán na seznam.

K seznamu

Produkt 951305 byl přidán do nákupního košíku.


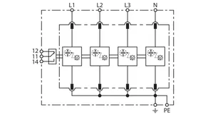
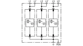
DEHNventil M TNS (FM)

Modulární kombinovaný svodič pro sítě TN-S 230/400 V (zapojení 4+0); v provedení FM s bezpotenciálovým kontaktem dálkové signalizace.

2 Produkty

Obj. č. 951400 DV M TNS 255

GTIN 4013364108158, Číslo celního sazebníku (EU): 85363090, Váha brutto: 1.40 kg, Balící jednotka: 1.00 ks

Staré provedení

Vyobrazení

Další informace

Modulární kombinovaný svodič DEHNventil M TNS 255
4-pólový, modulární, zásuvný kombinovaný svodič
pro sítě 230/400 V- TN(C) S, šířka 8TE
Svodič typ 1 + typ 2 podle ČSN EN 61643-11
s omezením následného proudu technologií RADAX-Flow
Nejvyšší napětí: 264 V ac
Úroveň ochrany: <= 1,5 kV
Bleskový proud (10/350): 100 kA
Schopnost omezit následný proud: do 100 kAeff
Energetická koordinace podle ČSN EN 62305-4
Svodič řady Red/Line, chrání i koncová zařízení

Výrobek: DEHN
Typ: DV M TNS 255
Obj. č.: 951400
nebo rovnocenný.

Certifikáty

 

Technické informace

SPD podle ČSN EN 61643-11 / ... IEC 61643-11 typ 1 + typ 2/Třída I + Třída II
Bleskový proud (10/350 µs) [L1+L2+L3+N-PE] (Itotal ) 100 kA
Bleskový proud (10/350 µs) [L, N-PE] (Iimp ) 25 kA
Ochranná úroveň [L-PE]/[N-PE] (UP ) ≤ 1,5/≤ 1,5 kV
Max. předjištění (L) do IK = 50 kAeff 315 A gG
Certifikace KEMA, VDE, UL
Rozšířené technické údaje: Použití v rozvaděčích s prospektivními zkratovými proudy většími než 50 kAeff
– Max. prospektivní zkratový proud 100 kAeff (220 kApeak)

Produkt 951400 byl přidán na seznam.

K seznamu

Produkt 951400 byl přidán do nákupního košíku.

Obj. č. 951405 DV M TNS 255 FM

GTIN 4013364108165, Číslo celního sazebníku (EU): 85363090, Váha brutto: 1.40 kg, Balící jednotka: 1.00 ks

Staré provedení

Vyobrazení

Další informace

Modulární kombinovaný svodič DEHNventil M TNS 255 FM
4-pólový, modulární, zásuvný kombinovaný svodič
pro sítě 230/400 V- TN(C) S, šířka 8TE
s kontaktem dálkové signalizace
Svodič typ 1 + typ 2 podle ČSN EN 61643-11
s omezením následného proudu technologií RADAX-Flow
Nejvyšší napětí: 264 V ac
Úroveň ochrany: <= 1,5 kV
Bleskový proud (10/350): 100 kA
Schopnost omezit následný proud: do 100 kAeff
Energetická koordinace podle ČSN EN 62305-4
Svodič řady Red/Line, chrání i koncová zařízení

Výrobek: DEHN
Typ: DV M TNS 255 FM
Obj. č.: 951405
nebo rovnocenný.

Certifikáty

 

Technické informace

SPD podle ČSN EN 61643-11 / ... IEC 61643-11 typ 1 + typ 2/Třída I + Třída II
Bleskový proud (10/350 µs) [L1+L2+L3+N-PE] (Itotal ) 100 kA
Bleskový proud (10/350 µs) [L, N-PE] (Iimp ) 25 kA
Ochranná úroveň [L-PE]/[N-PE] (UP ) ≤ 1,5/≤ 1,5 kV
Max. předjištění (L) do IK = 50 kAeff 315 A gG
Certifikace KEMA, VDE, UL
Kontakt dálkové signalizace/typ kontaktu přepínač
Rozšířené technické údaje: Použití v rozvaděčích s prospektivními zkratovými proudy většími než 50 kAeff
– Max. prospektivní zkratový proud 100 kAeff (220 kApeak)

Produkt 951405 byl přidán na seznam.

K seznamu

Produkt 951405 byl přidán do nákupního košíku.


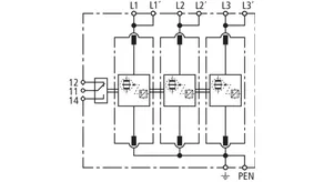
DEHNventil M TT (FM)

Modulární kombinovaný svodič pro sítě TT a TN-S 230/400 V (zapojení 3+1); v provedení FM s bezpotenciálovým kontaktem dálkové signalizace.

2 Produkty

Obj. č. 951310 DV M TT 255

GTIN 4013364108172, Číslo celního sazebníku (EU): 85363090, Váha brutto: 1.31 kg, Balící jednotka: 1.00 ks

Staré provedení

Vyobrazení

Další informace

Modulární kombinovaný svodič DEHNventil M TT 255
4-pólový, modulární, zásuvný kombinovaný svodič
pro sítě 230/400 V- TT a TN(C) S, šířka 8TE
Svodič typ 1 + typ 2 podle ČSN EN 61643-11
s omezením následného proudu technologií RADAX-Flow
Nejvyšší napětí: 264 V ac
Úroveň ochrany: <= 1,5 kV
Bleskový proud (10/350): 100 kA
Schopnost omezit následný proud: do 100 kAeff
Energetická koordinace podle ČSN EN 62305-4
Svodič řady Red/Line, chrání i koncová zařízení

Výrobek: DEHN
Typ: DV M TT 255
Obj. č.: 951310
nebo rovnocenný.

Certifikáty

 

Technické informace

SPD podle ČSN EN 61643-11 / ... IEC 61643-11 typ 1 + typ 2/Třída I + Třída II
Bleskový proud (10/350 µs) [L1+L2+L3+N-PE] (Itotal ) 100 kA
Bleskový proud (10/350 µs) [L-N]/[N-PE] (Iimp ) 25/100 kA
Ochranná úroveň [L-N]/[N-PE] (UP ) ≤ 1,5/≤ 1,5 kV
Max. předjištění (L) do IK = 50 kAeff 315 A gG
Certifikace KEMA, VDE, UL
Rozšířené technické údaje: Použití v rozvaděčích s prospektivními zkratovými proudy většími než 50 kAeff
– Max. prospektivní zkratový proud 100 kAeff (220 kApeak)
Doplňující údaje: ---------------------------------
– Ochranná úroveň [L-PE] (UP ) 2,2 kV

Produkt 951310 byl přidán na seznam.

K seznamu

Produkt 951310 byl přidán do nákupního košíku.

Obj. č. 951315 DV M TT 255 FM

GTIN 4013364108189, Číslo celního sazebníku (EU): 85363090, Váha brutto: 1.32 kg, Balící jednotka: 1.00 ks

Staré provedení

Vyobrazení

Další informace

Modulární kombinovaný svodič DEHNventil M TT 255 FM
4-pólový, modulární, zásuvný kombinovaný svodič
pro sítě 230/400 V- TT a TN(C) S, šířka 8TE
s kontaktem dálkové signalizace
Svodič typ 1 + typ 2 podle ČSN EN 61643-11
s omezením následného proudu technologií RADAX-Flow
Nejvyšší napětí: 264 V ac
Úroveň ochrany: <= 1,5 kV
Bleskový proud (10/350): 100 kA
Schopnost omezit následný proud: do 100 kAeff
Energetická koordinace podle ČSN EN 62305-4
Svodič řady Red/Line, chrání i koncová zařízení

Výrobek: DEHN
Typ: DV M TT 255 FM
Obj. č.: 951315
nebo rovnocenný.

Certifikáty

 

Technické informace

SPD podle ČSN EN 61643-11 / ... IEC 61643-11 typ 1 + typ 2/Třída I + Třída II
Bleskový proud (10/350 µs) [L1+L2+L3+N-PE] (Itotal ) 100 kA
Bleskový proud (10/350 µs) [L-N]/[N-PE] (Iimp ) 25/100 kA
Ochranná úroveň [L-N]/[N-PE] (UP ) ≤ 1,5/≤ 1,5 kV
Max. předjištění (L) do IK = 50 kAeff 315 A gG
Certifikace KEMA, VDE, UL
Kontakt dálkové signalizace/typ kontaktu přepínač
Rozšířené technické údaje: Použití v rozvaděčích s prospektivními zkratovými proudy většími než 50 kAeff
– Max. prospektivní zkratový proud 100 kAeff (220 kApeak)
Doplňující údaje: ---------------------------------
– Ochranná úroveň [L-PE] (UP ) 2,2 kV

Produkt 951315 byl přidán na seznam.

K seznamu

Produkt 951315 byl přidán do nákupního košíku.


DEHNventil M TN (FM)

Modulární kombinovaný svodič pro jednofázové sítě TN 230 V (zapojení 2+0); v provedení FM s bezpotenciálovým kontaktem dálkové signalizace.

2 Produkty

Obj. č. 951200 DV M TN 255

GTIN 4013364108097, Číslo celního sazebníku (EU): 85363090, Váha brutto: 754.00 g, Balící jednotka: 1.00 ks

Staré provedení

Vyobrazení

Další informace

Modulární kombinovaný svodič DEHNventil M TN 255
2-pólový, modulární, zásuvný kombinovaný svodič
pro jednofázové TN sítě, šířka 4TE
Svodič typ 1 + typ 2 podle ČSN EN 61643-11
s omezením následného proudu technologií RADAX-Flow
Nejvyšší napětí: 264 V ac
Úroveň ochrany: <= 1,5 kV
Bleskový proud (10/350): 50 kA
Schopnost omezit následný proud: do 100 kAeff
Energetická koordinace podle ČSN EN 62305-4
Svodič řady Red/Line, chrání i koncová zařízení

Výrobek: DEHN
Typ: DV M TN 255
Obj. č.: 951200
nebo rovnocenný.

Certifikáty

 

Technické informace

SPD podle ČSN EN 61643-11 / ... IEC 61643-11 typ 1 + typ 2/Třída I + Třída II
Bleskový proud (10/350 µs) [L+N-PE] (Itotal ) 50 kA
Bleskový proud (10/350 µs) [L, N-PE] (Iimp ) 25 kA
Ochranná úroveň [L-PE]/[N-PE] (UP ) ≤ 1,5/≤ 1,5 kV
Max. předjištění (L) do IK = 50 kAeff 315 A gG
Certifikace KEMA, VDE, UL
Rozšířené technické údaje: Použití v rozvaděčích s prospektivními zkratovými proudy většími než 50 kAeff
– Max. prospektivní zkratový proud 100 kAeff (220 kApeak)

Produkt 951200 byl přidán na seznam.

K seznamu

Produkt 951200 byl přidán do nákupního košíku.

Obj. č. 951205 DV M TN 255 FM

GTIN 4013364108103, Číslo celního sazebníku (EU): 85363090, Váha brutto: 698.50 g, Balící jednotka: 1.00 ks

Staré provedení

Vyobrazení

Další informace

Modulární kombinovaný svodič DEHNventil M TN 255
2-pólový, modulární, zásuvný kombinovaný svodič
pro sítě 230/400 V TN, šířka 4TE
s kontaktem dálkové signalizace
Svodič typ 1 + typ 2 podle ČSN EN 61643-11
s omezením následného proudu technologií RADAX-Flow
Nejvyšší napětí: 264 V ac
Úroveň ochrany: <= 1,5 kV
Bleskový proud (10/350): 50 kA
Schopnost omezit následný proud: do 100 kAeff
Energetická koordinace podle ČSN EN 62305-4
Svodič řady Red/Line, chrání i koncová zařízení

Výrobek: DEHN
Typ: DV M TN 255 FM
Obj. č.: 951205
nebo rovnocenný.

Certifikáty

 

Technické informace

SPD podle ČSN EN 61643-11 / ... IEC 61643-11 typ 1 + typ 2/Třída I + Třída II
Bleskový proud (10/350 µs) [L+N-PE] (Itotal ) 50 kA
Bleskový proud (10/350 µs) [L, N-PE] (Iimp ) 25 kA
Ochranná úroveň [L-PE]/[N-PE] (UP ) ≤ 1,5/≤ 1,5 kV
Max. předjištění (L) do IK = 50 kAeff 315 A gG
Certifikace KEMA, VDE, UL
Kontakt dálkové signalizace/typ kontaktu přepínač
Rozšířené technické údaje: Použití v rozvaděčích s prospektivními zkratovými proudy většími než 50 kAeff
– Max. prospektivní zkratový proud 100 kAeff (220 kApeak)

Produkt 951205 byl přidán na seznam.

K seznamu

Produkt 951205 byl přidán do nákupního košíku.


DEHNventil M TT 2P (FM)

Modulární kombinovaný svodič pro jednofázové sítě TT a TN-S 230 V (zapojení 1+1); v provedení FM s bezpotenciálovým kontaktem dálkové signalizace.

2 Produkty

Obj. č. 951110 DV M TT 2P 255

GTIN 4013364108110, Číslo celního sazebníku (EU): 85363090, Váha brutto: 688.59 g, Balící jednotka: 1.00 ks

Staré provedení

Vyobrazení

Další informace

Modulární kombinovaný svodič DEHNventil M TT 2P 255
2-pólový, modulární, zásuvný kombinovaný svodič
pro jednofázové TT a TN sítě, šířka 4TE
Svodič typ 1 + typ 2 podle ČSN EN 61643-11
s omezením následného proudu technologií RADAX-Flow
Nejvyšší napětí: 264 V ac
Úroveň ochrany: <= 1,5 kV
Bleskový proud (10/350): 50 kA
Schopnost omezit následný proud: do 100 kAeff
Energetická koordinace podle ČSN EN 62305-4
Svodič řady Red/Line, chrání i koncová zařízení

Výrobek: DEHN
Typ: DV M TT 2P 255
Obj. č.: 951110
nebo rovnocenný.

Certifikáty

 

Technické informace

SPD podle ČSN EN 61643-11 / ... IEC 61643-11 typ 1 + typ 2/Třída I + Třída II
Bleskový proud (10/350 µs) [L+N-PE] (Itotal ) 50 kA
Bleskový proud (10/350 µs) [L-N]/[N-PE] (Iimp ) 25/50 kA
Ochranná úroveň [L-N]/[N-PE] (UP ) ≤ 1,5/≤ 1,5 kV
Max. předjištění (L) do IK = 50 kAeff 315 A gG
Certifikace KEMA, VDE, UL
Rozšířené technické údaje: Použití v rozvaděčích s prospektivními zkratovými proudy většími než 50 kAeff
– Max. prospektivní zkratový proud 100 kAeff (220 kApeak)
Doplňující údaje: ---------------------------------
– Ochranná úroveň [L-PE] (UP ) 2,2 kV

Produkt 951110 byl přidán na seznam.

K seznamu

Produkt 951110 byl přidán do nákupního košíku.

Obj. č. 951115 DV M TT 2P 255 FM

GTIN 4013364108127, Číslo celního sazebníku (EU): 85363090, Váha brutto: 694.38 g, Balící jednotka: 1.00 ks

Staré provedení

Vyobrazení

Další informace

Modulární kombinovaný svodič DEHNventil M TT 2P 255 FM
2-pólový, modulární, zásuvný kombinovaný svodič
pro jednofázové TT a TN sítě, šířka 4TE
s kontaktem dálkové signalizace
Svodič typ 1 + typ 2 podle ČSN EN 61643-11
s omezením následného proudu technologií RADAX-Flow
Nejvyšší napětí: 264 V ac
Úroveň ochrany: <= 1,5 kV
Bleskový proud (10/350): 50 kA
Schopnost omezit následný proud: do 100 kAeff
Energetická koordinace podle ČSN EN 62305-4
Svodič řady Red/Line, chrání i koncová zařízení

Výrobek: DEHN
Typ: DV M TT 2P 255 FM
Obj. č.: 951115
nebo rovnocenný.

Certifikáty

 

Technické informace

SPD podle ČSN EN 61643-11 / ... IEC 61643-11 typ 1 + typ 2/Třída I + Třída II
Bleskový proud (10/350 µs) [L+N-PE] (Itotal ) 50 kA
Bleskový proud (10/350 µs) [L-N]/[N-PE] (Iimp ) 25/50 kA
Ochranná úroveň [L-N]/[N-PE] (UP ) ≤ 1,5/≤ 1,5 kV
Max. předjištění (L) do IK = 50 kAeff 315 A gG
Certifikace KEMA, VDE, UL
Kontakt dálkové signalizace/typ kontaktu přepínač
Rozšířené technické údaje: Použití v rozvaděčích s prospektivními zkratovými proudy většími než 50 kAeff
– Max. prospektivní zkratový proud 100 kAeff (220 kApeak)
Doplňující údaje: ---------------------------------
– Ochranná úroveň [L-PE] (UP ) 2,2 kV

Produkt 951115 byl přidán na seznam.

K seznamu

Produkt 951115 byl přidán do nákupního košíku.


DEHNventil ACI TNC FM

Modulární kombinovaný svodič s technologií Advanced-Circuit Interruption (ACI) pro sítě TN-C.

Brzy bude k dispozici.

1 Produkt

Obj. č. 961305 DV ACI M TNC 264 FM

GTIN 4013364513440, Číslo celního sazebníku (EU): 85363090, Váha brutto: 2.42 kg, Balící jednotka: 1.00 ks


Vyobrazení

Další informace

Modulární kombinovaný svodič DEHNventil ACI M TNC 264 FM
Třípólový modulární zásuvný kombinovaný svodič
pro 230/400V sítě TN-C s integrovaným
ACI vypínačem/jiskřištěm, šířka 11 TE
s kontaktem pro dálkovou signalizaci
Svodič typ 1 + typ 2 + typ 3 podle EN 61643-11
Technologie jiskřiště RADAX-Flow
s omezovací schopností následného proudu
Max. přípustné trvalé napětí: 264 V ac
Ochranná úroveň: <= 1,5 kV
Bleskový impulzní proud (10/350): 75 kA
Schopnost zhášet následný proud: do 100 kAeff.
Certifikace podle VDE, KEMA
Energetická koordinace podle IEC 61643-12
svodič řady Red/Line
i přímo ke koncovému zařízení

Výrobek: DEHN
Typ: DV ACI M TNC 264 FM
Obj. č.: 961305
nebo rovnocenný.

Certifikáty

 

Technické informace

SPD podle EN 61643-11 / IEC 61643-11 typ 1 + typ 2 + typ 3 / třída I + třída II + třída III
Bleskový proud (10/350 µs) [L1+L2+L3-PEN] (Itotal ) 75 kA
Bleskový proud (10/350 µs) [L-PEN] (Iimp ) 25 kA
Ochranná úroveň (UP ) ≤ 1,5 kV
Rozšířené technické údaje: Použití v rozvaděčích s prospektivními zkratovými proudy většími než 50 kAeff
– Max. prospektivní zkratový proud 100 kAeff (220 kApeak)

Produkt 961305 byl přidán na seznam.

K seznamu

Produkt 961305 byl přidán do nákupního košíku.


DEHNventil ACI TNS FM

Modulární kombinovaný svodič s technologií Advanced-Circuit Interruption (ACI) pro sítě TN-S.

Brzy bude k dispozici.

1 Produkt

Obj. č. 961405 DV ACI M TNS 264 FM

GTIN 4013364513365, Číslo celního sazebníku (EU): 85363090, Váha brutto: 2.42 kg, Balící jednotka: 1.00 ks


Vyobrazení

Další informace

Modulární kombinovaný svodič DEHNventil ACI M TNS 264 FM
Čtyřpólový modulární zásuvný kombinovaný svodič
pro 230/400V sítě TN(C)-S s integrovaným
ACI spínačem/jiskřištěm
šířka 11 TE
s kontaktem pro dálkovou signalizaci
Svodič typ 1 + typ 2 + typ 3 podle EN 61643-11
Technologie jiskřiště RADAX-Flow
s omezovací schopností následného proudu
Max. přípustné trvalé napětí: 264 V ac
Ochranná úroveň: <= 1,5 kV
Bleskový impulzní proud (10/350): 100 kA
Schopnost zhášet následný proud: do 100 kAeff.
Certifikace podle VDE, KEMA
Energetická koordinace podle IEC 61643-12
svodič řady Red/Line
i přímo ke koncovému zařízení

Výrobek: DEHN
Typ: DV ACI M TNS 264 FM
Obj. č.: 961405
nebo rovnocenný.

Certifikáty

 

Technické informace

SPD podle EN 61643-11 / IEC 61643-11 typ 1 + typ 2 + typ 3 / třída I + třída II + třída III
Bleskový proud (10/350 µs) [L1+L2+L3+N-PE] (Itotal ) 100 kA
Bleskový proud (10/350 µs) [L, N-PE] (Iimp ) 25 kA
Ochranná úroveň [L-PE]/[N-PE] (UP ) ≤ 1,5 kV
Rozšířené technické údaje: Použití v rozvaděčích s prospektivními zkratovými proudy většími než 50 kAeff
– Max. prospektivní zkratový proud 100 kAeff (220 kApeak)

Produkt 961405 byl přidán na seznam.

K seznamu

Produkt 961405 byl přidán do nákupního košíku.


DEHNventil M2 880 FM

Sada sestávající ze zásuvných svodičů bleskových proudů a přepětí včetně izolované propojovací lišty pro použití v systémech střídačů s aktivní technologií anti-PID s max. hodnotou DC offsetu 750 V DC. Zapojení uzemňovací soustavy podle IEC 60364-4-44, tabulka 44.A1 – RE a Z a také RE a RA jsou připojené.

1 Produkt

Obj. č. 961151 DV M2 880 FM

GTIN 4013364532557, Číslo celního sazebníku (EU): 85363090, Váha brutto: 1.07 kg, Balící jednotka: 1.00 ks


Vyobrazení

Další informace

Modulární kombinovaný svodič DEHNventil M2 880 FM
3pólový, modulární, zásuvný kombinovaný svodič pro
880V neuzemněné třífázové systémy, šířka 8 modulových jednotek (TE)
s kontaktem pro dálkovou signalizaci
Svodič typ 1 + typ 2 podle EN 61643-11
RAC technologie jiskřiště
s omezovací schopností následného proudu
Max. přípustné trvalé napětí: 880 V AC
Ochranná úroveň: <= 4 kV
Bleskový impulzní proud (10/350): 12,5 kA
Schopnost zhášet následný proud: do 50 kAeff

Výrobek: DEHN
Typ: DV M2 880 FM
Obj. č.: 961151
nebo rovnocenný.

Certifikáty

 

Technické informace

SPD podle ČSN EN 61643-11 / ... IEC 61643-11 typ 1 + typ 2 / třída I + třída II
Bleskový impulzní proud (10/350 µs) [1,2-3] (Iimp ) 12,5 kA
Max. předjištění (L) do IK = 50 kAeff 160 A gG
Kontakt dálkové signalizace/typ kontaktu ano / přepínač
Doplňující údaje: ---------------------------------
– Anti-PID napětí (U1-3 + UPID ) 508 VAC + 750 VDC – pevnost

Produkt 961151 byl přidán na seznam.

K seznamu

Produkt 961151 byl přidán do nákupního košíku.


back to top