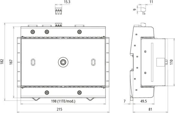
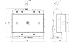
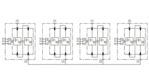
DEHNventil modular
:quality(98)/www.dehn.cz/store/f/63195960/HDVORSCHAU/956315a0001_16-9.jpg)
:quality(98)/www.dehn.cz/store/f/63195960/HDVORSCHAU/956315a0001_16-9.jpg)
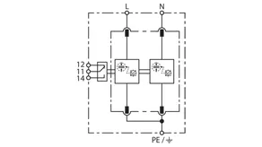
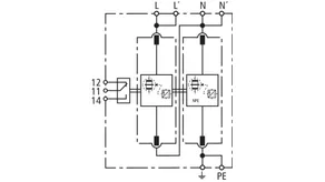
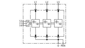
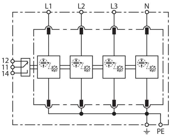
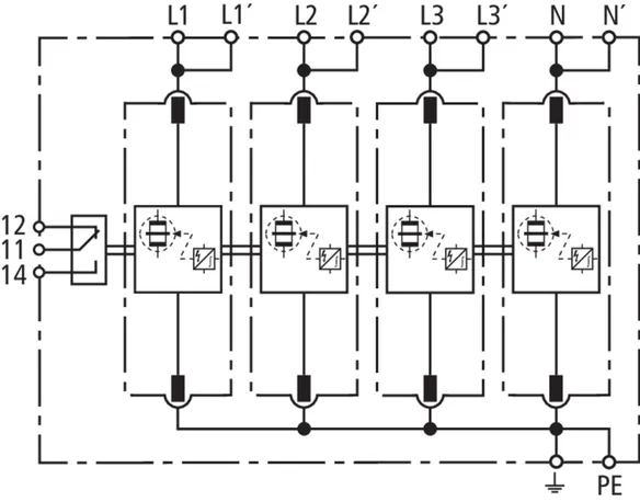
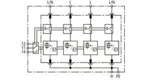
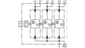
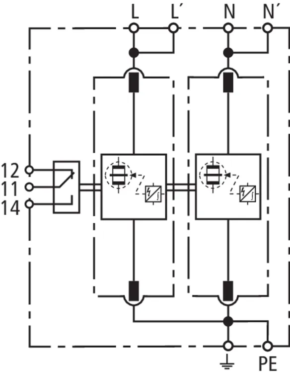
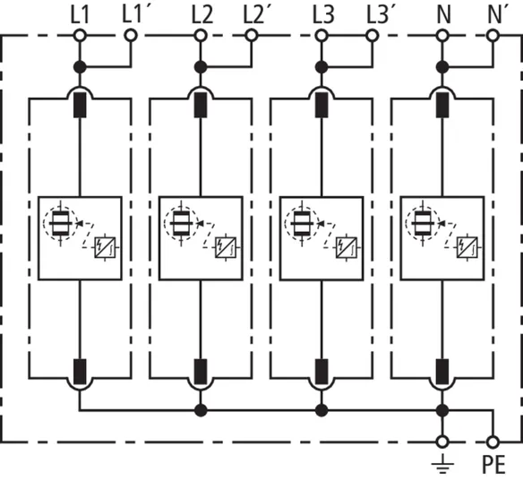
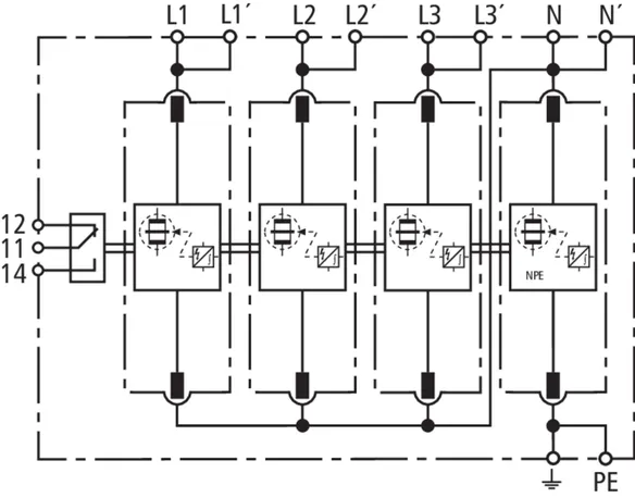
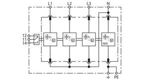
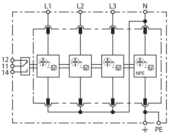
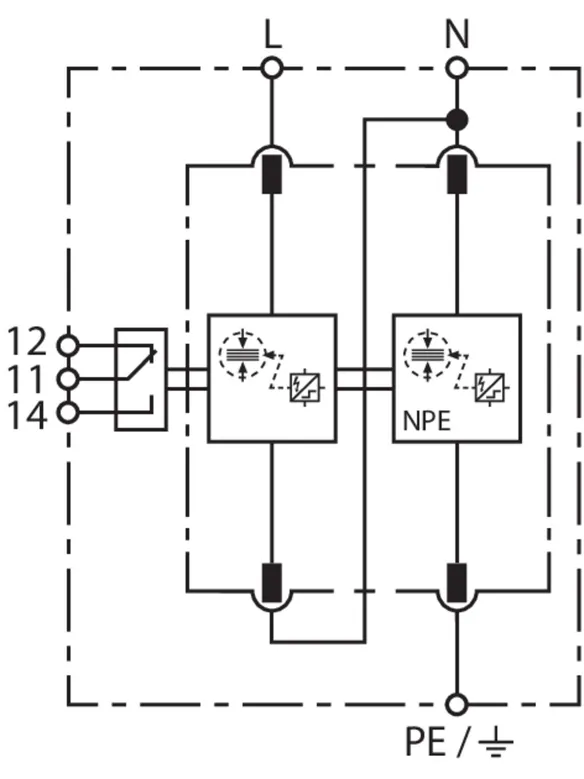
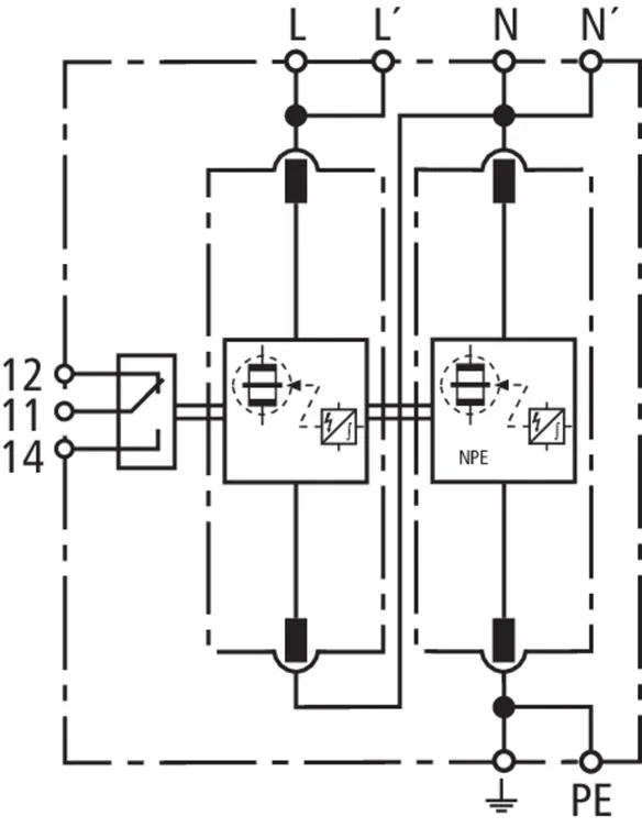
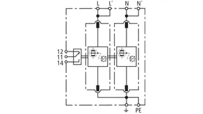
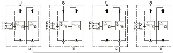
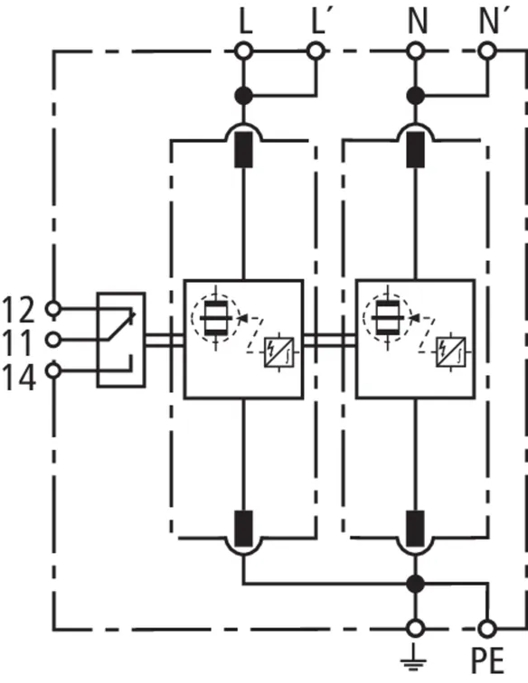
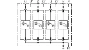
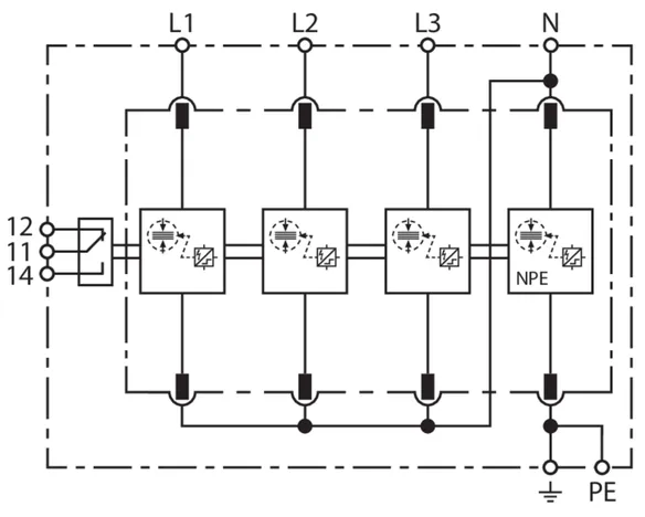
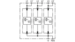
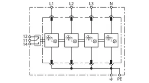
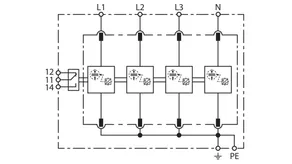
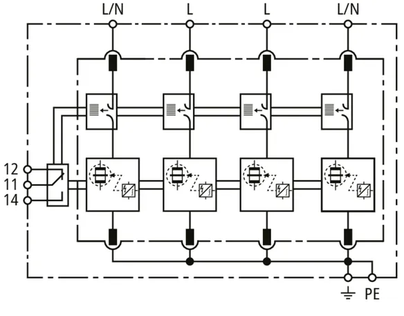
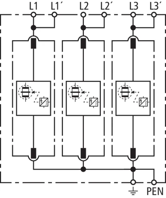
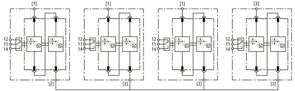
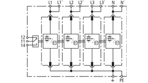
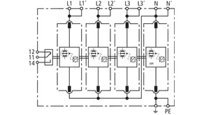
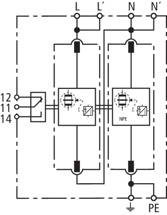
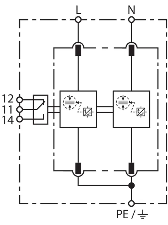
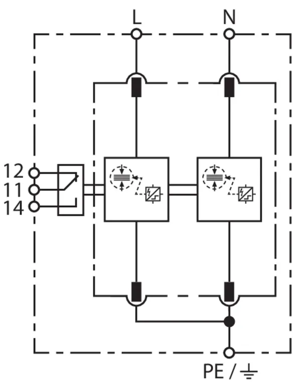
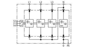
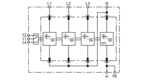
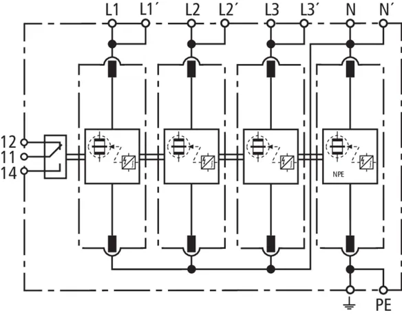
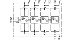
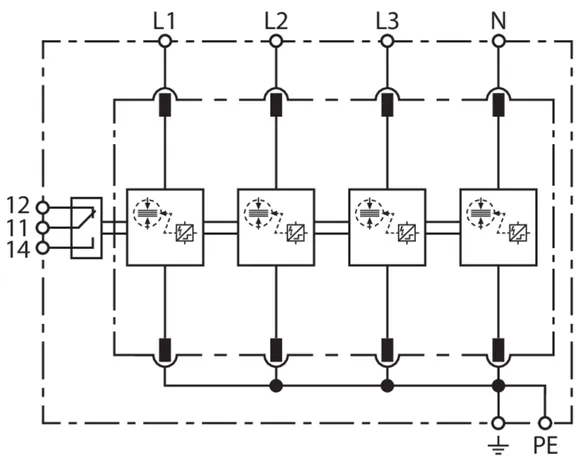
- Kompletně zapojený kombinovaný svodič typ 1 + typ 2 + typ 3 na bázi jiskřiště, složený ze základního dílu a jednoho zásuvného ochranného modulu
- Výkonná RAC technologie jiskřiště pro ochranu koncových zařízení
- Jiskřiště je selektivní, do velikosti zkratového proudu 50 kAeff nezpůsobuje vybavení pojistek od hodnoty 20 A gG a výše
- Schopnost svádět bleskové proudy až do 100 kA (10/350 µs)
- Umožňuje ochranu koncového zařízení
- Nízká zbytková energie umožňuje ochranu koncových zařízení a výrazně zvyšuje životnost koncových zařízení
- Ukazatel provoz/porucha prostřednictvím zeleno-červeného terčíku v signalizačním poli a kontrola všech ochranných cest
- Jednoduchá výměna ochranného modulu bez použití nářadí díky uzamykacímu modulu s tlačítkem pro uvolnění modulu
Details
:quality(98)/www.dehn.cz/store/f/63195961/HDVORSCHAU/954315a0004.jpg)
:quality(98)/www.dehn.cz/store/f/63195961/HDVORSCHAU/954315a0004.jpg)
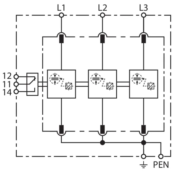
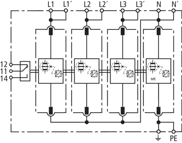
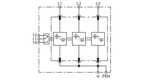
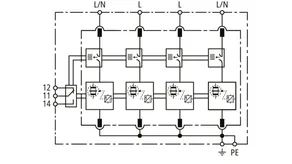
Obj. č. 956305 DV M2 TNC 255 FM
GTIN 4013364510586, Číslo celního sazebníku (EU): 85363090, Váha brutto: 519.19 g, Balící jednotka: 1.00 ks
Staré provedeníTechnické informace
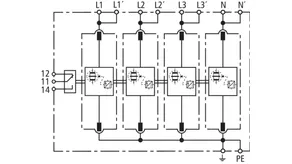
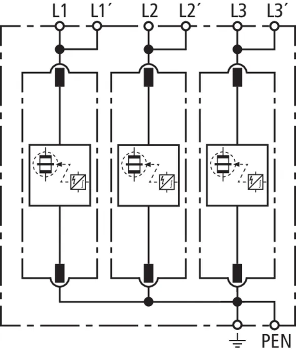
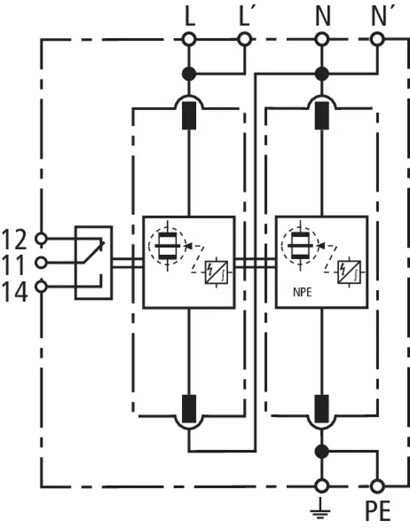
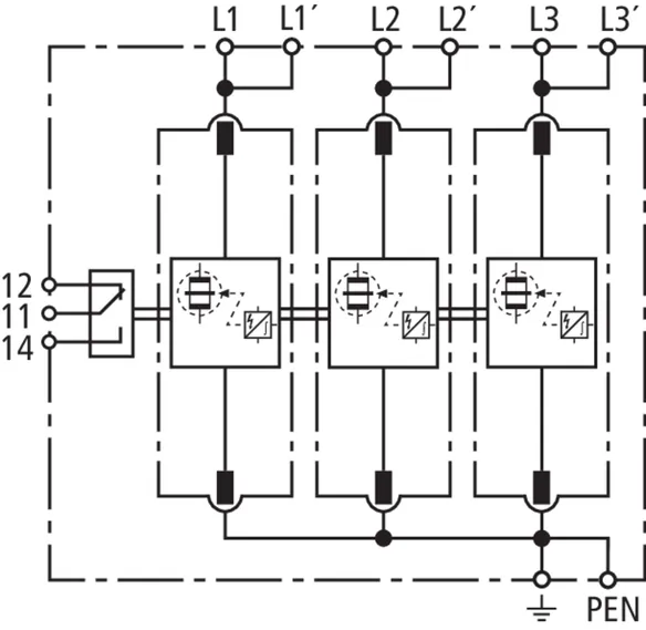
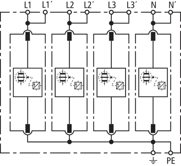
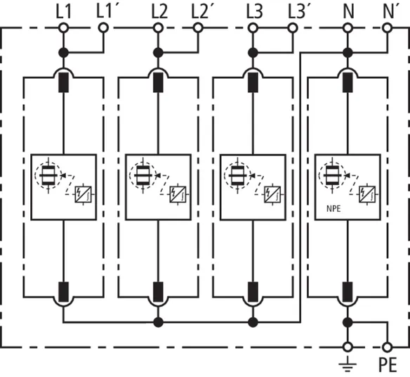
SPD podle ČSN EN 61643-11 / ... IEC 61643-11 | typ 1 + typ 2 + typ 3/Třída I + Třída II + Třída 3 |
Bleskový proud (10/350 µs) [L1+L2+L3-PEN] (Itotal ) | 75 kA |
Bleskový proud (10/350 µs) [L-PEN] (Iimp ) | 25 kA |
Ochranná úroveň (UP ) | ≤ 1,5 kV |
Max. předjištění (L) do IK = 50 kAeff | 250 A gG |
Certifikace | VDE, KEMA, UL |
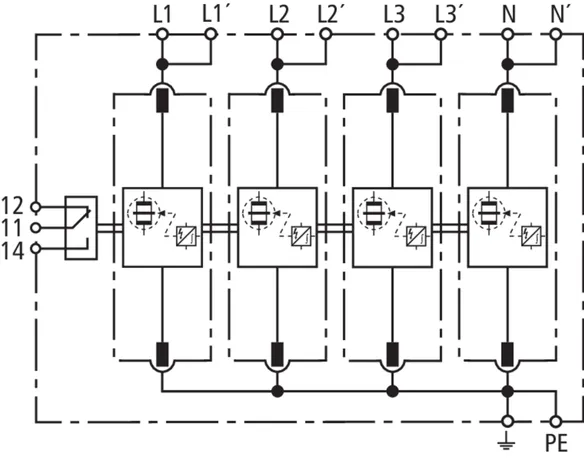
Kontakt dálkové signalizace/typ kontaktu | ano/přepínač |
Rozšířené technické údaje: | Použití v rozvaděčích s prospektivními zkratovými proudy většími než 50 kAeff |
– Max. prospektivní zkratový proud | 100 kAeff (220 kApeak) |
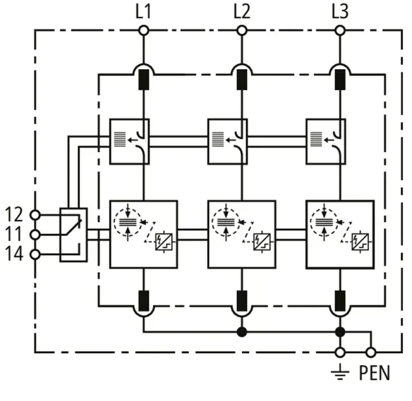
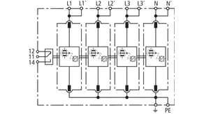
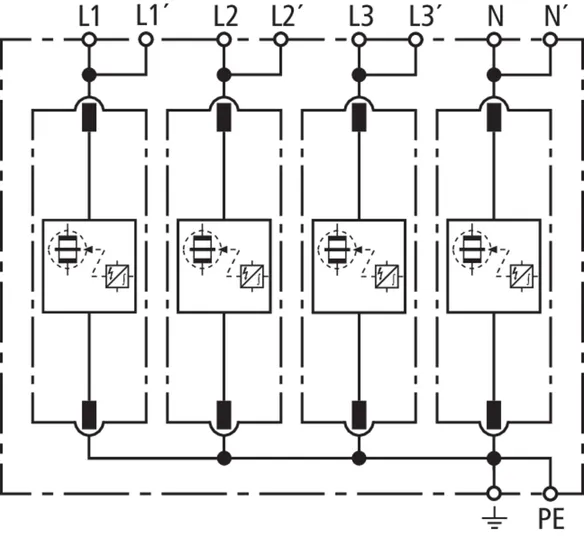
Obj. č. 956405 DV M2 TNS 255 FM
GTIN 4013364510562, Číslo celního sazebníku (EU): 85363090, Váha brutto: 583.68 g, Balící jednotka: 1.00 ks
Staré provedeníTechnické informace
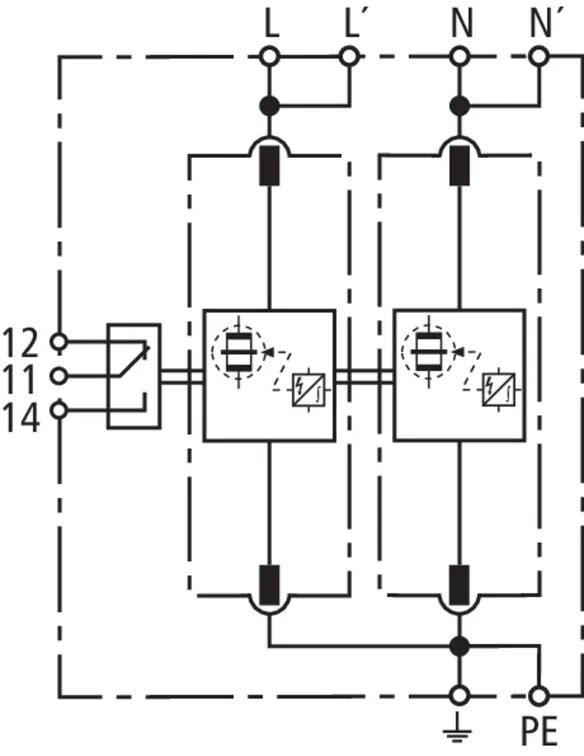
SPD podle ČSN EN 61643-11 / ... IEC 61643-11 | typ 1 + typ 2 + typ 3/Třída I + Třída II + Třída III |
Bleskový proud (10/350 µs) [L1+L2+L3+N-PE] (Itotal ) | 100 kA |
Bleskový proud (10/350 µs) [L, N-PE] (Iimp ) | 25 kA |
Ochranná úroveň [L-PE]/[N-PE] (UP ) | ≤ 1,5/≤ 1,5 kV |
Max. předjištění (L) do IK = 50 kAeff | 250 A gG |
Certifikace | VDE, KEMA, UL |
Kontakt dálkové signalizace/typ kontaktu | ano/přepínač |
Rozšířené technické údaje: | Použití v rozvaděčích s prospektivními zkratovými proudy většími než 50 kAeff |
– Max. prospektivní zkratový proud | 100 kAeff (220 kApeak) |
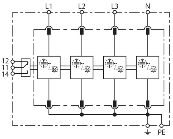
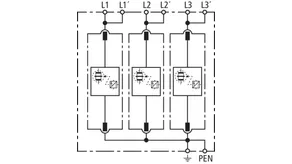
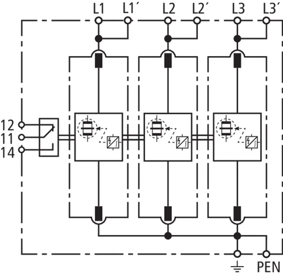
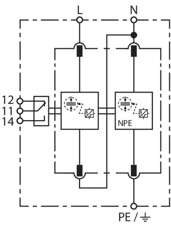
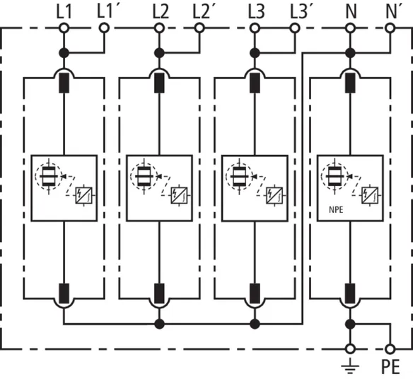
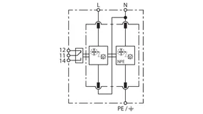
Obj. č. 956315 DV M2 TT 255 FM
GTIN 4013364528963, Číslo celního sazebníku (EU): 85363090, Váha brutto: 616.00 g, Balící jednotka: 1.00 ks
Technické informace
SPD podle ČSN EN 61643-11 / ... IEC 61643-11 | typ 1 + typ 2 + typ 3/Třída I + Třída II + Třída III |
Bleskový proud (10/350 µs) [L1+L2+L3+N-PE] (Itotal ) | 100 kA |
Bleskový proud (10/350 µs) [L-N]/[N-PE] (Iimp ) | 25/100 kA |
Ochranná úroveň [L-N]/[N-PE] (UP ) | ≤ 1,5/≤ 1,5 kV |
Max. předjištění (L) do IK = 50 kAeff | 250 A gG |
Certifikace | VDE, KEMA, UL |
Kontakt dálkové signalizace/typ kontaktu | ano/přepínač |
Rozšířené technické údaje: | Použití v rozvaděčích s prospektivními zkratovými proudy většími než 50 kAeff |
– Max. prospektivní zkratový proud | 100 kAeff (220 kApeak) |
Doplňující údaje: | --------------------------------- |
– Ochranná úroveň [L-PE] (UP ) | 1,8 kV |
Obj. č. 956205 DV M2 TN 255 FM
GTIN 4013364510579, Číslo celního sazebníku (EU): 85363090, Váha brutto: 311.29 g, Balící jednotka: 1.00 ks
Staré provedeníTechnické informace
SPD podle ČSN EN 61643-11 / ... IEC 61643-11 | typ 1 + typ 2 + typ 3/Třída I + Třída II + Třída III |
Bleskový proud (10/350 µs) [L+N-PE] (Itotal ) | 50 kA |
Bleskový proud (10/350 µs) [L, N-PE] (Iimp ) | 25 kA |
Ochranná úroveň [L-PE]/[N-PE] (UP ) | ≤ 1,5/≤ 1,5 kV |
Max. předjištění (L) do IK = 50 kAeff | 250 A gG |
Certifikace | VDE, KEMA, UL |
Kontakt dálkové signalizace/typ kontaktu | ano/přepínač |
Rozšířené technické údaje: | Použití v rozvaděčích s prospektivními zkratovými proudy většími než 50 kAeff |
– Max. prospektivní zkratový proud | 100 kAeff (220 kApeak) |
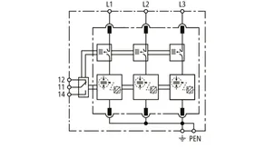
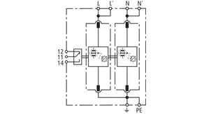
Obj. č. 956115 DV M2 TT 2P 255 FM
GTIN 4013364546929, Číslo celního sazebníku (EU): 85363090, Váha brutto: 327.00 g, Balící jednotka: 1.00 ks
Technické informace
SPD podle ČSN EN 61643-11 / ... IEC 61643-11 | typ 1 + typ 2 + typ 3/Třída I + Třída II + Třída III |
Bleskový proud (10/350 µs) [L+N-PE] (Itotal ) | 50 kA |
Bleskový proud (10/350 µs) [L-N]/[N-PE] (Iimp ) | 25/50 kA |
Ochranná úroveň [L-N]/[N-PE] (UP ) | ≤ 1,5/≤ 1,5 kV |
Max. předjištění (L) do IK = 50 kAeff | 250 A gG |
Certifikace | VDE, KEMA, UL |
Kontakt dálkové signalizace/typ kontaktu | ano/přepínač |
Rozšířené technické údaje: | Použití v rozvaděčích s prospektivními zkratovými proudy většími než 50 kAeff |
– Max. prospektivní zkratový proud | 100 kAeff (220 kApeak) |
Doplňující údaje: | --------------------------------- |
– Ochranná úroveň [L-PE] (UP ) | 1,8 kV |
Obj. č. 951300 DV M TNC 255
GTIN 4013364108134, Číslo celního sazebníku (EU): 85363090, Váha brutto: 1004.00 g, Balící jednotka: 1.00 ks
Staré provedeníTechnické informace
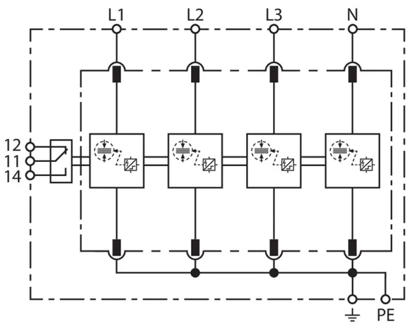
SPD podle ČSN EN 61643-11 / ... IEC 61643-11 | typ 1 + typ 2/Třída I + Třída II |
Bleskový proud (10/350 µs) [L1+L2+L3-PEN] (Itotal ) | 75 kA |
Bleskový proud (10/350 µs) [L-PEN] (Iimp ) | 25 kA |
Ochranná úroveň (UP ) | ≤ 1,5 kV |
Max. předjištění (L) do IK = 50 kAeff | 315 A gG |
Certifikace | KEMA, VDE, UL |
Rozšířené technické údaje: | Použití v rozvaděčích s prospektivními zkratovými proudy většími než 50 kAeff |
– Max. prospektivní zkratový proud | 100 kAeff (220 kApeak) |
Obj. č. 951305 DV M TNC 255 FM
GTIN 4013364108141, Číslo celního sazebníku (EU): 85363090, Váha brutto: 1020.00 g, Balící jednotka: 1.00 ks
Staré provedeníTechnické informace
SPD podle ČSN EN 61643-11 / ... IEC 61643-11 | typ 1 + typ 2/Třída I + Třída II |
Bleskový proud (10/350 µs) [L1+L2+L3-PEN] (Itotal ) | 75 kA |
Bleskový proud (10/350 µs) [L-PEN] (Iimp ) | 25 kA |
Ochranná úroveň (UP ) | ≤ 1,5 kV |
Max. předjištění (L) do IK = 50 kAeff | 315 A gG |
Certifikace | KEMA, VDE, UL |
Kontakt dálkové signalizace/typ kontaktu | přepínač |
Rozšířené technické údaje: | Použití v rozvaděčích s prospektivními zkratovými proudy většími než 50 kAeff |
– Max. prospektivní zkratový proud | 100 kAeff (220 kApeak) |
Obj. č. 951400 DV M TNS 255
GTIN 4013364108158, Číslo celního sazebníku (EU): 85363090, Váha brutto: 1.40 kg, Balící jednotka: 1.00 ks
Staré provedeníTechnické informace
SPD podle ČSN EN 61643-11 / ... IEC 61643-11 | typ 1 + typ 2/Třída I + Třída II |
Bleskový proud (10/350 µs) [L1+L2+L3+N-PE] (Itotal ) | 100 kA |
Bleskový proud (10/350 µs) [L, N-PE] (Iimp ) | 25 kA |
Ochranná úroveň [L-PE]/[N-PE] (UP ) | ≤ 1,5/≤ 1,5 kV |
Max. předjištění (L) do IK = 50 kAeff | 315 A gG |
Certifikace | KEMA, VDE, UL |
Rozšířené technické údaje: | Použití v rozvaděčích s prospektivními zkratovými proudy většími než 50 kAeff |
– Max. prospektivní zkratový proud | 100 kAeff (220 kApeak) |
Obj. č. 951405 DV M TNS 255 FM
GTIN 4013364108165, Číslo celního sazebníku (EU): 85363090, Váha brutto: 1.40 kg, Balící jednotka: 1.00 ks
Staré provedeníTechnické informace
SPD podle ČSN EN 61643-11 / ... IEC 61643-11 | typ 1 + typ 2/Třída I + Třída II |
Bleskový proud (10/350 µs) [L1+L2+L3+N-PE] (Itotal ) | 100 kA |
Bleskový proud (10/350 µs) [L, N-PE] (Iimp ) | 25 kA |
Ochranná úroveň [L-PE]/[N-PE] (UP ) | ≤ 1,5/≤ 1,5 kV |
Max. předjištění (L) do IK = 50 kAeff | 315 A gG |
Certifikace | KEMA, VDE, UL |
Kontakt dálkové signalizace/typ kontaktu | přepínač |
Rozšířené technické údaje: | Použití v rozvaděčích s prospektivními zkratovými proudy většími než 50 kAeff |
– Max. prospektivní zkratový proud | 100 kAeff (220 kApeak) |
Obj. č. 951310 DV M TT 255
GTIN 4013364108172, Číslo celního sazebníku (EU): 85363090, Váha brutto: 1.31 kg, Balící jednotka: 1.00 ks
Staré provedeníTechnické informace
SPD podle ČSN EN 61643-11 / ... IEC 61643-11 | typ 1 + typ 2/Třída I + Třída II |
Bleskový proud (10/350 µs) [L1+L2+L3+N-PE] (Itotal ) | 100 kA |
Bleskový proud (10/350 µs) [L-N]/[N-PE] (Iimp ) | 25/100 kA |
Ochranná úroveň [L-N]/[N-PE] (UP ) | ≤ 1,5/≤ 1,5 kV |
Max. předjištění (L) do IK = 50 kAeff | 315 A gG |
Certifikace | KEMA, VDE, UL |
Rozšířené technické údaje: | Použití v rozvaděčích s prospektivními zkratovými proudy většími než 50 kAeff |
– Max. prospektivní zkratový proud | 100 kAeff (220 kApeak) |
Doplňující údaje: | --------------------------------- |
– Ochranná úroveň [L-PE] (UP ) | 2,2 kV |
Obj. č. 951315 DV M TT 255 FM
GTIN 4013364108189, Číslo celního sazebníku (EU): 85363090, Váha brutto: 1.32 kg, Balící jednotka: 1.00 ks
Staré provedeníTechnické informace
SPD podle ČSN EN 61643-11 / ... IEC 61643-11 | typ 1 + typ 2/Třída I + Třída II |
Bleskový proud (10/350 µs) [L1+L2+L3+N-PE] (Itotal ) | 100 kA |
Bleskový proud (10/350 µs) [L-N]/[N-PE] (Iimp ) | 25/100 kA |
Ochranná úroveň [L-N]/[N-PE] (UP ) | ≤ 1,5/≤ 1,5 kV |
Max. předjištění (L) do IK = 50 kAeff | 315 A gG |
Certifikace | KEMA, VDE, UL |
Kontakt dálkové signalizace/typ kontaktu | přepínač |
Rozšířené technické údaje: | Použití v rozvaděčích s prospektivními zkratovými proudy většími než 50 kAeff |
– Max. prospektivní zkratový proud | 100 kAeff (220 kApeak) |
Doplňující údaje: | --------------------------------- |
– Ochranná úroveň [L-PE] (UP ) | 2,2 kV |
Obj. č. 951200 DV M TN 255
GTIN 4013364108097, Číslo celního sazebníku (EU): 85363090, Váha brutto: 754.00 g, Balící jednotka: 1.00 ks
Staré provedeníTechnické informace
SPD podle ČSN EN 61643-11 / ... IEC 61643-11 | typ 1 + typ 2/Třída I + Třída II |
Bleskový proud (10/350 µs) [L+N-PE] (Itotal ) | 50 kA |
Bleskový proud (10/350 µs) [L, N-PE] (Iimp ) | 25 kA |
Ochranná úroveň [L-PE]/[N-PE] (UP ) | ≤ 1,5/≤ 1,5 kV |
Max. předjištění (L) do IK = 50 kAeff | 315 A gG |
Certifikace | KEMA, VDE, UL |
Rozšířené technické údaje: | Použití v rozvaděčích s prospektivními zkratovými proudy většími než 50 kAeff |
– Max. prospektivní zkratový proud | 100 kAeff (220 kApeak) |
Obj. č. 951205 DV M TN 255 FM
GTIN 4013364108103, Číslo celního sazebníku (EU): 85363090, Váha brutto: 698.50 g, Balící jednotka: 1.00 ks
Staré provedeníTechnické informace
SPD podle ČSN EN 61643-11 / ... IEC 61643-11 | typ 1 + typ 2/Třída I + Třída II |
Bleskový proud (10/350 µs) [L+N-PE] (Itotal ) | 50 kA |
Bleskový proud (10/350 µs) [L, N-PE] (Iimp ) | 25 kA |
Ochranná úroveň [L-PE]/[N-PE] (UP ) | ≤ 1,5/≤ 1,5 kV |
Max. předjištění (L) do IK = 50 kAeff | 315 A gG |
Certifikace | KEMA, VDE, UL |
Kontakt dálkové signalizace/typ kontaktu | přepínač |
Rozšířené technické údaje: | Použití v rozvaděčích s prospektivními zkratovými proudy většími než 50 kAeff |
– Max. prospektivní zkratový proud | 100 kAeff (220 kApeak) |
Obj. č. 951110 DV M TT 2P 255
GTIN 4013364108110, Číslo celního sazebníku (EU): 85363090, Váha brutto: 688.59 g, Balící jednotka: 1.00 ks
Staré provedeníTechnické informace
SPD podle ČSN EN 61643-11 / ... IEC 61643-11 | typ 1 + typ 2/Třída I + Třída II |
Bleskový proud (10/350 µs) [L+N-PE] (Itotal ) | 50 kA |
Bleskový proud (10/350 µs) [L-N]/[N-PE] (Iimp ) | 25/50 kA |
Ochranná úroveň [L-N]/[N-PE] (UP ) | ≤ 1,5/≤ 1,5 kV |
Max. předjištění (L) do IK = 50 kAeff | 315 A gG |
Certifikace | KEMA, VDE, UL |
Rozšířené technické údaje: | Použití v rozvaděčích s prospektivními zkratovými proudy většími než 50 kAeff |
– Max. prospektivní zkratový proud | 100 kAeff (220 kApeak) |
Doplňující údaje: | --------------------------------- |
– Ochranná úroveň [L-PE] (UP ) | 2,2 kV |
Obj. č. 951115 DV M TT 2P 255 FM
GTIN 4013364108127, Číslo celního sazebníku (EU): 85363090, Váha brutto: 694.38 g, Balící jednotka: 1.00 ks
Staré provedeníTechnické informace
SPD podle ČSN EN 61643-11 / ... IEC 61643-11 | typ 1 + typ 2/Třída I + Třída II |
Bleskový proud (10/350 µs) [L+N-PE] (Itotal ) | 50 kA |
Bleskový proud (10/350 µs) [L-N]/[N-PE] (Iimp ) | 25/50 kA |
Ochranná úroveň [L-N]/[N-PE] (UP ) | ≤ 1,5/≤ 1,5 kV |
Max. předjištění (L) do IK = 50 kAeff | 315 A gG |
Certifikace | KEMA, VDE, UL |
Kontakt dálkové signalizace/typ kontaktu | přepínač |
Rozšířené technické údaje: | Použití v rozvaděčích s prospektivními zkratovými proudy většími než 50 kAeff |
– Max. prospektivní zkratový proud | 100 kAeff (220 kApeak) |
Doplňující údaje: | --------------------------------- |
– Ochranná úroveň [L-PE] (UP ) | 2,2 kV |
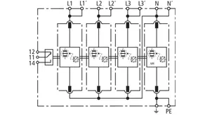
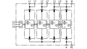
Obj. č. 961305 DV ACI M TNC 264 FM
GTIN 4013364513440, Číslo celního sazebníku (EU): 85363090, Váha brutto: 2.42 kg, Balící jednotka: 1.00 ks
Technické informace
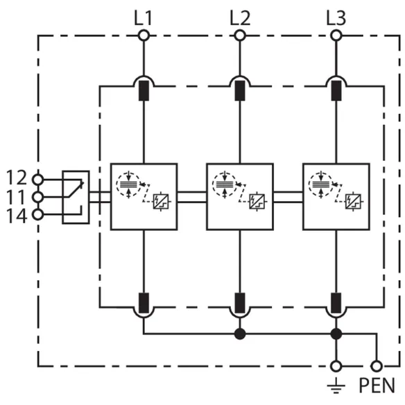
SPD podle EN 61673-11 / IEC 61643-11 | typ 1 + typ 2 + typ 3 / třída I + třída II + třída III |
Bleskový proud (10/350 µs) [L1+L2+L3-PEN] (Itotal ) | 75 kA |
Bleskový proud (10/350 µs) [L-PEN] (Iimp ) | 25 kA |
Ochranná úroveň (UP ) | ≤ 1,5 kV |
Rozšířené technické údaje: | Použití v rozvaděčích s prospektivními zkratovými proudy většími než 50 kAeff |
– Max. prospektivní zkratový proud | 100 kAeff (220 kApeak) |
Obj. č. 961405 DV ACI M TNS 264 FM
GTIN 4013364513365, Číslo celního sazebníku (EU): 85363090, Váha brutto: 2.42 kg, Balící jednotka: 1.00 ks
Technické informace
SPD podle EN 61673-11 / IEC 61643-11 | typ 1 + typ 2 + typ 3 / třída I + třída II + třída III |
Bleskový proud (10/350 µs) [L1+L2+L3+N-PE] (Itotal ) | 100 kA |
Bleskový proud (10/350 µs) [L, N-PE] (Iimp ) | 25 kA |
Ochranná úroveň [L-PE]/[N-PE] (UP ) | ≤ 1,5 kV |
Rozšířené technické údaje: | Použití v rozvaděčích s prospektivními zkratovými proudy většími než 50 kAeff |
– Max. prospektivní zkratový proud | 100 kAeff (220 kApeak) |
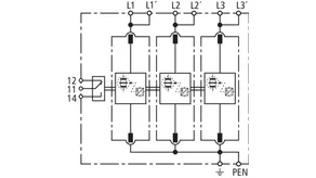
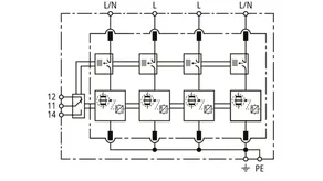
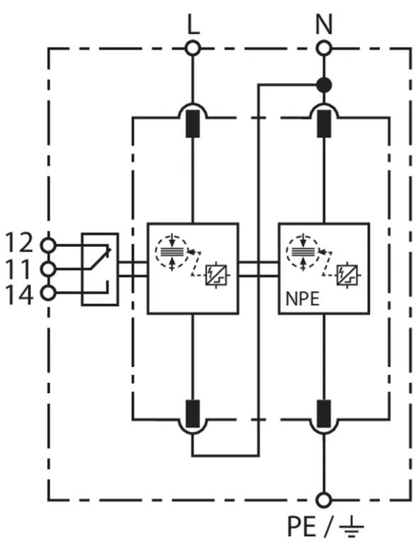
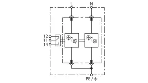
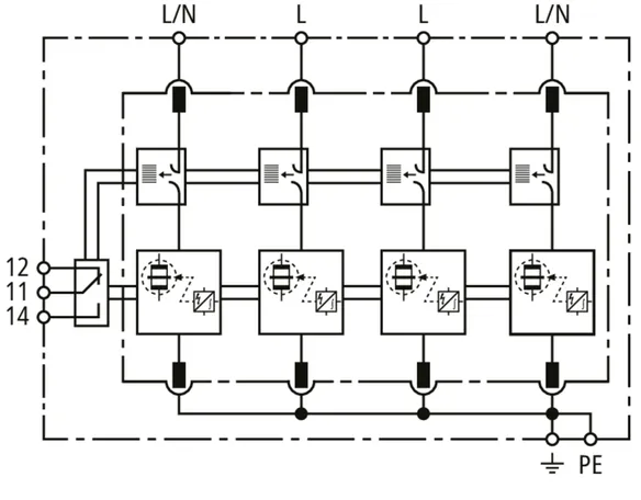
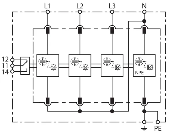
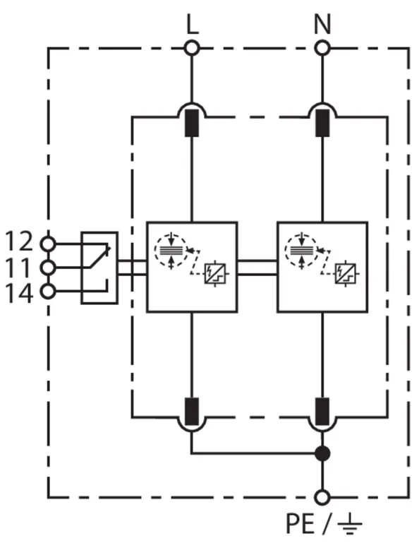
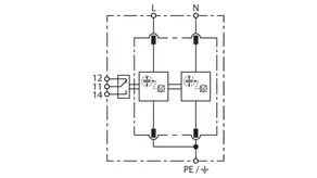
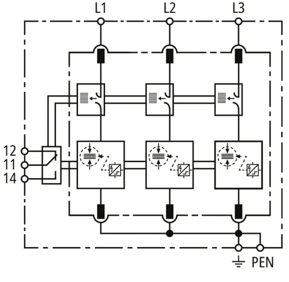
DEHNventil M2 880 FM
Sada sestávající ze zásuvných svodičů bleskových proudů a přepětí včetně izolované propojovací lišty pro použití v systémech střídačů s aktivní technologií anti-PID s max. hodnotou DC offsetu 750 V DC. Zapojení uzemňovací soustavy podle IEC 60364-4-44, tabulka 44.A1 – RE a Z a také RE a RA jsou připojené.
1 Produkt
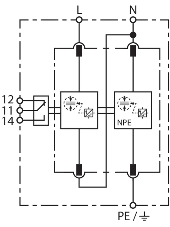
Obj. č. 961151 DV M2 880 FM
GTIN 4013364532557, Číslo celního sazebníku (EU): 85363090, Váha brutto: 1.07 kg, Balící jednotka: 1.00 ks
Technické informace
SPD podle ČSN EN 61643-11 / ... IEC 61643-11 | typ 1 + typ 2 / třída I + třída II |
Bleskový impulzní proud (10/350 µs) [1,2-3] (Iimp ) | 12,5 kA |
Max. předjištění (L) do IK = 50 kAeff | 160 A gG |
Kontakt dálkové signalizace/typ kontaktu | ano / přepínač |
Doplňující údaje: | --------------------------------- |
– Anti-PID napětí (U1-3 + UPID ) | 508 VAC + 750 VDC – pevnost |