DEHNguard modular s obvodem Advanced-Circuit Interruption dimenzovaným pro bezpečnost

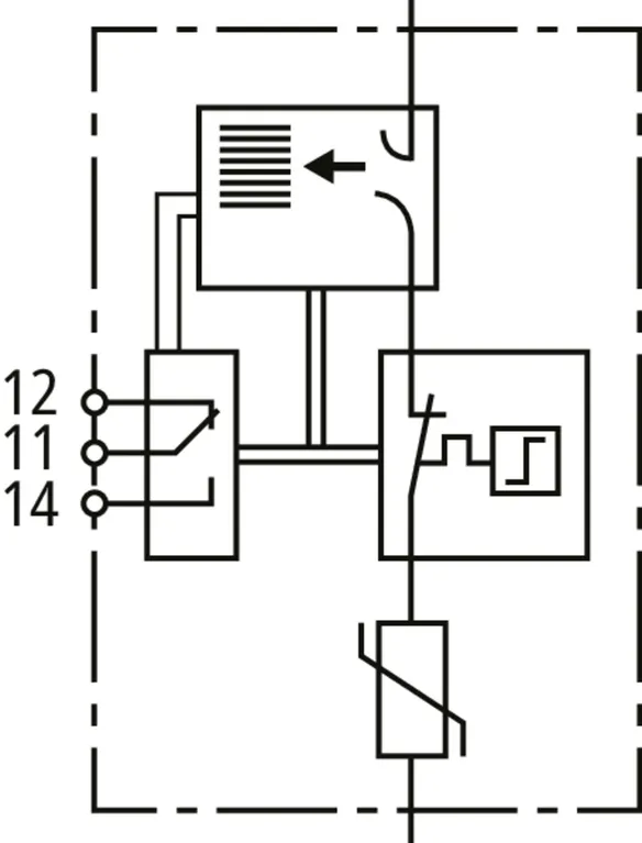
  • Nová technologie "Advanced-Circuit Interruption" (ACI) složená z kombinace vypínač/jiskřiště je integrovaná v ochranném modulu
  • Vzhledem k technologii ACI není nutné externí předjištění
  • Malé připojovací průřezy 6 mm2 (Cu) jsou plně dostačující *)
  • TOV pevnost je zajištěna i při 440 V (AC)
  • Vysoká spolehlivost zařízení, selektivita s pojistkami 35 A gG
  • Zcela bez unikajících proudů díky galvanickému oddělení vypínací jednotkou ACI
  • Energetická kordinace v rámci skupiny produktů Red/Line
  • Zkoušeno vibrací a rázem podle ČSN EN 60068-2
  • Připojení Push-in
*) Všechny živé vodiče musí být odolné vůči zkratu a zemnímu spojení

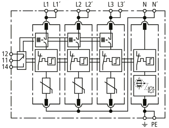
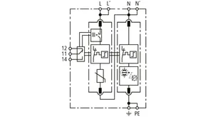
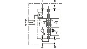
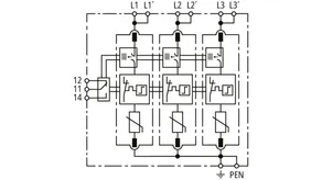
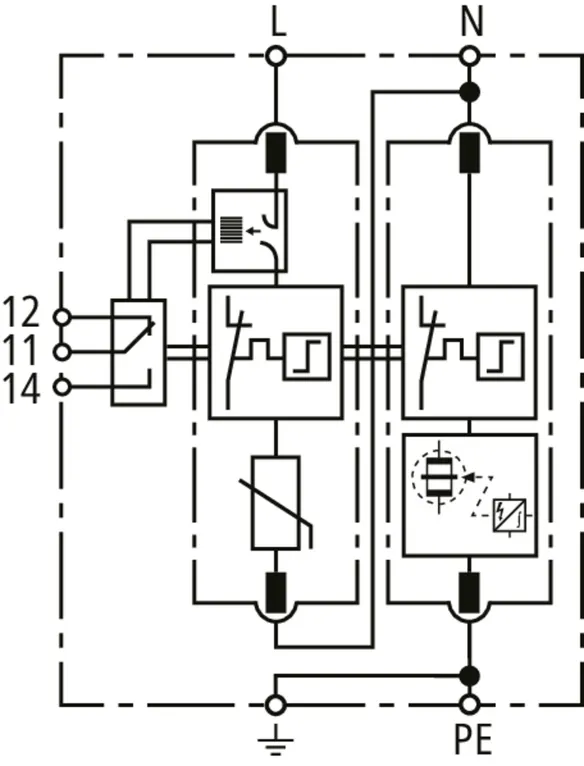
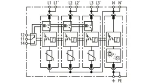
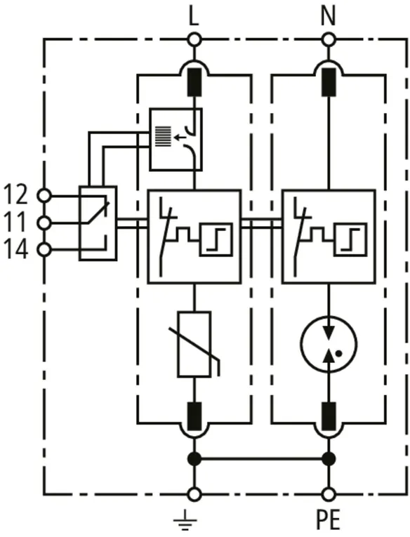
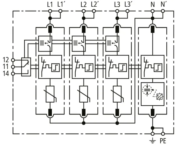
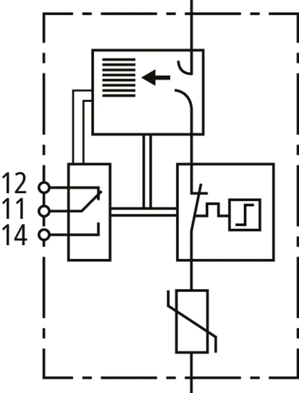
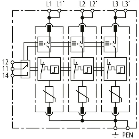
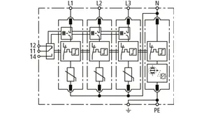
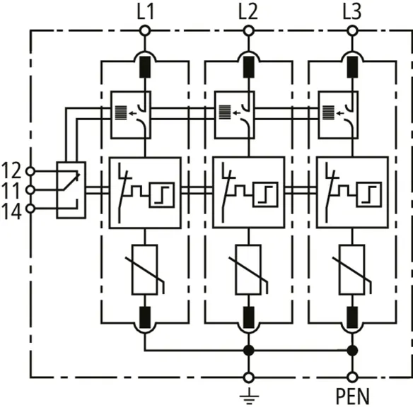
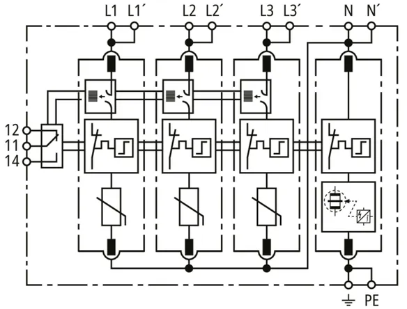
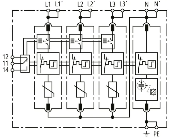
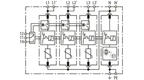
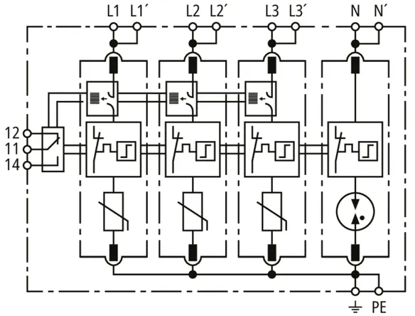
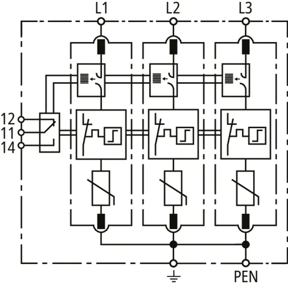
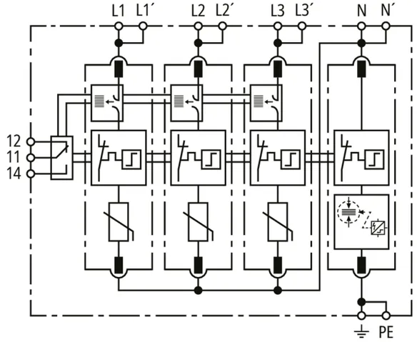
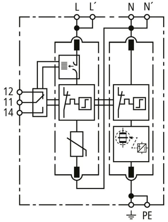
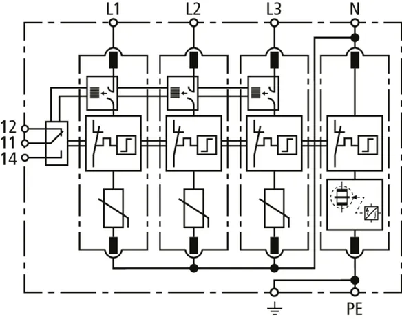
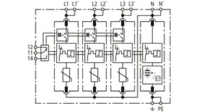
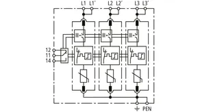
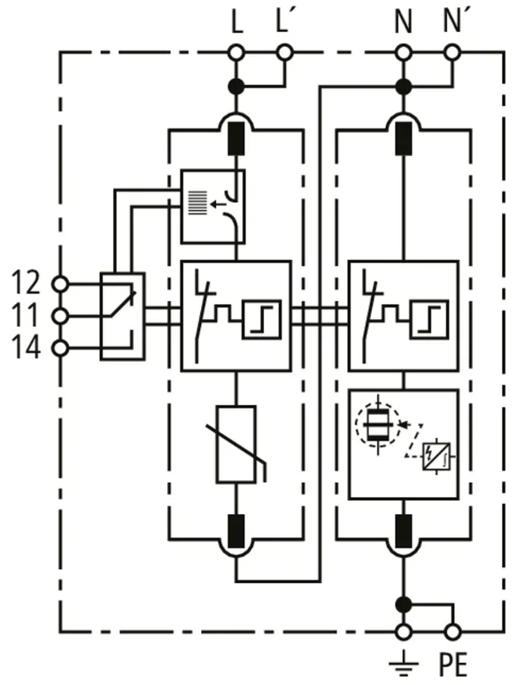
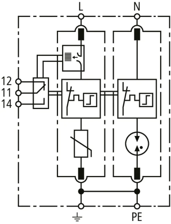
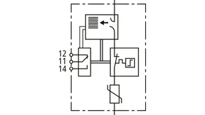
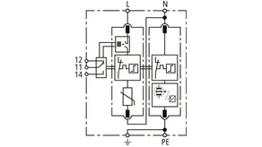
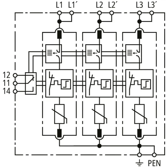
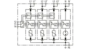
DEHNguard MD TNS ACI 275 FM

Modulární svodič přepětí s Advanced-Circuit Interruption (ACI) pro systémy TN-S (zapojení 4+0); s bezpotenciálovým kontaktem dálkové signalizace.

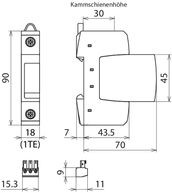
1 Produkt

Obj. č. 943440 DG MD TNS ACI 275 FM

GTIN 4013364477131, Číslo celního sazebníku (EU): 85363030, Váha brutto: 380.00 g, Balící jednotka: 1.00 ks


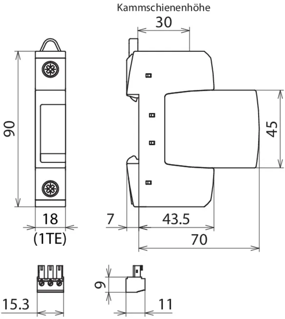
Vyobrazení

Další informace

Modul svodiče přepětí DEHNguard MD TNS ACI 275 FM
s technologií ACI
4pólový, modulární, zásuvný svodič přepětí
s integrovaným ACI vypínačem/jiskřištěm
pro 230/400V systémy TN-S, šířka 4TE
s kontaktem pro dálkovou signalizaci
Svodič typ 2 podle EN 61643-11
ukazatel poruchy
Max. přípustné trvalé napětí: 275 V AC
Ochranná úroveň: <= 1,5 kV
Jmenovitý svodový impulzní proud: 20 kA
Zkratová pevnost: 25 kAeff
Bez potřeby dodatečného externího zabezpečení
Energetická koordinace podle DIN EN 62305-4
svodič řady Red/Line

Výrobek: DEHN
Typ: DG MD TNS ACI 275 FM
Obj. č.: 943440
nebo rovnocenný.

Certifikáty

 

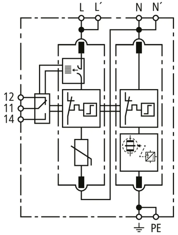
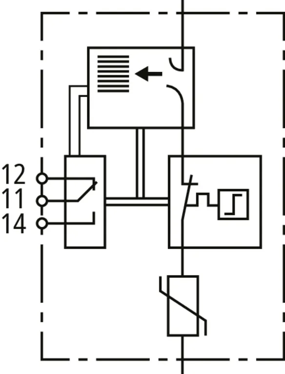
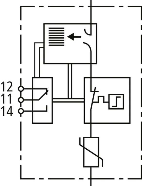
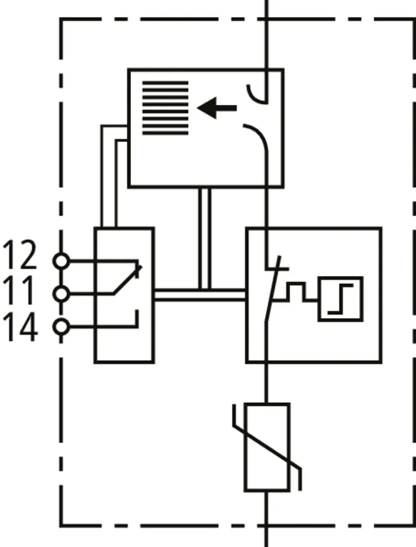
Technologie ACI

Jedná se o evoluci CI technologie, která stojí na kombinaci jiskřiště a odpínače zapojené v sérii s výkonným varistorem. To umožňuje jednoduché řešení a bezpečný provoz svodiče přepětí. Dalšími výhodami jsou jistota při dimenzování, odolnost TOV, připojovací průměr vodičů Cu pouhých 6 mm2 a absence unikajícího proudu. Svodiče přepětí s technologií ACI tak zaručují maximální bezpečí a provozuschopnost zařízení.

Technické informace

SPD podle ČSN EN 61643-11 / ... IEC 61643-11 typ 2/Třída II
Maximální provozní napětí AC [L-PE] (UC ) 275 V (50/60 Hz)
Jmenovitý impulzní proud (8/20 µs) (In ) 20 kA
Ochranná úroveň [L-PE]/[N-PE] (UP ) ≤ 1,5/≤ 1,5 kV
Dodatečné externí předjištění Ne
Napětí TOV [L-N] (UT) – charakteristika 335 V / 5 s – pevnost
Napětí TOV (UT) – charakteristika 440 V/120 min – Pevnost
Unikající proud bez unikajícího proudu
Certifikace DEKRA

Produkt 943440 byl přidán na seznam.

K seznamu

Produkt 943440 byl přidán do nákupního košíku.


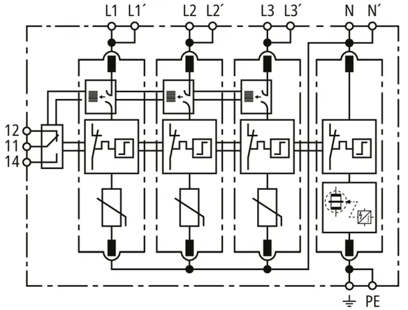
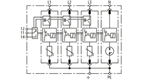
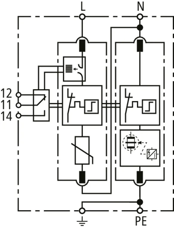
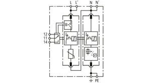
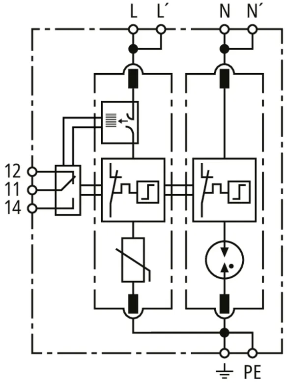
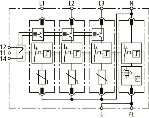
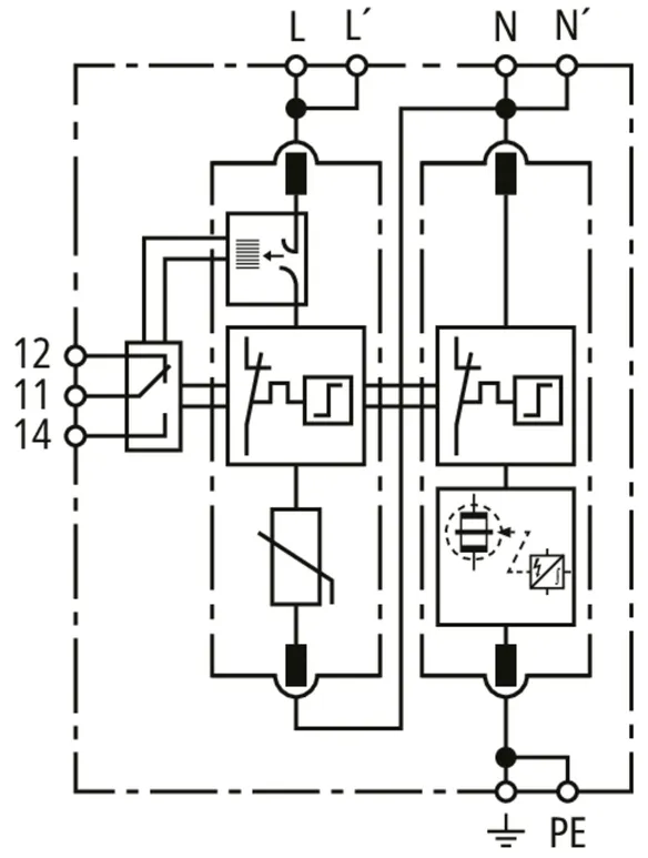
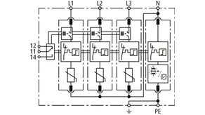
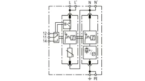
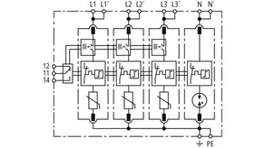
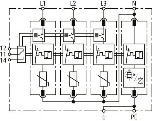
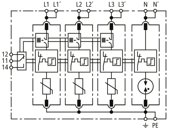
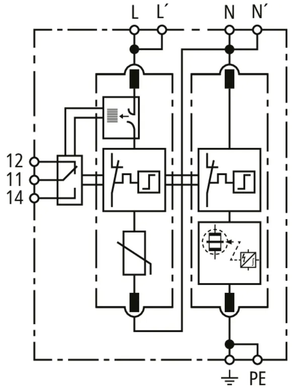
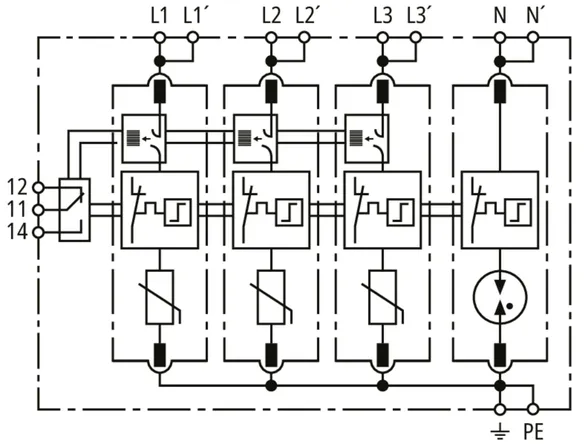
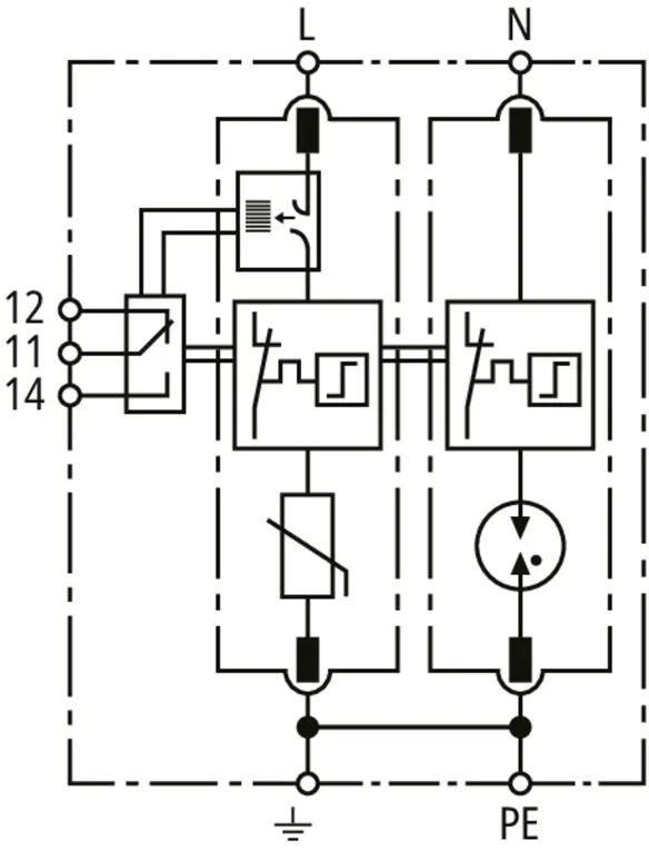
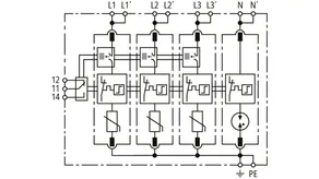
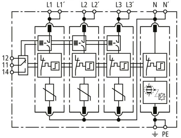
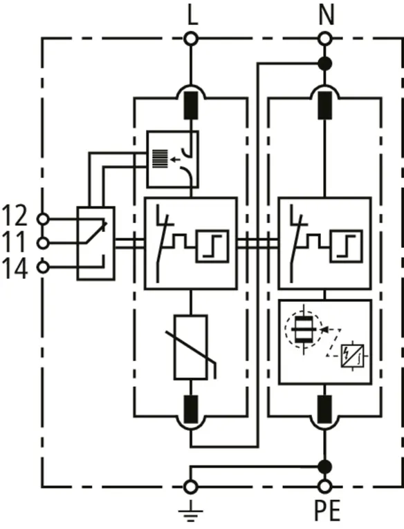
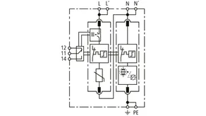
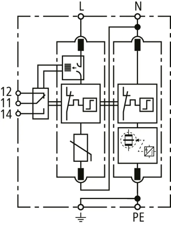
DEHNguard MD TT ACI ... FM

Modulární svodič přepětí s technologií Advanced-Circuit Interruption (ACI) pro systémy TT a TN-S (zapojení 3+1); s bezpotenciálovým kontaktem dálkové signalizace.

2 Produkty

Obj. č. 943341 DG MD TT ACI 275 FM

GTIN 4013364477179, Číslo celního sazebníku (EU): 85363030, Váha brutto: 250.00 g, Balící jednotka: 1.00 ks


Vyobrazení

Další informace

Modul svodiče přepětí DEHNguard MD TT ACI 275 FM
s technologií ACI
4pólový, modulární, zásuvný svodič přepětí
s integrovaným ACI vypínačem/jiskřištěm
pro 230/400V systémy TT a TN-S, šířka 4TE
s kontaktem pro dálkovou signalizaci
Svodič typ 2 podle EN 61643-11
ukazatel poruchy
Max. přípustné trvalé napětí: 275 V AC
Ochranná úroveň: <= 1,5 kV
Jmenovitý svodový impulzní proud: 20 kA
Zkratová pevnost: 25 kAeff
Bez potřeby dodatečného externího zabezpečení
Energetická koordinace podle DIN EN 62305-4
svodič řady Red/Line

Výrobek: DEHN
Typ: DG MD TT ACI 275 FM
Obj. č.: 943341
nebo rovnocenný.

 

Technologie ACI

Jedná se o evoluci CI technologie, která stojí na kombinaci jiskřiště a odpínače zapojené v sérii s výkonným varistorem. To umožňuje jednoduché řešení a bezpečný provoz svodiče přepětí. Dalšími výhodami jsou jistota při dimenzování, odolnost TOV, připojovací průměr vodičů Cu pouhých 6 mm2 a absence unikajícího proudu. Svodiče přepětí s technologií ACI tak zaručují maximální bezpečí a provozuschopnost zařízení.

Technické informace

SPD podle ČSN EN 61643-11 / ... IEC 61643-11 typ 2/Třída II
Maximální provozní napětí AC [L-N] (UC ) 275 V (50/60 Hz)
Jmenovitý impulzní proud (8/20 µs) [L-N] (In ) 20 kA
Ochranná úroveň [L-N]/[N-PE] (UP ) ≤ 1,5/≤ 1,5 kV
Dodatečné externí předjištění Ne
Napětí TOV [L-N] (UT) – charakteristika 335 V / 5 s – pevnost
Napětí TOV [L-N] (UT) – charakteristika 440 V/120 min – Pevnost
Napětí TOV [N-PE] (UT) – charakteristika 1200 V/200 ms - Pevnost
Unikající proud bez unikajícího proudu
Certifikace DEKRA

Produkt 943341 byl přidán na seznam.

K seznamu

Produkt 943341 byl přidán do nákupního košíku.

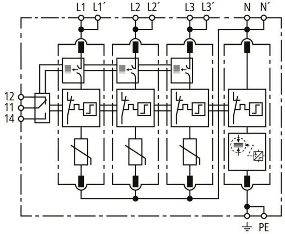
Obj. č. 943342 DG MD TT ACI 385 FM

GTIN 4013364522251, Číslo celního sazebníku (EU): 85363030, Váha brutto: 250.00 g, Balící jednotka: 1.00 ks


Vyobrazení

Další informace

Modul svodiče přepětí DEHNguard MD TT ACI 385 FM
s technologií ACI
4pólový, modulární, zásuvný svodič přepětí
s integrovaným ACI vypínačem/jiskřištěm
pro 230/400V systémy TT a TN-S, šířka 4TE
s kontaktem pro dálkovou signalizaci
Svodič typ 2 podle EN 61643-11
ukazatel poruchy
Max. přípustné trvalé napětí: 385 V AC
Ochranná úroveň: <= 1,5 kV
Jmenovitý svodový impulzní proud: 20 kA
Zkratová pevnost: 25 kAeff
Bez potřeby dodatečného externího zabezpečení
Energetická koordinace podle DIN EN 62305-4
svodič řady Red/Line

Výrobek: DEHN
Typ: DG MD TT ACI 385 FM
Obj. č.: 943342
nebo rovnocenný.

 

Technologie ACI

Jedná se o evoluci CI technologie, která stojí na kombinaci jiskřiště a odpínače zapojené v sérii s výkonným varistorem. To umožňuje jednoduché řešení a bezpečný provoz svodiče přepětí. Dalšími výhodami jsou jistota při dimenzování, odolnost TOV, připojovací průměr vodičů Cu pouhých 6 mm2 a absence unikajícího proudu. Svodiče přepětí s technologií ACI tak zaručují maximální bezpečí a provozuschopnost zařízení.

Technické informace

SPD podle ČSN EN 61643-11 / ... IEC 61643-11 typ 2/Třída II
Maximální provozní napětí AC [L-N] (UC ) 385 V (50 / 60 Hz)
Jmenovitý impulzní proud (8/20 µs) [L-N] (In ) 20 kA
Max. impulzní proud (8/20 µs) [L-N] (Imax ) 40 kA
Max. impulzní proud (8/20 µs) [N-PE] (Imax ) 120 kA
Ochranná úroveň [L-N]/[N-PE] (UP ) ≤ 1,5/≤ 1,5 kV
Dodatečné externí předjištění Ne
Napětí TOV [L-N] (UT) – charakteristika 335 V / 5 s – pevnost
Napětí TOV [L-N] (UT) – charakteristika 440 V/120 min – Pevnost
Napětí TOV [N-PE] (UT) – charakteristika 1200 V/200 ms - Pevnost
Unikající proud bez unikajícího proudu
Certifikace DEKRA

Produkt 943342 byl přidán na seznam.

K seznamu

Produkt 943342 byl přidán do nákupního košíku.


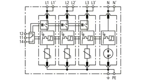
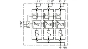
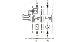
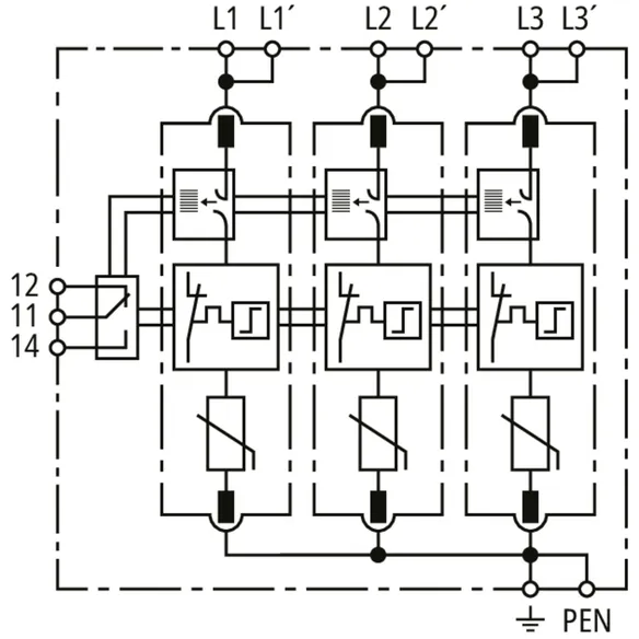
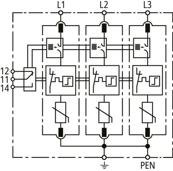
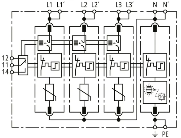
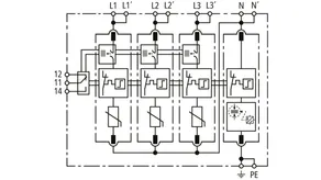
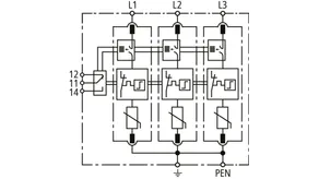
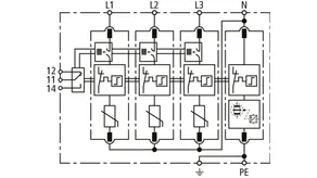
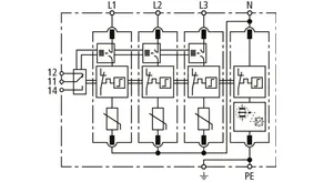
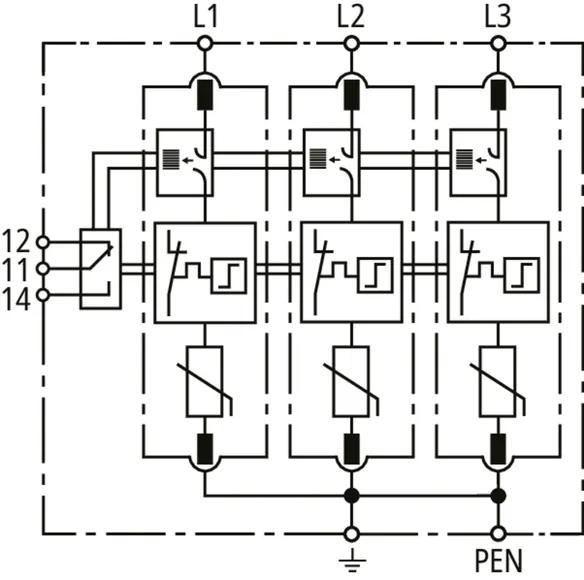
DEHNguard MP TNC ACI 275 FM

Modulární svodič přepětí s Advanced-Circuit Interruption (ACI) pro sítě TN-C.

1 Produkt

Obj. č. 942330 DG MP TNC ACI 275 FM

GTIN 4013364495319, Číslo celního sazebníku (EU): 85363030, Váha brutto: 348.11 g, Balící jednotka: 1.00 ks


Vyobrazení

Další informace

Svodič přepětí DEHNguard MP TNC ACI 275 FM
Třípólový, modulární, zásuvný
svodič přepětí s
integrovaným ACI spínačem/jiskřištěm
a dvojitou push-in připojovací svorkou pro
rozvětvené a průchozí zapojení, určený
pro sítě TN-S, šířka 3 TE
s kontaktem pro dálkovou signalizaci
Svodič typ 2 podle EN 61643-11
ukazatel poruchy
Max. přípustné trvalé napětí: 275 V AC
Ochranná úroveň: <= 1,5 kV
Jmenovitý svodový impulzní proud: 20 kA
Zkratová pevnost: 25 kAeff
Energetická koordinace podle DIN EN 62305-4
svodič řady Red/Line

Výrobek: DEHN
Typ: DG MP TNC ACI 275 FM
Obj. č.: 942330
nebo rovnocenný.

Certifikáty

 

Technologie ACI

Jedná se o evoluci CI technologie, která stojí na kombinaci jiskřiště a odpínače zapojené v sérii s výkonným varistorem. To umožňuje jednoduché řešení a bezpečný provoz svodiče přepětí. Dalšími výhodami jsou jistota při dimenzování, odolnost TOV, připojovací průměr vodičů Cu pouhých 6 mm2 a absence unikajícího proudu. Svodiče přepětí s technologií ACI tak zaručují maximální bezpečí a provozuschopnost zařízení.

Technické informace

SPD podle ČSN EN 61643-11 / ... IEC 61643-11 typ 2/Třída II
Maximální provozní napětí AC (UC ) 275 V (50/60 Hz)
Jmenovitý impulzní proud (8/20 µs) (In ) 20 kA
Ochranná úroveň (UP ) ≤ 1,5 kV
Dodatečné externí předjištění ne
Napětí TOV (UT) – charakteristika 335 V/5 s - Pevnost
Napětí TOV (UT) – charakteristika 440 V/120 min - Pevnost
Unikající proud bez unikajícího proudu
Certifikace KEMA, VDE

Produkt 942330 byl přidán na seznam.

K seznamu

Produkt 942330 byl přidán do nákupního košíku.


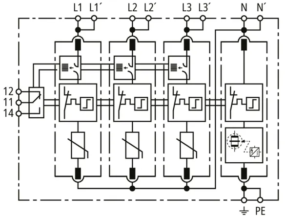
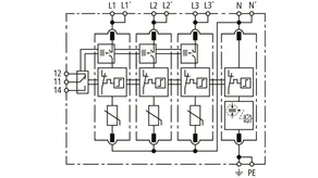
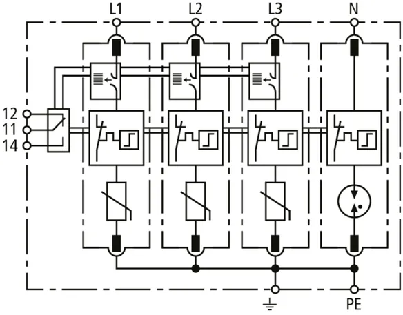
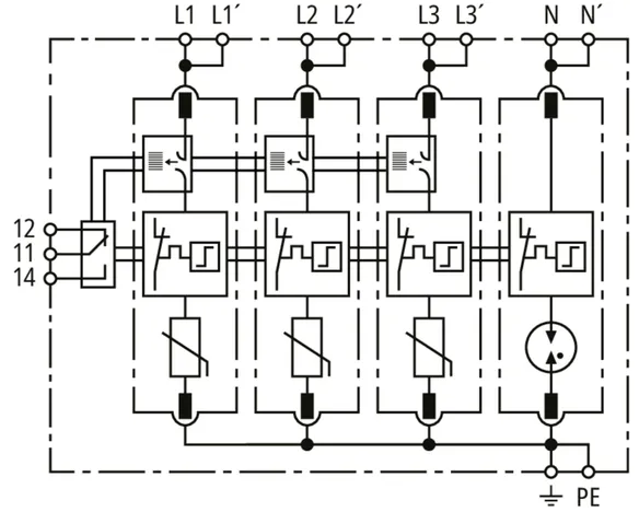
DEHNguard MP TNS ACI ... FM

Modulární svodič přepětí s Advanced-Circuit Interruption (ACI) pro sítě TN-S.

1 Produkt

Obj. č. 942440 DG MP TNS ACI 275 FM

GTIN 4013364477148, Číslo celního sazebníku (EU): 85363030, Váha brutto: 377.08 g, Balící jednotka: 1.00 ks


Vyobrazení

Další informace

Svodič přepětí DEHNguard MP TNS ACI 275 FM
Čtyřpólový, modulární, zásuvný
svodič přepětí s
integrovaným ACI spínačem/jiskřištěm
a dvojitou push-in připojovací svorkou pro
rozvětvené a průchozí zapojení, určený
pro sítě TN-S, šířka 4 TE
s kontaktem pro dálkovou signalizaci
Svodič typ 2 podle EN 61643-11
ukazatel poruchy
Max. přípustné trvalé napětí: 275 V AC
Ochranná úroveň: <= 1,5 kV
Jmenovitý svodový impulzní proud: 20 kA
Zkratová pevnost: 25 kAeff
Energetická koordinace podle DIN EN 62305-4
svodič řady Red/Line

Výrobek: DEHN
Typ: DG MP TNS ACI 275 FM
Obj. č.: 942440
nebo rovnocenný.

Certifikáty

 

Technologie ACI

Jedná se o evoluci CI technologie, která stojí na kombinaci jiskřiště a odpínače zapojené v sérii s výkonným varistorem. To umožňuje jednoduché řešení a bezpečný provoz svodiče přepětí. Dalšími výhodami jsou jistota při dimenzování, odolnost TOV, připojovací průměr vodičů Cu pouhých 6 mm2 a absence unikajícího proudu. Svodiče přepětí s technologií ACI tak zaručují maximální bezpečí a provozuschopnost zařízení.

Technické informace

SPD podle ČSN EN 61643-11 / ... IEC 61643-11 typ 2/Třída II
Maximální provozní napětí AC [L-PE] (UC ) 275 V (50/60 Hz)
Jmenovitý impulzní proud (8/20 µs) (In ) 20 kA
Ochranná úroveň [L-PE]/[N-PE] (UP ) ≤ 1,5/≤ 1,5 kV
Dodatečné externí předjištění ne
Napětí TOV (UT) – charakteristika 335 V/5 s – Pevnost
Napětí TOV (UT) – charakteristika 440 V/120 min - Pevnost
Unikající proud bez unikajícího proudu
Certifikace KEMA, VDE

Produkt 942440 byl přidán na seznam.

K seznamu

Produkt 942440 byl přidán do nákupního košíku.


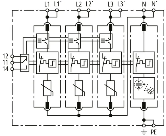
DEHNguard MP TT ACI ... FM

Modulární svodič přepětí s Advanced-Circuit Interruption (ACI) pro sítě TT a TN-S (zapojení 3+1).

2 Produkty

Obj. č. 942341 DG MP TT ACI 275 FM

GTIN 4013364477186, Číslo celního sazebníku (EU): 85363030, Váha brutto: 377.71 g, Balící jednotka: 1.00 ks


Vyobrazení

Další informace

Svodič přepětí DEHNguard MP TT ACI 275 FM
Čtyřpólový, modulární, zásuvný
svodič přepětí s
integrovaným ACI spínačem/jiskřištěm
a dvojitou push-in připojovací svorkou pro
rozvětvené a průchozí zapojení, určený
pro sítě TT a TN-S, šířka 4 TE
s kontaktem pro dálkovou signalizaci
Svodič typ 2 podle EN 61643-11
ukazatel poruchy
Max. přípustné trvalé napětí: 275 V AC
Ochranná úroveň: <= 1,5 kV
Jmenovitý svodový impulzní proud: 20 kA
Zkratová pevnost: 25 kAeff
Energetická koordinace podle DIN EN 62305-4
svodič řady Red/Line

Výrobek: DEHN
Typ: DG MP TT ACI 275 FM
Obj. č.: 942341
nebo rovnocenný.

Certifikáty

 

Technologie ACI

Jedná se o evoluci CI technologie, která stojí na kombinaci jiskřiště a odpínače zapojené v sérii s výkonným varistorem. To umožňuje jednoduché řešení a bezpečný provoz svodiče přepětí. Dalšími výhodami jsou jistota při dimenzování, odolnost TOV, připojovací průměr vodičů Cu pouhých 6 mm2 a absence unikajícího proudu. Svodiče přepětí s technologií ACI tak zaručují maximální bezpečí a provozuschopnost zařízení.

Technické informace

SPD podle ČSN EN 61643-11 / ... IEC 61643-11 typ 2/Třída II
Maximální provozní napětí AC [L-N] (UC ) 275 V (50/60 Hz)
Jmenovitý impulzní proud (8/20 µs) [L-N] (In ) 20 kA
Ochranná úroveň [L-N]/[N-PE] (UP ) ≤ 1,5/≤ 1,5 kV
Dodatečné externí předjištění ne
Napětí TOV [L-N] (UT) – charakteristika 335 V/5 s - Pevnost
Napětí TOV [L-N] (UT) – charakteristika 440 V/120 min – Pevnost
Napětí TOV [N-PE] (UT) – charakteristika 1200 V/200 ms - Pevnost
Unikající proud bez unikajícího proudu
Certifikace KEMA, VDE

Produkt 942341 byl přidán na seznam.

K seznamu

Produkt 942341 byl přidán do nákupního košíku.

Obj. č. 942342 DG MP TT ACI 385 FM

GTIN 4013364484870, Číslo celního sazebníku (EU): 85363030, Váha brutto: 439.00 g, Balící jednotka: 1.00 ks


Vyobrazení

Další informace

Svodič přepětí DEHNguard MP TT ACI 385 FM
Čtyřpólový, modulární, zásuvný
svodič přepětí s
integrovaným ACI spínačem/jiskřištěm
a dvojitou push-in připojovací svorkou pro
rozvětvené a průchozí zapojení, určený
pro sítě TT a TN-S, šířka 4 TE
s kontaktem pro dálkovou signalizaci
Svodič typ 2 podle EN 61643-11
ukazatel poruchy
Max. přípustné trvalé napětí: 385 V AC
Ochranná úroveň: <= 1,5 kV
Jmenovitý svodový impulzní proud: 20 kA
Zkratová pevnost: 25 kAeff
Energetická koordinace podle DIN EN 62305-4
svodič řady Red/Line

Výrobek: DEHN
Typ: DG MP TT ACI 385 FM
Obj. č.: 942342
nebo rovnocenný.

Certifikáty

 

Technologie ACI

Jedná se o evoluci CI technologie, která stojí na kombinaci jiskřiště a odpínače zapojené v sérii s výkonným varistorem. To umožňuje jednoduché řešení a bezpečný provoz svodiče přepětí. Dalšími výhodami jsou jistota při dimenzování, odolnost TOV, připojovací průměr vodičů Cu pouhých 6 mm2 a absence unikajícího proudu. Svodiče přepětí s technologií ACI tak zaručují maximální bezpečí a provozuschopnost zařízení.

Technické informace

SPD podle ČSN EN 61643-11 / ... IEC 61643-11 typ 2/Třída II
Maximální provozní napětí AC [L-N] (UC ) 385 V (50/60 Hz)
Jmenovitý impulzní proud (8/20 µs) (In ) 20 kA
Max. impulzní proud (8/20 µs) [L-N] (Imax ) 40 kA
Ochranná úroveň [L-N]/[N-PE] (UP ) ≤ 1,5/≤ 1,5 kV
Dodatečné externí předjištění ne
Napětí TOV [L-N] (UT) – charakteristika 335 V/5 s - Pevnost
Napětí TOV [L-N] (UT) – charakteristika 440 V/120 min – Pevnost
Napětí TOV [N-PE] (UT) – charakteristika 1200 V/200 ms - Pevnost
Unikající proud bez unikajícího proudu
Certifikace KEMA, VDE

Produkt 942342 byl přidán na seznam.

K seznamu

Produkt 942342 byl přidán do nákupního košíku.


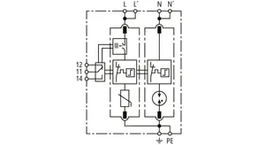
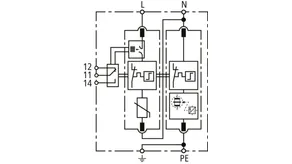
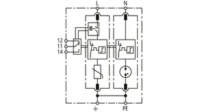
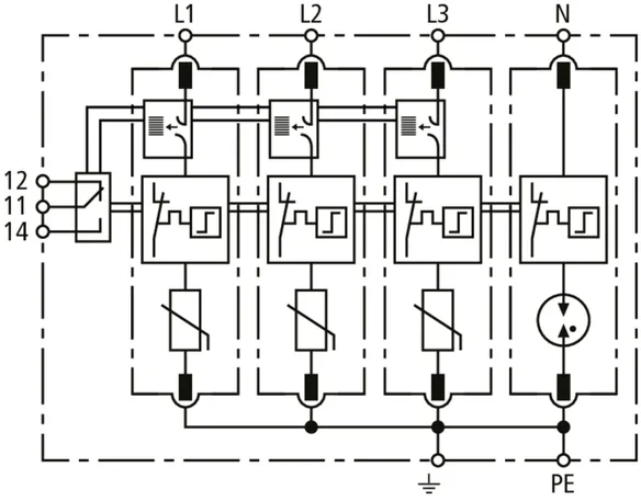
DEHNguard MP TN ACI 275 FM

Modulární svodič přepětí s technologií Advanced-Circuit Interruption (ACI) pro jednofázové 230V sítě TN.

1 Produkt

Obj. č. 942220 DG MP TN ACI 275 FM

GTIN 4013364495425, Číslo celního sazebníku (EU): 85363030, Váha brutto: 234.63 g, Balící jednotka: 1.00 ks


Vyobrazení

Další informace

Svodič přepětí DEHNguard MP TN ACI 275 FM
Dvoupólový, modulární, zásuvný
svodič přepětí s
integrovaným ACI spínačem/jiskřištěm
a dvojitou push-in připojovací svorkou pro
rozvětvené a průchozí zapojení, určený
pro sítě TN, šířka 2 TE
s kontaktem pro dálkovou signalizaci
Svodič typ 2 podle EN 61643-11
ukazatel poruchy
Max. přípustné trvalé napětí: 275 V AC
Ochranná úroveň: <= 1,5 kV
Jmenovitý svodový impulzní proud: 20 kA
Zkratová pevnost: 25 kAeff
Energetická koordinace podle DIN EN 62305-4
svodič řady Red/Line

Výrobek: DEHN
Typ: DG MP TN ACI 275 FM
Obj. č.: 942220
nebo rovnocenný.

Certifikáty

 

Technologie ACI

Jedná se o evoluci CI technologie, která stojí na kombinaci jiskřiště a odpínače zapojené v sérii s výkonným varistorem. To umožňuje jednoduché řešení a bezpečný provoz svodiče přepětí. Dalšími výhodami jsou jistota při dimenzování, odolnost TOV, připojovací průměr vodičů Cu pouhých 6 mm2 a absence unikajícího proudu. Svodiče přepětí s technologií ACI tak zaručují maximální bezpečí a provozuschopnost zařízení.

Technické informace

SPD podle ČSN EN 61643-11 / ... IEC 61643-11 typ 2/Třída II
Maximální provozní napětí AC [L-PE] (UC ) 275 V (50/60 Hz)
Jmenovitý impulzní proud (8/20 µs) (In ) 20 kA
Ochranná úroveň [L-PE]/[N-PE] (UP ) ≤ 1,5/≤ 1,5 kV
Dodatečné externí předjištění ne
Napětí TOV (UT) – charakteristika 335 V/5 s – Pevnost
Napětí TOV (UT) – charakteristika 440 V/120 min - Pevnost
Unikající proud bez unikajícího proudu
Certifikace KEMA, VDE

Produkt 942220 byl přidán na seznam.

K seznamu

Produkt 942220 byl přidán do nákupního košíku.


DEHNguard MP TT 2P ACI ... FM

2 Produkty

Obj. č. 942121 DG MP TT 2P ACI 275 FM

GTIN 4013364495364, Číslo celního sazebníku (EU): 85363030, Váha brutto: 250.04 g, Balící jednotka: 1.00 ks


Vyobrazení

Další informace

Svodič přepětí DEHNguard MP TT 2P ACI 275 FM
Dvoupólový, modulární, zásuvný
svodič přepětí s
integrovaným ACI spínačem/jiskřištěm
a dvojitou push-in připojovací svorkou pro
rozvětvené a průchozí zapojení, určený
pro sítě TT a TN, šířka 2 TE
s kontaktem pro dálkovou signalizaci
Svodič typ 2 podle EN 61643-11
ukazatel poruchy
Max. přípustné trvalé napětí: 275 V AC
Ochranná úroveň: <= 1,5 kV
Jmenovitý svodový impulzní proud: 20 kA
Zkratová pevnost: 25 kAeff
Energetická koordinace podle DIN EN 62305-4
svodič řady Red/Line

Výrobek: DEHN
Typ: DG MP TT 2P ACI 275 FM
Obj. č.: 942121
nebo rovnocenný.

Certifikáty

 

Technologie ACI

Jedná se o evoluci CI technologie, která stojí na kombinaci jiskřiště a odpínače zapojené v sérii s výkonným varistorem. To umožňuje jednoduché řešení a bezpečný provoz svodiče přepětí. Dalšími výhodami jsou jistota při dimenzování, odolnost TOV, připojovací průměr vodičů Cu pouhých 6 mm2 a absence unikajícího proudu. Svodiče přepětí s technologií ACI tak zaručují maximální bezpečí a provozuschopnost zařízení.

Technické informace

SPD podle ČSN EN 61643-11 / ... IEC 61643-11 typ 2/Třída II
Maximální provozní napětí AC [L-N] (UC ) 275 V (50/60 Hz)
Jmenovitý impulzní proud (8/20 µs) [L-N] (In ) 20 kA
Ochranná úroveň [L-N]/[N-PE] (UP ) ≤ 1,5/≤ 1,5 kV
Dodatečné externí předjištění ne
Napětí TOV [L-N] (UT) – charakteristika 335 V/5 s - Pevnost
Napětí TOV [L-N] (UT) – charakteristika 440 V/120 min - Pevnost
Napětí TOV [N-PE] (UT) – charakteristika 1200 V/200 ms - Pevnost
Unikající proud bez unikajícího proudu
Certifikace KEMA, VDE

Produkt 942121 byl přidán na seznam.

K seznamu

Produkt 942121 byl přidán do nákupního košíku.

Obj. č. 942122 DG MP TT 2P ACI 385 FM

GTIN 4013364495371, Číslo celního sazebníku (EU): 85363030, Váha brutto: 250.24 g, Balící jednotka: 1.00 ks


Vyobrazení

Další informace

Svodič přepětí DEHNguard MP TT 2P ACI 385 FM
Dvoupólový, modulární, zásuvný
svodič přepětí s
integrovaným ACI spínačem/jiskřištěm
a dvojitou push-in připojovací svorkou pro
rozvětvené a průchozí zapojení, určený
pro sítě TT a TN, šířka 2 TE
s kontaktem pro dálkovou signalizaci
Svodič typ 2 podle EN 61643-11
ukazatel poruchy
Max. přípustné trvalé napětí: 385 V AC
Ochranná úroveň: <= 1,5 kV
Jmenovitý svodový impulzní proud: 20 kA
Zkratová pevnost: 25 kAeff
Energetická koordinace podle DIN EN 62305-4
svodič řady Red/Line

Výrobek: DEHN
Typ: DG MP TT 2P ACI 385 FM
Obj. č.: 942122
nebo rovnocenný.

Certifikáty

 

Technologie ACI

Jedná se o evoluci CI technologie, která stojí na kombinaci jiskřiště a odpínače zapojené v sérii s výkonným varistorem. To umožňuje jednoduché řešení a bezpečný provoz svodiče přepětí. Dalšími výhodami jsou jistota při dimenzování, odolnost TOV, připojovací průměr vodičů Cu pouhých 6 mm2 a absence unikajícího proudu. Svodiče přepětí s technologií ACI tak zaručují maximální bezpečí a provozuschopnost zařízení.

Technické informace

SPD podle ČSN EN 61643-11 / ... IEC 61643-11 typ 2/Třída II
Maximální provozní napětí AC [L-N] (UC ) 385 V (50/60 Hz)
Jmenovitý impulzní proud (8/20 µs) (In ) 20 kA
Max. impulzní proud (8/20 µs) [L-N] (Imax ) 40 kA
Ochranná úroveň [L-N]/[N-PE] (UP ) ≤ 1,5/≤ 1,5 kV
Dodatečné externí předjištění ne
Napětí TOV [L-N] (UT) – charakteristika 335 V/5 s - Pevnost
Napětí TOV [L-N] (UT) – charakteristika 440 V/120 min - Pevnost
Napětí TOV [N-PE] (UT) – charakteristika 1200 V/200 ms - Pevnost
Unikající proud bez unikajícího proudu
Certifikace KEMA, VDE

Produkt 942122 byl přidán na seznam.

K seznamu

Produkt 942122 byl přidán do nákupního košíku.


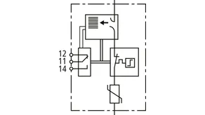
DEHNguard M TNC ACI 275 FM

Modulární svodič přepětí s Advanced-Circuit Interruption (ACI) pro sítě TN-C.

1 Produkt

Obj. č. 952330 DG M TNC ACI 275 FM

GTIN 4013364376649, Číslo celního sazebníku (EU): 85363030, Váha brutto: 360.00 g, Balící jednotka: 1.00 ks

Staré provedení

Vyobrazení

Další informace

Svodič přepětí s technologií ACI DEHNguard M TNC ACI 275 FM
3 pólový modulární, zásuvný svodič přepětí
s integrovaným ACI-vypínačem/jiskřištěm
pro 230/400 V sítě TN-C, šířka 3TE
s kontaktem dálkové signalizace
svodič typ 2 podle ČSN EN 61643-11
nejvyšší provozní napětí: 275 V ac
úroveň ochrany: <= 1,5 kV
jmenovitý impulzní proud: 20 kA
bez potřeby dodatečného externího předjištění
energetická koordinace podle ČSN EN 62305-4
svodič řady Red/Line
mechanický ukazatel poruchy svodiče

Výrobek: DEHN
Typ: DG M TNC ACI 275 FM
Obj. č.: 952330
nebo rovnocenný.

Certifikáty

 

Technologie ACI

Jedná se o evoluci CI technologie, která stojí na kombinaci jiskřiště a odpínače zapojené v sérii s výkonným varistorem. To umožňuje jednoduché řešení a bezpečný provoz svodiče přepětí. Dalšími výhodami jsou jistota při dimenzování, odolnost TOV, připojovací průměr vodičů Cu pouhých 6 mm2 a absence unikajícího proudu. Svodiče přepětí s technologií ACI tak zaručují maximální bezpečí a provozuschopnost zařízení.

Technické informace

SPD podle ČSN EN 61643-11 / ... IEC 61643-11 typ 2/Třída II
Maximální provozní napětí AC (UC ) 275 V (50/60 Hz)
Jmenovitý impulzní proud (8/20 µs) (In ) 20 kA
Ochranná úroveň (UP ) ≤ 1,5 kV
Dodatečné externí předjištění ne
Napětí TOV (UT) – charakteristika 440 V/120 min - Pevnost
Unikající proud bez unikajícího proudu
Certifikace KEMA

Produkt 952330 byl přidán na seznam.

K seznamu

Produkt 952330 byl přidán do nákupního košíku.


DEHNguard M TNC ACI 385 FM

1 Produkt

Obj. č. 952340 DG M TNC ACI 385 FM

GTIN 4013364560840, Číslo celního sazebníku (EU): 85363030, Váha brutto: 383.80 g, Balící jednotka: 1.00 ks


Vyobrazení

Další informace

Svodič přepětí s technologií ACI DEHNguard M TNC ACI 385 FM
Třípólový modulární zásuvný svodič přepětí
s integrovaným ACI vypínačem/jiskřištěm
pro 230/400V sítě TN-C, šířka 3 TE
S kontaktem pro dálkovou signalizaci
Svodič typ 2 podle EN 61643-11
Max. přípustné trvalé napětí: 285 V AC
Ochranná úroveň: <= 1,5 kV
Jmenovitý svodový impulzní proud: 20 kA
Bez potřeby dodatečného externího zabezpečení
Energetická koordinace podle DIN EN 62305-4
svodič řady Red/Line
Mech. ukazatel poruchy svodiče

Výrobek: DEHN
Typ: DG M TNC ACI 385 FM
Obj. č.: 952340
nebo rovnocenný.

Certifikáty

 

Technologie ACI

Jedná se o evoluci CI technologie, která stojí na kombinaci jiskřiště a odpínače zapojené v sérii s výkonným varistorem. To umožňuje jednoduché řešení a bezpečný provoz svodiče přepětí. Dalšími výhodami jsou jistota při dimenzování, odolnost TOV, připojovací průměr vodičů Cu pouhých 6 mm2 a absence unikajícího proudu. Svodiče přepětí s technologií ACI tak zaručují maximální bezpečí a provozuschopnost zařízení.

Technické informace

SPD podle ČSN EN 61643-11 / ... IEC 61643-11 typ 2/Třída II
Maximální provozní napětí AC (UC ) 385 V (50 / 60 Hz)
Jmenovitý impulzní proud (8/20 µs) (In ) 20 kA
Max. impulzní proud (8/20 µs) (Imax ) 40 kA
Ochranná úroveň (UP ) ≤ 1,5 kV
Dodatečné externí předjištění ne
Napětí TOV (UT) – charakteristika 440 V/120 min - Pevnost
Unikající proud bez unikajícího proudu
Certifikace KEMA

Produkt 952340 byl přidán na seznam.

K seznamu

Produkt 952340 byl přidán do nákupního košíku.


DEHNguard M TNS ACI 275 FM

Modulární svodič přepětí s Advanced-Circuit Interruption (ACI) pro sítě TN-S.

1 Produkt

Obj. č. 952440 DG M TNS ACI 275 FM

GTIN 4013364376625, Číslo celního sazebníku (EU): 85363030, Váha brutto: 450.00 g, Balící jednotka: 1.00 ks

Staré provedení

Vyobrazení

Další informace

Svodič přepětí s technologií ACI DEHNguard M TNS ACI 275 FM
4 pólový modulární, zásuvný svodič přepětí
s integrovaným ACI-vypínačem/jiskřištěm
pro 230/400 V sítě TN-S, šířka 4TE
s kontaktem dálkové signalizace
svodič typ 2 podle ČSN EN 61643-11
nejvyšší provozní napětí: 275 V ac
úroveň ochrany: <= 1,5 kV
jmenovitý impulzní proud: 20 kA
bez potřeby dodatečného externího předjištění
energetická koordinace podle ČSN EN 62305-4
svodič řady Red/Line
mechanický ukazatel poruchy svodiče

Výrobek: DEHN
Typ: DG M TNS ACI 275 FM
Obj. č.: 952440
nebo rovnocenný.

Certifikáty

 

Technologie ACI

Jedná se o evoluci CI technologie, která stojí na kombinaci jiskřiště a odpínače zapojené v sérii s výkonným varistorem. To umožňuje jednoduché řešení a bezpečný provoz svodiče přepětí. Dalšími výhodami jsou jistota při dimenzování, odolnost TOV, připojovací průměr vodičů Cu pouhých 6 mm2 a absence unikajícího proudu. Svodiče přepětí s technologií ACI tak zaručují maximální bezpečí a provozuschopnost zařízení.

Technické informace

SPD podle ČSN EN 61643-11 / ... IEC 61643-11 typ 2/Třída II
Maximální provozní napětí AC [L-PE] (UC ) 275 V (50/60 Hz)
Jmenovitý impulzní proud (8/20 µs) (In ) 20 kA
Ochranná úroveň [L-PE]/[N-PE] (UP ) ≤ 1,5/≤ 1,5 kV
Dodatečné externí předjištění ne
Napětí TOV (UT) – charakteristika 440 V/120 min – Pevnost
Unikající proud bez unikajícího proudu
Certifikace KEMA

Produkt 952440 byl přidán na seznam.

K seznamu

Produkt 952440 byl přidán do nákupního košíku.


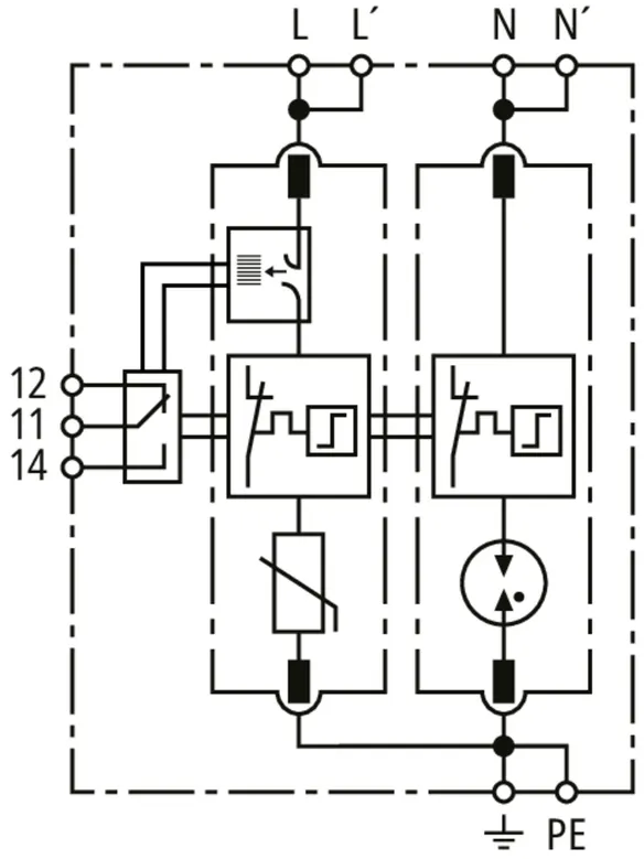
DEHNguard M TT ACI ... FM

Modulární svodič přepětí s Advanced-Circuit Interruption (ACI) pro sítě TT a TN-S (zapojení 3+1).

2 Produkty

Obj. č. 952341 DG M TT ACI 275 FM

GTIN 4013364376632, Číslo celního sazebníku (EU): 85363030, Váha brutto: 455.00 g, Balící jednotka: 1.00 ks

Staré provedení

Vyobrazení

Další informace

Svodič přepětí s technologií ACI DEHNguard M TT ACI 275 FM
3 pólový modulární, zásuvný svodič přepětí
s integrovaným ACI-vypínačem/jiskřištěm
pro 230/400 V sítě TT a TN-S, šířka 4TE
s kontaktem dálkové signalizace
svodič typ 2 podle ČSN EN 61643-11
nejvyšší provozní napětí: 275 V ac
úroveň ochrany: <= 1,5 kV
jmenovitý impulzní proud: 20 kA
bez potřeby dodatečného externího předjištění
energetická koordinace podle ČSN EN 62305-4
svodič řady Red/Line
mechanický ukazatel poruchy svodiče

Výrobek: DEHN
Typ: DG M TT ACI 275 FM
Obj. č.: 952341
nebo rovnocenný.

Certifikáty

 

Technologie ACI

Jedná se o evoluci CI technologie, která stojí na kombinaci jiskřiště a odpínače zapojené v sérii s výkonným varistorem. To umožňuje jednoduché řešení a bezpečný provoz svodiče přepětí. Dalšími výhodami jsou jistota při dimenzování, odolnost TOV, připojovací průměr vodičů Cu pouhých 6 mm2 a absence unikajícího proudu. Svodiče přepětí s technologií ACI tak zaručují maximální bezpečí a provozuschopnost zařízení.

Technické informace

SPD podle ČSN EN 61643-11 / ... IEC 61643-11 typ 2/Třída II
Maximální provozní napětí AC [L-N] (UC ) 275 V (50/60 Hz)
Jmenovitý impulzní proud (8/20 µs) [L-N] (In ) 20 kA
Ochranná úroveň [L-N]/[N-PE] (UP ) ≤ 1,5/≤ 1,5 kV
Dodatečné externí předjištění ne
Napětí TOV [L-N] (UT) – charakteristika 440 V/120 min – Pevnost
Napětí TOV [N-PE] (UT) – charakteristika 1200 V/200 ms - Pevnost
Unikající proud bez unikajícího proudu
Certifikace KEMA

Produkt 952341 byl přidán na seznam.

K seznamu

Produkt 952341 byl přidán do nákupního košíku.

Obj. č. 952342 DG M TT ACI 385 FM

GTIN 4013364387850, Číslo celního sazebníku (EU): 85363030, Váha brutto: 520.00 g, Balící jednotka: 1.00 ks


Vyobrazení

Další informace

Svodič přepětí s technologií ACI DEHNguard M TT ACI 385 FM
3 pólový modulární, zásuvný svodič přepětí
s integrovaným ACI-vypínačem/jiskřištěm
pro 230/400 V sítě TT a TN-S, šířka 4TE
s kontaktem dálkové signalizace
svodič typ 2 podle ČSN EN 61643-11
nejvyšší provozní napětí: 385 V ac
úroveň ochrany: <= 1,5 kV
jmenovitý impulzní proud: 20 kA
bez potřeby dodatečného externího předjištění
energetická koordinace podle ČSN EN 62305-4
svodič řady Red/Line
mechanický ukazatel poruchy svodiče

Výrobek: DEHN
Typ: DG M TT ACI 385 FM
Obj. č.: 952342
nebo rovnocenný.

Certifikáty

 

Technologie ACI

Jedná se o evoluci CI technologie, která stojí na kombinaci jiskřiště a odpínače zapojené v sérii s výkonným varistorem. To umožňuje jednoduché řešení a bezpečný provoz svodiče přepětí. Dalšími výhodami jsou jistota při dimenzování, odolnost TOV, připojovací průměr vodičů Cu pouhých 6 mm2 a absence unikajícího proudu. Svodiče přepětí s technologií ACI tak zaručují maximální bezpečí a provozuschopnost zařízení.

Technické informace

SPD podle ČSN EN 61643-11 / ... IEC 61643-11 typ 2/Třída II
Maximální provozní napětí AC [L-N] (UC ) 385 V (50/60 Hz)
Jmenovitý impulzní proud (8/20 µs) [L-N] (In ) 20 kA
Max. impulzní proud (8/20 µs) [L-N] (Imax ) 40 kA
Max. impulzní proud (8/20 µs) [N-PE] (Imax ) 120 kA
Ochranná úroveň [L-N]/[N-PE] (UP ) ≤ 1,5/≤ 1,5 kV
Dodatečné externí předjištění ne
Napětí TOV [L-N] (UT) – charakteristika 440 V/120 min - Pevnost
Napětí TOV [N-PE] (UT) – charakteristika 1200 V/200 ms - Pevnost
Unikající proud bez unikajícího proudu
Certifikace KEMA

Produkt 952342 byl přidán na seznam.

K seznamu

Produkt 952342 byl přidán do nákupního košíku.


DEHNguard M TN ACI 275 FM

Modulární svodič přepětí s Advanced-Circuit Interruption (ACI) pro jednofázové sítě 230 V TN.

1 Produkt

Obj. č. 952220 DG M TN ACI 275 FM

GTIN 4013364376656, Číslo celního sazebníku (EU): 85363030, Váha brutto: 245.00 g, Balící jednotka: 1.00 ks

Staré provedení

Vyobrazení

Další informace

Svodič přepětí s technologií ACI DEHNguard M TN ACI 275 FM
2 pólový modulární, zásuvný svodič přepětí
s integrovaným ACI-vypínačem/jiskřištěm
pro 230/400 V sítě TN, šířka 2TE
s kontaktem dálkové signalizace
svodič typ 2 podle ČSN EN 61643-11
nejvyšší provozní napětí: 275 V ac
úroveň ochrany: <= 1,5 kV
jmenovitý impulzní proud: 20 kA
bez potřeby dodatečného externího předjištění
energetická koordinace podle ČSN EN 62305-4
svodič řady Red/Line
mechanický ukazatel poruchy svodiče

Výrobek: DEHN
Typ: DG M TN ACI 275 FM
Obj. č.: 952220
nebo rovnocenný.

Certifikáty

 

Technologie ACI

Jedná se o evoluci CI technologie, která stojí na kombinaci jiskřiště a odpínače zapojené v sérii s výkonným varistorem. To umožňuje jednoduché řešení a bezpečný provoz svodiče přepětí. Dalšími výhodami jsou jistota při dimenzování, odolnost TOV, připojovací průměr vodičů Cu pouhých 6 mm2 a absence unikajícího proudu. Svodiče přepětí s technologií ACI tak zaručují maximální bezpečí a provozuschopnost zařízení.

Technické informace

SPD podle ČSN EN 61643-11 / ... IEC 61643-11 typ 2/Třída II
Maximální provozní napětí AC [L-PE] (UC ) 275 V (50/60 Hz)
Jmenovitý impulzní proud (8/20 µs) (In ) 20 kA
Ochranná úroveň [L-PE]/[N-PE] (UP ) ≤ 1,5/≤ 1,5 kV
Dodatečné externí předjištění ne
Napětí TOV (UT) – charakteristika 440 V/120 min - Pevnost
Unikající proud bez unikajícího proudu
Certifikace KEMA

Produkt 952220 byl přidán na seznam.

K seznamu

Produkt 952220 byl přidán do nákupního košíku.


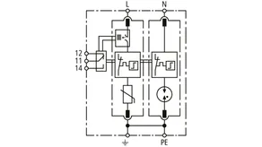
DEHNguard M TT 2P ACI ... FM

Modulární svodič přepětí s Advanced-Circuit Interruption (ACI) pro jednofázové sítě 230 V TT a TN (zapojení 1+1).

2 Produkty

Obj. č. 952121 DG M TT 2P ACI 275 FM

GTIN 4013364376663, Číslo celního sazebníku (EU): 85363030, Váha brutto: 255.00 g, Balící jednotka: 1.00 ks

Staré provedení

Vyobrazení

Další informace

Svodič přepětí s technologií ACI DEHNguard M TT 2P ACI 275 FM
2 pólový modulární, zásuvný svodič přepětí
s integrovaným ACI-vypínačem/jiskřištěm
pro 230 V sítě TT a TN, šířka 2TE
s kontaktem dálkové signalizace
svodič typ 2 podle ČSN EN 61643-11
nejvyšší provozní napětí: 275 V ac
úroveň ochrany: <= 1,5 kV
jmenovitý impulzní proud: 20 kA
bez potřeby dodatečného externího předjištění
energetická koordinace podle ČSN EN 62305-4
svodič řady Red/Line
mechanický ukazatel poruchy svodiče

Výrobek: DEHN
Typ: DG M TT 2P ACI 275 FM
Obj. č.: 952121
nebo rovnocenný.

Certifikáty

 

Technologie ACI

Jedná se o evoluci CI technologie, která stojí na kombinaci jiskřiště a odpínače zapojené v sérii s výkonným varistorem. To umožňuje jednoduché řešení a bezpečný provoz svodiče přepětí. Dalšími výhodami jsou jistota při dimenzování, odolnost TOV, připojovací průměr vodičů Cu pouhých 6 mm2 a absence unikajícího proudu. Svodiče přepětí s technologií ACI tak zaručují maximální bezpečí a provozuschopnost zařízení.

Technické informace

SPD podle ČSN EN 61643-11 / ... IEC 61643-11 typ 2/Třída II
Maximální provozní napětí AC [L-N] (UC ) 275 V (50/60 Hz)
Jmenovitý impulzní proud (8/20 µs) [L-N] (In ) 20 kA
Ochranná úroveň [L-N]/[N-PE] (UP ) ≤ 1,5/≤ 1,5 kV
Dodatečné externí předjištění ne
Napětí TOV [L-N] (UT) – charakteristika 440 V/120 min - Pevnost
Napětí TOV [N-PE] (UT) – charakteristika 1200 V/200 ms - Pevnost
Unikající proud bez unikajícího proudu
Certifikace KEMA

Produkt 952121 byl přidán na seznam.

K seznamu

Produkt 952121 byl přidán do nákupního košíku.

Obj. č. 952122 DG M TT 2P ACI 385 FM

GTIN 4013364387867, Číslo celního sazebníku (EU): 85363030, Váha brutto: 298.00 g, Balící jednotka: 1.00 ks


Vyobrazení

Další informace

Svodič přepětí s technologií ACI DEHNguard M TT 2P ACI 385 FM
2 pólový modulární, zásuvný svodič přepětí
s integrovaným ACI-vypínačem/jiskřištěm
pro 230 V sítě TT a TN, šířka 2TE
s kontaktem dálkové signalizace
svodič typ 2 podle ČSN EN 61643-11
nejvyšší provozní napětí: 385 V ac
úroveň ochrany: <= 1,5 kV
jmenovitý impulzní proud: 20 kA
bez potřeby dodatečného externího předjištění
energetická koordinace podle ČSN EN 62305-4
svodič řady Red/Line
mechanický ukazatel poruchy svodiče

Výrobek: DEHN
Typ: DG M TT 2P ACI 385 FM
Obj. č.: 952122
nebo rovnocenný.

Certifikáty

 

Technologie ACI

Jedná se o evoluci CI technologie, která stojí na kombinaci jiskřiště a odpínače zapojené v sérii s výkonným varistorem. To umožňuje jednoduché řešení a bezpečný provoz svodiče přepětí. Dalšími výhodami jsou jistota při dimenzování, odolnost TOV, připojovací průměr vodičů Cu pouhých 6 mm2 a absence unikajícího proudu. Svodiče přepětí s technologií ACI tak zaručují maximální bezpečí a provozuschopnost zařízení.

Technické informace

SPD podle ČSN EN 61643-11 / ... IEC 61643-11 typ 2/Třída II
Maximální provozní napětí AC [L-N] (UC ) 385 V (50/60 Hz)
Jmenovitý impulzní proud (8/20 µs) [L-N] (In ) 20 kA
Max. impulzní proud (8/20 µs) [L-N] (Imax ) 40 kA
Max. impulzní proud (8/20 µs) [N-PE] (Imax ) 120 kA
Ochranná úroveň [L-N]/[N-PE] (UP ) ≤ 1,5/≤ 1,5 kV
Dodatečné externí předjištění ne
Napětí TOV [L-N] (UT) – charakteristika 440 V/120 min - Pevnost
Napětí TOV [N-PE] (UT) – charakteristika 1200 V/200 ms - Pevnost
Unikající proud bez unikajícího proudu
Certifikace KEMA

Produkt 952122 byl přidán na seznam.

K seznamu

Produkt 952122 byl přidán do nákupního košíku.


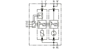
DEHNguard S ACI ... FM

Jednopólový modulární svodič přepětí s Advanced-Circuit Interruption (ACI) složený ze základního dílu a zásuvného ochranného modulu.

2 Produkty

Obj. č. 952100 DG S ACI 275 FM

GTIN 4013364376526, Číslo celního sazebníku (EU): 85363030, Váha brutto: 142.10 g, Balící jednotka: 1.00 ks

Staré provedení

Vyobrazení

Další informace

Svodič přepětí s technologií ACI DEHNguard S ACI 275 FM
1 pólový modulární, zásuvný svodič přepětí
s integrovaným ACI-vypínačem/jiskřištěm, šířka 1TE
s kontaktem dálkové signalizace
svodič typ 2 podle ČSN EN 61643-11
nejvyšší provozní napětí: 275 V ac
úroveň ochrany: <= 1,5 kV
jmenovitý impulzní proud: 20 kA
bez potřeby dodatečného externího předjištění
energetická koordinace podle ČSN EN 62305-4
svodič řady Red/Line
mechanický ukazatel poruchy svodiče

Výrobek: DEHN
Typ: DG S ACI 275 FM
Obj. č.: 952100
nebo rovnocenný.

Certifikáty

 

Technologie ACI

Jedná se o evoluci CI technologie, která stojí na kombinaci jiskřiště a odpínače zapojené v sérii s výkonným varistorem. To umožňuje jednoduché řešení a bezpečný provoz svodiče přepětí. Dalšími výhodami jsou jistota při dimenzování, odolnost TOV, připojovací průměr vodičů Cu pouhých 6 mm2 a absence unikajícího proudu. Svodiče přepětí s technologií ACI tak zaručují maximální bezpečí a provozuschopnost zařízení.

Technické informace

SPD podle ČSN EN 61643-11 / ... IEC 61643-11 typ 2/Třída II
Maximální provozní napětí AC (UC ) 275 V (50/60 Hz)
Jmenovitý impulzní proud (8/20 µs) (In ) 20 kA
Ochranná úroveň (UP ) ≤ 1,5 kV
Dodatečné externí předjištění nein
Napětí TOV (UT) – charakteristika 440 V/120 min - Pevnost
Unikající proud bez unikajícího proudu
Certifikace KEMA

Produkt 952100 byl přidán na seznam.

K seznamu

Produkt 952100 byl přidán do nákupního košíku.

Obj. č. 952113 DG S ACI 385 FM

GTIN 4013364387874, Číslo celního sazebníku (EU): 85363030, Váha brutto: 158.00 g, Balící jednotka: 1.00 ks


Vyobrazení

Další informace

Svodič přepětí s technologií ACI DEHNguard S ACI 275 FM
1 pólový modulární, zásuvný svodič přepětí
s integrovaným ACI-vypínačem/jiskřištěm, šířka 1TE
s kontaktem dálkové signalizace
svodič typ 2 podle ČSN EN 61643-11
nejvyšší provozní napětí: 275 V ac
úroveň ochrany: <= 1,5 kV
jmenovitý impulzní proud: 20 kA
bez potřeby dodatečného externího předjištění
energetická koordinace podle ČSN EN 62305-4
svodič řady Red/Line
mechanický ukazatel poruchy svodiče

Výrobek: DEHN
Typ: DG S ACI 385 FM
Obj. č.: 952113
nebo rovnocenný.

 

Technologie ACI

Jedná se o evoluci CI technologie, která stojí na kombinaci jiskřiště a odpínače zapojené v sérii s výkonným varistorem. To umožňuje jednoduché řešení a bezpečný provoz svodiče přepětí. Dalšími výhodami jsou jistota při dimenzování, odolnost TOV, připojovací průměr vodičů Cu pouhých 6 mm2 a absence unikajícího proudu. Svodiče přepětí s technologií ACI tak zaručují maximální bezpečí a provozuschopnost zařízení.

Technické informace

SPD podle ČSN EN 61643-11 / ... IEC 61643-11 typ 2/Třída II
Maximální provozní napětí AC (UC ) 385 V (50/60 Hz)
Jmenovitý impulzní proud (8/20 µs) (In ) 20 kA
Max. impulzní proud (8/20 µs) (Imax ) 40 kA
Ochranná úroveň (UP ) ≤ 1,5 kV
Dodatečné externí předjištění ne
Napětí TOV (UT) – charakteristika 440 V/120 min - Pevnost
Unikající proud bez unikajícího proudu
Certifikace KEMA

Produkt 952113 byl přidán na seznam.

K seznamu

Produkt 952113 byl přidán do nákupního košíku.


back to top