DEHNguard SE CI s integrovaným předjištěním

  • Předjištění svodiče je integrované v ochranném modulu
  • instalace při vyšších měrných napětích
  • Energeticky zkoordinovaný v rámci skupiny produktů Red/Line
  • Vysoký svodový výkon
  • Vysoký stupeň bezpečnosti je zajištěn odpojovacím zařízením „Thermo-Dynamic-Control“
  • Snadná výměna ochranného modulu pomocí aretovacích tlačítek na ochranném modulu
  • Odolnost proti vibracím a nárazům testována podle EN 60068-2

DEHNguard SE CI 440 FM

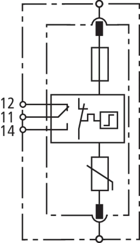
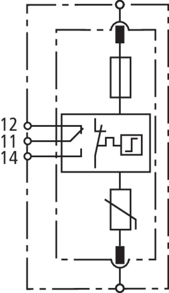
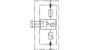
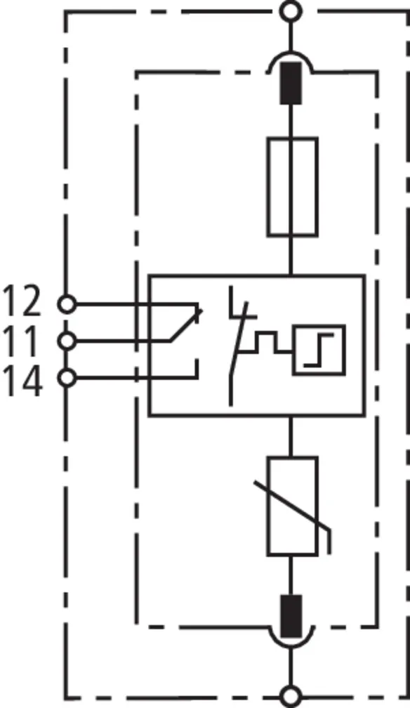
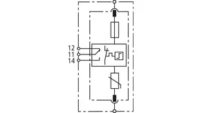
Jednopólový modulární svodič přepětí, složený ze základního dílu a zásuvného ochranného modulu; s integrovaným předjištěním a bezpotenciálovým kontaktem dálkové signalizace.

1 Produkt

Obj. č. 952920 DG SE CI 440 FM

GTIN 4013364322622, Číslo celního sazebníku (EU): 85363030, Váha brutto: 178.00 g, Balící jednotka: 1.00 ks


Vyobrazení

Další informace

Svodič přepětí DEHNguard SE CI 440 FM
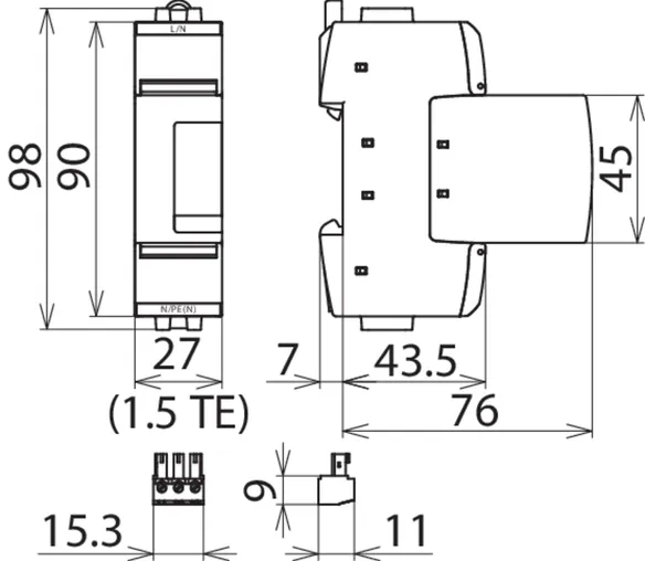
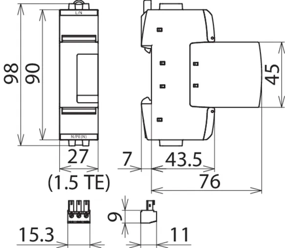
1-pólový modulární zásuvný svodič přepětí
s integrovaným předjištěním, šířka 1,5 TE
s kontaktem dálkové signalizace
svodič typ 2 podle ČSN EN 61643-11
nejvyšší provozní napětí: 440 V ac
úroveň ochrany: <= 2 kV
jmenovitý impulzní proud: 12,5 kA
jmenovitá vypínací schopnost vnitřní záložní ochrany: 25 kA
energetická koordinace podle ČSN EN 62305-4
svodič řady Red/Line

Výrobek: DEHN
Typ: DG SE CI 440 FM
Obj. č.: 952920
nebo rovnocenný.

Certifikáty

 

Integrované předjištění

Předjištění je plně integrováno. To přináší minimální potřebu místa, nižší náklady na montáž a rychlejší instalaci a kratší připojovací vodiče. Tyto vlastnosti mají skupiny produktů DEHNvenCI, DEHNbloc Maxi S, DEHNguard ... CI a V(A) NH.

Technické informace

SPD podle ČSN EN 61643-11 / ... IEC 61643-11 typ 2/Třída II
Maximální provozní napětí AC (UC ) 440 V (50/60 Hz)
Jmenovitý impulzní proud (8/20 µs) (In ) 12,5 kA
Ochranná úroveň (UP ) ≤ 2 kV
Max. nadproudová ochrana ze strany sítě není potřebná
Kontakt dálkové signalizace/typ kontaktu přepínač

Produkt 952920 byl přidán na seznam.

K seznamu

Produkt 952920 byl přidán do nákupního košíku.


DEHNguard SE CI WE 440 FM

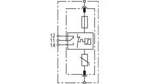
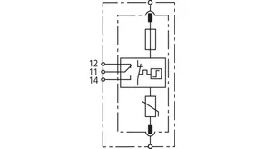
Jednopólový modulární svodič přepětí s měrným napětím varistoru Umov = 750 V AC, složený ze základního dílu a zásuvného ochranného modulu; s integrovaným předjištěním a bezpotenciálovým kontaktem dálkové signalizace.

1 Produkt

Obj. č. 952923 DG SE CI WE 440 FM

GTIN 4013364322639, Číslo celního sazebníku (EU): 85363030, Váha brutto: 184.00 g, Balící jednotka: 1.00 ks


Vyobrazení

Další informace

Svodič přepětí DEHNguard SE CI WE 440 FM
1-pólový modulární zásuvný svodič přepětí
s integrovaným předjištěním, šířka 1,5 TE
s kontaktem dálkové signalizace
svodič typ 2 podle ČSN EN 61643-11
nejvyšší provozní napětí: 440 V ac
měrné napětí varistoru: 750 V
úroveň ochrany: <= 3 kV
jmenovitý impulzní proud: 12,5 kA
jmenovitá vypínací schopnost vnitřní záložní ochrany: 25 kA
energetická koordinace podle ČSN EN 62305-4
svodič řady Red/Line

Výrobek: DEHN
Typ: DG SE CI WE 440 FM
Obj. č.: 952923
nebo rovnocenný.

Certifikáty

 

Integrované předjištění

Předjištění je plně integrováno. To přináší minimální potřebu místa, nižší náklady na montáž a rychlejší instalaci a kratší připojovací vodiče. Tyto vlastnosti mají skupiny produktů DEHNvenCI, DEHNbloc Maxi S, DEHNguard ... CI a V(A) NH.

Technické informace

SPD podle ČSN EN 61643-11 / ... IEC 61643-11 typ 2/Třída II
Maximální provozní napětí AC (UC ) 440 V (50/60 Hz)
Jmenovité napětí varistoru AC (Umov ) 750 V
Jmenovitý impulzní proud (8/20 µs) (In ) 12,5 kA
Ochranná úroveň (UP ) ≤ 3 kV
Max. nadproudová ochrana ze strany sítě není potřebná
Kontakt dálkové signalizace/typ kontaktu přepínač

Produkt 952923 byl přidán na seznam.

K seznamu

Produkt 952923 byl přidán do nákupního košíku.


back to top