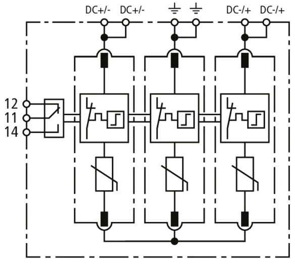
DEHNguard modular YPV ... FM

  • Kompletně zapojená, modulární jednotka určená pro ochranu fotovoltaických aplikací, složená ze základního dílu a zásuvných ochranných modulů
  • Osvědčené zapojení do Y se třemi výkonnými varistory zabraňuje škodám na svodičích přepětí při poruše izolace v obvodech FV střídače
  • Svodiče jsou testovány podle ČSN EN 61643-31
  • Vysoká ochrana proti přetížení prostřednictvím odpojovacího zařízení “Thermo-Dynamic-Control”
  • Ukazatel poruchy je signalizován červeným terčíkem v kontrolním okénku
  • Instalace ve všech fotovoltaických systémech podle IEC 60364-7-712 (ČSN 33 2000-7-712)

DEHNguard MP YPV ... FM

Vícepólový modulární svodič přepětí pro fotovoltaické systémy, s kontaktem dálkové signalizace pro systém monitorování stavu (bezpotenciálový přepínač).

2 Produkty

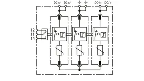
Obj. č. 942565 DG MP YPV 1200 FM

GTIN 4013364495685, Číslo celního sazebníku (EU): 85354000, Váha brutto: 355.99 g, Balící jednotka: 1.00 ks


Vyobrazení

Další informace

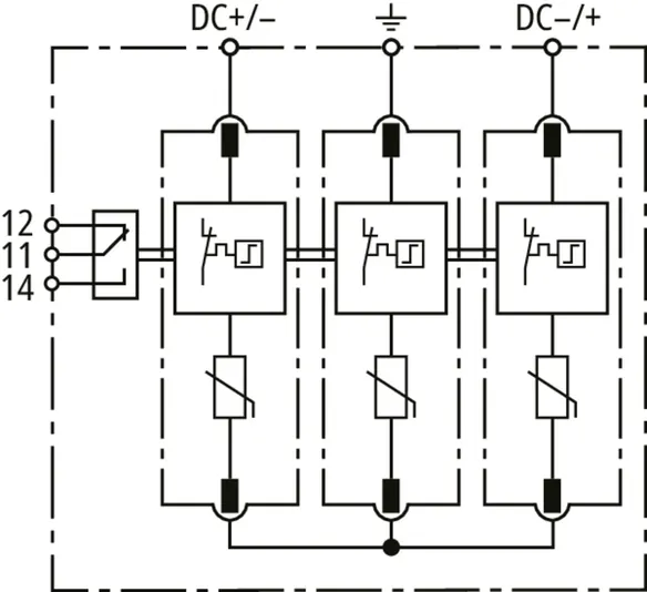
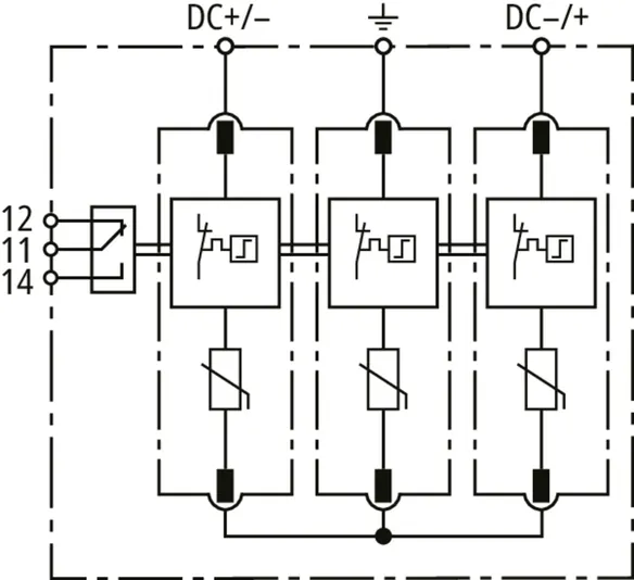
Svodič přepětí DEHNguard MP YPV 1500 FM
vícepólový, modulární, zásuvný svodič přepětí pro fotovoltaiku
se zdvojenými Push-in svorkami pro zapojení do T a V
do 1170 V DC, šířka 3 TE
ukazatel poruchy
s kontaktem dálkové signalizace
typ 2 podle ČSN EN 61643-31
pro použití v souladu s ČSN 33 2000-7-712
maximální FV napětí: <= 1170 V dc
celkový impulzní proud: 40 kA
ochranná úroveň: <= 4 kV
zkratová pevnost Iscpv: 10 kA

Výrobek: DEHN
Typ: DG MP YPV 1200 FM
Obj. č.: 942565
nebo rovnocenný.

Certifikáty

 

Technické informace

SPD podle ČSN EN 61643-31 / ... IEC 61643-31 typ 2/Třída II
Max. svorkové napětí FV (UCPV ) 1170 V
Zkratová pevnost (ISCPV ) 10 kA
Jmenovitý impulzní proud (8/20 µs) [(DC+/DC-) --> PE] (In ) 20 kA
Max. impulzní proud (8/20 µs) [(DC+/DC-) --> PE] (Imax ) 40 kA
Ochranná úroveň (UP ) ≤ 4 kV
Kontakt dálkové signalizace/typ kontaktu přepínač

Produkt 942565 byl přidán na seznam.

K seznamu

Produkt 942565 byl přidán do nákupního košíku.

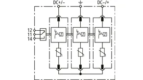
Obj. č. 942567 DG MP YPV 1500 FM

GTIN 4013364495678, Číslo celního sazebníku (EU): 85354000, Váha brutto: 387.05 g, Balící jednotka: 1.00 ks


Vyobrazení

Další informace

Svodič přepětí DEHNguard MP YPV 1500 FM
vícepólový, modulární, zásuvný svodič přepětí pro fotovoltaiku
se zdvojenými Push-in svorkami pro zapojení do T a V
do 1500 V DC, šířka 3 TE
ukazatel poruchy
s kontaktem dálkové signalizace
typ 2 podle ČSN EN 50539-11
pro použití v souladu s ČSN 33 2000-7-712
maximální FV napětí: <= 1500 V dc
celkový impulzní proud: 40 kA
ochranná úroveň: <= 5 kV
zkratová pevnost Iscpv: 10 kA

Výrobek: DEHN
Typ: DG MP YPV 1500 FM
Obj. č.: 942567
nebo rovnocenný.

Certifikáty

 

Technické informace

SPD podle ČSN EN 61643-31 / ... IEC 61643-31 typ 2/Třída II
Max. svorkové napětí FV (UCPV ) 1500 V
Zkratová pevnost (ISCPV ) 10 kA
Jmenovitý impulzní proud (8/20 µs) [(DC+/DC-) --> PE] (In ) 15 kA
Max. impulzní proud (8/20 µs) [(DC+/DC-) --> PE] (Imax ) 40 kA
Ochranná úroveň (UP ) ≤ 5 kV
Kontakt dálkové signalizace/typ kontaktu přepínač

Produkt 942567 byl přidán na seznam.

K seznamu

Produkt 942567 byl přidán do nákupního košíku.


DEHNguard M YPV ... FM

Vícepólový, modulární svodič přepětí pro fotovoltaické aplikace, s kontaktem dálkové signalizace pro systém monitorování stavu (bezpotenciálový přepínač).

2 Produkty

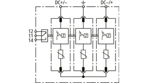
Obj. č. 952565 DG M YPV 1200 FM

GTIN 4013364327719, Číslo celního sazebníku (EU): 85354000, Váha brutto: 382.00 g, Balící jednotka: 1.00 ks


Vyobrazení

Další informace

Svodič přepětí DEHNguard M YPV 1200 FM
Vícepólový, modulární, zásuvný svodič přepětí pro fotovoltaická zařízení
do 1170 V DC, šířka 3 TE
ukazatel poruchy
Typ 2 podle EN 61643-31
Použití podle IEC 60364-7-712
Maximální FV napětí: <= 1170 V dc
Celkový impulzní proud: 40 kA
Ochranná úroveň: <= 4 kV
Zkratová pevnost Iscpv: 10 kA

Výrobek: DEHN
Typ: DG M YPV 1200 FM
Obj. č.: 952565
nebo rovnocenný.

Certifikáty

 

Technické informace

SPD podle ČSN EN 61643-31 / ... IEC 61643-31 typ 2/Třída II
Max. svorkové napětí FV (UCPV ) 1170 V
Zkratová pevnost (ISCPV ) 10 kA
Jmenovitý impulzní proud (8/20 µs) [(DC+/DC-) --> PE] (In ) 20 kA
Max. impulzní proud (8/20 µs) [(DC+/DC-) --> PE] (Imax ) 40 kA
Ochranná úroveň (UP ) ≤ 4 kV
Certifikace UL, KEMA
Kontakt dálkové signalizace/typ kontaktu přepínač

Produkt 952565 byl přidán na seznam.

K seznamu

Produkt 952565 byl přidán do nákupního košíku.

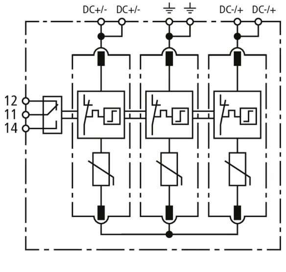
Obj. č. 952567 DG M YPV 1500 FM

GTIN 4013364327726, Číslo celního sazebníku (EU): 85354000, Váha brutto: 411.20 g, Balící jednotka: 1.00 ks


Vyobrazení

Další informace

Svodič přepětí DEHNguard M YPV 1500 FM
vícepólový, modulární, zásuvný svodič přepětí pro fotovoltaiku
do 1500 V DC, šířka 3 TE
ukazatel poruchy
s kontaktem dálkové signalizace
typ 2 podle ČSN EN 61643-31
pro použití v souladu s ČSN 33 2000-7-712
maximální FV napětí: <= 1500 V dc
celkový impulzní proud: 40 kA
ochranná úroveň: <= 5 kV
zkratová pevnost Iscpv: 10 kA

Výrobek: DEHN
Typ: DG M YPV 1500 FM
Obj. č.: 952567
nebo rovnocenný.

Certifikáty

 

Technické informace

SPD podle ČSN EN 61643-31 / ... IEC 61643-31 typ 2/Třída II
Max. svorkové napětí FV (UCPV ) 1500 V
Zkratová pevnost (ISCPV ) 10 kA
Jmenovitý impulzní proud (8/20 µs) [(DC+/DC-) --> PE] (In ) 15 kA
Max. impulzní proud (8/20 µs) [(DC+/DC-) --> PE] (Imax ) 40 kA
Ochranná úroveň (UP ) ≤ 5 kV
Certifikace UL, KEMA
Kontakt dálkové signalizace/typ kontaktu přepínač

Produkt 952567 byl přidán na seznam.

K seznamu

Produkt 952567 byl přidán do nákupního košíku.


back to top