Ekvipotenciální přípojnice – telekomunikační systémy

Uzemňovací přípojnice z nerezu (V4A) – robustní a dlouhodobé řešení pro uzemňovací spojení v telekomunikačních systémech. K dispozici s 6 nebo 3 připojovacími body, nabízí maximální flexibilitu a snadnou instalaci díky svorkám KS a upevnění pomocí šroubu a matice.

Certifikace: podle VG 96953-7

3 připojení

1 Produkt

Obj. č. 472246 PAS 3AP M10 KSM10 V4A

GTIN 4013364459885, Číslo celního sazebníku (EU): 85359000, Váha brutto: 768.00 g, Balící jednotka: 1.00 ks


Vyobrazení

Další informace

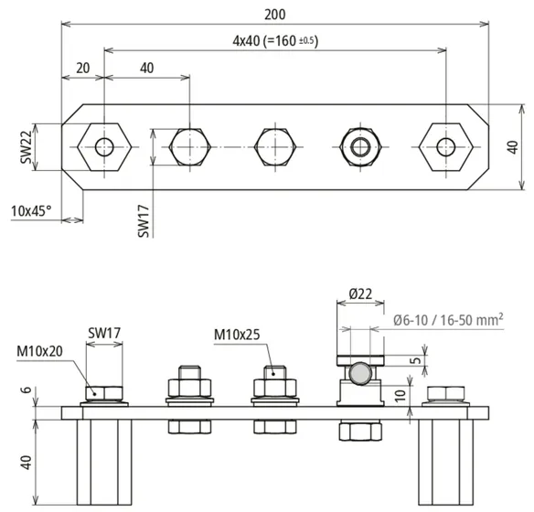
Ekvipotenciální přípojnice z nerezu (V4A)
pro přišroubování pomocí šestihranného podpěrného izolátoru
1× svorka KS, 2× šroub a matice
Počet připojení: 3
Připojení: 1× svorka KS, 2× šroubové připojení M10
Materiál: nerez (V4A)
Číslo materiálu : 1.4571 / 1.4404 / 1.4401
Rozměry: 200 x 40 x 6 mm
Průřez: 240 mm2
Zkratový proud (AC 50 Hz/DC): 8,9 kA
Šroub: M10 x 25 mm
Rozsah svorky KS pro kulatý vodič: 6-10 mm
Certifikace: podle VG96953
Armádní označení: VG96953T07E

Výrobek: DEHN
Typ: PAS 3AP M10 KSM10 V4A
Obj. č.: 472246
nebo rovnocenný.

Certifikáty

 

Technické informace

Počet připojení 3
Připojení 1× svorka KS, 2× šroubové připojení M10
Materiál nerez (V4A)
Rozměry (d × š × h1) 200 x 40 x 6 mm
Průřez 240 mm2
Zkratový proud (AC 50 Hz/DC) (1 s; ≤ 300 °C) 8,9 kA
Šroub di M10 x 25 mm
Rozsah svorky KS pro kulatý vodič 6-10 mm
Certifikace podle VG96953

Produkt 472246 byl přidán na seznam.

K seznamu

Produkt 472246 byl přidán do nákupního košíku.


6 připojení

1 Produkt

Obj. č. 472245 PAS 6AP M8 M10 KSM10 V4A

GTIN 4013364449268, Číslo celního sazebníku (EU): 85359000, Váha brutto: 1.12 kg, Balící jednotka: 1.00 ks


Vyobrazení

Další informace

Ekvipotenciální přípojnice z nerezu (V4A)
pro přišroubování pomocí šestihranného podpěrného izolátoru
2× svorka KS, 1× plochý vodič 30 mm,
2× šroub a matice
Počet připojení: 6
Připojení: 2x svorka KS, 1x oko pro plochý vodič 30 mm, 2x šroubové připojení M10
Materiál: nerez (V4A)
Číslo materiálu : 1.4571 / 1.4404 / 1.4401
Rozměry: 320 x 40 x 6 mm
Průřez: 240 mm2
Zkratový proud (AC 50 Hz/DC): 8,9 kA
Šroub: M8 x 30 mm / M10 x 25 mm
Rozsah svorky KS pro kulatý vodič: 6-10 mm
Certifikace: podle VG96953
Armádní označení: VG96953T07D

Výrobek: DEHN
Typ: PAS 6AP M8 M10 KSM10 V4A
Obj. č.: 472245
nebo rovnocenný.

Certifikáty

 

Technické informace

Počet připojení 6
Připojení 2x svorka KS, 1x oko pro plochý vodič 30 mm, 2x šroubové připojení M10
Materiál nerez (V4A)
Rozměry (d × š × h1) 320 x 40 x 6 mm
Průřez 240 mm2
Zkratový proud (AC 50 Hz/DC) (1 s; ≤ 300 °C) 8,9 kA
Šroub di M8 x 30 mm / M10 x 25 mm
Rozsah svorky KS pro kulatý vodič 6-10 mm
Certifikace podle VG96953

Produkt 472245 byl přidán na seznam.

K seznamu

Produkt 472245 byl přidán do nákupního košíku.


back to top